Fórum témák
» Több friss téma |
Fórum » USB-s hangkártya PCM2902 IC-vel
Helló! Elkészítettem én is a hangkártyát, ha ráduom a gépre, akkor felismeri, hogy új hardver, ki írja, hogy 'USB Audo CODEC' aztán átváltja a nevét 'USB kompozit eszközre", és nem tudja feltelepíteni. Az eszközkezelőben meg is jelenik a sárga felkiáltójel, az eszköz állapotánál pedig az írja, hogy "az eszköz nem indítható el". Megpróbáltam a táp és a föld közé egy 100nF-os kondit rakni, de nem segített rajta. Az IC összes lába jól be van forrasztva, zárlat sincs. Nem tudom, hogy mi lehet a hiba
. a kvarc száma: 1028. Remélem jót adtak a boltban. Remélem tud valaki valamilyen ötletet adni. Köszönöm, Arpy
Szia,
Hát ha a kvarcon 1028 szerepel, akkor könnyen lehet, hogy nem 12 MHz-es. Én eddig csak olyan jól szituált kvarcokat kaptam, amin tisztán és világosan olvasható volt, hogy 12.0000. Szerintem vegyél bele máshol egy újat, és próbáld ki azzal. Nem egy nagy összeg. Ennyin nem múlik a dolog. Alapból nekem sem ismerte fel, előjött a varázsló, hogy új eszköz, engedtem neki, hogy saját maga keressen hozzá a gépen szoftvert, és egy fél perces keersgélés után fel is rakott hozzá valamit, és azóta működik szépen.
Rendben, én is erre gondoltam, hogy ki kellene cserélni. Sajnos nem találtam még olyan progit vagy valamilyen leírást, hogy hogyan lehet visszafejteni a kvarc frekijét.
Én is akárhogy próbáltam kerestetni neki, sajna nem talált hozzá semmit :no: . Köszönöm segítségedet.
Mennyiért vállaltok egy ilyen hangkártya elkészítését? Mer jól jönne egy. Csak vmi kis dobozban kellene, de azt lehet én is megtom oldani.
bocsi, de én örülök, hogy egyet össze tudtam rakni
. Sajna ezt az SSOP tokot nem könnyű beforrasztani, meg vasalással nehéz hozzá nyákot csinálni.
Akkor valszeg veszek egyet. Vagy majd ismerőst még megkérdezem csinálna-e ilyet
Helló!
Mostmár nekem is müködik a hangkártya. Korábban azért nem ment, mert ki kellett cserélni a Vddi-n lévő 1µF-os kondit nagyobbra. Én egy 22µF-osat tettem be, így már müködik szépen. Ezt már Slope is említette korábban, hogy emiatt nem ment neki sem. Másoknak nem volt ilyen problémája vele?Úgy gondolom, hogy eléggé jó hangja van, jobb mint az alaplapi integráltnak, amibe beszűrődik a proci zaja is. Érdemes volt elkészíteni, nem csalódtam.
hali!
Lenne pár kérdésem a kapcsolással kapcsolatba. Első, hogy a stab ic-nek a 2 es és 5-ös lába merre megy, merr mutat a nyíl vége? a másik, meg hogy a 24 és 25 ös lábbal mit csináljak, mert digit részét nem szertném használni. A következő, meg egy előerősítő kellene utánna, vagy simán ráköthetem egy erősítőre? kösz
Helló!
Az a két nyíl az utána következő fokozathoz tart. Az egyik tápfeszt szimbólizálja a köv. áramkörnek, a másik pedig a némítás/kikapcsolás vezérelhetősége egy másik áramköri rész által. Ezt ki lehetne használni pl egy komplett erősítőben, ahol mindent egy PIC/AVR vezérelne, de szerintem nem érdemes vele foglalkozni. Én nem tudtam beszerezni ezt a stabIC-t, de enélkül is tökéletesen müködik. A PCM2902 kimenete elég egy végfok meghajtásához, de nem haragszik, ha utána teszel egy műveleti erősítőt. ![]() Fejhallgatóhoz mindenképpen kell, de végfok elmegy anélkül is. Üdv, Arpy
köszönöm a válaszod, és milyen mü. erősítőt tudnál javasolni, csak hogy szépen szóljon a végfok elött?
Én egy TPA152-t használtam, én ezzel meg vagyok elégedve, melegen tudom ajánlani. Ez egy SMD SOIC tokú alkatrész, ha inkább DIP tokosat szeretnél használni, akkor nyugodtan rakhatsz akár egy NE5532-t is.
Ez eléggé szubjektív dolog.. kinek melyik tetszik. Üdv, Arpy
Én szintén a TPA152-vel építettem meg, nekem is nagyon tetszik az eredmény. Szépen, tisztán és hnagosan hajtja meg a fülest.
Sziasztok!
Van esetleg valakinek még elfekvőben ilyen hangkártya IC-je? 1-2 darab kéne, és még adnék is érte valami kis szolíd összeget! (tudom, hogy ingyen lehet redelni mintát, de először inkább itt próbálkozom) Szóval akinek van még 1-2 darab PCM2902 IC-je, az szóljon! Köszi!
Hello!! Hova valósi vagy mert én pont most rendelek innen...Én Győri
Érdi... De Budapestre be tudnék menni érte. Jársz valamikor BP-n?
HQ-Video-nál lehet kapni hivatalosan ezt az IC-t nemrég óta!
Sziasztok!
Készítettem egy "hangkártyát" PCM2906 IC-vel. Sajnos csak próbapanelos változat lett, de úgyis csak egy darab kell. Tettem utána még 2 LM386-ot, hogy közvetlen rádughassak fülest. Nagyszerű IC, csak egy kicsit zajos a végeredmény. Az egér mozgatása, weboldal görgetése belehallatszik. Az LM386 közvetlen a gépből kijövő 5V-ra van kötve, a hangkártya rész 78L33-ról megy. Mit tehetek ez ellen?
Szia,
az LM386-nak önmagában is van zaja, nem is kevés. Szerintem hangkártya célra semmiképp ne ezt használd. Egyébként az egérgörgetéssel, és egyéb zajokkal nem nagyon tudsz mit kezdeni, mert ezek a gép tápján rajta "ülnek". Érdemes lehet 2-3 db 100 nF-os kondit bekötni a tápágak közé, és/vagy egy ferritgyűrűn megtekerni az USB kábelt. Esetleg azt próbáld meg, hogy USBn kersztül a +5 V-ot nem adod meg neki, hanem azt külön tápról kötöd rá.
Köszönöm az ötleteket, majd kipróbálom őket!
Azért az LM386-ot használtam, mert ebből volt egy zacskónyi, meg ezt ismerem. Ferritgyűrűm most épp nincs, de ha látok egyet, kipróbálom! Külön tápra én is gondoltam: USB tápból STEP-UP-al csinálni mondjuk 8V-ot, és utána előállítani a szükséges feszültségeket. (Nem volt kedvem most ilyennel kísérletezni, de egyszer majd ezt is kipróbálom.)
USB audio ic-t keresek, hol lehetne esetleg beszerezni, elsősorban olyan kellene amin van sp/dif vagy i2s kimenet.
Heló!
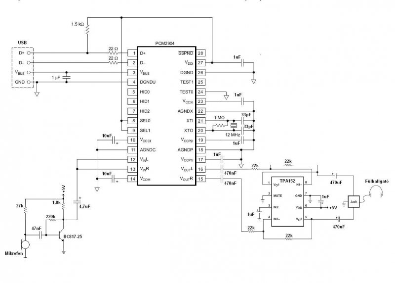
PCM2904 Nincs rajta digitális kimenet. Nem értem miért nem egyszerűbb egy PCI-os hangkártya, de Te tudod. Csatoltam hozzá egy kapcsolsi rajzot is. Az XP magától felismeri, ha minden igaz. A TI gyárt ilyen IC-ket.
A 2904-en nincs digit kimenet, de a 2902-n van. :yes: én csináltam ilyet, de nagy minőséget ne várjon el tőle senki. Van amúgy topicja is.
Sajnos a pci-t nem tudom az erősítőbe beszerelni
![]() Túl sok kábel kellene hozzá hogy a géppel összekössem. Tudod hol lehet venni ilyen ic-ket?
Szóval, akkor csak a gépet akarod összekötni az erősítővel?
Miért nem kötöd össze egyszerűen kábellel, mint ahogy általában szokták. Nem mindegy, hogy usb kábelt vezetsz végig, vagy egy sztereó kábelt?
Az adatlapban a 28. oldalon van kapcsolás. A DOUT a digitális kimenet.
http://focus.ti.com/docs/prod/folders/print/pcm2902.html
Köszönöm mindenkinek, ez teljesen jó nekem!
Azért akarok usb-s kártyát digit kimenettel hogy rá tudjam kötni a laptopra is és az asztali gépre is. Meg szeretnék egy olyan hangkártyát készíteni ami jobb minőségű mint a boltban kapható kártyák. Azért kell a digit kimenet mert szeretnék rátenni egy tda 1543 d/a konvertert, ez olcsó és nagyon jó minőségű. Meg ha már van rajta s/pdif akkor rá tudom kötni a cd játszóra és a dvd-re is, elég összetett d/a -t szeretnék. |
Bejelentkezés
Hirdetés |




. a kvarc száma: 1028. Remélem jót adtak a boltban. Remélem tud valaki valamilyen ötletet adni. Köszönöm, Arpy
. Sajna ezt az SSOP tokot nem könnyű beforrasztani, meg vasalással nehéz hozzá nyákot csinálni.
Korábban azért nem ment, mert ki kellett cserélni a Vddi-n lévő 1µF-os kondit nagyobbra. Én egy 22µF-osat tettem be, így már müködik szépen. Ezt már Slope is említette korábban, hogy emiatt nem ment neki sem. Másoknak nem volt ilyen problémája vele?



Miért nem kötöd össze egyszerűen kábellel, mint ahogy általában szokták. Nem mindegy, hogy usb kábelt vezetsz végig, vagy egy sztereó kábelt? 




