Fórum témák
» Több friss téma |
Fórum » Varázsszemes kivezérlésjelző
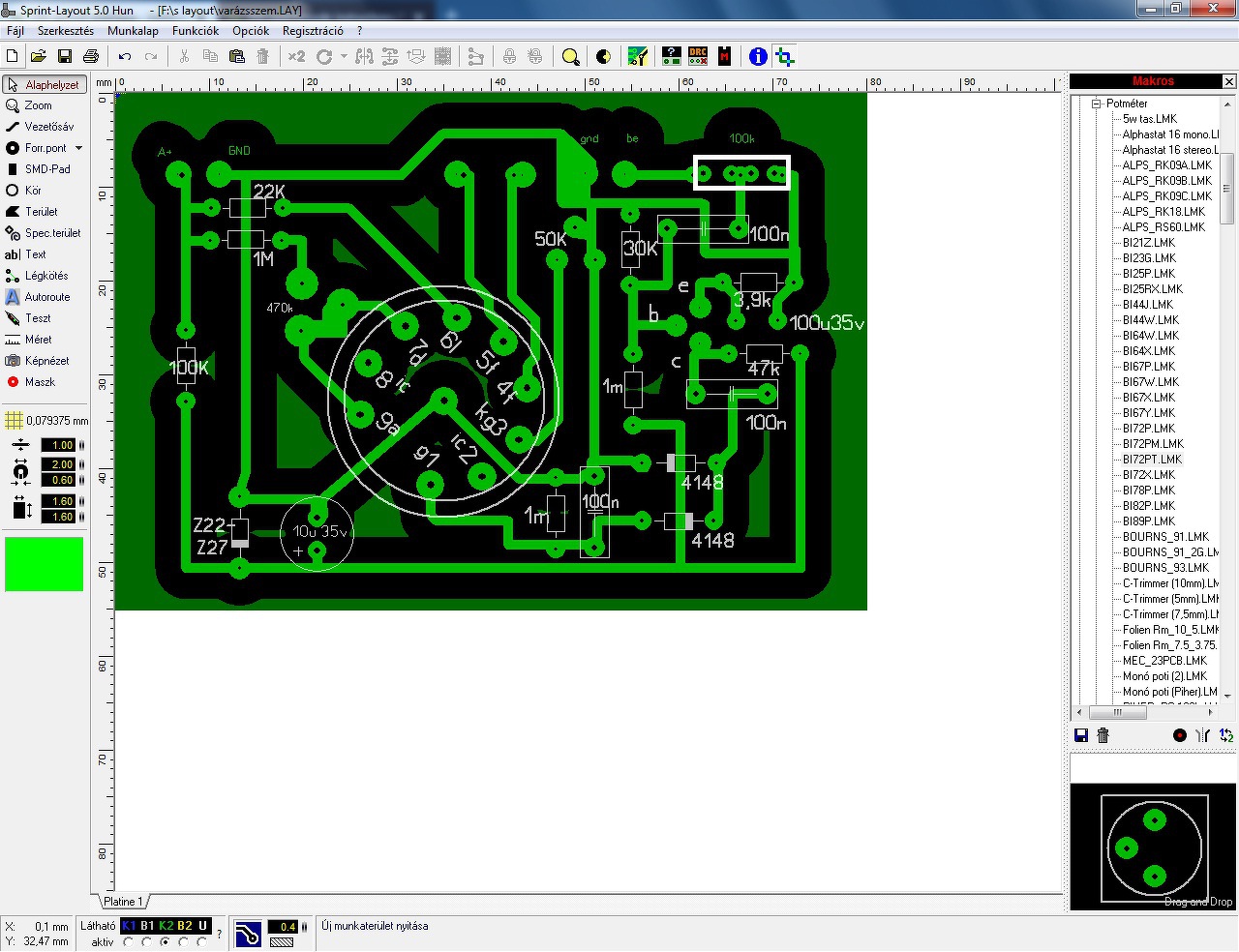
Sziasztok!Szeretném a következő kapcsolást megépíteni .Az lenne a kérdésem,hogy milyen tranzisztor kell bele illetve a bekeretezett részen mi foglal helyet.2X100kohm?Köszi a válaszokat.
A hozzászólás módosítva: Máj 6, 2019
Tökmindegy, bármelyik tranzisztor jó, ol. a BC sorozatból. A kollektor feszültség max 27 V, azt szinte mindegyik kisjelű tranzisztor bírja. A tranzisztoros fokozatra azért van szükség, mert a varázsszem 10 V körüli változó egyen bemenő feszültséggel működik. A tranzisztor a bemenő jel erősítését végzi az 1N4148 egyenirányító számára.
De miért nem a kapcsolási rajzot teszed fel, miért kell visszabogarászni a nyák -ról?
Azthiszem ez az.
A hozzászólás módosítva: Máj 6, 2019
A 100u 35 v os kondi nem tiszta.Azt nem látom a kapcsolási rajzon.
Van a 27 V -os zénerrel párhuzamosan, egy 10 uF, és a másik oldalon egy 100 uF, ami a kapcsolási rajzon nem szerepel. Egyik kondenzátorra sincs túl nagy szükség, mert a zéner diff ellenállása még mindíg kisebb, mint a kondenzátorok veszteségi ellenállása. (de katalógusból kinézheted)
helló ott 1 poti vagy trimmer foglal helyet hogy be tudd állitani.
tranyónak én bc 547 et használtam. udv gorzoll
így van nem lehet látni mert én magam kisérleteztem ki hogy szebben és érzékenyebben mozogjon.
udv: gorzoll
Nixie dc dc konverterről adnám a csőnek az áramot.Működne vele?
Meg lehet még turbózni.
Schottky diódával, fettel, LED-el, stb...
Ha bír a konvertered 3 - 4 mA -t tartósan leadni akkor igen. A nixinél is hasonló nagyságrendű a terhelés.
Szia! Szoval megépitettem ezt ,a probléma az,hogy ha folia oldalrol rakom a csövet ugysem jó meg ugysem ,hogy alkatrészoldalról.Ha alkatrészoldalról forrasztombe akkor a fűtés megy de azon kivül semmi.Tükrözve kellett volna a nyáktervet nyomtatnom? Egyáltalán jó ez a nyák?
Aramköri rajz.
Ez a cső adatlapja.
Ha jól látom, EM84 -ről van szó. Ellenőrizd a bekötést.
EM84 adatlap
Az elektroncsövek lábkiosztását mindig alulnézetből adják meg, a számozás az óra mutató járásával egyező, tehát ha a csövet fogod és a lábait nézed és a lábszünet (novál foglalatról van szó) lefelé van, akkor a lábszünet bal oldalán van az egyes láb, ami itt a G1. A 4-es, 5-ös láb a fűtés.
Tehát a nyákterveden pont a tükörkép kell a helyes csőbekötéshez. Persze a tranzisztort is figyelni kell, nehogy az is tükröződjön feleslegesen.
Szia! Megépítettem ezt a kapcsolást.Működik is,csak annyi a gond vele,hogy nem elég érzékeny.Szerintem az audio jel nem vezérli ki rendesen.A hangbemenet erősítőböl jön.Mit kéne alakítanom a kapcsoláson,hogy rendesen kivezérelje?
A hozzászólás módosítva: Máj 12, 2019
A tranyó bc546c benne
Nézd meg a cső adatlapját, azon belül a diagrammokat. Adott rácsfeszültséghez mekkora árnyékszög tartozik, mekkora feszültségnél csukódik össze? Mert neked ezt kell előállítanod.
A tranzisztor eléggé kis áramú beállítással dolgozik, így nem biztos, hogy a legnagyobb erősítést adja. Plusz ott van egy 2,7k-s ellenállás az emitterén, ami így negatív visszacsatolást okoz. Próbáld meg egy 100µF-os kondival átblokkolni, így csatolásmentesíteni.
Áttblokkolni? Ezt még nem hallottam 100u kondit kössem az ellenállás mellé párhuzamosan?
Igen. Polaritásra ügyelj, ha polarizált elektrolitkondit használsz. Negatív a földön, pozitív az emitteren.
A hozzászólás módosítva: Máj 12, 2019
100u hány volt legyen?
Megcsináltam,kicsivel jobb lett,mostmár észrevehetőbb a változás de még nem annyira mint szeretném.5 mm re a két csik és úgy jelzi a hangot.
A hozzászólás módosítva: Máj 12, 2019
Anno sokat csináltam ilyen kis cuccot ,mindenféle varázsszemmel,
Semmi gond nem volt vele igaz nálam Fet volt minden esetben .
Én a 250 voltot nixi meghajtóról adom neki nem hàlozatról.
Valami előerősitőt tudsz hozzà ajànlani?
16V elég oda.
A bemeneti hangfrekvenciát egyenirányítva, 22 - 23 V -ot kell előállítanod, a -22 V tól csukódik össze a csík. (mérd meg, hogy az mennyi)
A kapcsolásodban is ezért 27 V a tápfeszültség, ez még éppen belefér egy általános NPN tranzisztor Uce feszültségébe, de amint láthatod, szinte koppanásig ki kell vezérelni a tranzisztort. Két úton tudod elérni a célod. 1. Növeled a meghajtó hangfrekvenciás feszültséget, ez nem annyira jó, mert linearitás problémák lesznek, bár az is igaz, hogy nem sokat számít. 2. Növeled a tranzisztoros erősítő erősítését, pl. még egy fokozattal. Lehet, hogy az egyfokozatúnak is lehetne növelni az erősítését, nagyobb bétájú tranzisztorral pl. BC548C Az R4 2,7 k -val párhuzamosan egy 100 µF kondi is jót tesz, ahogy _BiG_ kolléga is mondja. A feszültsége nem kritikus, max 30 V -os, de ez csak biztonsági tartalék, üzem közben néhány V van csak rajta, tehát egy akár 6 V os is elegendő lenne. (gondolom, a hely nem számít) Hopp, eszembe jutott. Az a 100 µF -os kondi, amit nem találtunk a rajzodon, az pont az emitter ellenállást (a nyákon 3,9 kOhm) blokkolja át. A régi szóhasználatban neveztük a kondenzátorokat blokk kondinak, az általános megjelenési formájára utalva, másrészt kerülő utat biztosít a hangfrekvenciás áram számára, "blokkolja" az ellenállás hatását. A hozzászólás módosítva: Máj 12, 2019
Az emitter ellenállás kondenzátoros áthidalása mellett, a diódák 1N4148 kicserélése kisebb nyitófeszültségőre is sokat segít. CIROKL rajzán például germánium diódás módosítás látható, de ma már inkább a kisjelű schottky dióda a javasolt.
Ha nem akarsz új nyomtatott áramkört készíteni, akkor ezek akár meglévő panelre is párhuzamosan tehetők. Illetve kérlek mérd meg a feszültséget a tranzisztor emitterén és kollektorán a test/föld/GND/mínusz-hoz képest
Ki használja hálózatról ? Egy kicsit figyelmesebb lennél láthatnád a mellékelt képen is leválasztó trafó van betéve!
Erről itt jelen esetben nem is volt szó ,valamit benéztél ! Ez amit én neked mutattam az eredeti kis rajz a Fettel ,s.tranzidztoros megoldást már valaki mokolta igy több mint valószinű ott a gond ,nem máshol! Visszatérve a tápfeszültség ellátásra meg csak szt tudom mondani hogy hálózati feszültségröl közvezltlen Nem táplálunk semmit ami ilyen vagy hasonló ,életvédelmileg nem ajánlanám senkinek még kisérlet szempontjából sem . A hozzászólás módosítva: Máj 12, 2019
Semmi erősitőre nincs szúkség hozzá amennyiben vissza alakitod az eredeti rajzhoz .
Amit te csináltál az már mokolás csak ,nem tudom ki és milyen elgondolásból tett sima tranzisztort oda ,illetve a diódák is már lettek módositva. Amennyiben cseréled az alkatrészeket az én rajzom szerintire akkor láss csodát efyből úgy fog működni ahogyan azt kitalálták annak idején. |
Bejelentkezés
Hirdetés |

















