Fórum témák
» Több friss téma |
Fórum » VF2 végerősítő
Még egyenlőre nem, de majd fogok.
Főleg az IRFP240-től várok mégnagyobb javulást, csak stabil maradjon a nyugalmi áram.
Az ne 5534 tranzisztoros bemenetű műveleti erősítő. Tehát a bemenetén a differenciálerősítőjének bázisárama folyik, ami a lezáróellenálláson feszültséget ejt. Namost ha nem egyenlő a két bemenet lezáró ellenállása, akkor különbségi egyenfeszültség lessz köztük, amit az erősítő egyenáramú erősítészeresre növel a kimenetén. Jelen esetben 48 szorosra. Ez kimeneti offsetet fog eredményezni.
A visszacsatoló ágban elhelyezett elektrolit kondenzátor a DC erősítést csökkenti 1-re. Én inkább kihagytam és helyette azonos lezáróellenállást biztosítottam. Azért van a 47K-s ellenállat átkötve egy kondenzátorral, hogy a műveleti erősítő bemeneti kapacitásával a 47K ne alkosson fázistoló tagot, ami többletfázistolást vinne a hurokba és instabilabbá tenné az erősítőt. Arról nem is beszélve, hogy rontaná a visszacsatolt és bemeneti jel kivonódását magas frekvencián és ezzel rontaná az erősítő tranziens viselkedését. FET bemenetű műveleti erősítőnél természetesen el lehet hagyni a 47K/100nF tagot. Az, hogy miért kell az áramtükör és miért kell kicsit utánhúzni a feszültségét, arra meg gondolom hogy már rájöttél (ezt írtad).
Egyébként a Király Tibor nem szokott ide írni?
Lessz e VF4, vagy valami...?
Szép munka ez a módosítás, kiváncsian várom majd a leendő cikket belőle, ha majd lesz
[/quote]Lessz e VF4, vagy valami...?
Épp most közölted le.
Helló!
Én építettem vf2-t itt a fórumon is áradoztam róla. A hangján kívül az egyszerűsége fogott meg. Ezen az egyszerűségen felindulva gondoltam -és gondolták még itt páran- hogy jó lenne egy olyan vf2 v1.x amelyben több végerősítőelem van párhuzamosítva- és így nagy teljesítmény(mondjuk +-40V-on stabilan 4 ohmos szubra) vehető ki a végfokról tartósan, biztonságosan. Az erősítő hatásfokáról te is írtál. Király Tibornak fölvetettem a több párhuzamos fet kérdését és azt válaszolta, hogy az mpsa tranyók kevés áramot tudnak szolgáltatni a több párhuzamos fetnek, ezért ez nehezen járható út (legalább is kb.). Gyanítom ideje is kevés volt a kérdésre. Viszont kérdeznélek KD, hogy Neked mi a véleményed vf2 ilyen áttervezésről, legalább szubhajtó kapcsolássá való alakításáról? Ha sikerülne nagyjából meghagyni az eredeti vf2 alkatrészigényét és egyszerűségét, szerintem még lennének itt páran akik örülnének! Amúgy gratula az átépítéshez! És gratula Király Tibornak, hogy megosztotta a vf2-t!!
Persze, hogy lehet párhuzamosan kötni tranyókat!
Subládához még az alacsony frekvencia miatt a többletkapacitás sem probléma! Egyébként, mint utólag kiderült, nem Király tibor egyedüli alkotása a VF2. Már elég régóta ismert kapcsolástechnika. Előző oldalon már bemutattam az "ős" VF2-t. Itt a Musical Fidelity A 370 rajza. Ez gyakorlatilag a VF2 kapcsolás, párhuzamos fetekkel.
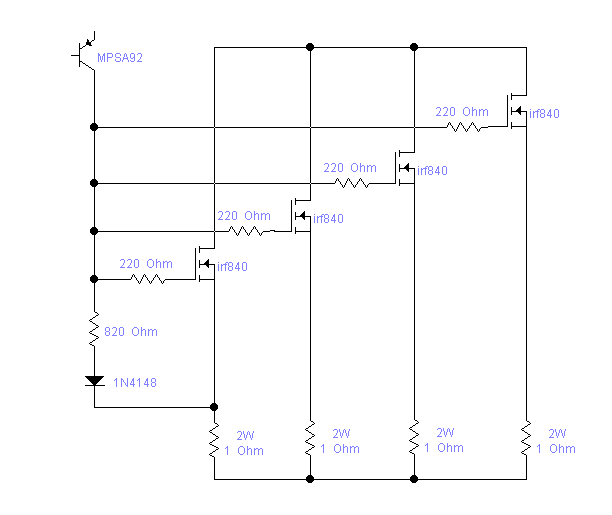
Így lehet például egyszerűen párhuzamos feteket alkalmazni a VF2-ben.
Az árameloszlást szimmetrizálni kell a fetek között, ezért kerűltek be az 1 Ohm-os ellenállások. Csak az N-csatornás oldalt rajzoltam le.
Én is vf2 építésére szántam el magam. Ezzel kapcsolatban szeretnék kérdezni valamit.
+-30V-om van, belerakhatom az erősebb feteket? Nem lesz rosszabb a hangja, esetleg jobb lesz? Leginkább 8 ohm-on fogom hajtani őket, de 4 ohm is előfordulhat majd, és sokat kell manniük majd. Tehát nem IRF9540-IRF540 párost, hanem az IRFP9240-IRF240 párost szeretném használni.
Szia KD mester!
Lenne egy-két kérdésem hozzád. Ezzel a 4 párba állított FET-el +-55V-on 240-9240 párokal mekkora teljesítményt lehetne elérni? És feltétlen szügséges-e a FET-eket párba válogatni? Mennyiben módusulnak az eredeti paraméterek a változtatás által?
Használhatsz két pár IRFP240-9240-et 0,33,-0,47Ohm-os source ellenállásokkal. Nem árt nyitófeszültségre összeválogatni kettesével a feteket.
+-55V-ról simán 150W kimeneti teljesítményt kapsz 8Ohm-ra, de a 4Ohm-hoz már kevés a két párhuzamos fet. (nem biztonságos). Egyébként a kétszeresére nőtt gate kapacitás lassítja az erősítőt és valamiennyivel megnő a torzítás magas frekvencián. A felső határfrekvencia csökkenni fog, de nem számottevően. 20Khz-ig működni fog. Ja és a 220Ohm-os gate levezető ellenállások ilyenkor már mindenképpen kellenek! Idézet: „+-30V-om van, belerakhatom az erősebb feteket? Nem lesz rosszabb a hangja, esetleg jobb lesz? Leginkább 8 Ω-on fogom hajtani őket, de 4 Ω is előfordulhat majd, és sokat kell manniük majd. Tehát nem IRF9540-IRF540 párost, hanem az IRFP9240-IRF240 párost szeretném használni.” Erre valaki? Megoldható, mert akkor úgy rendelek hozzá alkatrészt. Szerk: Nincs meg valakinek eagle-ban megtervezve az áramkör(*.sch)?
Helló!
Nekem is volt hasonló elképzelésem. Én megnézve az adatlapokat nézve biztonságosnak látnám a működést a megadott feltételek mellett. De nyugodtan ki lehet javítani amit írtam. Sőt kérném! Ez főleg KD szakértőnknek szól! üdv!! KD ! Nem lehetne kisebb értékű source ellenállást használni? Minél nagyobb értékű, annál rosszabb a hatásfok. Persze tudom, hogy "párhuzamosodik" az ellenállások értéke, de minél kisebb az annál jobb.
szerintem meg pont fordítva van: minél nagyobbnak kell lennie a gate ellenállásnak, hogy minél kisebb áram menjen keresztül a meghajtó tranzisztorokon. Ezért terheli jobban a több FET a megfajtó tranzisztorokat, hisz akkor replusszolódnak a gate ellenállások=>eredőjük egyre kisebb, és nagyobb áram folyik.
Megépítettem VF2-t +-40 voltra és 4 ohmos hangfalat hajtok vele. Brutál sok wattot nyomat. Nem torzít. A műveleti erősítő picit melegszik. Ez elfogadható? Itt a képen a próba hűtőbordán van. Bele lesz téve olajba a borda majdnem a panelig aztán jól meghajtom és bemérem.
Elolvastad amit írtam?
Idézet: „minél nagyobbnak kell lennie a gate ellenállásnak, hogy minél kisebb áram menjen keresztül a meghajtó tranzisztorokon.” Én a source ellenállásról írtam. Hans! Milyen mosfettel építetted meg? Az én műveleti erősítőim is melegszenek a vf2-ben.
IRFP 240, 9240 van benne. Teszek rá 3.9 ohmos 200Wattos ellenállást aztán bemérem hány wattot nyom torzításig 20Hz-en.
Egy kérdés ha az erősítő megfut akkor az összes félvezetőt lehet kukázni?
Az biz 20 Hz-en már tönkre mehet!
Ja akkor kuka( mpsa megmaradhat). De a legdrágább úgyis (irfp pár) bye!
Akkor most +-30V-ra milyen feteket tehetek bele, amik egy atomtámadást is kibírnak?
Vagy azellen semmisem véd?
+-30V-ra is beteheted a 240-9240 párt.
Mivel jobban bírják a gyűrődést belső, és külső felépítésükből eredően. "Vagy azellen semmisem véd?" Árpit kérdezd!
Kösz a választ.
Alul a rajzon 22pF vagy 47pF lesz? Hogy alakulnak ott az alkatrészek adatai?
Nem tudom mit akarsz hajtani vele. Ha pl. szélessávú ládát 4 ohmon én úgy 30-40 Hz fölötti hangokat engednék csak rá , mondjuk szűrővel. Így nagy eséllyel nem pukkan meg.
A baj itt sztem csak az alacsony frekikkel van. Amúgy olvass vissza, mondjuk 2 pár fettel elég simán mennie kell, ha igazán, nagyon mélyeket akarsz.![]() 30V-ra: Bővebben: Link
Bocs, de ez így:
"szerintem meg pont fordítva van: minél nagyobbnak kell lennie a gate ellenállásnak, hogy minél kisebb áram menjen keresztül a meghajtó tranzisztorokon. Ezért terheli jobban a több FET a megfajtó tranzisztorokat, hisz akkor replusszolódnak a gate ellenállások=>eredőjük egyre kisebb, és nagyobb áram folyik." abszolút zöldség.
Hát 1 pár félvezetővel nehéz....
irfp240-9240-ből 2 pár és KD vázolta, hogy ezt hogy is lehetne, olvass vissza. A hangja várhatóan már nem lesz olyan szép, mint 1 párral. De majd jön és elmondja.
Szerintem +-30V-ra még 4Ohm-ra is elmegy az IRF540N és az IRF9540N. 8Ohm-ra meg akár +-40V-is lehet a tápfesz.
A source ellenállásokat el is lehetne hagyni, ha tökéletesen azonosra válogatnád a feteket. Minél nagyobb ezek értéke, annál jobban "fut együtt" a két fet árama és annál kevésbé kell ezeket válogatni. Minél jobban összeválogatod a feteket, annál kisebb source ellenállást használhatsz. Mondjuk két 1 Ohm-os source ellenállásnál már teljesen el is lehetne tekinteni a válogatástól. Meg szerencsére a mostani gyártástechnológia miatt azért elég jól megegyeznek a fetek. Két 0,22Ohm-os source ellenállás eredője 0,11Ohm, ami már nem számottevő és szerintem kellő szimmetriát biztosít az áram (és így a disszipáció) eloszlásban. |
Bejelentkezés
Hirdetés |











