Fórum témák
» Több friss téma |
Fórum » VF2 végerősítő
Egyenirányítók GND-je?? (Így nagyon könnyen összejön a földhurok.)
Húúú ezt most nem igazán értem a graetznek nincs GND pontja a kondik pedig rá vannak kötve a GND-re. Nem vagyok szakértő, tehát ha elmondod mit hova és miért akkor módosítok, és köszönöm a segítséget.
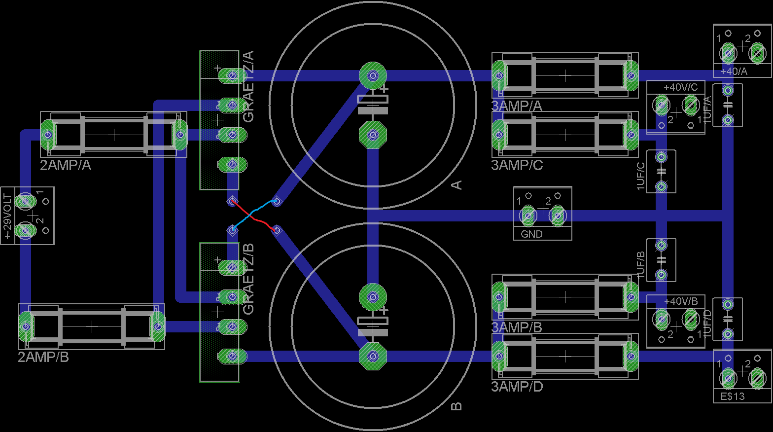
A rajzon valóban nincs, de te 2db hidat használsz, azok +/- kivezetései levegőben lógnak a terveden, ha jól látom.
Igen, sajnos nem tudom, hogy a szabvány szerint az átkötést (Nyáklapon kívül dróttal) it hogy kéne jelölni ez a két pont a két puffer megfelelő polariású pontjába fut.
Esetleg így. Trafó bekötése is rossz, ehhez 2db szek tekercs kell. Mind 2 híd váltó kivezetéseire külön tekercs csatlakozzon.
A bekötést már javítottam. Az eredeti kapcsoláson az egyenírányított ágakat a pufferkondik előtt közösítették, ezért gondoltam, hogy a két szabadon maradt graetz ágat a megfelelő kondi megfelelő polarítású pontjához vezetem. De ez ebben a formában hibás lenne?
Igen, rossz! Te 2db egyenirányító hidat használsz, ehhez 2db szek.(2x 22 V) tekercsű trafó kell, nem középleágazásos! Rajz nem azonos a nyákterveddel.
További kérdésem lenne még az hogy, érdemes a vezetősávokat a lehető legnagyobbra tervezni?
Tökéletesen igazad van! Az eredeti terv diódás nem graetz hidas, na akkor gondolkodóba esek, mert a trafóm 2 szekunder tekercses, diódák helyett graetz hidam van, mostakkor hogy is legyen?
Előbb tisztázni kéne a trafóról lejövő vezetéket (hány, hogyan) és utánna kötögetni. Vezetősávból pedig szerintem 4-5mm bőven elég, de ha be lesz végig ónozva akkor még kisebb is elég.
Szerintem így kéne, 2 különálló szekunder tekercs esetén. persze kiegészítve a biztikkel és hidegítő kondikkal.
A trafó 2*29 voltos szekunderből áll, amiből lehet középcsapolásút csinálni, ahogy az eredeti kapcsoláson is van, de most már teljesen megzavarodtam, nem tudom eldönteni melyik a jobb megoldás. Kérlek továbbra is segítsetek!!!
Ha van pénzed 2 diódahídra akkor úgy kösd be ahogy az előző hsz.-embe lerajzoltam.
A két híd megvan most akkor a terveid alapján módosítok!
Pl. így, a terved szerint könnyen lehet brumm..
Így már jó, habár CHZ fórumtárs szebben elrendezte a dolgokat
Ügyelni kell a graetz és az elkokat összekötő fólia vezetésére, mert könnyen brumm keletkezhet, ezért kell különválasztani a GND szakaszát az elkok pontjainál.
És miért nem jó az, hogy közép leágazásosként kötöd be a trafót?
Hát én nem tudom melyik a jobb, ezt javasolták, de várom érvek és ellenérveket is.
Lenin apánk megmondta: tanulni, tanulni, tanulni
Neked volna mit tanulnod!
Eredit vf2
Tápellátás fejezet.
Köszi a segítséget. Már olvastam régebben, de sajnos nem figyeltem oda rendesen a leírtakra. Jelenleg itt tartok
1Miért vékonyítjátok el a puffereknél a fóliát? Hiába a termetes földfólia ha van egy vékony keresztmetszet.
Szerinten felejtsd el a fekvő T alakúvékonyítást csak azért mert jól néz ki. 2 két db GND sorkapocs nagyon nagyon kevés lesz majd a végső huzalozásnál. Sokkal inkább javasolnám, fúrd át a nyákot M4 csavarnak a puffer elkók közelében egyforma távolságban a puff erelkóktól(azért mm-ek nem számítanak ![]() Atán a beültetési oldal felől dugd át a csavart az alátét és az anya legyen horganyzott (ez jól érintkezzen a földfóliával, rá is forraszthatod. Így kialakitottad a csillagpontot a jó földeléshez.Minden földelés innét induljon ki. Ez a jó módszer Kicsit lejjeb kell görgetni az oldal közepe felé Kapható csavarhoz használható saru bár én inkább M5-M6 hoz valót használok de nem találtam a saruról linket. Saru A saruk egymésra vannak helyezve egy alátét,és anya segítségével jól összeszorítva. Lehet hogy nem szép megoldás de a földhurok ellen , igen célravezető. Én a biztiket a végfok paneljére szoktam építeni. Ha a csillagpontot a javasoltak szerint építed ki akkor a nyákot állítva (élben) tudod beépíteni(én ezt egy alu L-idommmal szoktam megtenni) emiatt a biztik közé látás erősen nehézkes a vezetékezés viszont kényelmes. Nem muszáj a leírtak szerint eljárnod de akkor legalább 8-10 sorkapcsot tegyél a GND-re
Ha megfigyeled, Skori rajzán a huzalozást, az úgy megy, hogy a graetzekről rámegy egy drót a kondikra és a kondikról elmegy egy drót a végfok felé. Ha kihagyjuk a " fekvő T " betűt, akkor inkább úgy fog kinézni, hogy a graetzekről elmegyünk a végfokokra , meg a kondikra, aztán a kondikról elmegyünk a végfokokra. Nem sok, de van különbség. Az értelme az a dolognak, hogy a végfokok csak a kondin levő feszültséget kapják meg, tehát a már megszűrtet. Ha nincs "T" betű, akkor a kondikhoz odavezetjük és onnan visszavezetjük a végfokokhoz az áramot, tehát a hosszabb odavezetés , nagyobb ohmos- és induktív reaktanciát jelent, vagyis a kondik nem olyan hatásosak.
A földhurok ellen az igazán jó megoldás az, amikor még azon a nagy gamón sincsenek összekötve a GND-k, mint a Skori rajzán. Ha két graetz van és két szekunder, akkor ezt meg lehet csinálni és csak a végfokok bemeneteinél kell összekötni a két csatorna GND-jét, de ez sem feltétlenül szükséges, mert lehet, hogy csak a végfokot meghajtó kütyü kimenetén közösek a GND-k. Ha ott sem, akkor még jobb a helyzet. Ezek után már csak annyi probléma lehet, hogy a két csatorna mégis látja egymást, némi szerelési-, meg a trafóban levő szórt kapacitásokon keresztül. |
Bejelentkezés
Hirdetés |













