Fórum témák
» Több friss téma |
1.mert a "hozzá nem értő"-nek nem azt javasoltad előzőleg hogy keressen a telefonkönyvben egy villanyszerelőt és
2.mert TE is 3 vezetékest javasoltál neki (tévedésből?).
Nem, én elméleti kérdésnek tekintettem, amire ilyen megközelítéssel válaszoltam. Nyilván én is hibáztam, mert nem gondolkoztam felelősebben. Részemről lezárva. Egyébként egy 3 fázisú villanymotorhoz elég négy vezető, mert nullát nem igényel.
A hozzászólás módosítva: Júl 16, 2013
Egyetértek veled, de nem biztos hogy Ő azt értette rajta amit Te mondani akartál..
Finder, Schrack, Merlin Gerin, (az Eaton Moeller bár drága, és jónak mondott, de nekem most volt egy teszt ellenállás szakadásos példányom belőle, s bár javítható lenne, így már nem használható a müa. blomba megsértése nélkül.)
Hali!
Kedves szakik! Ez a FI relé mennyire meg bízható?
Sziasztok!
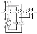
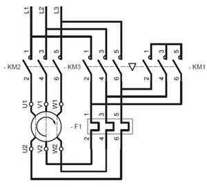
Egy egyszerű kérdésem lenne, amire nagyon kíváncsi vagyok már, mert konkrét választ még senkitől nem kaptam erre. A kérdés: Hogyan kell csillag delta kapcsoláshoz a szükséges mágneskapcsolókat méretezni és kiválasztani? (mekkorárnak kell lenni a vonali, a csillag és a delta mágneskapcsollónak). Van erre valami képlet vagy elv? Nagyon vároma válaszotokat! Köszönöm!
Azt nem értem minek nyitsz minden kérdésednek új témát , amikor tökéletesen belefér a villanyszerelés című sokak által olvasott megfigyelt témába ...
ABB?
A hozzászólás módosítva: Júl 17, 2013
Igazad van. Figyelmetlen voltam és siettem. Ezután jobban figyelek!
Mágneskapcsolók meghatározó paramétere az általuk kapcsolható teljesítmény. Egyszerűen a motor teljesítményétől nagyobbat kell alkalmazni, és azt használhatod mind3 helyre (nem menjünk bele hogy csillagba menyivel kevesebbet eszik a moci)
Hogy mennyivel nagyobbat választasz az főleg élettartamra lesz hatással. Ott ahol a mocit percenként kapcsolgatják, akár mocitól 2x teljesítményű mágneskapcsoló is szükséges lehet.
Szia!
A főkapcsoló és a deltába kapcsoló mágneskapcsoló teljesítményének nagyobbnak kell lenni, mint a motor delta-teljesítménye, a csillagba kapcsoló mágneskapcsolónak pedig nagyobb teljesítményűnek kell lennie, mint a motor csillag-teljesítménye.
Szia,
Ezen a linken megtalálod a korrekt méretezést Bővebben: Link A 368. oldalon van, de a következő oldalakat is érdemes elolvasni. Egyébként 2 perc keresés után te is megtaláltad volna... Ez az elmélet, de valójában a méretezésnél számos (környezeti és működési) körülményt is figyelembe kell venni. Erre vannak "varázsszámok", szorzók, amelyek különböző gyártók, különböző mérési eredményei és statisztikai számításai alapján készülnek. Sok igazság van dB_Thuder válaszában is, mert gyakran az "ökölszabály alapján" történő "méretezés" semmivel sem rosszabb. mint hosszú számításokon alapuló.
A dolog egy kicsit bonyolultabb. Van egy mágneskapcsoló KM2 ami Y indít, ezt a motor Y névleges áramához ( haladja meg) kell választani. Y üzemben még behúz a KM1 de mivel ez "rövidzár" ide elég az előző 60%. Delta üzemben dolgozik a KM3 is, de mivel a terhelés megoszlik KM2-vel ezért ez egy köztes érték. Az LC3D12A jelű Y/D egység 11KW-ra úgy néz ki, hogy KM2=18A KM1=09A KM3=12A.
Helló Taky!
Attól függ milyen kapcsolás. Lehet olyan ahol a hálózati kapcsoló a "teljes áramú", meg olyan is, ahol a "fél áramú" ágban van. Ha pont kolléga által közölt kapcsolást nézzük, akkor KM2 és KM3 kapcsolók méretézésénél a névleges motor áram felét kell alapul venni. A csillag kapcsoló (KM1) is méretezhető így. A csillag kapcsolót a motor Y névleges áramához nem lehet méretezni, mert Y-ban a motor nem a névleges feszültségről üzemel, így nem fogja felvenni a névleges áramot. (a névleges áramhoz 690V-ot kellene kapnia, de csak 400-at fog). Ahogy mások írták érdemes lehet egy kis ráhagyással dolgozni, de az növeli a költségeket, ezért nem mindig történik meg.
Itt a Y indítás áramánál arra gondoltam, hogy mivel Y kapcsolásban nem (mindig) tudja elérni a névleges fordulatszámot (terhelés típusától függően), a felvett áram akár 5-10 másodpercig is jóval meghaladhatja a névleges (delta) áramot, ezért jó ha a KM2 nagyobb mint a KM3. Persze ha mindhárom a I névlegeshez van, az sem jelent árban akkora különbséget. (Sőt annak idején amikor ezt tanultam még két mágneskapcsolós volt a Y-D, mert a DIL sorozatnak alapból volt annyi érintkezője.)
Én is nagyon meglepődtem... Családi ház, 100mA FI relé bojler miatt. Lenyomtam a kismegszakítókat és egy elegáns mozdulattal csípőfogóval elvágtam a 3x1,5-ös mcu-t. Hát kicsit megijedtem, hogy miért oldott le a FI relé, de aztán utánanéztem és ez normális azt írták...
Üdv! Egy háromfázisú villanyóra ugyanúgy használható egy fázison is? Nem számít, hogy a többi feszültség tekercs nincs bekötve?
Pont a vizes helységekbe 30mA Év relé kellene! Sőt új kivitelezésnél minden csatlakozó aljzatot azzal kell védeni.
Nem 100 hanem 30mA!
Pont azért raktak fel olyat, mert nyilván annyira gyatra már az a bojler, hogy a 30 mA-est állandóan leverte... Persze erre nem az a "megoldás", hogy akkora használjunk 100 mA-eset, hanem az, hogy megjavíttatjuk a műszaki hibás bojlert.
A bojlernek és a FI relének is mindannyian csókolomot köszönhetünk, annyira régiek. Megkockáztatom, hogy még 30mA nem is volt akkoriban. Arról nem is beszélve, hogy szerintem a 30mA-t bojler nélkül is levágná egy 60W izzó is, amilyen állapotú a hálózat (ahogy mondtam az egész ház rá van kötve). Tehát nem kell egyből lehurrogni, hogy ki lett cserélve.
Attól, hogy régi még nem kell életveszélyesnek lennie !!! Ezért figyelmeztettek, mert attól, hogy eltakarod az arcod és nem látod, még nem érdemes egy kamion előtt átsétálnod! Javítsátok meg, mert a 230 V nem játék ( a 30 - 100 mA-es "szivárgás" az nem kevés! )!
A hozzászólás módosítva: Júl 21, 2013
Tiszteletem Uraim!
Segítséget szeretnék kérni egy problémámra.A mellékletben látható egy 1985 körül készült,az akkori áramszolgáltató által meghatározott méretű betáp szekrény,ami eredetileg a szolgáltató által meghatározott osztott kivitelű volt és az akkori szabványoknak,előírásoknak is megfelelt.Bekötéskor a szolgáltató szakemberei az elválasztó polcot kiverték,mondván,nagyobb a gumantáblájuk amin a mérő és az automaták vannak,nem fér be.Eredetileg az Ő meghatározásuk alapján a polcon felüli rész (ott most három automata van) az én oldalam,tehát elmenő oldal s azt rakok bele amit akarok.A kérdésem az lenne,hogy oda beszerelhetek e egy háromfázisú és egy egyfázisú dugaszoló ajzatot? Vajon mit mond erről az előírás?Vagy felejtsem el és oldjam meg máshogyan az ajzatok helyét és bekötését.Nem szeretném összerúgni a port a szolgáltatóval,ezért kérnék tanácsot.Köszönöm Uraim!
Üdv. Én láttam olyan szekrényt ahol volt bár ott a szolgáltató rakta be.
A "polc" választotta el a tulajdoni határt. Ha benne van az elválasztó lap, le van rekesztve, fölé nyugodtam tehetsz bele dugaljat. Nem szeretjük hogy ott van, mert általában a közelben lévő dugaljak és az elektromechanikus mérők "összefüggésbe hozhatók egymással". A szolgáltató úgy is tüzetesen meg fogja vizsgálni a réseket egy ellenőrzés során, nehogy lopótökös legyen a fogyhely. No, már ebből is látható, hogy a szolgáltató miért nem szereti a dugaljat a szekrényben!
Köszönöm a választ,isten ments a lopástól.Eddig nem igazán volt szükségem a dugajakra azon a helyen,de most a mérőszekrény közelében,attól kb. 60cm távolságban kerül elhelyezésre egy doboz,melyben a kapuvezérlésem foglal helyet,ezen készülék tápellátása okoz némi gondot, s gondoltam,nem építek ki 15 méter kábelt,ha a szekrényből is megoldható lenne a táplálás.Ennyi lenne a történet,de inkább kiépítem semhogy a szolgáltató maceráljon.
Ha a plombált dolgokat nem bántod, akkor azt raksz bele, amit akarsz. A fogyasztásmérő után, a tiéd a hálózat, és ezzel együtt a felelősség is. Természetesen a játékszabályokat be kell tartani (pl. a kapcsolt áramot másra használni, mint amire adták, É.V. dolgok, stb).
HA beteszed az elválasztót, jogilag nem lehet belekötni. A műanyag tábla fölött pont el is fér és az elmenődet egy kicsit feljebb is lehet tenni. Onnan már külön légtér, azt szerelsz amit akarsz.
Üdv !huhuu!
Sőt! Ha három darab egyforma teljesítményű hősugárzót dugnál be a 3 fázisra, a nullán nem is folyna áram (illetve csak elenyésző az esetleges aszimmetria miatt) |
Bejelentkezés
Hirdetés |






