Fórum témák
» Több friss téma |
Fórum » 27 MHz távirányítós autó kérdések
Sziasztok! Olyan kérdésem lenne, hogy van egy 4x4 kerék meghajtású kis Dickie terepjáróm, jó néhány éves a kicsike, most rakosgatom rendbe. A gondom az, hogy az eredeti antennájának kb a fele letört. Rádiókhoz való teleszkópos antenna van rajta, és kérdésem az, hogy BP-n hol és mennyiért kapok ilyet? Még lehet lesz kérdésem a kis járművel kapcsolatban, de egyenlőre ,,kezdésnek" ennyi is elegendő szerintem! Egyébként elvileg működőképes a kicsike, legalábbis mikor el lett rakva semmi baja nem volt még. Elővételkor kitakarítottam, megzsíroztam a fogaskerekeket, a távirányítónak az előre-hátra kar egy része hiányzik, mert béna voltam és letörtem véletlenül, de ettől még mozgatható. Egyébként az adó 27.125mhz-s kvarcal rendelkezik. Képet majd később tudok feltenni a szerkezetről.
Szia! Szerintem ne vegyél, főleg ha tudod az eredeti kb hosszát, amit egy darab acélosabb huzallal pótolhatsz. A vételi oldal antenna hossza nem kritikus, de egy teleszkóp antennával nem biztos, hogy jobb lesz. Jó lenne egy kapcsi rajz is, hogy a vevője hogy néz ki, kvarcos-e, vagy az egyszerű szupreg. (utóbbi esetben nem ajánlatos nagyobb antennát rátenni)
A vevő nem kvarcos, meg arra nem is akartam nagyobb antennát tenni... Az adó antennájának mondom kb a fele tört le még régen...
Szia! Akkor jó az is, amit most használsz, csak a hossza feleljen meg az eredetinek. A puding próbája az evés..... nyílt terepen találd meg azt az antennahosszt, amikor a vevő legtovább "látja" az adót. Arra figyelj, hogy az adó (inkább az antenna) mindég ugyanabban a helyzetben legyen, mondjuk egy asztalon, az autó pedig mindég ugyanabban az irányban haladjon.
Sziasztok! Ismét kérdésem van: miért van az, hogy az autó(képeket majd napközben tudok feltenni róla) bekapcsolva néha random ,,meglódul" előre? Meg a kormány is meg meg mozdul néha. Ez mitől lehet? Biztos nem a távirányító okozza, ugyanis ha nincs elem a távirányítóban, akkor is csinálja sajnos. A másik kérdésem majd képpel együtt lesz aktuális, addig is várom a válaszokat.
Szia! Kipróbáltam, így ezzel az amtenna mérettel olyan max 20m körül van a hatótávolság, de akkor is már néha nem azt csinálja mint kellene. (kanyarodnék, erre elkezd tolatni, meg hasonlók) Ilyenkor ha magasra tartom a távirányítót, valamennyit javul a helyzet, de nem sokat... Másik kérdésem: van valami megoldási javaslatod arra, hogy ne kelljen szinte függőlegesen tartsam a távirányítót? Mert így elég nehéz irányítani sajnos...
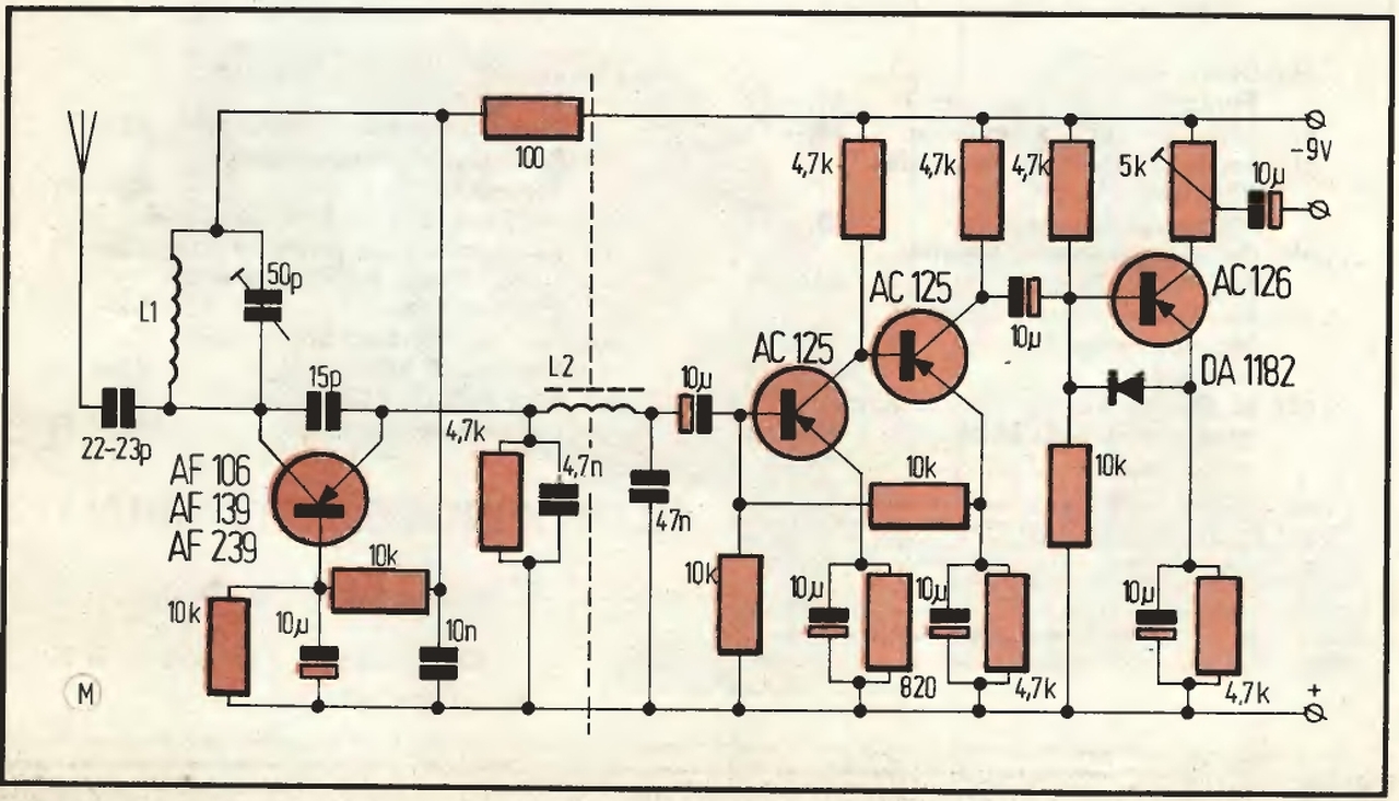
Sziasztok,
A mellékelt képen szereplő vevőt szeretném megépíteni, de a szaggatott vonal utáni részt műveleti erősítővel váltanám ki. Az a gondom, hogy ez az áramkör pozitív testelésű, de a vevő többi része negatív testelésű. Jól gondolom, hogy elegendő az első fokozatban lévő PNP tranzisztort NPN-re cserélni és a tápfeszt (meg persze az elkókat) megfordítani? Mivel ez a rajz már elég régi (az Ezermesterben 83-ban jelent meg), az ott megadott tranzisztor ma már gyakorlatilag beszerezhetetlen... tudtok javasolni valami mai helyettesítő NPN tipust? 27 MHz-re kellene... Köszi: kisté
Szia! A "random meglódulás" az azért van mert az autó vevője valami zavart szed össze, amit utasításként értelmez. A rendszer felépítéséből eredően a 20 méter hatótáv nem is olyan rossz. De nem árt a vevőt és az adót átkondizni, átnézni kontaktra. Egyenlőre ennyi, várom a fotókat.
Szia! Mindkét kérdésedre a válasz igen! Tranzisztor.......27 megára gyakorlatilag a BCxxxc-sorozat szinte bármelyik tagja, De mivel a kapcsi rajz is URH (UHF) rf tranzisztort tartalmaz ezért BFxxx, bár nem tudom, hogy miért.
Szia!
Ez egy ősrégi kapcsolás, nem érdemes vele bajlódni, ITT nézelődj, mindent megtalálsz.
Szia!
Sajnos nem ilyen egyszerű a helyzet, ui. az AF139 tranzisztor még germánium volt, ma pedig többnyire csak szilícium tranzisztorokat lehet beszerezni (főként azért, mert az utóbbiak alapanyaga cca. hússzor olcsóbb). A kétféle félvezető eltérő tulajdonságú eszközöket eredményez. A Ge-tranzisztorok nyitófeszültsége 0,2V körül van, a szilíciumoké ennek háromszorosa. Az áramerősítési tényező szupregnél nem különösebb jelentőségű. A Ge-tranzisztorok más munkaponti beállítást igényelnek a kisebb nyitófeszültség miatt, így a báziskör ellenállásait is át kell dolgozni... ha mindenáron ragaszkodsz ehhez a kapcsoláshoz, akkor pl. régi Videoton, Orion TV-tunerben találni ilyen tranzisztort, de 27MHz-re akár szovjet zsebrádiók P416-osa is megteszi. Ajánlok a szupreg elé egy előerősítő kapcsolást is, pl. innen: Bővebben: Link A hangolt előerősítő egyrészt csökkenti a zavarsugárzást, másrészt növeli a szelektivitást, továbbá jó beállítás mellett kisebb-nagyobb mértékben nő az áthidalható távolság is. A hozzászólás módosítva: Máj 28, 2014
Az, hogy a szilícium tranzisztor olcsóbb, az nem az alapanyag ára az oka, hanem mert egyszerűen többet, sokkal többet gyártanak belőle. A szilícium tranzisztor azért terjedt el jobban, mert sokkal stabilabb eszközöket lehet gyártani belőle. A Ge tranzisztoroknak sokkal nagyobb a hőfok függésük, ez elég kellemetlen, viszont kisebb a maradék feszültségük. Egyébként ha szükséges, akkor spec. célra még ma is gyártanak Ge tranzisztort, mert sokkal nagyobb határfrekvenciájúak készíthetők.
A 27 MHz -es vevőbe jónak tűnik a BC sorozat valamelyike, de mégsem lesz jó végül, mert nagyok a belső kapacitásai. Inkább célszerű a BF, BFR sorozat valamelyikét használni.
Lenne egy olyan kérdésem h van egy 27Mhz-es távirányítós autó panelem,amiből kiszakadtak már a kábalek . Sikerült beforrasztnom újra a kábeleket de a színek nem az eredeti színeket tükrözik.Kérdésem az volna,h ha volt benne 2 villanymotor,2 elem kivezetés + az antennának egy kivezetés akkor melyiket melyik kivezetés re kell kötni?Van 2db GND , 1db VCC ,1db R , 1db B ,1db F és 1db antenna kivezetés.képek lent köszi a segítséget előre is
Valami hasonló lehet. A rajz alapján beazonosíthatod a kivezetéseket. A motor áramkörök
nagyobb feszültségekről üzemelnek.
Sziasztok!
Erdekelne mert regota bennem a gondolat hogy 1:5 rc autot epitenek furo motor meghajtassal! Minden adott de erdekelne hogy hogyan tudnam szabalyozni es iranyitani a monmdtrumot? Servo adott! Az elore hatra menet kapcsoloval egy nagyobb feszultsegu potmetert mozgatnek es az adna a kakaot a motornak? Jo iranyba keresgelek vagy hadjam az egesszet a francba? Azert akarok furos akkut mert strapabiro csak cserelem az akkut es nem 10 perces a motor! Tudom adott mar a vilagban kis meretu nagy telljesitmenyu motorok de abban nincs epitesi elvezet! ![]() Valaszokat koszonom Szep napot!
Ha hajlandó vagy tanulni is az építés közben, van esélyed egy működő modell megépítésére. Jó helyen keresgélsz, csak több idevágó topikot is tanulmányoznod kellene.
Egy potméternek a feszültség nem a jellemző paramétere, hanem az ellenállása, és a terhelhetősége. Esetedben ezzel lesznek gondok. A fúróból bontott motorod áram (teljesítmény) felvétele jelentőse meghaladja egy potméter által elviselt mértéket, vagy akkora méretűt kellene alkalmaznod, ami sokkal nagyobb lenne a modellednél. A fúróban egy egyenáramú soros motor volt, aminek a szabályzása nem nagyon jó ötlet előtét ellenállással. Az előtét ellenállás miatt a motor nyomatéka az ellenállás növelésével rohamosan csökken, pont akkor amikor a legnagyobb szükség lenne rá, indulásnál. Az egyenáramú soros motort feszültség csökkentésével lehet jól vezérelni, úgy hogy az eredeti nyomaték karakterisztikája megmaradjon, Ezt megoldhatod pl. PWM szabályzással. (erről a fórumon is olvashatsz bővebben a saját topikjában) Elvileg a szervó által tekergetett potméterednek is ezt kell tenni, de ezt a vezérlést megoldhatod közvetlenül is, szervó és potméter közbeiktatása nélkül is. A szervódat tartogasd az arányos kormányzás megoldására. A feladatot megoldhatod a régi analóg átvitellel, de ma már egyszerűbb, és jobb megoldást kímál a mikrovezérlős megvalósítás.
Koszonom szepen!
Amig el tanul az ember ezalltal mivel hobbimnak valasztottam iranymutatad kellett hogy merte induljak! At nezem es utanna jarok a topicoknak! Koszonom meg egyszer! Esetle aki mar keszitett hasonlot vagy ismer olyat szivesen beszelnek vele! Masik Egy 1:10 modell alapon dolgozom rc persze en epitem a kasznit ES EGy hot rodrol beszelunk A V8 aluminiumbol hajtva lesz es elethubbe szeretnem tenni! Elgondolasom Hogy ket meretaranyos csapagyat szeretnek fel tenni mint szijj gorgo a felsot eredeti allapotaban hogy tudjon forogni Az alsot lefixalnam es egy motor tengelyre erositeni HOGY menet kozben forogjon! Ez eddig stimmel! Hogy tudnam elerni hogy menet kozben menjen a modell es a motor hajtsa a gorgot? Kilon szabajzo kell a feszultseg miatt gondolom mert ez egy nagyon pici motor es design szerepe lenne El tudjatok kepzelni teszek kepet
Sziasztok!
Mivel nem értek az elektronikához, ezért a következő kérdésem biztosan alap lesz, de azért mégis érdekelne a válasz. Szinte végigolvastam az összes bejegyzést ebben a topicban, és bogarásztam a neten elég sokat, de nem találtam meg képen a "receiver" kristály képét. Van egy régi távirányítósa autóm, amihez nincsen meg az eredeti távirányító, viszont adtak hozzá egy csomó másikat. A fórum alapján arra gondoltam, hogy egy bolti kristálypár egyik felét beépítem a távirányítóba, a másikat pedig a kocsiba, és ez talán megoldaná a problémámat. (a távirányítókra és a kocsira is 27Mhz van írva) A távirányítóba való kristály képe megvan, de ahhoz hasonlót nem találtam a kocsi nyákján, ezért szeretnék kérni egy képet, amin jól látszik, hogy mit is kellene keresnem. Előre is köszönöm! Szép estét! A hozzászólás módosítva: Nov 13, 2014
A legegyszerűbb szuper regeneratív vevőben ne keresd a kvarckristályt, nem használatos.
Az vevő sávszélessége 50 KHz körüli, a kvarc stabil adó frekvenciájára könnyen ráhangolható. Egyszerűsége, olcsósága kis mérete és 5 mikroVolt körüli érzékenysége miatt előszeretettel alkalmazzák olcsó játékokban. Komolyabb RC modellekben szuperheterodin / frekvenciaváltó/ kvarccal stabilizált egy vagy több lokál oszcillátort és 1 vagy 2 nagy erősítésű középfrekvenciás fokozatot alkalmazó vevőket használnak, 0,2-0,5 mikroVolt érzékenységet elérve. A hozzászólás módosítva: Nov 12, 2014
Köszönöm a gyors választ!
A kérdésem már csak az lenne, hogy hogyan tudnám a kettőt összehangolni? Vmi speciális eszköz kell hozzá? Előre is köszi!
A távvezérlő rendszer két részből áll. Rádió csatorna és kódoló/dekódoló áramkörök.
Az adó és vevő rádió csatornák frekvenciájának azonosnak kell lenni. Ugyan így a kóder/enkóder IC.-k is párban használhatók. A vevő dekóder IC bemenetén a rádió csatorna helyes behangolása esetén oszcilloszkóppal láthatóvá vagy hangerősítő csatlakoztatásával hallhatóvá tehetők az adó vezérlő kódjelei.
Szia!
Feltettem pár képet a "donor" készülékről. Erről szeretném áttenni azokat az elemeket, amelyekkel a másik autó menni fog. De melyikek is azok pontosan? ![]() Előre is köszi!
Nagyon egyszerű az adó, ha jól látom 2 csatornás kvarc nélküli. A vevő szupreg 2 csatornás
H-hid a motor meghajtáshoz. Kellene az IC tipus jelölése, dekódoló vagy OPA lehet. Mivel az adó nem kvarc stabil, a rádió csatorna összehangolásához műszerek kellenek. Egy pár kép hasonló megoldáshoz.
Szia!
Remélem, hogy jól olvastam le: TXM RX3E Köszi!
Dekódoló IC, a felépítés hasonló a küldött rajzokhoz.
Az adóba be kellene építeni egy 27,145 MHz tokozott kvarcot a kollektor és a bázis közé. Az adó így fix 27,145 MHz es jelet ad ki. A jel maximumra hangolását az alábbi kis célműszerrel el lehet végezni. Ezek után a vevő behangolása a fent leírt módszer szerint már egyszerű.
Sziasztok!
Van egy RC autom, az ado frekvenciaja 40 MHz. Mar ugy kaptam,hogy nem volt antennaja se az adonak se a vevonek.Az elobb raktam mind a taviranyitonak,mind az autonak egy-egy kb. 25-30 centis rezdrotot antenna helyett. A kerdesem,hogy a rezdrot megfelel ebben az esetben antenna helyettesitonek?(eleg jo vastag) A masik gond,hogy mikor kiakarom probalni,rakotom a feszkora(az akksija szemet),legyen az 2x4,5 voltos elem sorba kotve,vagy tapegyseg magatok kezd mozgolodni,sot amikor tapegysegrol rakom a feszultseget,meg-meg indul magatol elore(ha felemelem a foldrol,akkor szabalyosan forog a ket hatso kerek) es erdekes modon HA a taviranyiton valamelyik vezerlokart eltolom pl. h elore menjen akkor megall es nem meg csinal semmit,de ha elengedem akkor megint kezd mozgolodni magatol...Az adot es a vevot is megneztem,igy ranezesre nem talaltam hibas alkatreszt(meresek nelkul). Valakinek valami otlete,tippje?Elore is koszonom!
Szia! Antenna: Egyedül a hossza számít, az anyaga nem annyira, mert a gyakorlatban csupán szilárdsági szempontok miatt szokott a vevő egységé acélhuzal, az adóé legtöbbször kihúzható teleszkóp lenni, nikkelezett bronzból, vagy esetleg valami tekercselt flexibilis zsugorított változat, hogy a gyerek könnyebben mozogjon vele a szobában, ezeknek viszont rövidebb a hatótávolsága. A hossz viszont lényeges, de még ezen a frekvencián sem a hullámhossz 1/4-e, hanem általában hosszabbítótekerccsel hangolják ki a kívánt pálcahosszt az adott frekvenciára. Kísérletezéssel, méréssel (ha van mivel) lehet a szükséges pálca hosszt meghatározni.
A rézhuzal egyetlen hátránya, hogy eléggé képlékeny, görbül, nem esztétikus. A képeid alapján nem látni, hogy milyen vevője van, de ha a gyerekjátékoknál elterjedt szupreg vevő, akkor ha itt visszaolvasol, Idézet: és az én tapasztalataim alapján is: Mindegyik ezt csinálja. Elég, ha az akku töltője be van dugva, vagy az antennáját valamivel megérinted, elindul. Az autó kipróbálásához mindenképpen kellene bele jó akkumulátor, (Hacsak a rádiós részt ki nem cseréled valami komolyabbra.) mert tápegységgel a hálózatról mindenféle zavart, interferenciát összeszed. „Szia! A "random meglódulás" az azért van mert az autó vevője valami zavart szed össze, amit utasításként értelmez.”
Nagyon szepen koszonom!
Az lenne a kerdesem,hogy oszcilloszkopos meres mellett,kiserletezessel addig allitsak az antenna hosszan,amig merni tudom a 40 MHz-et? Mindenesetre megfogadom a tanacsod es beszerzek egy megfelelo akkumulatort.Milyen akksit javasolsz,en kineztem most hirtelen egy R6 os 8 akksibol allo telepet, 600mAh as megteszi szerinted?
Nem tudom hány Ah volt az eredeti. Minél több, annál tovább megy egy töltéssel. Bármely akksi tovább megy 1 x töltve, mint a tartós elem. Az autón nem lehetett hosszabb, mint 40- 50 cm acél, ott csak azt lehet próbálni, melyikkel megy messzebb? Az adó jelét tudod nézni műszerrel, csővoltmérővel, akár oszcilloszkóppal, ha neked az jobban tetszik, egy adott távolságról mekkora antennával a legerősebb, ezt kipróbálni a legkönnyebb kihúzható teleszkóppal, gyárilag is az lehetett neki, szerintem. Ha csak telepről megy, és az antennája közelében nincs fém, akkor nem volna szabad magától összevissza menni.
|
Bejelentkezés
Hirdetés |

























