Fórum témák
- • Forrasztási 1×1 forrasztástechnikai miértek
- • Felajánlás, azaz ingyen elvihető
- • Mikrohullámú sütő javítás, magnetron csere, stb.
- • Fejhallgató erősítő
- • Érdekességek
- • Számítógép hiba, de mi a probléma?
- • LCD kijelző vezérlése, életre keltése
- • Régen nem használt mobiltelefonok életre keltése (akksi bikázása)
- • Espressif mikrokontrollerek
- • LCD TV probléma
- • Erősítő mindig és mindig
- • V-FET és SIT erősítő kapcsolások
- • Tervezzünk nyákot EasyEDA-val
- • Elemes / akkumlátoros páka
- • Autóelektronika
- • Búcsúzunk
- • Hifi erősítők tervezése
- • Alternativ HE találkozó(k)
- • Li-Po - Li-ion akkumulátor és töltője
- • Műhelyünk felszerelése, szerszámai
- • Mosogatógép hiba
- • Elektromos vízkőmentesítő
- • Villanypásztor
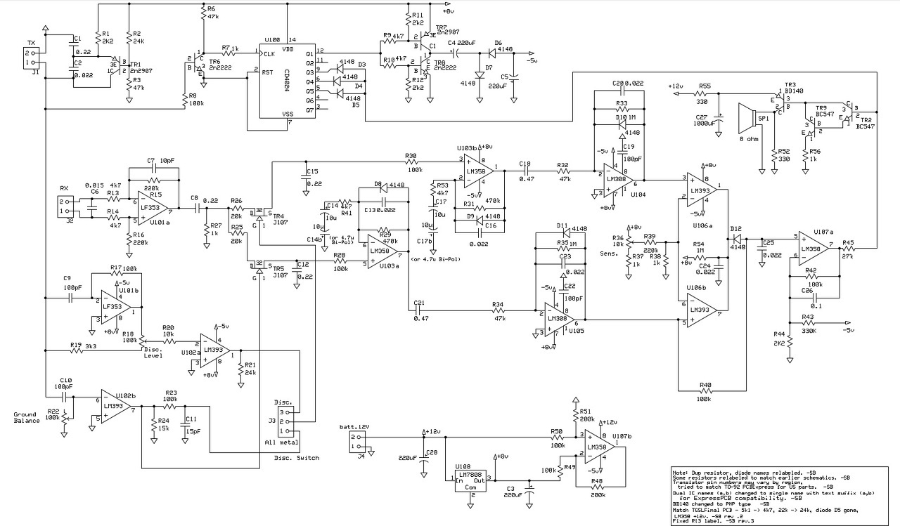
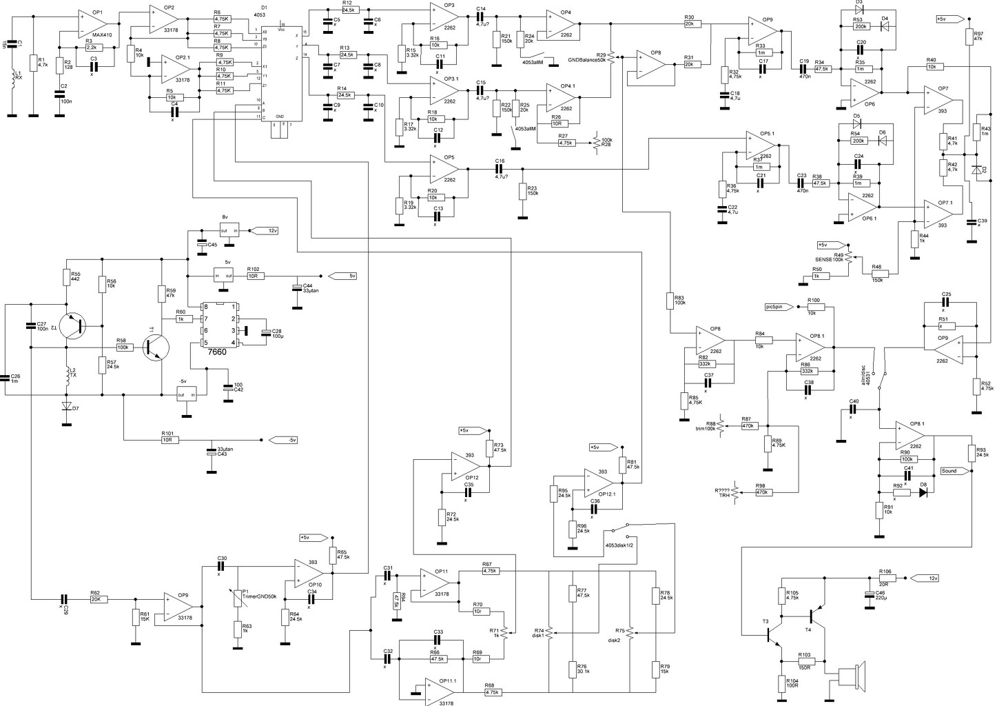
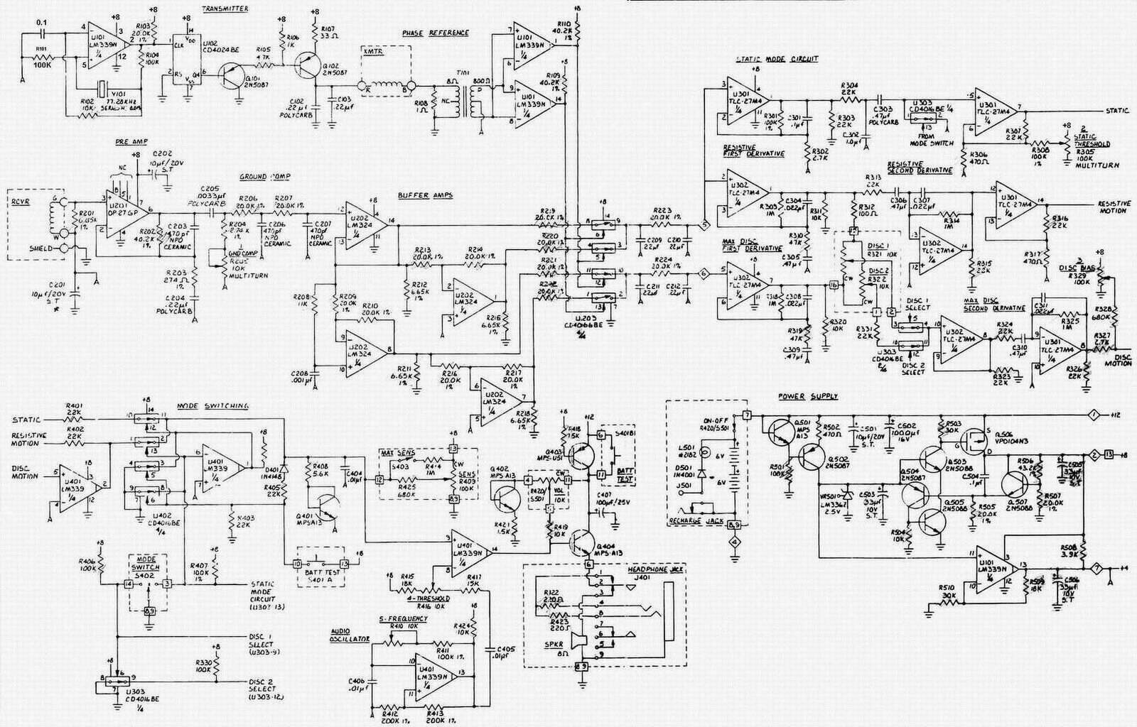
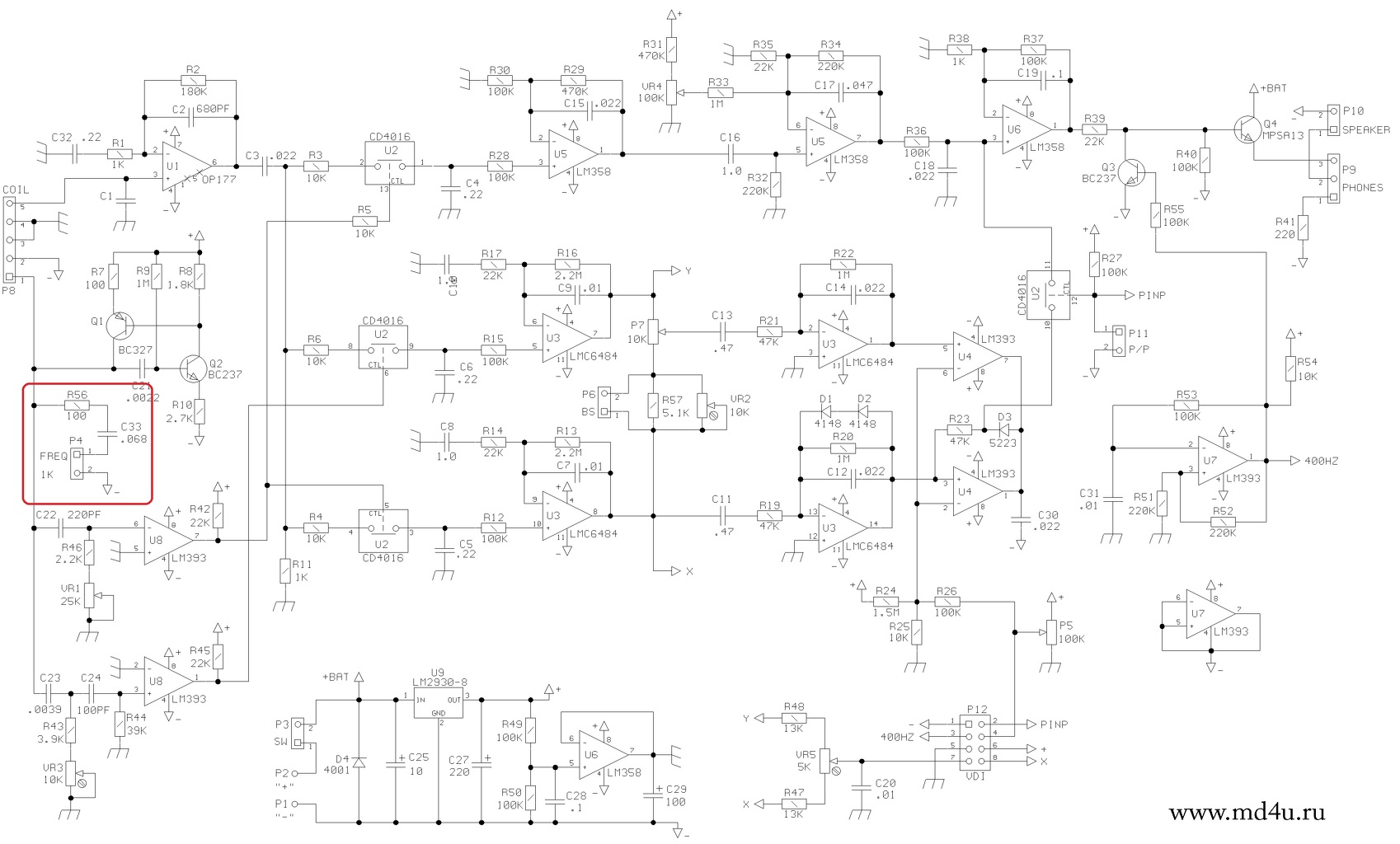
- • Kapcsolási rajzot keresek
- • Napelem alkalmazása a lakás energia ellátásában
- • Commodore 64 perifériák
- • Erősítő építése elejétől a végéig
- • Gázkazán vezérlő hibák
- • LCD monitor probléma
- • Jókívánság
- • Gigatron TTL számítógép
- • Mosógép és mosogatógép spórolás
- • LCD-monitor tápegység
- • Párba válogatott tranzisztorok
- • HESTORE.hu
- • NYÁK terv ellenőrzése
- • Mobiltelefon 50 évig
- • Kávéfőzőgép hiba
- • Klíma szervizelés, javítás
- • Labortápegység készítése
- • Kombikazán működési hiba
- • Vezetékek, kábelek, csatlakozók
- • WiFi / WLAN alapkérdések
- • LED TV
- • MyElecParts alkatrészkereső és készletnyilvántartó
- • Frekvenciaváltó
- • Rádió javítás
- • Autórádió (fejegység) problémák, kérdések, válaszok
- • Tina
- • VIDEOTON RT (RA) 6380S
- • Akkumulátor töltő
- • Vásárlás, hol kapható?
- • Indukciós főzőlap, sütő bekötése, kábelek kiépítése
- • Westen 240 Fi gázkazán hiba
- • Villanyszerelés
» Több friss téma
|
|
|