Fórum témák
» Több friss téma |
Fórum » Autóelektronika
Témaindító: sufni-tunning, idő: Ápr 19, 2008
Témakörök:
Hasonló szerviz program lenne esetleg Opelhez is? Nem vagyok otthon az autós témában.
A hozzászólás módosítva: Feb 12, 2019
Ezt a hozzászólást töröltük, mert feleslegesen széttagolt volt. Tedd fel újra a kérdésed, immár megfelelő formában!
Ezekben a progikban sok hasznos adat található szinte minden típushoz. Az Opelekből is sokat mutatnak kapcsolási rajzokkal és egyéb beállítási értékekkel együtt. Le kell tölteni egyet és megnézni, hogy a Te kocsidról mennyi infót lehet találni benne.
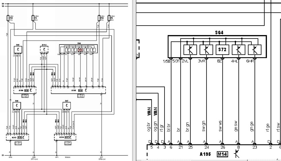
Szia Lezli! Az Audinak bármelyik típusát nézve kettő db 30A-os biztosítéka van DE nem lengő biztik, hanem az F3 és F4 a 3. biztosíték táblán amelyiken az ABS és motorhűtő ventilátor relék vannak, oldalt a kórmány felől. Az egyik csak az első ablakemelő motorokat a másik csak a hátsókat táplálja. Az elektromos ablak és napfénytető kontroll modulba csatlakoznak és vissza vannak jelentve az ajtók ide és kp. zár felé is.
Szia Imi!
A "lengő" biztit ugy értettem hogy a relétartó müanyagra felvan pattintva--oldhatóan vezetékestől..,vezető oldalt--burkolatot levéve szemből van----visszajelzek--délután hozzák vissza.. Ebből a Biztositékházból egy darab megvan., a rajzon lévő párja hiányzik, pedig ott a helye is néhány centire a meglévőtől.., ami pedig biztos hogy az Ablakemelő biztositékja mert ha kiveszem a biztit,akkor nem müködik a jobboldali a.emelő. De ha bennt vann ,akkor is csak Baloldalról lehet vezérelni egyedül a jobboldalit., amit jobboldali kapcsolóról nem is lehet müködtetni.
Sziasztok! Nem találtam ezzel kapcsolatos témát!
A problémám, hogy peugeot 206 ködlámpa nem kapcsol be. Cseréltem komplett bajuszkapcsolót és BSI-t is, de a jelenség ugyanaz. Biztosíték rendben van. Köszönöm előre is a segítséget, valamint ha mégis van ehhez kapcsolódó téma ami elkerülte a figyelmem, úgy ezt kérem törölni!
Audi A4 1.8 ti.2003. Vezető oldali Ablakemelő nem müködik.
Sajnos biztos hogy nem táp probléma van---test és mindkét +12V megvan mindenhol! Autó festőnél volt ahol totáll lermerült-probálták tölteni---elötte müködött mindkét ablakemelö(állitólag..) ..., utána már csak az utasoldali müködött az is csak a vezetőoldali kapcsolóblokkról! AutoCom élőben: Amig Vezető ablakemelő gomb Nyomva .. "Automatikus nyitás" Vezetö ablakemelő gomb elengedve: "Nem üzemel" Lehet hogy egy echte Vcds-el valamit ujra kellene programozni???
Már megnéztem egy néhány kapcsolási rajzot quatrot is, és mindegyik teljesen elektronikus kapcsolókkal van ellátva, helyesebben nincs kapcsoló feltüntetve csak elektronikus egység. Azt mutatják a rajzok, hogy van a vezető oldali kezelő egységen egy "cut-off" kapcsoló ami tiltó funkcióval bír vagy leválasztó szerepe van. Talán csak nem az lett kezelve? Ha mégsem, akkor a vezető oldali ajtó átvezetőben lehet keresgélni a szakadt szálat.
Ėrdekesek a rajzok----, mindegyik 4 ablakost mutat ,2db 30A- biztivel ., ės cut off kapcsolôval.Ezen az auton viszont csak kėt elektromos ablak van gyårilag , ezért nyilvånvaló hogy nem kell cut- off kapcsolô sem funkciója hiánya miatt, és két ablakra elég egy 30A-s hõkioldôs biźti is.100% hogy nincs mégegy 30A- s bizti--- ami a rajzokon van.
Kapcsolók éĺőben mükõdtetve : manuális és autómata üzemmódban is jónak látszanak., Can kommunikáció ,és plusz- minusz tápok is megvannak az ajtón belül ., szakadás ajtóátvezetőben nincs. Feltehetöle a ajtóelektronika- motor lehet hibás???
Sziasztok!
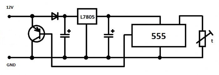
Szeretnék építeni egy kapcsolást, ami autómatikusan kikapcsolja a start/stop rendszert a kocsiban. A gyári gomb egy sima nyomógomb. 12V-ot köt össze a testtel. Valami olyan áramkör kellene, ami miután megkapja a 12V-ot, rövidrezárja a bemenetet, majd nyitja. Találtam egy kapcsolást ami elvileg oda való, csak nem tudom az alkatrészek pontos típusát. Tudnátok segíteni?
Ebből mi lett végül? Ilyet töltő nem igazán tud okozni...
Sziasztok! Egy kis segítség kéne!!Renault thalia 1.5dci 2004 évjárat.DF037 stop kapcsoló áramkörök, koherencia és állandó!mi a probléma megoldása.
Hello! Találtam számodra egy "kézzelfoghatóbb" kapcsolást itt..
Igaz az IC lábai és a táp nincs beszámozva de az könnyen pótolható.
Sziasztok!
Index kapcsoló javításához keresek megfelelő kenőanyagot. Ebben a cikkben Bővebben: Bajuszkapcsoló karbantartás sima szilikonzsír szerepel, azonban a kereskedelemben kapható ún. elektromos zsír is. CX-80 Szilikonzsír CX-80 Elektromos zsír Az adatlapból nem derül ki számomra, hogy az elektromos zsír tartalmaz-e vezető anyagokat, ha igen, nyilván nem alkalmas a fentiekhez. Már több kapcsolót, kapcsolókészüléket szedtem szét korábban, de sosem találkoztam a színtelen szilikon zsírral, mindig valamilyen barnás anyagot láttam. Van valakinek tapasztalata, hogy milyen anyag lenne számomra a legmegfelelőbb? Köszönöm! A hozzászólás módosítva: Márc 11, 2019
Szia. Nagy sokára megépíttetem az áramkört,jól is működik. Az lenne a kérdésem mely alkatrész cserével tudnám elérni, hogy kb, 40-70C között szabályózon és kb. 3-4V ig levegye a feszt?
Sziasztok! Autodata és hasonló rajzok. Csak egy jó tanács, aki akarja betartja, aki nem az meg pórul járhat. Egyre gyakrabban látni a fórumbejegyzésekben autodata rajzokat. Ezek szigorúan jogvédett termékek, egy hasonló elektronikai fórumban Bővebben: Link már egy fórumtárs nagyon rosszul járt, többszázezer forintba került neki egy autodata rajz közlése (pedig ő csak emailban küldte el, nem tette közzé). Akinek hivatalos előfizetése van hozzá, az nagyon jól tudja (licenc feltételek), hogy semmilyen információ nem tehető közzé belőle, mert különben törlik a fiókját és kártérítést fizethet. Az utószerelők próbálkoztak azzal is, hogy 3-an 4-en fizettek elő egy fiókra, persze azonnal lebuktak az ip cím miatt. Akinek meg nem hivatalosan van meg, az még rosszabbul járhat, mert akár milliós bírságot is kaphat, Egy bizonyos könyvkiadó a magyarországi jogtulajdonos és ők keményen rászáltak erre. Tehát ha mindenképpen segíteni akartok, akkor a képeket, fájlokat tegyétek fel fáljcserélő oldalra és azt linkeljétek be ( pl.mega.), akkor már nehezebb az adott fórumtárshoz kötni. Más autós fórumokban is ezt teszik, torrentet, fáljcserélőt használnak. Csak óvatosan, a pokolba vezető út is jóindulattal van kikövezve!
Szia! Hát erre nem is gondoltam, megmondom őszintén. Nekem egyik program sem magyar, nem tudom hogy hogyan lehet ezeknek magyar könyvkiadó a jogtulajdonosa. A Marótis könyvekből is van egy jó néhány de azokból nagyon kevés kerül közlésre tőlem. Talán akkor ennyi volt a közlés részemről, pedig megvetem a sovinisztákat.
Szia! Tudomásom szerint az általad említett könyvkiadó húzta csőbe az illetőt. Ők az autodata magyaro. értékesítői és náluk kell megvásárolni a belépéshez szükséges licenszt. És nagyon keményen fellépnek mindenkivel szemben, akinek bármi köze lenne az autodatahoz, annak illegális változataihoz. Nézd meg ezt a weboldalt: Bővebben: Link az alján megtalálod az elnök nevét, ez nem lehet véletlen. Ha levelet akarsz kapni az ügyvédjüktől, netán fel vagy készülve egy házkutatásra, esetleg rabosításra a segítőkészséged miatt akkor fojtasd nyugodtan, csak idő, mire kiszúrják. És őket nem fogja érdekelni, hogy honnan szerezted a képeket. Lehet segíteni, csak óvatosan és mindent csak fájlcserélőn keresztül!
Üdv a hozzáértőeknek!
Egy igen speciális problémával kereslek meg titeket a megoldás legcsekélyebb szikrájával, de a remény hal meg utoljára. A problémám: adott egy Volvo D5 motor, 185 ló, 2007-es évjárat, a hibajelenség, hogy indítás után 1-10 perc múlva az ECU a turbó szabályzó motort kivágja végállásba, megszűnik a turbónyomás és a kocsi úgy megy, mint a beteg szamár. Nem kontakt hiba, mert nincs az a göröngyös út, hogy megjavulna, csak néhány perces leállás, várakozás és újraindítás után lesz megint jó néhány percig...vagy akkor se. Eddig cseréltettem az ECU-t, kitisztítattam a DPF-et, de eredmény nulla. A kocsi hibakódot nem generál, így kezdek tanácstalan lenni. A legközelebbi márkaszeriíz 120 km-re van tőlem, de nem merek kimenni a vidéki kisvárosból, mert ha pl. egy előzésnél áll le a turbó, akkor ott halok meg. Tisztelettel kérem a fórumozókat, hogy a "Szerintem" kezdetű hozzászólásokkal kíméljenek meg, vagy tényleg hozzáértő véleményét várom, vagy inkább semmit. Köszönettel: István
Szia
FB csoporban nem kérdezted még? Sok valódi szakember is van ott. Amúgy feltehetően a motor vagy a turbónyomás érzékelő ami vacakolhat de ezeknél az autóknál mindenképp kell elösszőr egy diag (gyári) és utánna lehet csak nekilátni és keresni a hibás alkatrészt. Megjegyezném hogy a diag is csak iránymutató de a pontos hibás alkatrésre ritkán mutat rá.
Szia!
Azon fehér hollók közé tartozom, akik nincsenek az FB-on, de majd asszonypajti, vagy a gyerek profiljával rákeresek. Köszi!
Sziasztok!
Segítségül hívtak egy Alfa Romeo 33 1,5 beindításához. Gyertyakábelek nem voltak a helyükön. Kérdésem, ha tudja valaki: a hengerek hogyan vannak számozva, mi a gyújtási sorrend, és az elosztón melyik az 1.-es henger csatlakozója. Megkönnyítené a dolgomat, mert nincs kedvem levenni a szelepfedeleket és nézni melyik hengeren mikor van szelepváltás. A hozzászólás módosítva: Márc 25, 2019
Sziasztok!
Vettem egy 2007-es 2.0 benzines Grand Vitarát. Szeretnék bele rablás-lopás gátlót tenni. Első körben arra gondoltam, hogy az AC pumpától venném el az áramot. Tudnátok abban segíteni, hogy merre, hol megy hátra hozzá a vezeték és főként, milyen színeket keressek? Mindenki a biztosítékok körül vágja el a kábelt, én valahol hátrébb szeretném, ami nincs annyira szem előtt és nem hidalható át egy pillanat alatt. Előre is köszi, ha valaki tud segíteni, mit, merre keressek...
Szerintem bízd szakemberre ha már az gondot okoz, hogy melyik kábelt vágjad el.
Minden autón a váltótól legtávolabbi henger az egyes. Legalább is soros motor esetén. Kétféle gyújtássorrend van, 1-3-4-2 és 1-4-3-2. Az elosztón általában jelölik az egyes henger gyújtás időpontját. Nem egy ördöglakat menni fog.
Igen ezeket én is tudom, ebben 4 hengeres boxer motor van, én is úgy saccolom hogy valamelyik váltótól távolabbi az egyes.
A gyújtás sorrendre két variáció van, 1-3-4-2 és 1-2-4-3. Amit írtál 1-4-3-2 soros motorhoz nem jó! Az 1.-es és 4-es dugattyú együtt mozog, nem gyújthatnak egymás után. (és a 2. 3. is együtt mozog...) Az elosztón nincs jelölés. Az ékszíj tárcsán sem láttam jelölést ami az 1.-es henger felső holtpontját jelentené. Lehet a lendkeréken van, azt majd megnézem. Valahol meg kell lennie az előgyújtás beállíthatósága miatt. A motortömbön néha rajta szokott lenni a hengerek számozása, lepucolom majd kicsit hátha ezen is rajta van, csak most nem látszik.
Hali!
Kérnék valakit, aki járatos ebben a témában. Egy 12V os IFA generátort szeretnénk megtekecselni 24V ra. Kellene az állórész telkercs paraméterei: vezeték átmérő, menetszám. Forgórész tekercs paraméterei: szintén vezeték átmérő, menetszám. 3x36 V ot (AC) szeretnénk levenni róla, 200Hz el. |
Bejelentkezés
Hirdetés |











