Fórum témák
» Több friss téma |
Fórum » Autóelektronika
Témaindító: sufni-tunning, idő: Ápr 19, 2008
Témakörök:
A főrelé tekercsét kimérted? Vedd le a fedelét és nézd meg, hogy az érintkezői nincsenek e beégve. Ha az ECU 24 lábán van feszültség akkor a relé 86-os lábán ott kell lenni a 12 voltnak és a motorvezérlő adja neki a testet a 14 lábon. Ha meghúzott akkor lesz az 52-n 12 volt.
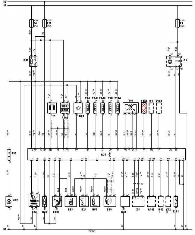
Köszönöm a rajzot!
A gyújtás és az üzemanyag szivattyú relét is teszteltem izzós módszerrel, stabilan világít az izzó, kapcsol, minden jó, így szerintem a relék rendben vannak. Holnap bekötöm a motorvezérlőt és megnézem a relén van-e az 52-n 12V. Gondoltam még megnézni a 31es kivezetésen lévő test kábelt és a C102 csatlakozó 3-as pontja közötti kontaktot. Ez mondhat valamit? Köszönöm! G. A hozzászólás módosítva: Feb 28, 2024
Az lenne az árnyékolás a vezetékeken, nincs jelentősége.
Okés, akkor ha jól értem mást így mérve nem tudok ellenőrizni, hogy a vezérlő kapcsolja vagy sem. Holnap megnézem az 52-es láb 12V feszültségét.
A múltkor még megnéztem, a trafó kap +12V-ot illetve a gújtásmodul pozitívját is ki tudom mérni, valamint a testet is. Köszönöm! G.
Az tűnt még fel nekem az általad közölt rajzon, hogy a 2-3-9-8 (C101) pontok mint ha csatlakozós kapcsolattal lenne megoldva a főrelé és az ECU között mint a gyújtótraó 3-7 (C102) csatlakozása. Ezt neked kell kideríteni, hogy hol vannak és azok jó kontaktussal csatlakoznak e egymáshoz ill. a vezérlőhöz.
Igen, ez szerintem is így van, de feltételezem rendben van, mert a relét kivéve tettem oda a próba vezetéket az egyes pontokhoz (85, 87, stb.) és ha nem lenne jó a kontakt a csatiban, akkor szakadást mutatott volna. Feltéve, ha az elméletem helyes. G.
Most néztem vissza az írásodat ahol a főrelét felcserélted a motorhűtő ventilátor reléjével ami nem is olyan lábkiosztású. Nem tudom, hogy egyáltalán eltérőek e egymástól ezek a relék vagy, hogy felcserélhetőek e de nem gondolnám. Talán csak annyi lesz a hiba, hogy főrelé tekercse szakadt vagy az érintkezője nem ad át, mert ha a motorvezérlő nem ad neki negatívat akkor sajnos elképzelhető, hogy mégis az immo emulátorral lesz a probléma vagy nézni kellene egy hibatárolót, hogy abban mire van utalás de ha már le lett véve az akku saru akkor nem sok miden.
A relék cikkszáma és kinézete, kiosztása egyforma, ezért mertem felcserélni azokat, de vissza is cseréltem utána. Ha a főrelé tekercs szakadt lenne, akkor az izzós teszt eredménytelen lenne, nem?
Az lehet, hogy az 52-es lábon nem lesz kraft a motorvezérlő test kapcsolásának hiánya miatt (14-es kimenet). Hibakódot tegap jöttek kiolvasni, de a gép nem tudott kommunikálni az ECUval . Az ABS-t tudta ellenőrizni, emiatt mondta a srác, hogy lehet az ECU nem kap testet vagy pozitívat. Ezeket néztem ma meg, de elvileg kap. G.
Az 52-n akkor lesz 12V ha meg tud húzni a főrelé amihez kell az ECU 14. lábáról a "test", amit akkor fog kiadni ha megkapja a 32-n az akku + direktet és a gyújtáson kapcsolt +12V-t a 24-n.
A 32-esen van plusz, a 24-esen is van plusz, szóval rákötöm az ECU-t és ha kiadja a testet a 14-esen, akkor megmérem a relé 87-es lábán, hogy van-e 12V. Azt viszont feldugott csatival nem tudom az ECU-n ellenőrizni, hogy kap-e 12V-ot az 52es láb. G.
Sziasztok!
Megmértem ma a relé 85-ös lábához menő szürke-fekete kábelt úgy, hogy csatlakoztattam az ECM-et majd ráadtam a gyújtást. Feltételezem, hogy ekkor testet kellene tudnom mérni vagy pedig 12 V-t, de egyiket sem tudtam. Próbáltam úgy is, hogy a relé bent volt és a biztosíték doboz alján, a kábelsaru végéhez tettem a próbalámpát, de semmi. Olyan, mint ha nem adna testet a 14-es kivezetésen az ECM. Biztos ami biztos még egyszer végeztem szakadásvizsgálatot a 14-es pont (ECM csatlakozó) és a 85-ös pont (relé csatlakozó) között, sípol a multiméter. Mit gondoltok? Lehet az ment tönkre? Tudom még valahogy szűkíteni a kört? Nagyon köszönöm! G.
Az jutott még eszembe, hogy esetleg úgy lehetne kizárni az immot, hogy a csatolt kapcsolási rajz alapján kimérném a tápot és a testet, valamint, hogy megy-e jel az ECM-hez a kék-sárga (LY) színű kábelen. Azonban kérdés, hogy itt mit kellene tudnom mérni? Egyáltalán ellenőrizhető ez multiméterrel? Nagyon köszi! G.
Azt sajnos nem tudom, hogy a vezérlő miért nem adja ki oda a negatívat de azt megpróbálhatod, hogy a főrelé burkolatát leveszed és "betámasztod", mint ha meg lenne húzva és úgy indítózol, mert ha ez a relé nincs meghúzva se a szivattyú se az injektorok nem kapnak áramot. Azért is csodálkoztam az elején, hogy benzinszagot éreztél, holott a szivattyú nem is megy ha a főrelé nincs meghúzva vagy nem kap a vezérlőtől negatívat. A rajzod szerint a 14. lábra azt kellene adjon de ha nem ad az nagy valószínűséggel az immo tiltása miatt lehet. A másik kettő negatív pontja az ECU-nak megvan a 2-3 lábán?
Igen, a 2-es és 3-as lábon van test. Az üzemanyag szivattyúnak van egy másik reléje, legalábbis van egy olyan, hogy fuel pump relay és búg is, mikor gyújtást adok rá. Az immo panel valahogy kimérhető szerinted? Az immo vizsgálataként kellene tudnom szerinted kontaktot mérni az immobilizer controller 10-es és az ECM 11-es pontja között, ha rajta van a gyújtás és működik az utólagos panel? A zöld kábel (az utólagos panelen), ami elvileg a jelet adja, az van kötve a 10-es lábra (immo contorrel). Ha jelet ad, gondolom lenni kell kontaktnak vagy? Köszi! G.
Nem pont úgy néz ki mint a te paneled, de szerintem az szimulátor ugyanaz a 2 immohoz szóval a led működését erről le tudod ellenőrizni, ha nem így működik akkor a mókány panel hibás és valóban immo hiba áll fent!
Bővebben: Link
Szia!
Igen, ezt a videót néztem és feltűnt, hogy a videóban mutatott panel led jelzője villog, az enyém azonban csak folyamatosan világít, mikor ráadom a gyújtást. Lehet ez halálozott el... Köszi! G.
Sziasztok!
Tegnap sajnos rosszul mértem a dolgokat, mert nem tudtam, hogy a 14-es lábon csak pár másodpercig adja ki a testet és ezáltal ugyanennyi ideig zár a relé és van áram az 52-es kivezetésen. Szóval átvert a rendszer, de sebaj, mert ma erre rájöttem és megmértem újra, van test kimenet a relé felé, szóval ez a része működik a dolognak. Jó eséllyel az emulátor lesz a gond, beszerzek egyet és kiderül. Nagyon köszönöm a tippeket, segítséget, ha megvan a csere, jelzem mi az eredmény. Kellemes hétvégét! G.
Sziasztok!Ford galaxy 2005 az alany.Az időmérő ora megállt,csak az óra állitó gomb világit,villog állitani nem lehet.Ki vettem,lehuztam a csatit róla.3 vezeték jön bele.Megmérném meg vannak e a feszültségek mielőtt vennék másikat.A kérdésem,milyen fesz.eket kellene mérnem?
Gondolom egy test, egy fix 12 V és egy kapcsolt (gyújtással együtt) 12 V.
Idézet: „és egy kapcsolt (gyújtással együtt) 12 V.” Műszerfal világítás lesz inkább.
Szia! Ebből hogy lesz pontos idő? Szerintem a barna a negatív a ppiros/fehér a pozitív és a ("fehér/zöld a járműsebesség jeladóhoz" adna jelet?) .... mert rajzokon nem találok ehhez hasonló színezéssel vezetékeket ehhez a típushoz, de az is lehet, hogy a világítás lesz amit említettek is.
A hozzászólás módosítva: Márc 2, 2024
Jogos a műszerfal világítás, de ugyanakor a fix akku mint autórádiónál szerintem biztpsra vehető, mert egyébként mindig be kellene állítani a pontos időt.
Amúgy szerintem meg sajnos nem ez a baja, kár ezen rugózni...
"Nem ez a baja"
Akkor dobós? Nem tudom jól értem e,ha asztalon probálom,akkor barna+ pirosfehér 12v igy működnie kellene?Vagy barna negativ és pirosfehér+zöldfehér pozitiv?
Ja, persze nem is azért csak hirtelen nem értettem, hogy egy mechanikus órának minek kell kapcsolt + a működéséhez.
"furko" jól mondja, hogy a világítása lehet de az nem biztos, hogy 12V-os. Ezek az órák nem hosszú élettartamúak. Nekem van kettő is a Ladából ami már megakad vagy valami olyan kopásuk van amitől adott mutató álláson megállnak. Próbálkoztam a javításukkal de veszettfejszenyele.
Sziasztok!
Nos, ott tartok, hogy még mindig nem indul a bestia, de cseréltem benne immobilizer emulátort egy kedves, fórumos társ által, melynek eredményeként már van szikra, de pár tekerés után, mintha megfulladna a motor. Ma egész nap ki voltak véve a gyertyák, szellőzött, feltöltöttem az akksit, de csak nem indul be. Csináltam egy videót: https://drive.google.com/file/d/1Hvd5XtVSDJcfQIG7PivjjMsw1HWSvW1E/v...haring Esetleg ez alapján vagy egyébként van tippetek mit nézhetnék még meg? Hibakód móricka olvasással továbbra sincs. Lehet hiba, hogy a gyújtás modulban a lyuggatott lemezt esetlegesen fordítva raktam vissza? Csatoltam képet mire gondolok. Nagyon köszönöm! G.
Olyan mintha 180 fokkal volna elrakva a gyújtás, vagy rossz sorrend.
Az lehet a modulban lévő lyugatott lemeztől, ha esetleg fordítva tettem bele? A sorrend rendben, azt megnéztem, hogy minden kábelt oda raktam-e vissza, ahol volt. Köszi! G.
A lemezt megfordíthatod egy próba erejére, de a hangja alapján olyan mintha induláskor elfogynának az amperek, ha volna a közelben bikázós akkutöltő megpróbálnám azzal indítani, nem ismerem az akku korát de a rengeteg indítózás rendesen megtudja cibálni szegénykét!
Bika kábelem van és egy nagyobb akksim az én autómban. Az jó lehet? Töltés után pár órával mértem 12.8 V-ot az akksira, persze ettől még lehet rossz. Az akksi 1 éves, de valami gagyi fajta, így adták el az autót
. G. A hozzászólás módosítva: Márc 7, 2024
Egy próbát megérhet, de multival meg is nézheted mekkorát zuhan indításkor a feszültség, és mennyire gyorsan tér észhez az akku, spécibb műszer híján mérni ennyit tudsz csupán, (terhelővilla kellene).
|
Bejelentkezés
Hirdetés |





. Az ABS-t tudta ellenőrizni, emiatt mondta a srác, hogy lehet az ECU nem kap testet vagy pozitívat. Ezeket néztem ma meg, de elvileg kap. G. 





"furko" jól mondja, hogy a világítása lehet de az nem biztos, hogy 12V-os. Ezek az órák nem hosszú élettartamúak. Nekem van kettő is a Ladából ami már megakad vagy valami olyan kopásuk van amitől adott mutató álláson megállnak. Próbálkoztam a javításukkal de veszettfejszenyele. 
