Fórum témák
» Több friss téma |
Fórum » Autós erősítős kérdések, problémák
Témaindító: Thomas10100, idő: Dec 28, 2005
Témakörök:
Csak nyugodtan. A sok kapkodás sose vezetett jóra.
Sikerült ismét kicsit foglalkoznom az erősítővel. A tápegység mosfet gate-jére kötöttem szkópot.
A kép alapján a táp max kivezérléssel működik (50% mínusz holtidő), a primer betáp változtatására a szekunder oldalon is változik a feszültség. A görbék rondák mert egy 100ohm-s ellenálláson keresztül hajtja a feteket. A hozzászólás módosítva: Okt 24, 2018
Idézet: „megvan a +-31V, de kevésnek tűnik.” Megfelelő lehet! Hitványvilágban nem magasabb a táp! 14.4-15Vról járasd akkor mennyi?? Illetve mekkora az elkók fesz tűrései?
A primer oldalon a nagy elko 35V-s. Ha a betáp 15V, a szekunder oldalon 37V-ra kúszik fel a magasabbik tápfeszültség. De nem javul a helyzet annyira, hogy végfok munkaellenállásain nyugalmi áramot lehessen mérni.
A hozzászólás módosítva: Okt 24, 2018
Szekunder kondik fesz tűrése az érdekes. A 37 volt már egészen emészthető!!
Volt a kezembe olyan hitványka ahol a 30V is épphogy megvolt!
A szekunder oldalon 2 tápfesz van. Az alacsonyabb a vég fet-k részére, ott 1000uf/35V-s kondik vannak és 15V primer tápfesz esetén van +-27V feszültség.
A végfokot meghajtó fokozat jár -+37V-ról, a meghajtók tápfesze rá van ültetve a végfok tápfeszére (a kondenzátorok sorosan kötve) ennek a kondenzátora 25V-s feszültségtűrésű (csak 10V van rajtuk). Ha Mlaci méréseit veszem alapul még mindíg hiányzik 5-10V a szekunder oldalon. Ellenőrizem a szekunder tápfeszek AC komponens mértékét, de elenyésző, a kondenzátor hibát kizárnám.
Végigfutottam az oldalt..
Neked elviekben ugyanolyan izéd van mint mlacinak, teljesen azonos? nyák REV száma is? Egyébként a tápfeszek teljesen rendbe lennének, ezzel simán tudna az erő csatornánként 4 ohmon 100 wattát szinuszban. Ami nekem még sántít: Mlacinál aszimmetrikus, kvázi véget diagnosztizáltunk. Viszont Te beszélsz negatív segédtápról is, ami viszont a kvázi véghez nem kell, csak max a pozitív. Milyen típusú a végtranyók? Zárójelben jegyzem meg elég lenne 4-5 tranyónyit visszarajzolni a véget, abból már sokat tudnánk segíteni!
Rev-re nem azonos, az nálam lévő V1-s az övé talán V1.1 ha jól rémlik. CEP75N06 fetek vannak mindenhol (táp, végfok) a nálam levő példányban, ennek is valami kvázikomplementer vége lesz ebben nincs különbség. A segédtáp biztosan neki is +- megoldású.
Rajzot remélem nemsokára fogok tudni feltenni. +1 infó, a nálam lévő példányban csak a tápban találtam eddig egy zárlatos kerámia kondit, a végfokok érintetlenek! A hozzászólás módosítva: Okt 24, 2018
Most hagyok időt vissza rajzoni a véget!
![]() Van szkópod megnézhetnéd, hogy a trafó primerjére milyen fesz megy! Ha megvan pár tized híján a betáp 14,x volt akkor okés. Illetve a szekunter csúcsfesz is érdekes lehet. Jó lenne tudni a trafka áttételét, lehet hogy az is változott a REV számmal!
Köszi a szabadidőt
a rajzoláshoz ![]() A primer méréssel kapcsolatban viszont nem értem a kérdésedet, a fet drain és pozitív táp között mérjek vagy pontosan mely pontok között gondoltad? A szekunderen 4 tekercs van sorosan: - segédtáp pozitív - főtáp pozitív - közös pont (szekunder test) - főtáp negatív - segédtáp negatív A közös pont és a főtápok között mindkét oldalt 64Vpp-t állít a szkóp. A segédtáp és a főtáp között oldalanként 25Vpp-t mond. A közös pont és a segédtáp végei között 88Vpp-t mond ami 1 V hibával végül is elfogadható lenne. Pontos áttételhez bontani kellene a trafót, sajnos több soros nem tudom megszámolni az arányokat A segédtápot 4-nek számoltam, az van legfelül. A szekunder fő táp 11 menetes (az egyik ágat külön színnel tekerték). A primerrel vagyok bajban ![]() A primer táp változatlanul 15V-t DC. A hozzászólás módosítva: Okt 24, 2018
Nekem sem volt időm foglalkozni vele mert le vagyok kötve más javítani való dolgokkal. Ha segít valamit csatolok egy fotót a rajzról,vagyis a végéről részlet. Eddig jutottam. Meg én erősebb töltőről tápláltam az erőgépet,nem mértem de lehet 15 Volt vagy talán még több is megvolt.
Köszi! Azt mondjuk jó lenne ellenőrizni mennyi volt a bemeneti oldal DC-ben ha lenne rá kis időd
A hozzászólás módosítva: Okt 24, 2018
Nincs mit. Nem garantálok a pontosságért!
Pont az nincs a rajzon, hogy kap előfeszítést, munkaáramot az alsó végfet!
Annak a kapuja valamivel, kb 2 volttal pozitívabb, mint a negatív tápfesz, azaz S elektródája.
Sziasztok!
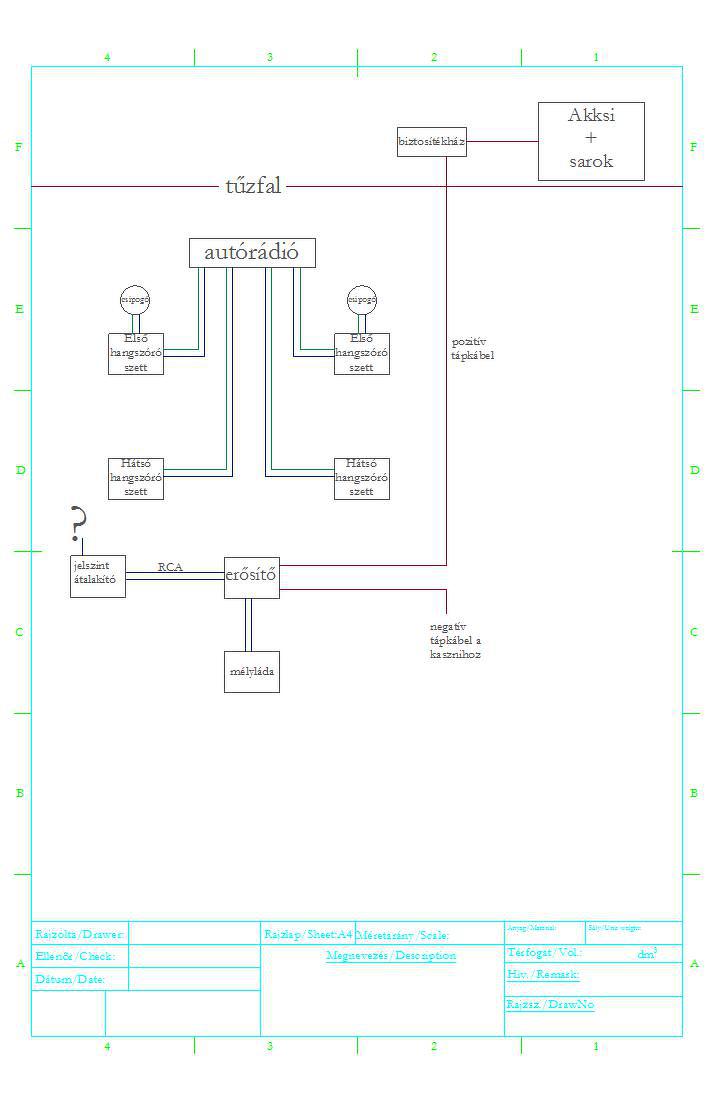
Szeretnék erősítőt és mélyládát kötni a 2004-es évjáratú Mazda 2 autómba a gyári fejegységre. A rádión alapból nincs RCA kimenet. Két opcióról tudok: 1. jelszint átalakító bekötésével lehet rákötni az erősítőt 2. automatikus erősítő kapcsolóval Kérdésem az lenne, hogy melyik megoldást egyszerűbb kivitelezni? A jelszint átalakítót hogy kell bekötni? Köszi a segítséget, üdv.: Toma
Vajon a 2. pont mit is takar? Az első megoldáshoz megveszed az átalakítót, bekötöd és használod.
Üdv mindenkinek!
Nem is láttam,hogy ilyen topic is van... Szeretnék megjavítani egy régi,de kiváló Alpine 3544 erősítőt. Azt az érdekes jelenséget produkálja,hogy az RCA kábelllel egy forráshoz csatlakoztatva az áramfelvétel elindul az egekbe,a végtranzisztorok eszeveszetten melegszenek,majd protect. Végek ok,szól is egy rövid ideig,(amíg engedem az áramot hűtés nélkül.) RCA-t kihúzva áram ok. Táp oldal jónak tünik,stabilan tartja a +- tápot. Bemeneti csatoló kondi zárlat? Tapasztalt már valaki hasonlót?
Bővebben: Link
Neked a 2in1. A jelszint átalakító remote kimenetét összekötöd az erősítőd remote bemenetével. Ha nem vagy járatos elektromos téren,kérlek kérd szakműhely segítséget. A nem megfelelő beszerelés tüzet is okozhat!
Üdv!
Előszöris köszi a válaszokat! Szakműhely fogja kivitelezni a beépítést, de egyelőre még csak tájékozódom, hogy jobban otthon legyek a témában és érdekel is. A két verziót egy autóhifivel foglalkozó cég ajánlotta. Az ürge elmondása alapján: Jelszint átalakítóval az erősítő csak akkor szól, ha ráadom a gyújtást, egyébként csak a rádió és a 6 alap hangszóró. A második opció esetén gyújtás nélkül is szól minden. Az első verziót nagyjából értem. Lenne még néhány kérdésem: A remote kimenet az RCA-t takarja? A jelszint átalakító másik felét pontosan hová kell kötni? Amit linkeltél, gondolom piros +,kék -, fekete földelés, ugye? Jelszint átalakítóval szép hangminőséget lehet kihozni? Nem az a célom, hogy hallja az egész utca, csak szeretnék egy kicsivel több basszust.
Szia,
A remote vezeték vezérlés,akkor mérhető +12v rajta,ha a fejegység be van kapcsolva. Gyári fejegységeken nem minden esetben van ilyen,gyanítom ezért ajánlották a gyújtásra bekapcsoló módszert. Amit linkeltem,az rögtön megteszi azt a szívességet,hogy a teljesítmény kimenetekről lecsökkenti a jelszintet előerősített (ami általában RCA vezetékeken fut) jelszintre,plusz a remote szálat (általában kék)aktiválja,ha hangfrekvenciát érzékel a bemenetén. De ha tényleg csak kicsivel több basszusra vágysz,és egy Mazda2-ben is marad helyed a csomagtartóban,és egy csapásra mindent megold: Bővebben: Link Nekem is ilyen van a kisteherautómban,néha én is elcsodálkozom hogy a fizikát is megerőszakolja ez a kis doboz. Tényleg jó a hangja,univerzális,olcsó. Ok,hangnyomás versenyen ne akarj indulni vele,de kiegészíteni a gyárit tökéletes.
Az, hogy a fej remote kimentéről, vagy gyújtásról indul-e a cucc, nem ugyanaz a probléma, mint amit felvetettél, hogy nincs RCA rajta.
Az Uviktor által ajánlott átalakító tényleg jó vételnek tűnik, ennyiért csak egy buta passzív átalakítót szoktak adni hazánkban. Ha már meg vannak a cuccaid, akkor erre van szükséged. Ha még nincs semmi, és az a Blaupunkt Gtb 8200 A is bekapcsol a bejövő jelre (valamint neked is bejön majd a hangja), akkor azzal minden gondod megoldódik egyben. Ez a Dietz nem is kell, hogy a hangjelet figyelje. Feltételezzük, hogy már csak hidalt végfokú fejek üzemelnek, testhez képest kell feszültséget figyelni az egyik kimeneten. Ha a rádió bekapcsolt, akkor féltáp van rajtuk.
Gondolkoztam a Blaupunkt ládán is, de később kombi autót szeretnék, ezért döntöttem a külön erősítő és mélyláda koncepció mellett. Csináltam egy gyors skiccet a kapcsolásról.
Kondenzátort minden esetben kell bekötni? Egyelőre még nincs semmi alkatrészem. A jelszint átalakító kék szálját az antenna vezetékére kell kötni?
Üdv!
A Blau természetesen automatikusan be-és kikapcsol hangfrekire. Antenna vezetékére? Jó helyen keresgélsz,csak egy kicsit tegyük tisztába. A fejegységeken(általában) van egy antenna vezérlő vezeték,ami akkor pozitív,ha be van kapcsolva(felsőbb kategóriában ha tuner a forrás,ilyenkor van külön erősítő vezérlés is,de ebbe most ne menjünk bele...) ezt hívják ant.remote,antenna kimenet,stb,ki hogy nevezi. Ezt kötjük az erősítő Rem(Remote) bemenetre. Gyári fejeken nem mindig van ilyen kimenet. Kérdésedre a válasz,a kéket az erősítőd rem bemenetére kell kötni. Kondenzátor? Ahhoz képest hogy azt írtad hogy csak egy kis basszus kiegészítést szeretnél,már jó úton haladsz a birodalmi csillagromboló felé...
Hello Uviktor!
Azóta utána keresgéltem, és azt az infót találtam róla, hogy csak akkor szükséges, ha gyorsabbá vagy pontosabbá szeretném tenni a hangzást. (Gondolom ez így valahogy megállja a helyét.) Szeretem jól körüljárni a dolgot, még mielőtt belevágnék a vásárlásba és beszereltetésbe. Le tudnád írni, hogy a többi szálat a jelátalakítóból, a 2 RCA és a kék szál már érthető.
Na, úgy néz ki megvilágosodtam. A hátsó hangszóró kimenetre rá lehet kötni, ugye?
Üdv!
A kondenzátor az erősítőd tápfeszültségét stabilizálja,egy-egy nagyobb impulzusszerű nagy teljesítmény leadás (basszus)a tápfeszültséget csökkenti a táp bemeneten,egy jó kondenzátor ezt az energiát gyorsan pótolja,így egyenletes marad a tápfesz. Ez a kimenő teljesítmény és főleg megítélés kérdése,vásárolsz-e ilyet. Személy szerint én 200-300W alatt nem is foglalkoznék ezzel,de ezért lehet hogy megköveznek. Ez olyasmi,mint AMD vagy Intel,Coke vagy Pepsi,stb... Az átalakítón nagy valószínűség szerint a piros a +táp,fekete a test,a kék pedig megy az erősítő remote bemenetére. Szerintem.De biztosan mellékelnek hozzá leírást.
Üdv!
A maradék két vezeték pedig a hangszóró kimenet pozitív, negatív?
Nem írtál róla, hogy mekkora és milyen állapotú az akku, mekkora erősítőt és mélynyomót szeretnél. Azt jó ha tudod, hogy a gyártók azt a méretű akkut fogják beletenni, ami éppen elegendő az autóhoz. Nem terveznek előre még 3-400W elektronikának. Általában úgy képzik a tálcát, hogy egyel nagyobb akku befér, ha cserélni kell. Kondi egy kisebb rendszernek szerintem sem kell. A kütyühöz fogsz kapni leírást, de szerintem elég egyértelmű lesz. Vigyázz, ne testeld le véletlenül a fejegység - jelű hangszóró kimenetét se, mert az nem test.
Az akkum kb. 3 éves, 60Ah-s és 540A indítóáramú, 12V-os Bosch.
Ez a két kombináció tetszik: 1. Mac Audio Xtreme Amp 2000 + Mac Audio Xtreme Sub 110R Mac Xtreme Amp 2000 kétcsatornás erősítő: Teljesítmény: Maximális kimeneti teljesítmény 4 Ohmon: - 2 x 180W sztereo/1 x 500W hídba kötve Névleges kimeneti teljesítmény (RMS) 4 Ohm-on: - 2 x 60W sztereo/1 x 160W hídba kötve Maximális kimeneti teljesítmény 2 Ohm-on: - 2 x 250W Névleges kimeneti teljesítmény (RMS) 2 Ohm-on: - 2 x 120W Frekvencia tartomány 5 - 50 kHz Tokozott, fémtengelyes, precíziós potméterek Magas minõségû audio táptranzisztorok Automata ki/bekapcsolás az autórádióról Belsõ ellenállást csökkentõ nyomtatott áramköri lapok 2 Ohm stabil (csatornánként 2 Ohm-ra terhelhetõ) Kis impedanciájú kondenzátorok a tápegységhez 1 pár RCA veszteségmentes jelkimenet további erõsítõ vezérléséhez Fokozatmentesen állítható aluláteresztõ szûrõ 50 - 250Hz (12 dB/oktáv) Fokozatmentesen állítható felüláteresztõ szûrõ 40 - 300Hz (12 dB/oktáv) Fokozatmentesen állítható mélykiegyenlítés 0 - 12dB/45Hz Sztereo/mono csatornaváltó (mélysugárzó meghajtáshoz) Elnémítás kapcsoló a pattogó interferencia elnyomásához Elektromos védelmi áramkör rövidzárlat, DC leállás és túlzott hõ esetén Állapot kijelzõ zöld LED és túlterhelés jelzõ piros LED Súly: 1,9 kg Mac Xtreme Sub 110R: Terhelhetõség: - 250/800W 4 Ohm-on Frekvencia tartomány: - 24 - 500 Hz Csúszásmentes borítás Optimalizált légáramlású bass reflex port 25 cm-es nagyteljesítményû hajtás 2"-os hangtekerccsel és pólusmag szellõzéssel Többrétegû fényezett papír membrán Tömör acél kosár kiegészítõ hangtekercs-szellõzéssel Formatervezett porvédõ Nikkelezett csavaros kábelcsatlakozók Hangszóró védõpálcával Súly: 9 kg Méretek: 370 x 300 x 230 x/280 mm 2. MacAudio Edition S2 csomag: Erősítő: Maximális kimeneti teljesítmény 4 Ohmon: 2 x 150W sztereo/1 x 500W hídba kötve Névleges kimeneti teljesítmény (RMS) 4 Ohm-on: 2 x 55W sztereo/1 x 150W hídba kötve Maximális kimeneti teljesítmény 2 Ohm-on: 2 x 250 W Névleges kimeneti teljesítmény (RMS) 2 Ohm-on: 2 x 75 W Frekvencia tartomány 5 - 50 kHz Tokozott, fémtengelyes, precíziós potméterek Magas minõségû audio táptranzisztorok Automata ki/bekapcsolás az autórádióról Belsõ ellenállást csökkentõ nyomtatott áramköri lapok 2 Ohm stabil (csatornánként 2 Ohm-ra terhelhetõ) Kis impedanciájú kondenzátorok a tápegységhez 1 pár RCA veszteségmentes jelkimenet további erõsítõ vezérléséhez Fokozatmentesen állítható aluláteresztõ szûrõ 40 - 300Hz (12 dB/oktáv) Fokozatmentesen állítható felüláteresztõ szûrõ 40 - 300Hz (12 dB/oktáv) Fokozatmentesen állítható mélykiegyenlítés 0 - 12dB/45Hz Sztereo/mono csatornaváltó (mélysugárzó meghajtáshoz) Elnémítás kapcsoló a pattogó interferencia elnyomásához Elektromos védelmi áramkör rövidzárlat, DC leállás és túlzott hõ esetén Állapot kijelzõ zöld LED és túlterhelés jelzõ piros LED Súly: 2 kg Mélyláda: Sajtolt, levegõn szárított, többszörösen bevont papírmembrán 30cm-es nagy teljesítményû hangszóró, 2 colos hangtekerccsel Hosszú löketû habosított membránszél Húzott acélkosár kiegészítõ szellõzéssel Nagy erejû Ferrit mágnes Csúszásmentes kárpítozás HD logo hímzéssel Nikkelezett csatlakozások Zárt láda 30cm-es mélynyomóval Zenei teljesítmény: 800W RMS teljesítmény: 250W Impedancia: 4 Ohm Érzékenység: 91dB Frekvencia átvitel: 25-250Hz Súly: 10 kg Méretek (Szélesség x Magasság x Málység): 430 x 395 x 240/335mm
Ha nem akarsz hányni minden autókázás után, akár jó is lehet, ha ésszel tekered a hangerőt. Csak járó motornál és nem végig véggázon. Néha felrakod töltőre az akkut. Megfelelő keresztmetszetű kábeleket vegyél a 12V hátra viteléhez. Elöl autós biztosítékház és biztosíték (nagyobb, mint az erősítőben levő) zárlat ellen, közel az akku + pólusához.
Lehet, hogy ehhez már kevés lesz a fejről hajtott gyári hangszórók által nyújtott teljesítmény, de ha jól beállítod működhet. |
Bejelentkezés
Hirdetés |






A segédtápot 4-nek számoltam, az van legfelül. A szekunder fő táp 11 menetes (az egyik ágat külön színnel tekerték). A primerrel vagyok bajban 


