Fórum témák
» Több friss téma |
Fórum » Commodore 64 perifériák
Témaindító: hadnagyakos, idő: Jún 10, 2008
Témakörök:
Hali!
Érdekelne, hogy esetleg C64-es gépet is javítottál? Van valahol belőle 3 vagy 4 db, de mindnek ugyanaz a hibája volt. (Nem volt kép csak egy "a" karakter futott függőlegesen a képernyő közepén. Annak idején a video chipet akartam kicserélni de az ára magasabb volt mint egy komplett gépé.( azért is gyűjtöttem össze az ismerősöktől az összes rossz gépet). Szerinted is az lehetett a hibája? Javíthatóak? Érdekes lenne újra beüzemelni, van hozzá kisebb, nagyobb floppy meghajtó, magnó, talán még játék kazetták és lemezek is.
Helló!
Most nincs módom átolvasni,hogy meglett-e a megoldás.és lehet az EXE sem szabályos itt,de biztosithatom,teljesen tiszta. Erről lenne szó: http://krock.demoscene.hu/wavprg.exe TAP,PRG ezeket ismeri,lehet kérni turbótöltőt az elejére,vagy szabványos kernal töltőrutinnal (jó sokáig tart) Beteszed,kifütyüli a cuccot,simán felveszed magnóra,AKA deck Én mp3 playerre akarom majd,és valahogy összehegeszteni a magnó helyére.Van ott valami motor sense,vagy mi,szóval kicsit variálni kell,de menni fog az,adatsűrűség meg nem akkora,hogy az mp3 tönkretenné.IMHO. Ha mégis,akkor audiocd,olcsó hordozhato cdplaya ![]() Remélem,tudtam segiteni. Sziasztok!
Én is hasonlóra gondoltam. Vagyis gyakorlatilag sima "magnóból" vagy cd-ből c64-es magnót csinálni.
Gondolom a CD-nél a vonal kimenetre szükség lenne. Sajnos nem találtam magyar nyelvű anyagot arra vonatkozóan, hogy hogyan is lehetne ezt megcsinálni. Főként arra találtam, hogy hogyan kell magnóra felvenni gépről, de a legfőbb probléma az, hogy semmilyen háttértáram nincs C64-hez.
Sziasztok
Mit szóltok ahhoz az ötlethez, hogy se nem magnó, se nem CD, hanem a C64 bővítő slotjáta kötni egy FLASHt. Azaz egy egszerű alkatrész esetleg uC-vel amin van egy kicsi FLASH és ezt lehetne PC-ről feltölteni (pár sec) Aztán bedugod a C64 hátuljába és megy. Nincs analog hang miatti hiba... 32-64k flash ram elég is rá. Újrahasználható és nem kellenek kazetták. Árban meg nem sok. Ha teszel a FLASHre memóriacímzéshez dip kapcsolókat, akkor több játék is felkerülhet a kártyára. hmmm?
Hi!
Csillió hasonló volt,MMC readertől kezdve. Jelenlegi helyzetemben mind borsos áron,bár ha eltudok vonatkoztatni,és figyelembe veszem azt,hogy mint privát fejlesztés,nem is sok.Flash? Ha olcsóba megáll,akár neki is kezdhetünk Sajna igy is fut vagy 8 projectem,amiből0 van készen,de hát C64ért bármit!wq kezdőnek meg azt,hogy ha lesz kis plusz időm,megnézem ezt a _sense_ dolgot,azt leszámitva bármilyen vonalszintű jelforrás jó lehet magnó helyett.....legrosszabb esetben kézzel kell majd jelezni hogy 'IGEN,megnyomtam a playt!' Egyéb gond aligha lesz. Sziasztok!
Hát ha csak annyi, hogy megnyomta-e a play gombot akkor azt kézzel is lehet jelezni.
A folyamatot tudja valaki hogy megy? pl: load press play on tape - itt gondolom a c64 vár a sense-re. A sorrend a kérdéses: 1. megnyomom a gombot majd elindítom a lejátszást a cd-n 2. megnyomom a gombot ÉS elindítom a lejátszást a cd-n Bár végiggondolva anno mind1 volt, hogy éppen hol van a kazetta mivel mindig megkereste a köv. programot.
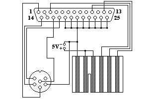
Találtam egy kapcsolási rajzot a véleményetekre lennék kíváncsi:
C64 program betöltése PC-ről Ahogy néztem a sense-vel nem foglalkozott. Feltétlenül szükséges ilyen bonyolult módon megcsinálni vagy lehet egyszerűbben is? (Sajnos ezt az erősítő témát nem nagyon értem mármint a rajzból nem biztos, hogy próbapanelen össze tudnám rakni és kicsit féltem a C64-esem ).Maga az oldal: C64 program betöltése PC-ről
Hali!
Szerintem a sense-vel azért nem foglalkozott, mert itt úgysem használsz tekerést, felvételt, stb., tehát nyugodtan maradhat mindíg abban az állapotban, mintha a play lenne lenyomva. Miután kiadod a load parancsot, a C64 áramot ad a motornak, jelen esetben egy lednek, amiből látod, hogy a C64 készen áll az adatok fogadására, erre te a bemeneten szépen elkezded neki küldeni. Másrészt mi neked a bonyolult?
Anno lehetett kapni a C64-re különféle bővítőkártyákat, amik epromban tárolták a programot.
Szóval egy kis ügyeskedéssel szerintem nyugodtan megoldható az elképzelésed.
Eddig csak egyszerű dolgokkal foglalkoztam.
AVR, H-Híd, IR adó-vevő. Ezekben nem volt más egy chip és néhány ellenállás meg hasonló. Jó részét úgy ollóztam össze. Ez a rajz pedig tartalmaz olyan elemekt (OP) amit nem tudom hogyan kéne bekötni. A 4049-est még csak-csak megoldom, de ez az OP-741-es..... Mondjuk nem is nagyon van itthon. EZért kérdeztem, hogy feltétlenül fontos-e ilyen bonyolultan megcsinálni.
Műveleti erősitő a magnóból jövö jel felerősitésére szolgál a datasheetjébe benne van a lábkiosztás a + láb a non-inverting input a - az inverting input a "csúcsa"az output a teteje a táp+ az alja a táp-.
OFF
Mire rájöttem, hogyan kell az epromokba feltölteni az átkonvertált programot,.... de nem az urbános eprom égetővel, mert az nekem soha sem működött egyik sem, kettő is volt. A CIA chippek jók voltak, mielött megkérdeznéd. Az összes modulgenerátorom berakott a program elejére két darab nullát (00,00), na ez volt a hiba, ezk kellett törölni és már ment is a beégetett progi.ON
És mi történne, ha a CD lejátszó fülhallgató kimenetét raknám a read lábra?
Urban-os égetőm nekem nem volt, de volt tőle az az eprombank, vagy valami ilyesmi, azthiszem 8 epromot tudott fogadni, na az nekem se működött.
Ha a cd re ki lenne irva a progi hangfájl lehet olvasná de azok az inverterek "Négyszögösitésre"vannak szerintem azaz nem nagyon hiszem.
Nos ezt nem értem:
Mondat első fele: Ha cd-re ki lenne írva a progi hangfájl (ki van) lehet menne... Második fele: azok az inverterek "Négyszögesítésre" vannak azaz nem hiszem, hogy menne?
Na módositottam mert rájöttem hogy én se értem
.Igy már jó?
Vagyis, hogy tiszta legyen a hang?
(úgy is mondhatnám, hogy "bináris?") Mert akkor hurrá AVR-re fel.
Én valahogy ugy gondoltam de nem bisztos valaki okosabbat is kérdezz meg
Sziasztok!
A commodore Datassette magnók nem egyszerű audio magnók voltak.... azaz nagyjából igen de nem vonalszintű jeleket bocsátottak ki a gép flé... hanem komparátorokkal meg egyéb trükkökkel TTL-esítették a kazettáról jövő jelet... valahol van kapcsolásom is róla ha érdekel valakit előkeresem... meg csináltam annak idején Datassette fejbeállító elektronikát is ami LEDdel jelezte ki ha a legjobb volt a fejállás... a sima vonaljeles CD és egyéb cuccok nem mennek így magukban, ha szereztek egy mechanikailag döglött, vagy egyéb Datassette magnót azt már át lehet buherálni Line In-re... Sajnos C64-et nem javítottam akkoriban csak plus/4-et és C16-okat, azok meg ugye mások... ha valakit érdekel van egy plus/4 és egy ZX spectrum cuccosom, én már nem igazán foglalkozom velük... Üdv!
Ez is egy olyan áramkör csak itt 5V os cmos ositott a kimenet
A1 A2 által
Nekem még megvan az eprom bankom, csak a vezérlő epromját megsütöttem egyszer és azóta nem megy
.Esetleg neked meglenne? Régebben floppyn is meg lehetett venni! Vagy le tudnád menteni az epromból a bin fájlt? Már ha megvan....
Vagyis, ha jól értem akkor mikor menti az adatokat akkor a kimeneten TTL jelek jönnek és amikor pedig be akarok valamit tölteni akkor lehetne közvetlen TTL jelet küldeni neki?
(mondjuk AVR-el vagy PIC-el?)
Szerintem meglehet ha ttl jelszntű a read
A TTl az 5V, ha jól emléxem?
Vagyis, ha 5V-ra kötöm az AVR-t és így 5V-0V-ot kapcsolgatok akkor jó? A C64-ből kijövőt pedig ráköthetem egy 4N25-re és onnan az AVR-re?
Hi!
Szerintem jó az,csak szét kell hajtani! Nekem normál kazin is +3 +4dB volt,szóval volt torzitás rendesen (nembaj,jó lesz négyszögnek is)Hello!
Heh? Ram? MInden elfut 64k-n,vagy amennyi marad belőle egy ilyen upgrade után.....talán 0.5% soft nem,de azok meg S-CPUra vannak irva,ami frankó,de már rég nem C64
![]() By.
Átolvasta egyre bíztatóbb a helyzet.
Ezek szerint TTL jön ki és megy be a C64-be. |
Bejelentkezés
Hirdetés |




Én mp3 playerre akarom majd,és valahogy összehegeszteni a magnó helyére.Van ott valami motor sense,vagy mi,szóval kicsit variálni kell,de menni fog az,adatsűrűség meg nem akkora,hogy az mp3 tönkretenné.IMHO. Ha mégis,akkor audiocd,olcsó hordozhato cdplaya 
Sajna igy is fut vagy 8 projectem,amiből0 van készen,de hát C64ért bármit!
.Igy már jó?
.






