Fórum témák
» Több friss téma |
Fórum » Csöves erősítő készítése
Ne feledd betartani a fórum viselkedési szabályait, és a topik megmaradásának feltételeit. [link]
A téma átmenetileg fagyasztva lett, hozzászólni nem tudsz!
Nem próbáltam , de ismerem ,itt már kellene imp . illesztő fokozat + erősítéssel , mivel látható , hogy kb . 4-5mV -ból nem tud elegendő feszt. produkálni és csak viszonylag nagy impedancián tudná ...közvetlenül kevés lenne átlagos végfok meghajtására .
Én a tegnapi kapcsolást építenmém meg , ez közvetlenül kihajtja még számomra ismeretlen végfokod is ...
De ha elegendő kisebb erősítésű PHONO is akkor mást is tudnék javasolni , pl. SP8 ... Tudnunk kellene mihez használnád .....
Akkor felejtsd el SRPP-t .
Tudom nem lesz kedvző amit írok , de ne tedd bele az MM fejet ebbe a lemezjátszóba . Csak a további értékét fogod rontani vele , nem leszel elgedett az eredménnyel ... Ügyes vagy , újjítsd fel eredeti állapotába ... tobd piacra ... Találunk Neked olcsón használható futóművet , 3-5000Ft- ig , abba érdemes pénzt invesztálni. Bocs , megint visszatértem az anyagiakhoz , de így olcsóbb lenne .....
Ezt a gépet NEM fogom eladni, mert ezt egy olyan jó barátomtól kaptam, aki már rengeteget segített nekem, semii pénzért nem adom el senkinek!!!
Az MM fej bele lesz rakva, el vagyon döntve egyenlőre IC-s korrektorral! Ha lesz egy kevés kis zöldhasúm, akkor jöhet a csöves Köszönöm CHZ az eddigi segítségedet
Lehet hogy tudok neked szerezni lapos karos NAD (Tesla) lemezjátszót
Abba szerintem jó lesz a Tesla MM pickup. De elvileg van is benne. A jövö héten fogják előkotorni, mert lomtalanítás lesz a környéken Meg is tankolom a Rometet és végigjárom az utcákat A HFM-1 az jó kis RIAA előfok, nekem is az van most
Ez mind szép és jó, csak a postára sincs pénzem
Akkor magánban adok 1 jó IC-és rajzot ha érdekel , nyák is van hozzá , de tudom neked nem kell .
Tudom
Véletlenül ment CHZ-nek válaszra.
off.
Na ma megjavítottam a diódarálót, most már alkalmas csöves erősítőhöz drótot gombolyítani. Kicsit gyakorolnom kell, hogy szépen egymás mellé kerüljenek a menetek vékony huzalnál is, de a célnak megfelel (különben is, nincs jobb mint ha egy picit vadtekercselt a primer ).Így néz ki, remélem látszanak, az űrtechnológiás alktrészek. Ezekután egy házi atomerőmű készítése.... on.
Zsír lett! Jó ötlet ez a diódaráló
Én is megmutatom a tekercselőmet Még fateromák készítették anno, generátor forgórészeket tekercseltek vele! Vágtam a tengelyre menetet, meg szereltem rá számlálót, d enem a legjobb,meg túl magas, és csak állva lehet tekercselni, én meg kényelmes vagyok Majd akarok egy másikat építeni, motor/kézi hajtással, áttétellel, mindenféle kényelmi eszközzel, de a huzal vezetését sztem kézzel oldom meg, mert jobbat nem tudok ![]() Teljesen menet menet mellé én sem tudok ezzel vékony drótot tekerni, de szedtem már szét több (főleg hálózati )különféle gyári trafót, és ott sem votl mindig pontosna egymás mellett ... Idézet: „köbzoli írta: Király. A kerék előtt az a csavarral rögzitett izé az előfeszítő? Az 1 es képen bal elől.És a számláló??? ” Az nem az, az csak megakadályozza, hogy a nyomtató henger után annyira lelazuljon a huzal, hogy leugorjon az első vezetőgörgőről. A huzalfeszítő jobboldalt hátul van a bakelit lap alatt (a második vezetőgörgő és a huzalvezető között). Két vastag filc között megy át a huzal, a csavar meghúzásával lehet fokozni a feszítést. Számlálás egyenlőre fejben történik, de lehet hogy rárakok majd egy kerékpárkompjútert.
Kerékpárkomputer majdnem ugyanez, még talán egyszerűbb is. Adórész ugyanúgy csak egy mágnes kerékátmérőt 1 m-re állítom és már számol is.
Közben elkészült ez a kis "ni csak ki beszél" SE 6E5P-vel. Még festeni kell a kakaósdobozt (meg a kondit, meg a többit is, meg teszek rá mégegy csövet valahová, mert nem hajtja ki a cd plafonig. plafon=1,5 W) Nálunk az egész család utálja a diót...darálva
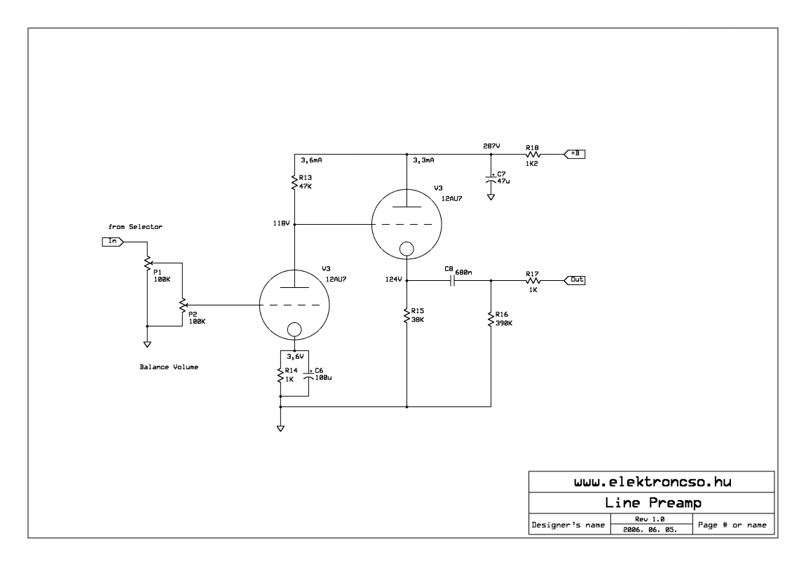
Ha már felmerült a RIAA kérdés: annak idején tanácsot kértem Tőletek, hogy (a lent csatolt) oldalanként egy ECC88-nal megvalósított korrektor-előerősítőt javasoljátok-e megépíteni vagy a www.elektroncso.hu-n szereplőt, mely oldalanként két ECC83-mal dolgozik. Akkor a katódkövető megoldást preferáltátok, ami teljesen érthető. Viszont nekem van két vadiúj E88CC-m és két ugyancsak szűz ECC82-m. Ha a két ECC88-cal, földelt katódokkal megépítem a phono preamp-RIAÁ-t, s utána csatolok egy katódkövetős ECC82-es puffer előerősítőt, ami ugye impedanciát (is) illeszt, akkor az már együtt jó lesz az EF86-EL84 SE meghajtására?
Vagy akár ezt is megcsinálhatod ......
sziasztok!
Szeretnék érdeklődni, hogy a múltkoriban csatolt képemhez valaki tudna segítséget nyújtani kimenő trafó ügyben. oylan pl, hogy milyen huzalból lenne ideális, kb. hány menet, és meggora vasmag kellene hozzá? (a kép a pl500-as csövekből ált)
Örülök, hogy megkaptad a csöveket. Akkor ezekkel együtt már hány darab van?
Az nem semi!!! Mikor jársz lekgözelebb Pesten?
Lassan meglesz a félszáz. Azért most tettünk rá egy lapáttal.
Az nem semmi!!! Mikor jársz legközelebb Pesten?
Helló. Ehhez is biztos találunk trafóleírást, de amit én tettem fel, ahhoz van trafóleírás a 1996-os évkönyvben. (Bár, az pentódás, és nem ultralineár) Ha nincs meg, kiollózom ide.
Ja-ja. Megkaptam a magnovál foglalatokat. Ha lesz időm megpróbálok egy kis orosz triódával (amit adtál) meghajtani egy pl508-at SE-ben. Az el84-es kimenőt teszem rá mert a diagram alapján 250v-nál 50mA-nál 5k a belső ellenállása
Bizony!
És köszi mindenkinek aki küldött IMI: Ricsiről mit tudsz?
A holnap nem jó de nem annyira sürgős mert CHZ is küldött foglalatokat. Csak érdeklődtem.
|
Bejelentkezés
Hirdetés |



Abba szerintem jó lesz a Tesla MM pickup. De elvileg van is benne. A jövö héten fogják előkotorni, mert lomtalanítás lesz a környéken
Meg is tankolom a Rometet és végigjárom az utcákat
A HFM-1 az jó kis RIAA előfok, nekem is az van most
).


Én is megmutatom a tekercselőmet 





