Fórum témák

» Több friss téma
Fórum » Csöves erősítő készítése
 
Témaindító: seedz, idő: Márc 31, 2006
Témakörök:
Ne feledd betartani a fórum viselkedési szabályait, és a topik megmaradásának feltételeit. [link]
A téma átmenetileg fagyasztva lett, hozzászólni nem tudsz!
Lapozás: OK   100 / 2208
(#) Müszi válasza CHZ hozzászólására (») Márc 29, 2008
Akkor ezt a tápkapcsolást egy az egyben használhatom az SRPP-hez is?
(#) CHZ válasza Müszi hozzászólására (») Márc 29, 2008
Igen , de a feszkókat vedd figyelembe ...
(#) Müszi válasza CHZ hozzászólására (») Márc 29, 2008
Köszi a sok segítséget
(#) CHZ válasza Müszi hozzászólására (») Márc 29, 2008
Szívesn , kíváncsi leszek az eredményre , mennyire nyeri el a tetszésed !
(#) CHZ válasza Müszi hozzászólására (») Márc 29, 2008
Hiogyan tudod belerakni az MM fejet , mert az szerintem lényegesen nehezebb , nagy lesz a tűnyomás és egyébb gondok is adódhatnak
(#) burgdavid válasza CHZ hozzászólására (») Márc 30, 2008
Érdemes szétnézni a vaterán, 10k körüli árban egész jó állapotú AKAI, Pioneer, NAD stb lemezjátszókat kapni! Ha más pickupot teszel bele, és rossz a tűnyomás akkor fel fogja szántani a lemezt. Ajánlom figyelmedbe Degrell László lemezjátszós könyvét
(#) CHZ válasza burgdavid hozzászólására (») Márc 30, 2008
Én is inkább ezt az utat javasolnám Müszi-nek , láttam PU nélkül 3000Ft -ért AKAI-t .

http://www.vatera.hu/muszaki_cikk_elektronika_hifi_lemezjatszo_c2550.html
(#) Müszi válasza CHZ hozzászólására (») Márc 30, 2008
Azt hiszitek hohy nekem rengeteg manim van???
Tudom hogy lehetne venni másikat, miért nem értitek meg hogy semmire nincs pénzem.
Nemúgy van ám hogy csak költekezek a nagyvilágba...
(#) Müszi válasza (Felhasználó 13571) hozzászólására (») Márc 30, 2008
Lemértem súlyra a jelenlegi és a bekerülő MM hangszedő súly között nincs külömbség...
(#) CHZ válasza Müszi hozzászólására (») Márc 30, 2008
Gondoltam , hogy Te sem vagy tele ... , nem is akartalak megbántani , de ha kitartó vagy és keresgélsz talán az átalakítás árán vehetnél 1 jobban alakítható , használható lemezjátszót, pláne ha a meglévőt is értékesítenéd eredeti formájában .
Sokszor jobb megoldás ha nem variálunk és elsőre a járhatóbb utat választjuk , hosszú távon szerintem kifizetődőbb .
Bocs ... nem akarlak sem lebeszéni sem kioktatni és elnézést , ha így jött volna le .
(#) CHZ válasza Müszi hozzászólására (») Márc 30, 2008
Ez biztos ?
Én nem úgy emlékszem ..., az UNITRA teljesen műanyag ,TESLA VM2202 robusztusabb , nehezebb példány .
Persze nem tudom , hogy jól memorizáltam , már régen volt ilyen PU a kezemben ....
(#) Müszi hozzászólása Márc 30, 2008
Van egy kis gond. össz-vissz 3db ECC83-asom van.
Ezeket a rajzokat gondoltam megépíteni, az elektroncső oldalról.
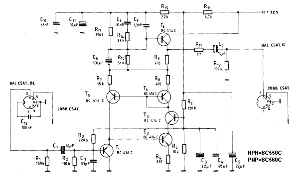
- Úgy gondoltam, hogy az SRPP-be megy 2 ECC83-as
- A RIAA-ba pedig triódaként bekötött EF80-ak lennének.
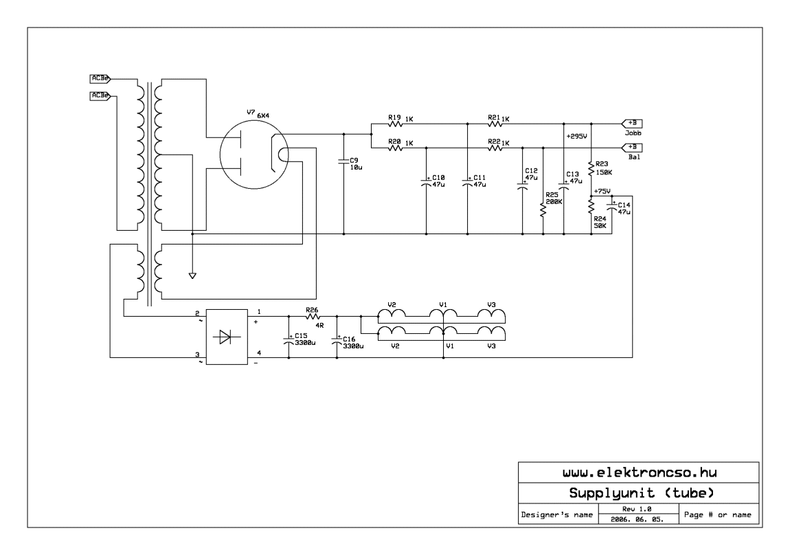
- A táppba pedig EZ80 kerülne.

Jó lenne ez így?
(#) CHZ válasza (Felhasználó 13571) hozzászólására (») Márc 30, 2008
Sajnos nem tudjuk , melyik UNITA tipusról beszélünk ..
Ha a WG400-ról akkor ott semmi lehetőség sincs a tűnyomás korrigálására , esetleg 1 rugó....
Nekem azért a WG400 -ra aszociáltam , mert ez volt keramikus fejjjel szerelve , voltak UNTRA LP-ék pl. sensoros ami gyárilag MM PU-t kaptak és nagyon jók voltak ...
(#) Müszi válasza CHZ hozzászólására (») Márc 30, 2008
Nekem WG-900-am van, és király lemezjátékos
(#) CHZ válasza Müszi hozzászólására (») Márc 30, 2008
Bocs , de ezt teljesen nem értem ....
Itt semmi SRPP nincs , teljesen más kapcsolás mint tegnap ..
(#) CHZ válasza Müszi hozzászólására (») Márc 30, 2008
Szerintem ua. csak kicsit modernizáltak rajta ..
De ha van kép róla , jobban megítélhetnénk , mi is az ..
(#) Müszi válasza CHZ hozzászólására (») Márc 30, 2008
Akkor az SRPP-be menjen a 4 EF80-as?
(#) CHZ válasza Müszi hozzászólására (») Márc 30, 2008
WG400 végfokkal egybeépített ( TBA810) lejátszó volt , kipattintható keramikus fejjel , rövid S kar , tűnyomás rugóval allítható , műanyag tányérral ...
Szerintem a Tiéd is hasonló ......, de lehet , hogy tévedek .
Most vettem észre , hogy más kapcsolásban gondolkodsz , amit mutattál 1 passzív RIAA , tegnap nem erről baszéltünk , az SRPP fontosságát sem értem , miért akasz + SRPP-t 1 katódkövető kimenetű korrektor mögé (ez a tegnapi kapcsolásra vonatkozna )
(#) CHZ válasza Müszi hozzászólására (») Márc 30, 2008
Nem látom az SRPP rajzát !!!
Hol van , amit mutattál az nem SRPP....
(#) mp3maker válasza CHZ hozzászólására (») Márc 30, 2008
Igen az Unitra gyártott MM PU-val lemezjátszot G-1100 fs(Daniel). A gyári PU igen gyenge, de könnyü cserélni

DSC00159.JPG
    
(#) CHZ válasza mp3maker hozzászólására (») Márc 30, 2008
Na erre gondoltam , ez használható lenne , tuningolva ,...
Sajnos most nem erről beszélünk , kösz a képet .
(#) CHZ válasza (Felhasználó 13571) hozzászólására (») Márc 30, 2008
Tegnap késő este kitárgyaltuk , az a korrektor SRPP nélkül teljesen kihajtaná a végfokot , simán lehetne kb . 1V érzékenységű végfok elé is kötni , víszonylag kis kimenő impedanciáról jól kihajtana sok csöves végfokot , én nem bonyolítanám további fokozatokkal ...
Csak rontana a hangon ... jel/zaj stb.....
(#) mp3maker válasza CHZ hozzászólására (») Márc 30, 2008
Értem, csak elö kellett halásszam

WG-900.jpg
    
(#) Müszi válasza CHZ hozzászólására (») Márc 30, 2008
Csatoltam az SRPP rajzát.
Képet nemtudok a gépről mellékelni, mert a drágalátos HP fényképezőm megint leszívta az akkukat...

Idézet:
„WG400 végfokkal egybeépített ( TBA810) lejátszó volt , kipattintható keramikus fejjel , rövid S kar , tűnyomás rugóval allítható , műanyag tányérral ...
Szerintem a Tiéd is hasonló ......, de lehet , hogy tévedek .”


Nemtévedsz, teljesen egyezik, csak egy kül. van, hogy ilyen tekerős gombbal állítható a tűnyomóerő.

Mivel nincs elég csövem, ezért megépítem egyszer RIAA-nak a HFM1-et (csatolva), addigis jó lesz nekem az IC-s korrektor.

Az SRPP-t természetesen megépítem, bemenetválasztóval 2 ECC83-mal, rendes táppal, szép dobozolással.

Üdv néktek: Müszi
(#) CHZ válasza mp3maker hozzászólására (») Márc 30, 2008
Te nagyon sokat segítesz nekünk ..
Köszönjük , erre gondoltam .
Így már biztosabban tudom , hogy nem szabad MM fejet beletenni , semmi értelme .
Ha azt is figyelembe veszi Müszi , hogy tű nélkül kap 1PU-t amibe a tű 2-3000Ft , akkor pláne nem szabad költeni rá ...
Csak az zavar , hogy nagyon offolunk !
(#) Müszi válasza CHZ hozzászólására (») Márc 30, 2008
Jövő héten kapom a tűt a barátomtól
(#) Müszi válasza mp3maker hozzászólására (») Márc 30, 2008
Oda tudnád adni az egész cikket róla?
(#) Müszi válasza CHZ hozzászólására (») Márc 30, 2008
Elbizonytalanodtam, hogy melyiket érdemes összeütni...
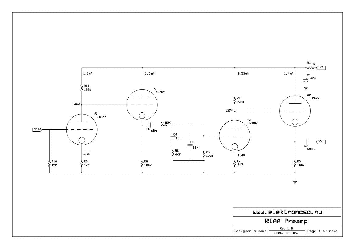
SRPP vagy RIAA.
Szerk.: Eldöntöttem: RIAA-t fogok, csak az a kérdés hogy melyiket ajánljátok? Az elektroncső félét vagy amit CHZ adott?
(#) CHZ válasza Müszi hozzászólására (») Márc 30, 2008
Na már látok SRPP-t is , eddig nem láttam .
HFM1 az is nagyon jó , próbáltam , de a tegnapi rajz jobb , csövekkel .
Én nem eröltetném az SRPP -t nem kell 1 jó végfok elé , ha a többi bemenet CD , PHONÓ , STB ...kis impedanciáról vezérli ki a végfokod , + erősítésnek nincs sok értelme .
Inkább a PHONO-hoz használnám azokat a csöveket , többet hozna a hangban ...
(#) mp3maker válasza CHZ hozzászólására (») Márc 30, 2008
Idézet:
„Te nagyon sokat segítesz nekünk”
Erröl szol ez a forum(szerintem).Igazad van elég sok OFF volt.
ON Ezt a kapcsolást épitete már meg valaki?

RIAA.jpg
    
Következő: »»   100 / 2208
Bejelentkezés

Belépés

Hirdetés
XDT.hu
Az oldalon sütiket használunk a helyes működéshez. Bővebb információt az adatvédelmi szabályzatban olvashatsz. Megértettem