Fórum témák
» Több friss téma |
Fórum » Csöves erősítő készítése
Ne feledd betartani a fórum viselkedési szabályait, és a topik megmaradásának feltételeit. [link]
A téma átmenetileg fagyasztva lett, hozzászólni nem tudsz!
Kimenő trafó mennyire egyforma? Mi történik, ha megcseréled?
Tök egyforma EI78-ak, már amennyire egyforma lehet két kimenőtrafó.
Végcsövet, meghajtócsövet cseréltem, marad a hiba ugyanannál a trafónál. Terhelés tisztán ohmos mindkét csatornán.
Én is úgy gondolom, hogy a trafóval lesz valami, de mi?
Én a légrésre gyanakszom, hogy nem megfelelő.
Az lehet, hogy a légréssel gond van, a fel-, és lefutáson az a kis hiba telítődésre utalna. Jó lenne egy 100 Hz alatti négyszög is, hogy van-e rajta tetőesés. Egy picinek kellene lennie
Nem tudom mit mondjak, ezek jó értékek (ECC-nél lehetne több az anódfesz), jónak kellene lenni hangra(segédrács 100 ohmmal az anódra (6/8 láb), nem a tápra van kötve? Mondjuk a GU 17-nél 330 ohm körül kellene lenni csak a katódellenállásnak, de ez nem sokat változtat a leányzó fekvésén.
A 1,5 Mohm soros ellenállás nem lesz jó szerintem, ugranak a magas hangok. Ekkora ellenállásnál, sorosan a jelútba, már figyelembe kell venni a csőkapacitásokat és az ellenállás parazita induktivitását is.
Szia Máté!
Szerintem is a trafót kellene megcserélni először, hogy kibukjon, mi lehet a bibi. Nem hinném, hogy légrés gond lenne, én inkább valami kondira gyanakodnék abban a csatornában, de a trafócserével rögtön kiderül, lehet hogy mégis trafó gond van (nagyon nagynak tűnik az eltérés, ennyire nem nagyon lehet elszúrni a trafót).
szia
köszi, akkor csere.Közben annyit tettem, hogy leellenőriztem az áttételeket, és az ohmos ellenállásokat, azok megegyeznek.
Hmm tényleg, bezzeg Tina ilyenekkel nem törődött.
Tudsz javasolni valami jó megoldást a jelszint csökkentésre?
Rakj nagyobb anódellenállást a triódának.
Kondikat szedd ki a katódokból. Igen érzékeny a PCL, a 85-ösről már nem mondanám el ugyanezt. PP-t megcsináltad már?
PP-t? Áhh dehogy...
Izé, triódánál az anódellenállást növelve az erősítés is növekszik, miért jó ez nekem? Kondik ki vannak véve.
Akkor a katódellenállást is növeld.
Valahogy annak kéne csökkenteni az erősítését. Ez az osztós dolog nem épp szakszerű. Vagy tegyél passzív hangerőszabályzót. Nem fog recsegni, és a jel fele lehet maximum a kimenetén.
Talán nagyobb katódellenállás, kisebb anódellenállás a triódánál. Anódellenállás megosztása, jelet az osztásról vinni tovább (az mégsem Mohmos tétel). Visszacsatolás a pentóda anódjáról a trióda anódjára is a szokásos "szekunderről trióda katódjára" mellé (négyszöggel megszkópolva persze, hogy a jelalakot kézben tartsuk).
Na megcseréltem, maradt a torz jel ugyanannál a trafónál.
Pentóda rácslevezetője nyugodtan módosulhat (rács mehet a test felé gond nélkül), azt is meg lehet osztani.
Nézegetve a szimulációt, ha megosztom az anódellenállást egy 30-40K és egy 130k körüli tagra, akkor onnan elvitt jellel az erősítés szépen beállítható a kívánt 20dB körüli szintre, megtartva így a kiszámolt munkapontot, stb.
Visszacsatolást most nem erőltetném, nincsenek meg hozzá a műszerem per pill. Nem adják olcsón a szkópot...
Akkor egyértelműen trafó gond van mégis. Ha tudsz induktivitást mérni, mérd meg azt is (az érték nem lényeges, csak az eltérés, mert a jobbik trafó hibátlan átvitelű). Az áttételt terhelten mérted (úgy kell)?
Nem terhelten mértem.Mekkora terheléssel mérjek?Az anódáramnak megfelelő áram follyon a primeren?
Induktivitást közvetlenül nem tudok mérni.
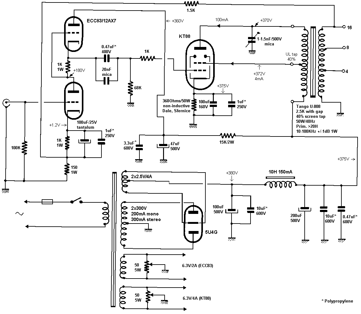
A visszacsatolás hogyan van megoldva, betehetnéd a kapcsolást.
A szekunder terhelésére gondoltam csak 8 ohmos műterheléssel.
Úgy néz ki, hogy a trafóval van a bibi. Induktivitás mérés helyett kértem a 100 Hz -nél kisebb négyszögjeles jelalakot, abból kiderül az induktivitás gond, pláne összehasonlítva a jó oldallal. Ha nincs, vagy kisebb a tetőesés a másik oldalhoz képest, akkor jóval nagyobb az induktivitása, és meglehet a vas telítésbe megy.
A visszacsatolás most egy 15k-s ellenállás (próbaképp), 4 ohmos szekunderről.
Lehetne kapni oszcilogrammot a a végcsövek meghajtásáról?
Szia
Csatoltan a 100Hz-es oszcillogramm,én nem látok különbséget.A másik kép a KT88-ak G1-ét mutatja, 40Vpp a jel. Mindig az alsó görbe a problémás oldalé.
Én sem látok jelentős különbséget, de az biztosnak látszik, hogy a trafó a hibás. A magas átvitele is gyengébb annak a trafónak amelyikben a torzítás van. Úgy tűnik, lehet újra tekerni, de előbb próbáld meg újra lemezelni, hátha.
Azon gondolkodom...mi látszódhat a szkópon, ha a tekercsrészek összekötésénél valahol kontakthiba lenne...érdekes ez a törés, nem láttam még SE trafó légrésével kapcsolatban ilyet, mért pont ott telítődne a vas, utána meg megszűnik?....érdekes, a telítődés alacsony frekiken szokott gondot okozni. A rossz trafónak lényegesen rosszabb a magasátvitele is (a törést nem nézve is).
Gondolod,hogy kontakthiba ilyen periodikus torzulást okozna.Egyébként 12kHz felett tényleg lényegesen gyorsabban esik az amplítúdó,mint a másik trafónál, ez jól látszik szinuszos jellel is.Légrést akkor kizárhatjuk?
Nem, csak hangosan meditáltam. Most, hogy látom a kapcsolást az UL bekötés körül lehet valami szerintem.
Rossz trafónál próbáld megcserélni az UL kivezetést az anóddal.
Ahogy mondod, a mélyátvitelben nem látok problémát, de a magasban igen, meg a torzítás. Ez pedig vagy magas szórt induktivitásra, vagy nagy önkapacitásra utal. Mivel a két trafó "egyforma" az önkapacitásban nagy eltérés nem lehet- Az hogy a hiba nem egyformán helyezkedik ek a fel-, és a lefutó élen, az viszont mágnesköri hibára utal.
|
Bejelentkezés
Hirdetés |


Kondikat szedd ki a katódokból. Igen érzékeny a PCL, a 85-ösről már nem mondanám el ugyanezt. PP-t megcsináltad már?



