Fórum témák
» Több friss téma |
Fórum » Csöves erősítő készítése
Ne feledd betartani a fórum viselkedési szabályait, és a topik megmaradásának feltételeit. [link]
A téma átmenetileg fagyasztva lett, hozzászólni nem tudsz!
Egy nálam hozzáértőbb ember tudna segiteni? http://www.mellowacoustics.com/articles/Tim_Mellow_25w_OTL_Tube_amp...er.pdf - itt a korábban felvetett Tim Mellow féle OTL. Az N1, N2 neonlámpákat kicserélném másra, semmi kedvem lámpákat rakni az erősitőbe... Arra gondoltam hogy N2-t kiválthatnám, ha a kimeneten levő R15-el párhuzamosan bekötök valami schottky diódát, sorban egy ellenállással, az majd nyit, amikor a kimenetek közti fesz 90V fölé megy. N1-et még nemtudom, hogy lehetne kiváltani. Na meg ott az a N3... azt se akarom belerakni. A fűtés közepelés minek kap -430-ot a pentódákon és az egyik 6sz33sz-en? Továbbá: Ehhez mindenképpen kell az a 625W-os trafó...?
Idézet: „ha a kimeneten levő R15-el párhuzamosan bekötök valami schottky diódát, sorban egy ellenállással, az majd nyit, amikor a kimenetek közti fesz 90V fölé megy” Ezt még én is tudom, hogy nem jó. Szimmetrikus határolásra van szükség, azt két szembekapcsolt zener diódával tudod elérni, vagy bipoláris szupresszor diódával, hasonló feszültséggel bíró darabokat beépítve. Az aztán oda teszi magát kellően. Egyéb stabilizátor helyre meg zener... A hozzászólás módosítva: Jan 19, 2013
értem. A másik két N-es dolgot valamivel kiválthatnám?
Én csak 2-őt láttam összesen...De megnézem, a tápban van? Ott nem leskelődtem most.
Ó, az egy közönséges glimm lámpa, hogy be van kapcsolva a motyó, szerintem. Amennyiben túlfesz szűrő lenne, oda is vannak megfelelő szupresszor diódák. N1-ről valami 65V-ról szól a mese, oda ez is jó lehet: 68 V 1.3 W BZX85C68 zener. Vagy 30.-Ftért adják. Hanem: Az N2-re azt írja, kisülőcső. Vagyis, ha egyszer begyújt, az ívnek, túláramnak csak bizti vethet véget. GAS DISCHARGE TUBE 90V 10kA 2035-09-BLF (BOU) RoHS 2-POL. A hozzászólás módosítva: Jan 19, 2013
The neon bulb N1 serves to limit the
heater-cathode voltage on both halves of V1 to about 65V maximum during warmup - ezt találtam róla.... Ez tulajdonképp minek kell?
Azt jelenti, 65V-ra korlátozza (stabilizálja) a katódfeszültséget.
Értem. A másik ami nem tiszta, hogy az anódfesz ágba rak egy 3,15A-es biztositékot, az alapján 472,5 W mehet ott át. Akkor minek méretez oda 625W os trafót? Másik: a -430V os ágon mennyi áram megy?
Az ijesztő vasmagkeresztmetszet onnan adódik, hogy az átfolyó viszonylag nagy áramok, és a sok menetszám miatt nagy légrést kell alkalmazni. A nagy légrés következménye, hogy a nagy induktivitáshoz vagy nagyobb menetszám, vagy kevesebb menetszám, nagyobb vasmagkeresztmetszet. Ez a rókafogta csuka esete, egy trafó, és így egy fojtó méretezésénél is optimumot kell keresni. A fojtónál sem szabad a vasnak telítésbe menni, mert mivel lecsökken a u rel, az induktivitás is lecsökken. Akkor meg minek a sok menet.
A vasnál a gerjesztés a menetszám, és az áram szorzatával arányos, és a vas urel értéke pedig a vas mágnesezési görbéjének "S" formája miatt elég széles tartományban változik, és fontos, hogy az S betű középső szárán maradjon a munkapont. Az a u er (mű eredő) a teljes erővonalhosszra számított eredő, ami a légrésben és a vasban menő erővonal hosszakból számítható. A légrésben a u = u0, mi a levegőé (1), és a vasban több ezer. A kettő viszonya óriási, ezért mondjuk, hogy a mágneses térerősség zöme a légrésre esik. Gyakorlatilag ezzel a módszerrel van "linearizálva" a vas mágnesezési görbéje. Ennek viszont az ára, a menetszám, ill. vasmagkeresztmetszet növelése. A hozzászólás módosítva: Jan 19, 2013
Olyan volt nekik...
Egy nagy trafónak az üresjárati és terhelt feszültsége kisebb ingadozással bír. A 430V-on pár mA mehet kb.
értem.
akkor elég oda egy 500W-os is, gondolom. A glimm lámpát hogyan tudnám helyettesiteni? Ugy, ahogy a kimeneti feszt megvágatom zénerrel, itt is ugyanazt a technikát alkalmazva vágassam, csak 65V-ra?
Kedves Tanár úr! Ismét köszönet, a méretező ezek szerint jó, csak rám ijesztett a dolog.
Értelmi határaim folytán kénytelen vagyok kapcsolási ajánlások, megvalósított projektek mentén kivitelezni. Azonban az feltűnt, hogy ilyen iszonyat méretű vasak nincsenek csöves erősítőkben, mint amit a programmal első kézből kaptam, utána meg a nagy légrés bizonytalanított el, amivel elfogadható méretű lett a csuka... ![]()
A glimm egy "világítós" két sarkú kapcsolóban már benne van, használj olyat.
Az N1 más tészta, oda, szerintem jobb egy zénerdióda, amit ajánlottam. 65 helyett 68, nem hiszem, hogy nagyon eltolná a munkapontokat. Trafóban meg persze, 500VA is megteszi, biztos vagyok benne.
N2-re is mehet végülis zener? Meg, a zenerek bekötését úgy gondoltad, hogy kettő, egymással szembe, és párhuzamositva? és úgy helyettesitenék N1, N2-t?
Az N2-nél nem határolás a cél, hanem egy meghibásodás folytán kikerülő egyenáram rövidrezárása a hangdobozok védelmében - meg az áramütés veszély se kutya.
Tehát ide nem zéner/szupresszor kell, hanem tényleg egy kisülőcső. Ezt lehet itthon kapni, én is a Lomexnél néztem meg az imént, nem drágáért van. Az N1 egy db zéner, polaritás helyesen bekötve. A kisülőcső, mint jeleztem, begyújt, villamos ívvel vezeti le/el a feszültséget és, ha 90V-nál begyújt, az nem jelenti azt, hogy amikor 89V-ra már leesett a feszültség, akkor szemet huny, hanem szinte a nulláig vezet. De ez alatt akkora áramok tudnak folyni, hogy közben úgyis leolvad az utcai villanyoszlop is, ezért kell a jófajta bizti a tápokba, pl. homok töltésű, gyors. A hozzászólás módosítva: Jan 19, 2013
Sziasztok!
Szeretném ha megnéznétek,hogy jól írtam-e a csövek lábainak a számait? Előre is köszönöm!
Szerintem teljesen jól.PL504 -nél meg még válogathatsz is.
Hello!szeretnék építeni egy csöves erősítőt
Csak a hang meghallgatására szeretnék egy kis teljesítménnyűt egy kicsit szűkös a keret de meghallgatok minden ötletet.
Talán egy OTL fejhallgatő erősitővel kellőképp jól jársz. A csövek árát igyis-úgyis ki kell fizetni, egyéb alkatrészekből nem muszáj a legjobbakat venni, és nincs kimenő trafó költséged. http://www.illuwatar.se/project_pages/tube_headphone/images/amp_sch...ic.gif - ezt a kapcsolást már linkeltem régebben is, elektroncso.hu-n 1500.-ért már vannak 6sn7-ek, sztereohoz kell 4. A táptrafó ~3-5 000 között mozoghat. Szerintem ennél olcsóbban, új alkatrészekből nemsokminden jön ki. Ha jól emlékszem 50mA-t vesz fel sztereoban az egész, nekem egy budapesti trafó tekerő, tavaly 18W-os trafót 3500-ért tekert, arra felfér ez is. + csatlakozók, apró alkatrészek. 32 ohmn vagy nagyobb impedanciájú fejhallgató meghajtására alkalmas.
Amúgy a tyraw kolléga által mutatott számítási értékek tényleg durvák egy ekkora folytóhoz, csak a gyakorlati értékek alapján is. Szerintem azt a 0,4 mm huzalátmérőt 0,25 körülire csökkentve emberibb trafó és légrésméretek adódnak...
Én voltam a link-elő...
![]() A progi adta a huzalkeresztmetszetet, átmérőt is, de nézem egy táblázatomat, a 0.315-0.35 is bőven megfelelne áramszempontból. Az egyik 6C33 SE kapcsolásban van egy fojtó, ami 4H 400mA, ezt próbálgattam, miből is tudnám megcsinálni. Vagy 1 db SM102B-t áldozok be, vagy kerítek megfelelő (de az mekkora legyen?) SU magot.
Sziasztok!
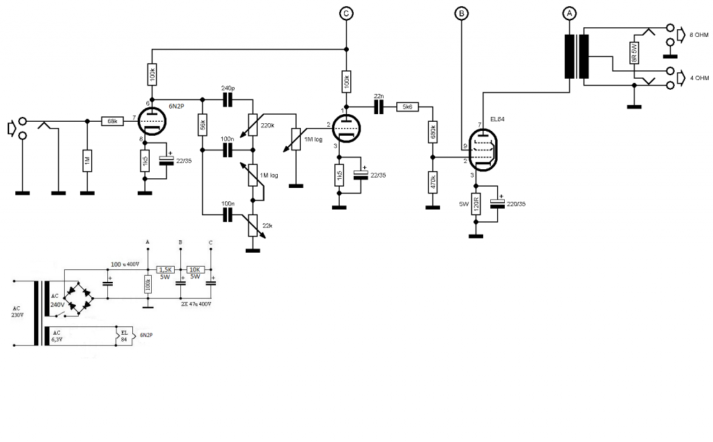
Megépítettem a mellékelt kapcsolást ami működik is viszont az a problémám ,hogy a hangerő emelésével folyamatosan erősödik valami élesebb búgó hang ami nagyon zavaró.Minimum állásban nem hallatszik semmi egy kevés brummon kívül. Én úgy hallom hogy nem az a brumi erősödik hanem valami más lehet... Mitől lehet ez?A hangszínszabályozó potméterek tekerésével is erősödik vagy halkul ez a hang kivéve a basszust mert az nem nagyon csinál semmit.Másik kérdés. Mekkora feszültségeket kellene mérnem az A,B,C pontokon? És a hangszínszabályozónál milyen típusú kondikat kellene használni? A hozzászólás módosítva: Jan 19, 2013
Szia.A fűtést ki kéne közepelni egy-egy 100ohm -os ellenállással,a 6n2p 9-es lába mehet testre.A kondik mkt,vagy mkp ,kivétel a 240pF,mert abból csak kerámiát kapsz.A potméterek házát galvanikusan le kéne választani,és én sokallom azt a 120ohm-ot az EL84 katódjában.Általában 150-180ohm szokott lenni.Az A-t én olyan 300V körülire saccolom.
A 9-es láb az testen van.A kiközepelést és a galvanikus leválasztást azt hogyan kell csinálni?A 240 pF kondinak régi tv-ből bontott fóliát tettem.
A fűtés vezetékeire teszel egy-egy 100ohm -os ellenállást és gnd -re kötöd.Összekötöd egy dróttal a potméterek házát és ezt az egyik potméteren lévő gnd -be vezeted egy 470K-1M -es ellenálláson keresztül.
Köszönöm!
Van még itt valami. Az EL84 cső bekapcsoláskor egy pillanatra fölizzik ez normális?
Sziasztok!
Segítséget kérek egy kimenő megtervezéséhez. A "monstrum" 14000/4-8ohm kéne illesszen olyan 0,6W kimenő teljesítmény mellett. Elméletileg 9,7mA anódárammal. Ha tudtok valakit aki segítene kiszámolni, vagy egy linket ahol ezekből az adatokból kiindulva megkapnám a primer/szekunder menetszámokat, azt nagyon megköszönném. Amúgy a 6J1P-t használnám SE módban. Segítségeteket előre is köszönöm.
Próbáld meg a kimenő tr. méretezése témában.
A hozzászólás módosítva: Jan 19, 2013
|
Bejelentkezés
Hirdetés |


Egy nagy trafónak az üresjárati és terhelt feszültsége kisebb ingadozással bír. A 430V-on pár mA mehet kb. 






