Fórum témák
» Több friss téma |
Fórum » Csöves erősítő készítése
Ne feledd betartani a fórum viselkedési szabályait, és a topik megmaradásának feltételeit. [link]
A téma átmenetileg fagyasztva lett, hozzászólni nem tudsz!
Az nem baj, ha sokkal nagyobb telejsítményű! El nem rontja, legfeljebb nem hajtja meg rendesen, a nagy telejsítményű rossz hatásfokú hangszórókkal halkabb elsz, mint kisebb telejsítményű, jobb hatásfokóval! Az más kéréds, hogynayg hangszóróval a kisebb hangerő miatt mindig maxon kell hajtani, ezért hamarabb öregszik a cső. De az 50 W az jó lesz!
Milyen az a kétuta sub?? Ezt nem teljesen értem .. most sub, vagy kétutas ?
A müszi-féle erősítővel (tesók között is max 4W) hajtok 2db hangfalat, kilencvenakárhány decibeles Selection és egy tweeter van bennük, összteljesítménye kb 150W (a Sel csak 100... szóval óvatosan szevasz...
Nem kell nagy kraft ha van ész!
A mélyláda az sztereó!
2db 25cm-es mnc hangszóró van benne. a láda 2végében. Ezért 2utas sub.
Okés. Akkor legyen sztereó mélyláda!
Már csak be kell dobozolnom az erősítőt, meg még le kell portalanítanom! És ha készen vagyok a bedobozolással akkor jelentkezek! Még most szólok, hogy nem 1hét alatt lesz készen........ sajna a suli miatt főként hétvégén érek rá.......
Sziasztok
Egy csöves előerősítőnek keresem a rajzát, még pedig olyannak amibe 2db 6SN7 duplatrioda dolgozik, és lehet mély, magas és közepet szabályozni.
Sturbi, Müszi, többiek!
10H-s, 0.15A-s fojtóhoz tudok hozzájutni, nem tudom, nincs-e ez szűkre méretezve a 250-0-250V 75mA-es, kétutasan egyenirányított trafómhoz. Mellékelem a képet, mire gondolok...
Álmodni sem lehet jobb fojtót. Biztos, hogy jó lesz. :yes:
"Kísérleti jellegű" lesz a cucc, több csövet , és kapcsolást is ki szeetnék majd próbálni, ezért is a sok foglalat . Egyelőre ECC83, és 6p14p ( ~El84 )
Tudom ajánlani! 4db EL84-vagy 4db 6P14P-vel az amcsi /KRÉT, a picsa se tudja már hogy hogy kell leírni tán CRATE/ 50w-os kombót is épített. Egyszer egy ilyet kellett javítanom Magna Cum Laude Tibinek. Elég gáz módon ötvözték az IC-s bemeneti fokozatokat/effekt miatt/ a csöves véggel, viszont a végfok profi volt. Az is igaz, hogy nyákra szerelt, amitől borsózik a hátam.., ez is volt a baja.. nem voltak lukak a csőfoglalat körül, és így kiolvadt a helyéről, jó kontakthibás lett az összes forrszem.!
Pedig a crateben vannak jó cuccok!! Bár zenészeknél, ez a "csőmisztikum" elég jó üzleti fogás.. Pl Marschall valvestate-et "kell" venni, mert az "előfokcsöves" ..Hm ..Mit is jelent ez? Az hogy a sima műveleti erősítős diódás-vágós torzító jelét, áthajtjuk egy csöves fokozaton,most hirtelen meg nem mondom milyenen, de annyit tesz csak, hogy az agresszív recsegős félvezetős hangon "simít" egy kicsit, de ugyanúgy zizi meg vékony marad az egész .. és elkérik érte apénzt, mert CSÖVES ..de a legdurvább az , hogy egy mai full csövesért akár 300 ezret is elkérnek, a régi Laney Sound/Supergroup, meg austrovox meg hasonló fejek meg 50-60 ért sem kelnek el, csak egy két ember keresi ezeket, aki tudja mi az "igazság"
De a legviccesebb az, mikor a több 100 ezer forintos erősítő elé bekötik a 40 ezer forintos Zoom vagy legalja boss multieffekteket, az egész hangzást tönkretéve.. De visszatérve az én cuccomhoz: Először SE lesz a cucc, több csövet végigpróbálva, mert most tiszta hangot keresek, valamint az összes "alkalmazott" hangszín szabályozó kapcsolást ki akarom próbálni, hogy tudjam, mi, hogy szól, mert bár olvastam leírva, de a hangot nem lehet leírni ![]() Aztán én is 2x/4x El 84 ben gondolkodok, amolyan VOX AC 15 / 30 szerűségben, két csatornával, és feltétlenül tremoloval ) Bár az El 84 nem épp a tiszta hangjáról híres, ahhoz 6L6, 6V6, vagy El 34 illik ...
Sziasztok!
Érdeklődök, hogy a csatolt rajzot szerintetek érdemes-e megépítenem úgy, hogy még életemben nem foglalkoztam csöves technikával, sőt abba a kategóriába tartozom, hogy sinte egyáltalán nem értek hozzá. Tranzisztoros végfokokat már sokat építettem, leginkább A-osztályú cuccokat készítettem, sok IC-s szutykot is összeraktam már, szóval azt azért tudom melyik végén kell megfogni a pákát, hogy ne égessen meg. És még egy kicsit többet is. Igazából azért választottam OTL csöves cuccot, mert nem kell hozzá kimenő trafó, és az nagyban megkönnyíti az elkészítést számomra. Igazából nagyon semmit nem tudok róla, semmilyen adatot, csak ez a kapcsolási rajzom van. Gondoltam belevágok életem első csöves végfokában és ezt választottam. Ha van valkinek egyszerűbb rajza vagy bármi ötletet tud adni ennek vagy bármilyen másiknak az építését illetően akkor azt megköszönném. Ha bárki egyéb ötlettel állna elő mondjuk kimenőtrafó terfén, hogy lehet valamivel helyettesíteni, vagy honnan lehet szerezni olcsón valamit kimenőtrafónak, akkor természetesen nem zárkózom el a kimenőtrafós változatoktól sem. Tehát örülnék neki ha ajánlnátok valamit első csöves végfoknak, olyannak aki még soha nem foglalkzott csöves technikával. köszi üdv.: Zoli
Hát így elsőnek sztem ez egy elég "bonyolult" kapcsolás! Soka maerikai cső, azoknak kell találni itthonois kaopható megfelelőjét ( mondjuk ez a legkevesebb )... Ráadásul ennek az anyagköltsége is több 10 ezer forint, így első ránézésre!! Javaslom előbb egy EL 84 -es vag PCLE/ECL 86-os SE erősítő megépítését! Ehhez kell kimenőtrafó, d eha szépen visszaolvasol a topikban, több alternatívát is találsz rá!
Első csöves végfoknak én a PCL86-tal megépített SE erősítőt ajánlom.Kimenőtrafót,csövet TV-ből,rádióból bonthatsz,az egész szinte semmibe sem kerül.Ennek ellenére nagyon jól tud szólni,ajánlom keress rá a neten,vagy olvass vissza ebben a topikban,több rajz is van.Aztán ha már elég tapasztalatot gyűjtöttél vele,akkor lehet "profibb"erősítőket építeni,összetettebb kimenőkkel,drágább csövekkel.Kimenőtrafó nélküli csövest meg nem építenék,de ezzel nem lebeszélni akarlak,csak szerintem egy csöves erősítő kimenő nélkül nem is igazi csöves.
üdv.
Megelőztél 1 perccel,,de amint látom egy véleményen vagyunk.
Sziasztok! A napokban kaptan néhány BEAG EA080.as erősítőt és pár darab 6l6 és 6v6 csövet. A kérdésem a következő: érdemes az átépítés gondolatával foglalkozni ezen erősítők esetében, mivel ezek olyan rackdoboz szerű házban vannak. A hétvégére rajzot is adnak hozzájuk. Az erősítők mindegyike működőképes.
Ha megvan a rajza,tedd fel légyszi,akkor tudok segíteni,mit lehet kihozni belőlük.Hány darab van?Esetleg vevő lennék rá.Mi bajod a rack dobozzal?
üdv.
Most négy darabot kaptam, de még igértek négyet. Bajom nincs a rack obozzal de nem szép, ráadásul az elkók már gondolom el vannak öregedve, biztos ki kéne cserélni őket.Az erősítők jó nagy teljesítményűek kb 80-100 W az anódfeszis elég magas 870 V , azt modták a minősége is elég jó.
üdv
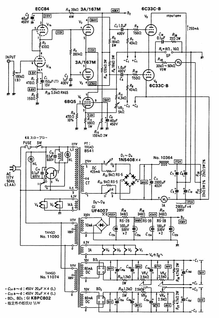
ha már 6c33c-b hát legyen nekem nemrég lett kész a vele készüt SE erősitőm. Igaz falapon nem végleges. Egy biztos ez a cső ez kinyirhatatlan egy hibásan csikozott ellenállás miatt átütött az anód. Meg sem kottyant neki. A hangjáról annyit hogy SE létére sokat tud mind minőségben mind teljesitményben. A kapcsolás az elektroncso.hu ról származik. Hátránya mert hogy van mégpedig a drága kimenő nagyon drága készen. Még figyelmetekbe ajálanám a GU-50et jelenleg rádiómatőr célokra használom 3.6MHz-28MHz megy és az esetek 90% izzik az anód. Sok rádióamatőr mondja hogy szinte ott érzi jól magát a cső. Ezt kétlem azért de tény hogy csumára kihajtva jönnek meg a kedvező tulajdonságai. Ajálom minden kezdőnek mert kinyirhatatlan. Olcsó. Könnyen beszerezhető. Hátrány sok kapcsolásban használnak magas anódfeszt ez nem kezdőknek valók illetve az olyan kezdőknek valóaki nem ért a csövekhez de biztos keze van és gondosan szerel. Nekem 900Vanódot kap és katódba hajtom 4csőből rövidhullámon 500W kihajtom (izzik az anód de sebaj birja). Szóval birja. Audio kapcsolásokban 450V anódról láttam meghajtva. Még előnye hogy viszonylag kis fűtő áram. Aki elektroncsöveket keres erősen ajálom a rádióamatőr találkozókat!!! Hihetetlen olcsón lehet nagyfesz kondikra csövekre foglalatokra szerttenni. Pesten a Puskás Tivadar suliban 2hetenete szokott lenni és nem tom milyen időközönként szokot lenni nagyobb kiárusitás. Ilyenkor jóval több cucc van.
Sziasztok!
köszönöm a válaszokat, bár elég sok dolgot nem értek belőlük tekintve, hogy nem foglalkoztam semmilyen mértékben csöves technikával. Ha régi TV-ből kiszerelem a trafóját, akkor azt honnan tudom, hogy pont úgy van megtekerve, mint mondjuk az adott kapcsolási rajzon van? A cső típusok egyenlőre nem mondanak nekem semmit, de abszolút utánna nézek majd. Nem tudom milyen kapcsolással érdemes kezdeni, azt gondoltam amit feltettem néhány hozzászólással ezelőtt könnyedén megépítem, lévén nincs túl sok alkatrész benne, de azt állítjátok elég bonyolult....hát jó. Elhiszem akkor. Szóval egy kimenőtrafó nem adott kapcsoláshoz készül normál esetben ? Az egy univerzális dolog? Mert eddig abszolút azt hittem, hogy normál és ideális esetben minden kapcsolásnak megvan a saját kimenőtrafója amit kimondottan ahhoz kell elkészíteni. Csak arra emlékszem, hogy ahol dolgoztam ott gyártottunk csöves cuccokat, és a tulaj mindig számolgatta a kimenőtrafókat, és mindegyikhez más-más készült. Érdekelne miért is "nem túl jó" az OTL csöves végfok hangja a többihez képest? Milyen hátrányai vannak ennek a fajta végfoknak a többi kimenőtrafós csöveshez képest? Jó néven venném, ha ajánlanátok valami egyszerű és könnyen kivitelezhető csöves végfokot. Teljesítményre kb 15-20W-ra gondoltam. Nem baj ha A-osztályban működik, annak csak külön örülnék. Azt is megköszönném, ha ezt a kimenőtrafós dolgot kitárgyalnátok, és azzal válaszolva a kérdésemre. Ha léteznek "univerzális" kimenőtrafók, akkor olyat hol lehet kapni? vagy azt is bugázni kell régi TV-ből MÉH telepen? Ha igen akkor a 125kivezetéséből honnan tudom melyiket kell használnom és melyiket nem?Hát eléggé sok kérdésem van, lehet némelyik elég bután hangzik, de érdekel a csöves technika és jobban meg szeretném ismerni, azért ezek a kérdések. Persze közben művelődöm is ilyen olyan irodalmakból, de gyakorlati tapasztalatom csövesből még nincs. üdv.: Zoli
Szia!
Igyekszem kielégítően válaszolni minden kérdésre, bár a gyakorlatban még én is csak most kezdtem a "csövezést" az elméletet már régebb óta "szívom" magamba A kimenő trafó a végcső kimeneti impedanciáját illeszti ( transzformálja) a hangszóró imopedanciához. A cső kimeneti impeadnciája függ magától acsőtől, és a cső beállításaitól ( többnyire anódfesz, és max anód disszipáció ) Ezért igen, minden kapcsolásnáál külön kimenő impedancia adódik! De ! El lehet térni egy kicsit ! pl h aegy csőre 3.8 kOhm kmeneti impedancia jön ki, arr amég rá lehet tenni egy 4 kOhm primerű kimenőt.Pl a TV ből kiszerelt kimenőtrafó PCL 86 hot jó, de annak a kimenő impedanciája az "általános" beállításokkal sacperkábé jó egy EL 84 SE-hez is Kimenőt lehet vásárolni is de sztem drága (nekem) de egy egyzserű SE végerősítőhöz nem olyan anyg dolgo tekerni egy kimenőt, d enémely esteben hálózati trafó is megfelel erre a célra ( Lásd visszább Sturbi erősítőjét ) OTL erősítő : Én még nem hallottam, de az "ortodox" csövesek azért nem szeretik, mert szerintük a csöves erősítő "lelke" maga a kimenőtrafó, és a csöves sound-ot nagy mértékben a kimenő trafó határozza meg! 15-20 Wattos erősítő : ha szobába kell nepi zenehallgatásra, ez már nagyon nagy hangerő ( bár ha érzéketlen hangsugárzóid vannak, akkor nem feltétlenül ) Első csövesnek én javasolnám az ezen a topikon is többek által megépített PCL 86-os SE erősítőt, vagy esetleg egy EF 86 / EL 84-es kétcsöves SE erősítő megépítsét, mert szerintem tapasztalat szerzéshez nemkell egyből ajtóstul rohanni a házba Én is egy El 84 SE-t építek most, igaz gitárerősítőt ( első csöves ), de majd ha kész egy EL 84-es SE-t is akarok , aztén jöhetnek a nagyobbak Ezek az erősítők 1-5 W telejsítményűek,é s TV/rádio kimenővel is működnek ( csak kevés mélyük van ) D eha nagyobb teljesítmény kell, akkro a fentebb említett GU 50 SE kapcoslásban 10 W ot is tud, ha jól tudom ultralineárban 14 et is! Én is szeretném ezt majd megépíteni, de előbb tapasztalat kell mindenféle képpen! 15 W teljesítményt ad két El 84 ellenenütemű kapcsolásban , és viszonlag egyzserű! Olcsó a Pl 500 / 504 cső, és lehet kukázni is , ezzel max 25 W-ot lehet elérni! De ezekhez mér midnenféleképpen kell kimenőt venni, tekerni, tekertetni!!!Ha érdekel egy jó könyv,akkro én pdf-ben el tudom Neked küldeni a J.L Hood - csöves és tranzisztoros erősítők című munkáját, abból lehet okoskodni Remélem tudtam segíteni,amit kihagytam, majd a kollegák elmondják Üdv : Kócos Szia! köszi a válaszokat, de egyenlőre így gyakorlat nélkül olyan nesze semmi fogdmeg jól érzésem van, mert nincs mibe integrálnom, nincs mihez viszonyítanom, de majd a gyakorlat..... Egyébként én is abból a könyvből próbálok okosodni. Jelenleg egy JLH 10W-ost hallgatok teljesen jó, csak szeretnék belevágni a csöves technológiába is. Úgy érzem nekem még egy néhány Watt hiányzik, így ezért írtam a 15-20W-ot. De ha csak 10 lesz akkor na bumm.. A lényeg a minőség lenne nekem, mivel nemrég úgy voltam, hogy "majdnem" vettem egy csöves végfokot, de amikor meghallgattam, és utánna a tranyós JLH-mat, nem volt kérdés, hogy nem kell nekem az a csöves..... Természetesen ez nem fikázás, mert hallottam már olyan csöveseket (építetteket is) hogy húúúh... De ez a példány ami hozzám került volna nem ez a fajta volt. Tehát csak azért hogy legyen egy csövesem, amit nem hallgatok, mert sz...ar a hangja azért nem akarok építeni, hanem azért szeretném megépíteni, mert ku...rva jó hangja van és azt szeretném hallgatni. Ezért is kértem, ha lehet A-osztályú legyen. Mert azt gondolom az már nagyobb valószínűséggel jobb hangú mint mondjuk egy B-osztályú (ez a majdnem megvásárolt egyébként egy ilyen volt). üdv.: Zoli
Akkor Neked SE kell feltétlenül
De meg fogsz lepódni, hoyg egy jó csöves 5 wattja olyan hangosnak hallik, mint egy tranyós 10 wattos, mert a csövek olyan tartományokban torzítanak, ami a fülnek "kellemesebb", mint a tranyós, így jobban kihajthatók, dinamikusban teltebben szólnak. Legalább is ezt írják .) Én hallottam, tudom, illetve számomra így van Rádiotechnika évkönyve 2004 ben vannak A osztályú 6-13 Watt teljesítményben kapcsolások Plactovics György úr tollából!! Nézd át őket, sztem , hátha találsz köztük Neked tetszőt !
Szia!
Átnyálaztam a 2004-es RT évkönyvet, és csak egy bizonyos "15W-os amatőr hangerősítőt" találtam Dr. Hetényi László tolmácsolásában, Plachtovics Györgytől gyakorlatilag nem találtam hangfrekis végfokot. Írd meg lészi írd meg melyik kapcsolásra gondoltál. Egyébként az hogy "SE" itt mit jelent? Ja és hallottam még olyat, hogy a triódás csöveseknek jobb a hangjuk mint az összes többinek....Mi erről a véleményed/véleményetek? És miért? üdv.: Zoli
[off]
Idézet: „Egyébként az hogy "SE" itt mit jelent?” Single-Ended PP Push-Pull
Szia!
Elrontottam! Most néztem meg én is, és a 2005-ös évkönyvben vabn, bocsi Az , hoyg SE azt jelenti, hoyg Single Ended, magyarul egy-ütemű! Egy ( esetleg párhuzamosan több ) csó dolgozik A ostályban! Állítólag jobb a hnja, mert nem jelentkezik az ellenütemű B osztákyúnál lévő átváltási torzítás, mikor az egyik cső "átveszi" a másiktól az erősítéstÉn is hallottam, hoyg a triódás erősítő szebben szól, és füllel is hallottam, egy gitárerősítőnél, aminek a vége egy EL34 SE volt, és azon votl trióda/pentóda kapcsoló! Trióda módban sokkal kellemesebb, melegebb hangja volt, bár ez eg ytelejsen más terület, mint a Hifi Itt semmi sem "igaz" ami a hifinél alapszabály )))AMúgy az lenne a lényeg, hoyg a trióda páros számú harmoniksut "termel", ami "kellemsebb" a fülnek, a pentóda meg páratlant ( vag yfordítva? utána kellene néznem ) magyarul a trióda "úgy" torzít, hoyg az tetszik, a pentóda meg úgy , hogy az nem ))))(bocs a gépelési hibákért, de gitár van az ölemben ) |
Bejelentkezés
Hirdetés |


2db 25cm-es mnc hangszóró van benne. a láda 2végében. Ezért 2utas sub.
Még most szólok, hogy nem 1hét alatt lesz készen........



