Fórum témák
» Több friss téma |
Fórum » Csöves erősítő készítése
Ne feledd betartani a fórum viselkedési szabályait, és a topik megmaradásának feltételeit. [link]
A téma átmenetileg fagyasztva lett, hozzászólni nem tudsz!
Nyáron szereztem két 6P45SZ-t, meg kimenőt is tekertettem hozzá, most néhány hete vettem szkópot, így be tudom lőni a készüléket! Már várom, hogy hazaérhessek!!! Azóta szerelmes vagyok ebbe a csőtípusba! :love11:
Ugyanarról beszélünk, de nálunk már akkor sem lehetett eldönteni, hogy az egy nagy "S" betű, vagy "B"!
Nézd csak meg... Idézet: „Csak nem a 6P45SZ uborkásüvegre hajtasz a bal alsó sarokból?” Úgy látom, hogy itt te még nem tudod, hogy 6P45SZ nagyhatalom vagyok, majdnem 40db-om van, és ebből 4db még munkára is van fogva egy 2x70w-os /még/ erősítőben!! Ecopityu csöves multjában le van fényképezve!
Tudok Rólad! :yes: Nyáron beléptem köreitekbe, csak idő hiányában eltűntem innen, csak olvasgattam. Láttam az erősítődet képről, nagyon jó!
Idézet: „6P45SZ nagyhatalom vagyok” Esetleg tudna őfelsége nélkülözni egy kis vákuumot szerény környezetem számára a Barátság vezetéken át?
az EM80-aid ból 2 darabtól mennyiért válnál meg?
csak mert ha van rá egy mód akkor megvenném kettő darabodat 10-e körül! :worship:
Én ismerem, de ma már beszerezhetetlen, hacsak nem maradt valami modell boltban raktáron, de akkor meg az ára elég húzós
Hogy ne ismerné... Nem volt mindig LaserJet! Sajnos nem lehet kapni, nem gyártják már. Nekem van még, de használhatatlan, annyira kiszáradt.
A mai technika a +20, (mint azt már említettem!) vagy a tojáspapírra (LaserJettel!) nyomtatott szöveg, kép, - felvasalva, és a papír leáztatva. Ha megelégszel a kézi fellirattal, akkor +20 javító tollat is lehet kapni néhány helyen.
Kösz!
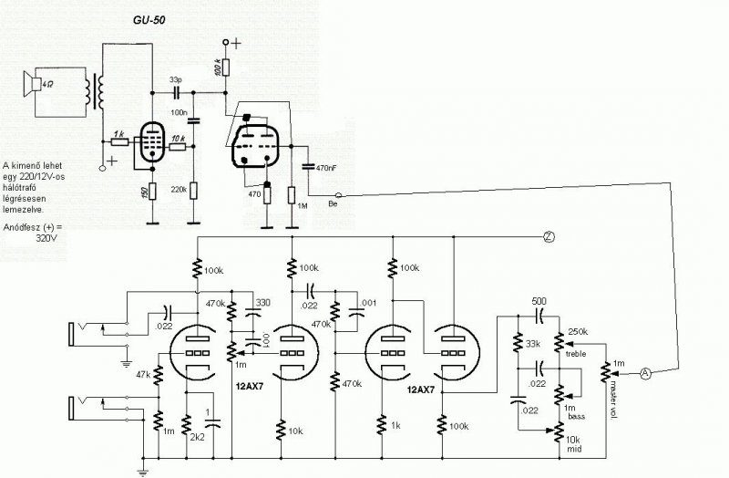
Csak az az egy problémám, hogy ha párhuzamosan kötöm az ecc85-re az ecc83-at akkor 2.5 cső kell az előfokba és az egy kicsit sok nem? Tényleg nemlehet ecc83-at használni GU50-hez?
elolvastam amit írtál vagy ötször, és most jöttem rá, hogy valójában nem értem , hogy mit akarsz mondani. Megtudnád rajzolni paint-ban?
Már hogyne lehetne érteni Müszi leírását. Egyszerűen azt javasolja Neked, hogy az ECC83-as azonos elektródáit kösd össze ( a két anódot, a két rácsot, és a két katódot), ezáltal a két csőfél párhuzamosan kapcsolódik. Ezáltal kisebb impedanciát is könnyebben meghajt.
Aha! Akkor így megcsinálom(lásd fájlmelléklet) és akkor így megy rá az ecc85-re? Akkor 2.5 csövet kell használnom vagy az ecc85-el is csináljam meg ugyan ezt? És ha az ecc83 helyett ecc85-öt akarok rakni akkor kell valamit változtatni a rajzon?
Így mondta, de ezt ne csináld így meg, ennek semmi értelme nem volna. Annyira nem vagyok képben, mit is akartál csinálni?
No, megnéztem. Az a baj, hogy a GU nagyobb meghajtójelet igényel szerintem, mint amit az előfok kiad magából. Ezért a GU-ra kéne egy előfokot rakni. Tehetsz egy ECC83-at, ahogy Müszi javasolta, Párhuzamosítva a két csőfelet.
Mindenki szemezgesse ki a neki valót
)7 lábú foglalathoz egy forrás: MiniSeptar Az EM80-at illetően a 10ezer/2db erős túlzás, vatera.hu-n 1000Ft körül megyeget darabja... UgyanittLetraSet (én ilyen néven ismerem) is akad!
Tehát akkor így kell csinálni(fájlmelléklet)? És ha az előerősítőbe ecc83 helyett ecc85-öt rakok az baj?
Ja és találtam a neten egy másik JMC előerősítőt is ez jobb lenne hozzá vagy ugyan olyan?
Az a baj a letraszettel (is), hogy amit találsz, annyira régi, hogy használhatatlan. Mint említettem, van nekem is. Akkor vettem ('90-es évek végén) amikor már nem gyártották, de még lehetett kapni. Már akkor is különös gondot kellett fordítani arra, hogy ne pattogjanak szét a betűk, de mára már annyira tönkrement, hogy csak pattogzik, nem ragad, teljesen használhatatlan. (Régen sokat dolgoztam vele, tudom, hogy milyennek kéne lennie.)
Mindezt csak azért írtam le, hogy ha vesztek ilyet (pl.) a Vaterán, erre számítsatok, és csak olyat vegyetek, amit kipróbálhattok. (pl. mintát kértek, stb...) Bocs, ha off volt...
Sikerült 90%-ban összeraknom a BorosEl84SE-t.
Még a trafóra szeretnék takarólemezt készíteni, ami csak a tekercsrészt fogja eltakarni, a lemezeket hagyom hagy feszítsenek .Na meg szereznem kell még zárt krómozott anyákat.A hangja pedig csodálatos! :pias:
Gyönyörű! Kell arra a tekercsrészre takaró? Nekem így is "összeáll a kép"!
Szuper a dizájn ! Gratulálok hozzá . Csak én azt a szegény ez80 -at is haptákba állítottam volna? Ezt direkte hagytad az eredeti pacsirta trafón rajta?
Hja! És akkor egy kép amin ott felejtettem magam.
Hátha összefutok valakivel a börzén.
Köszi!
Igen az EZ-t direkt hagytam rajta. Mikor oda raktam a trafóval megtettszett./Meg olyan mint ha már be lenne rúgva, elvégre ez egy BorosEL84SE a név kötelez/Szeretem a különleges dolgokat. Meg kisérletnek is jó, hogy meddíg és hogy bírja. Eddíg nem vettem észre semmi különöset, majd kiderül. A műszer elvileg dB-mérő.
Látom minden rendes ember hozzáöltözik a barkácsoláshoz, egyedűl én forrasztok PIZSAMÁBAN miután letettük aludni a gyerkőcöt
Hát igen, megfordúlt már furább helyen is az EZ80! (toroid közepében...
)
Néha nekem is csak úgy sikerül!Ez csak azért volt mert szabin voltam.
Igen /a toroid közepében/azt hiszem te vagy aki ezt az elhelyezést értékelni is tudja :worship:
Fú, most hogy kész lett teljesen még jobban néz ki. És mint azt már írtam azok a műszerek nagyon szépek (főleg piros háttérvilágítással). Nagy ötlet volt. Gratulálok.
:kalap:
Én is szoktam mindenféle öltözékben forrasztani. Ahogy jön...
Na jó, tudom hogy én kezdtem, de itt hagyjuk abba mert kezd olyan női rovatos lenni a dolog
áááá! grat hozzá! nagyon mutatós lett mindkettő!
én is hamarosan(reményeim szerint) neki tudok fogni majd a 6p14p PP-nek!(mert hogy eddig is pp-n morfondíroztam,de multkor EcoPityuval találkoztunk személyesen,és meggyőzött hogy a pp az igazi! ) |
Bejelentkezés
Hirdetés |


csak mert ha van rá egy mód akkor megvenném kettő darabodat 10-e körül! :worship:
és az egy kicsit sok nem? Tényleg nemlehet ecc83-at használni GU50-hez? 


.Na meg szereznem kell még zárt krómozott anyákat.





)
