Fórum témák
» Több friss téma |
Fórum » Csöves erősítő készítése
Ne feledd betartani a fórum viselkedési szabályait, és a topik megmaradásának feltételeit. [link]
A téma átmenetileg fagyasztva lett, hozzászólni nem tudsz!
Azt valamelyikőtök betehetné ide is! Mármint a PPP-t
Én ma csévetestet rezseltem , elég "kellemes" volt, holnap folytatom, meg sztem a tekercselésbe is belekezdek, aztán meg készülhet, egy 2xEL84 SE, és egy 5 wattos 6p3sz SE gitárerősítő (valószínűleg) tremoloval ... Meg egy 2xel84 PP szintén gitárhoz Legalábbis ez a terv
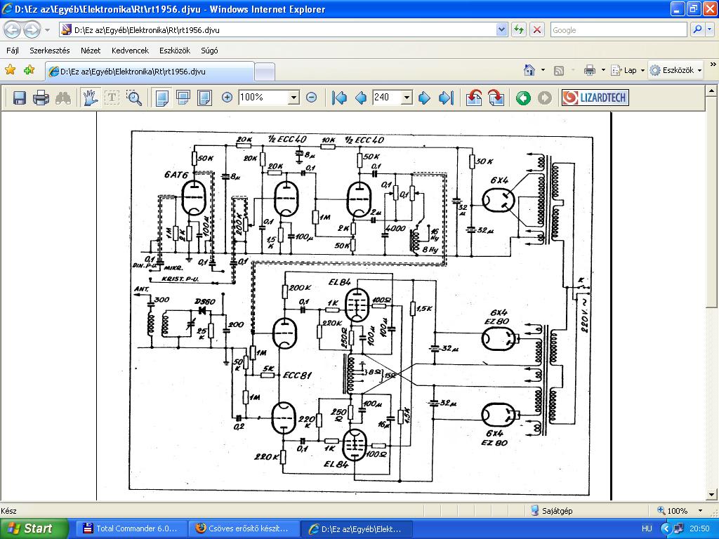
Megtaláltam.
Ha elárulod, hogy hogy tudom .djvu-ból kimenteni, de ha gondolod, elküldöm Neked az egész évet.
Ha erre jársz itt egy kép arról hogy mit fogok neked postázni.
Köszi! Bár, ha nem nagy kérés, akkor elküldhetnéd a leírást is ( meg felőlem jöhet az egész évfolyam, biztos vannak benne érdekes dolgok, szeretem arégi elektronikai irományokat
)
Itt a gitárcucc! Hát elég kókány munka de szól, bár még nem úgy ahogy szeretném! Az előfokban néhány helyen le kell osztani a jelet, és a hangszínszabályzó kondikkal kell még variálni, valamint kell még neki egy izmosabb kimenő
Köszönöm ...
Fordítottan megtervezett nyák , a csövek nyákoldal felöl lesznek , kirakva az erősítő dobozából . Behelyezett csövekkel is csinálok majd képet , ha jobban megnézed a nyákot , megtalálható a foglalatok körvonala a beültetési oldal felöl is .
Ez egy igen érdekes kapcsolás! Engem kísértetiesen emlékeztet az Ágoston Lajos könyv utolsó fejezetében lévő kapcsolásra, csak az fetekkel van. De ugyan ez a kapcsolástechnika. Ez lehet, hogy jó lenne a 100V-os rendszerhez való trafóimhoz is, mert a katódra nem kell akkora ellenállás.
Ezt ki kell, hogy próbáljam a hétvégén. Örök hála, és közsönet a rajzért.
Még fogok leírást is feltenni, de csak azután, hogy Kócosnak felment a '56-os év, mert addig nem tud a net semmit.
Te hamar összedobod tudom ,ha lesz rá időd .
Az áramgenerátor akár el is hagyható , 10K helyette amit -70-80V-ra kell tenni. Ami egyszerűsíti , de egyben bonyolítja a helyzetet és elveszítjük a DC visszacsatolást ami talán hátrány . Bár hangra lehet , hogy jobb lenne áramgenerátor nélkül ???
Azért az sem lehet rosz , nekem is van 3W -os SE végfokom és nagyon jól szól .
Itt van a cikk is. Sajnos nem tudom, hogy kéne .djvu-ból kiollózni, csak így megy. Elnézést mindenkitől.
Melléklet cserélve: Sebi
Talán ebből látni fogod .
Régebben épített szintén EL84 PP belső és külső kialakítása , ehhez hasonló lesz ez a mostani is .
Bár nem tőlem kérdezted, de szerintem szép a GU-50, csak azt a "rendsőrsapkát" kellene vagy eltávolítani, vagy felpolírozni
))
CHZ-nak van GU 50-el is, hasonlóan lenyűgöző erősítője, nem tudom készen van-e már teljesen.
-más Minél többet nézegetem a PPP kapcsolást, annál inkább úgy érzem, ilyesmit kell csinálnom minél előbb. Döbbenetesen egyszerűnek tűnik egy rendes kimenőtrafós erősítőhöz képest. Már régóta foglalkoztat a gondolat, nem értem miért nincs elterjedve, ha ugyanolyan jó, mint a nagyimpedanciás testvérei. Nem hinném, hogy a dupla táp lenne az ok, talán mégsem ad olyan jó hangképet, mint egy jó kimenőtrafós (ezt a fajta PPP-t én inkább az OTL-ekhez sorolom, amihez kényszerűen mégis kimenőt rakunk-na ezt jól megmondtam, kimenő nélküli kimenős )
Jó, de akkor fel kellene ploírozni, mert pl ami nekem van, azoknak elég matt a sapkájuk. A teteje meg fekete, és lecsavarható
Ágostonék valahogy megszabadították tőle, de én nem merem feszegetni, félek hogy eltörik a ballon én kisméretű fogóval megfogtam a szélét és mintegy konzervet, felbontottam, nagyon vékony, azért puha. kb 1 perces munka és ebben az is benne van hogy elővettem a fogót ![]() persze nem árt némi óvatosság, főleg akkor amikor megkezded. utána már sima ügy. regards,
GU50-nel csináltam PSE erősítőt , barátom hallgatja már kb. 4 éve .(Ez nem az amire strubi utal , az fentebb már látható volt , egyszerű DVD dobozban)
Szerintem nem csunya cső , sapka eltávolítása sokat dob rajta . Nagyon strapabíró , jó hangú , érdemes vele próbálkozni . Előkerestem képet az említett erősítőről , csak élég sötét , de azért valami látszik . Ez fa és sárgaréz kombinációjú dobozba került , az előlap feliratozását egyszerűen +20 lakkal csinálom , mint a nyákokat. Nyáktervezővel megtervezett feliratokat ráfotozom , majd előhívás után ráégetem , így lemoshatatlan tartós felületet ad .
Az említett SE már majdnem végleges ....
PPP erősítők valaban nagyon jók , már régebben próbáltam is egyet . Kimenő lehet egyszerűbb , 1/4 Raa , de azért itt is fontos a szimmetria és egyebek , nem is ez a hátulütője , a hálózati trafó itt nagyon sokat számít , mert ha jobban megvizsgáljátok a rajzot nagyon benne van az erősítő lelkivilágában . A 2 táp miatt nem mindegy a tekercselése , kapacitíven visszahathat az egész végfokra , nagyon gerjedékennyé teheti . Én szívtam vele sokat , 2. hál. trafó már elfogadhatóan működött . Nem mondom , hogy nem érdemes megcsinálni , csak a tápra nagy gondot fordítsatok .... |
Bejelentkezés
Hirdetés |


Legalábbis ez a terv 

Megkaptad már a trafókat?
) 



Ezt ki kell, hogy próbáljam a hétvégén. Örök hála, és közsönet a rajzért.








