Fórum témák
» Több friss téma |
Fórum » Csöves erősítő készítése
Ne feledd betartani a fórum viselkedési szabályait, és a topik megmaradásának feltételeit. [link]
A téma átmenetileg fagyasztva lett, hozzászólni nem tudsz!
Grat.,ez nagyon szép lett.(mostanába nem volt sok időm netezni) Szerintem megcsinálom nyákra a PCL-t(a cső kivételével) A régi képeken látszott,hogy van egy poti a dobozon,és ahogy elállítom 0ohmról,begerjed az erősítő,és ahogy a potit állítom mindíg más frekin szól.Szakkörön egy 12.-es gyerek próbálgatta(álítólag csöves cuccokat restaurál),és azt mondta,szerinte valami zavaró jelet szed össze(a nyák hiánya miatt)és ezért oszcillál... Szerintetek? Megnézem még úgy,hogy átvan kötve a poti...
A békeidőkben még szó sem volt nyákról, mégis működő kapcsolásokat hoztak létre. A nyák csak 1 megoldási mód az építésre. Nem érezted az ellentmondást a véleményében? Ha oszcillál, akkor ahhoz "kívülről" semmi nem kell, ha viszont külső zavar a probléma, akkor nem feltétlenül gerjed.
Egyébként hangerő potira gondolsz?
Ahogy már mondtam, nekem az segített megszűntetni a gerjedést, hogy többek javaslatára leföldeltem a csőfoglalat közepén lévő fém részt, meg az, hoyg elfelejtettem lezárni a fejhallgató kimenetet, szóval h avan "üres" szekunder tekercsed (PL Tv kimenő ),akkor azt zárd le egy néhány kOhmos ellenállással!
470pF a trióda rácsa, és a föld közé gyakorlatilag megszünteti a gerjedést, de ez nagyobb értékű poti esetén megvághatja a magasabb hangokat, főleg kis, és közepes hangerőn.
Sajnos nem halljuk, pedig biztos szép hangot produkál.
a gitármotyón sem segített... torz csatornán nagy hangerőn az is gerhed ( de nem a "normálsi" itár gerjedés )
Sajnos rengeteg parazita kapacitást építünk rá a csőfoglalatokra. A gerjedés természete alapján egyértelmű az, hogy a pentóda anódjáról (vagy segédrácsáról) kerül vissza a jel a trióda rácsára. Ez így egy multivibrátort alkot, ezért van Ricsinek az a jelensége, hogy a potival tudja a frekvenciát szabályozni, mert a kapacitások kisülése ettől (is) függ.
Nekem van egy, eelcserélem egy em80-asra.
Nemvagyok pösti, cca 200km-rel arréb lakom.
Visszatérve a PPP helyesebben ciklotronra , megnéztem a kapcsolást amit eddig nem láttam . Az nem is annyira egyszerű mint elsőre látszik . Szerintem ECC81 erősítése egyedül nem elegendő , hogy 12W- ra kihajtsa , még így utánhúzva sem . Tehát kell elé még 1 fokozat , hogy 1V vagy alatti jellel teljesen kivezéreljük , aminek a tápellátásáról is gondoskodni kell . Hál. trafó sztero változatban 4db. anódtekercset kell hogy tartalmazzon , vagy 2 trafó ami szerintem korrektebb lenne . Momo változat sokkal egyszerűbb és kevésbé problémás , ott jó hál trafót lehet készíteni ha az anódtekercsek közé betesszük a fűtés tekercseit , csökkentve a két tekercs kapacitív visszahatásait .Sztero változatnál már a 4 anód tek . elhelyezése problémás lehet , én ezzel szívtam hasonló kapcsolással EL34 PPP 30W -ra . Ha ezeket figyelenbe vesszük akkor 2 csatornában ezt kivitelezni nem egyszerűbb , mint más PP végfokot . Hangminősége nagyon jó , figyelemmel az egyszerű kimenőre is , ezek pozitívumok. Kevésbé terjed manapság ez a topológia , gondolom a fentebb leírtak miatt , mivel ma már nem csak mono jelet akarunk erősíteni .
Jól kigondoltad , így nem lesz probléma , hál. trafó megoldásod is ok.
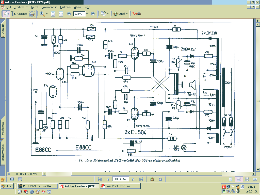
Az 1979 RT ÉK-ben van szintén 1 PPP teljes leírás EL504 csövekkel , az már 1V bemeneti érzékenységű , nézd meg érdemes .
Ki kellene menteni azt a pár oldalt és ide is mehetne ,
tömörítve sem ment el hozzád , próbáltam .....
Lényeg itt van...
Talán tudom , de drága , én csináltam inkább , de ha akarod megkeresem ...
Itt érdeklődhetsz:
www.weisser.de www.eximtrade.hu
Vigyázat! van egy kis hiba a rajzon.Egyébként
Megnéztem , van másik is .
E1a trióda katódjában nem 18k , csak 1,8k kell
Rajzon a kimenő is autó , de mind 2 lehet sima is .
Az ellenállás tuti 1,8k tizedes , lemaradt.. A többi rendben van , úgy látom
Hát, így tényleg nehéz volna ellenütemű vezérlést biztosítani.
Igen , de nekem az előző PPP kimenő megoldása jobban teszik mert ha megnézed ott is 2 részre osztott primer alul és felül a csévén , az alsó primer DC ellenállása kissebb a felső DC ellenállása nagyobb a szek. tekercsek nem szimmetrikus soros bekötésével eléggé kikompenzálódik a DC Ohmos eltérés .
Ha nem kapcsolódik a szek . tekercs a primerhez , akkor ez a DC Ohmos eltérés megmarad ami rontja a szimmetriát Nem tudom mennyire érthető a magyarázatom
Átgondoltam , hülyeséget írtam , mivel 1mm vezeték nem jelent semmit , marad DC Ohmos eltérés bőven .....
Igen a szek . lóhat is , de földelheted 1 kivezetését .
Ezt a Gu 50-es erősítődet nem is láttam még, eszméletlen jól néz ki :yes:
Van két TAN 70-es hálótrafóm, ezekkel 4*120 V-om lesz (váltó) 300 mA terhelhetőséggel, és 4*6,3 V 2,8 A-el. (meg AE 110-es hálórafóból van kettő, 4*265V, de nem tul egyformák a feszültségei) Nem lehet itt feszültségkétszerezős egyenirányítást alkalmazni vajon ? A Imi által belinkelt kapcsolás moddolásában gondolkodom kisebb fesz igényű csővekkel. Szerintem nincs benn a hálótrafó itt a hangútban. Váltóáramúlag a 32 µF elszeparálja az erősítőt a trafótól. A gyenge szűrés miatt okozhat problémát a hálótrafó asszimmetriája (kapcsolástechnika lehetővé teszi, hogy gyengén szűrt fesszel is brummentes legyen, ha a trafó kellően szimmetrikus), rendes tápszűréssel szerintem nem lehet gond, akksiról is működne gondolom. |
Bejelentkezés
Hirdetés |


Grat.,ez nagyon szép lett.






