Fórum témák
» Több friss téma |
Fórum » Csöves erősítő készítése
Ne feledd betartani a fórum viselkedési szabályait, és a topik megmaradásának feltételeit. [link]
A téma átmenetileg fagyasztva lett, hozzászólni nem tudsz!
[OFF]A mostani menetszámokkal van 2,14menet/V. Az eredeti primerrel 230V-ról is lemértem, akkor kb 4menet/V érték jött ki, mert pontosan már nem emlékszem, de 10 menetes tekercsen, kb 2,5V-ot mértem akkor.
Akkor tévedtem, rosszul értelmeztem .
Ha SM102A megfelelője , 2,45 primer , 2,64 menet /V a szekunder minimum , 1,7 T-re .
Nem mondod, hogy már be is dobozoltad?!
Ez gyorsan ment és olyan szép mint az előző.
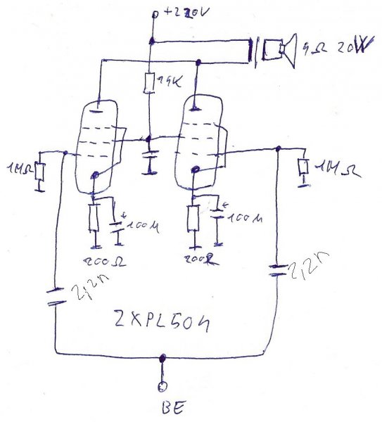
Sziasztok! Lenne egy egetverő problémám. Van egy sajátkészítésű csöves erősítőm. 4XECC85 2XPL500/PL504
Az a bajom vele, külön külön működik a csöves végfok meg az előfok is, de amint összekötöm őket és ráadom az anódfeszt egyből elkezd sípolni, gerjedni,recsegni. Külön külön úgyműködik mind a 2 mint a kisangyal. Valahogy nem akarnak eggyüt dolgozni Mellékeltem az erősítő rajzait. az előfok című rajznál a pirossal bekeretezett rész van megépítve. Várom a lehetséges megoldásokat.
Deszkamodell szinten már hónapok óta kész volt mindkettő, a dobozok meg párhuzamosan készültek, (igaz hónapokon át)...
(Lehet hogy mégis Maykynak van igaza, aki a dobozzal kezdi...)
Ez így nem lesz jó. Sok tervezési problémát látok benne. A 20W-ot el kell felejteni 220V-os táp mellett (és együtemben). A méretezés is esetleges.
Ha jól értelmezem , a kézzel rajzolt PSE elé kötöd a rajzon bekeretezett előfokot .
Gerjedés oka lehet , ha a tápfeszültségük direktben elválasztó R/C tag nélkül csatlakoztatod . A 6H8C csövek nem kompatibilisek az ECC85-tel. Gerjedést nem okozhat , de a végcsövek rácsaiba csatlakozó 2,2nf kondik igen kevés mélyátvitelt fog eredményezni , min. 100nf -ra kellene növelni . Egyébb problémák is lehetnek .
Már próbáltam, a végfokkal lesz valami gáz mert a 2.2nF-nál nem gerjed, ha annál nagyobb vagy kissebb van nagyon gerjed. De ne mis baj a rossz mélyátvitel, mert ez gitárerősítőnek készült.
Az előfokkal semmi gond nincs az tökéletesen működik, igaz nem 6H8Cvel de az ECC85-el is tökéletesen jól megy. Az előfokot teszteltem már IC-s Végfokkal és tök jól ment. A végfoknál lehet szerintem a gubanc, azt kéne átnézni. (Amúgy meg a 20W a hangszóróra vonatkozik nem a kimenő teljesítményre)
Akkor az előző feltételezésem beigazolódott , "csónakázik " a tápelválasztás hiánya miatt . 4,7-10K/47u a véfok tápjából az előfok felé , az ellenálláson keresztül adj tápot az előfoknak , ne direktbe .
Próbáltam több módszert is, elöször én is gondoltam arra hogy a közös táp miatt van, de akkor is ezt csinálja amikor az előfokra rá van ugyan kötve a végfok, de az előfok nem kap tápot egyáltalán.
LOL
Pedig ott lesz a probléma , akár rossz huzalozás is okozhatja . Rajzold le a tápját is .
Az előző csatolásban látható megoldás feltétlenül kell .
Itt van a táp rajza.
Kondik értéke mekkora ?
B megoldásnál 2M2 (4,7k-10k) ellenállás nem ok és elko is kéne mögé .
PL504 vez. rácsain (közvetlen a foglalattól) elférne egy-egy 1 K-s gerjedésgátló ellenállás sorosan.
Köszi! Meglesem hogy úgy micsinál
Átforrasztottam, mostmár csak simán búg de nem recseg, bekerültek a vezérlőrácsokba az 1K-os ellenállások velük sorosan a100nF-os kondi.
Ja és mégvalami amit az elején nem írtam, Két csatorna van megépítve az előfokból. Ja és még valami az nem lehet-a hiba hogy a rajz szerinti R2 pozíció számú ellenállás helyett csak 5Mohm van? Habár még 1X megerősítem hogy az előfok tökéletesen működött nekem.
V1 cső erősítése kisebb 5M ellenállással , mert nagyobb a visszacsatolás mértéke .
Köszi szépen! Habár ez nem is nagy baj.
Észre vettem még valamit most csak a végfok ment (teszt képpen), nem tettem be az se előfok csöveket, se be nem kötöttem az előfok tápját, még is búg és hiába van a hangerő leszabályozva akkor is folyamatosan búg. És az a legbosszantóbb az egészben, hogy minden HF vezeték árnyékolt. :eek2: Egyépként amikor az a 2db kondi volt csak rajta, akkor egész szépen szólt a végfok. Akkor jött be ez a hibája amikor rákerült az előfok. Viszont az előfok működik külön. A végfokkal lehet valami, pedig eddíg működött külön! :eek2:
Táp szűretlensége , vagy földhurok okozza .
Az elválasztó ellenállást tedd be , az előfok tápjának szűrésében is nagy szerepe van . !
Pontosan hogy gondolod? tudnál egy rajzot mellékelni?
Már fentebb mutattam .
Sajnos közbe szólt a forrasztóón hiány, így csak holnap tudom befejezni a módosításokat. Átnéztem, van 1-2 helyen télleg olyasmi ami lehet "földhurokszerű" képződmény.
Ha ezeket kijavítom és utána is zúg nem is tudom micsinálok
Ha az előfokot a P4-ig építetted meg, akkor szerintem az eddigi hsz.-ekben leírtakon kívül még egy gond van:a végfok bemenete nagyon beterheli az előző fokozatot, amin segíthet egy katódkövető, ezt a 2.ECC 2.felével(ami úgyis ott van!)egyszerűen megoldható.Irodalom:"Csöves erősítők",letöltés:Innen
Üdv:gkari
Neked is köszi az elismerést!
Azért vártam vele idáig, mert csak most tudom megmutatni, mire is jutottam ezzel a csővel, ha esetleg tényleg érdekel... Itt megtalálod
A beigért képeket feltettem ide...
Belső kivitelezés is korrekt .
Felélesztettem a másik oldalt is .
Brumm semmi , visszacsatolás nélkül 400mV a bemeneti érzékenysége . Zaj , nyitott bemenet , max . hangerő (10mV állásban mérve) 10KHz visszacsatolva
Sziasztok,
van néhány AZ21-AZ4 sőt néhány EM84 Tungsram csövem amin "HONVÉDSÉG 1968" vagy más dátumú pecsét van! Ezek a Tungsram esetében is egy magasabb minőségi osztályt képviselnek mint bármelyik másik gyártó esetében?
Sziasztok!
Összeraktam deszkamodellbe a PCL86PP-t. A nyugalmi áramot 25mA-re állítottam. Az én szubjektív véleményem szerint szép hangja van. ![]() Egyetlen egy problémám lenne, mindkét csatornából halk hálózati brumm hallható, de mintha a jobb oldalból erősebben szólna. A pufferek 180µF 450V-osak. Nagyobb elkók kellenének? Vagy máshonnan költözik bele a brumm? |
Bejelentkezés
Hirdetés |


Valahogy nem akarnak eggyüt dolgozni


Az előfokkal semmi gond nincs az tökéletesen működik, igaz nem 6H8Cvel
de az ECC85-el is tökéletesen jól megy. Az előfokot teszteltem már IC-s Végfokkal és tök jól ment. 
LOL 










