Fórum témák
» Több friss téma |
Fórum » D flip-flop 230V-os relékkel
Témaindító: mechanikus, idő: Dec 10, 2006
Témakörök:
Bocs Feri, de nekem egy 230V-al vezérelt "D" tároló kell!
Nem kapcsoló, hanem "D" tároló. Ha akarnám, megcsinálnám egy 4013-as D tárolóval, de nem akartam kisfeszültséget használni. mechanikus
pedál le->jobbra forog; pedál fel->megáll; pedál le->balra forog; pedál fel->megáll.
mindezt 1 pedállal és csak relékkel.....:circling::circling: feladom jöhet az elektrotanár(cd4013+lyukraszteres nyák+relé)
Egy 4013-mal :papakacsint: egyszerűen meg lehetne ezt oldani, és még prell mentesitett is lenne a kapcsolás.
Talán egy kilincskerekes relé tudná ezt a paramétert hozni. De hollehet már olyat kapni !?
Hali!
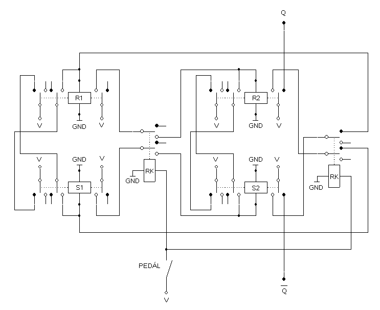
A D tárak belsö felépítését alapul véve, itt egy rajz. Ennél egyszerübben szerintem nem lehet megoldani (még félvezetökkel sem). A két RK jelü relé az egy, csak nem volt 4 morzés rajzjelem, és a hármas is kettöböl van összerakva. A relék alaphelyzetét a fekete pötty jelzi. Indítás elött az egyik relét (pl: R1) be kell húzni, ami ezzel öntartóvá válik, és müködésre kész a D tároló.Szerintem 4013-mal olcsóbb és egyszerübb. ![]() Ha mégis megépíted, sok sikert, persze a müködés nem garantált, csak elvben (ha nem rajzoltam el semmit :guluszem1: ). üdv!
Idézet: „Mégegyszer leírom mit szeretnék. Adott egy 230V-os villanymotor, ami egy állványos fúrógép motorja. Ezzel az állv. fúr.géppel menetet kell vágnom, nem keveset. Most úgy működik, hogy ha lenyomom a pedált, a motor elindul az egyik irányba. Utána lelépek a pedál, megvár míg a mitor leáll, megnyomok egy segédgombot, ami megfordítja a segédtekercset, majd rálépek a pedál, a motor elindul a másik irány.” Ezt, egy forgásirány-érzékelő relével talán még egyszerűen ki lehetne alakítani... Csak ehez az kell, h. a talpkapcsolónak legyen a záró mellet egy bontó pontja is (ha nincs akkor kell egy morzeérintkezős segédrelé). Valamint egy időrelére is szükség lenne, h. a gép bejezhesse a ciklust. A közölt példakapcsolás 12V-os! De bármijen feszültségű relékkel elkészíthető.
Köszi!
Első ránézésre ez jó lesz. Sajnos ma csak este lesz talán egy kis időm átnézni a kapcsolást, de szerintem ez működik. Mégpedig prellmentesen. Ha átnéztem jelzek! mechanikus
S_így néz ki a forgásirány-érzékelő (relé). :nezze:
Hali!
Tegnap nem voltam itthon,ezért nem raktam fel a rajzot.Most pótolom.K2ill.K3 váltja a forgásirányt,az indítókondenzátor és a fázis kapcsok felcserélésével,ezt a részt nem rajzoltam bele. K1 a léptetőrelé,ez minden pedálnyomásra vált,tehát minden második pedálnyomásra van ugyanabban a helyzetében.K4 azért kell,hogy ha esetleg K1 lasabban vált át mint ahogy morzeérintkezőjén megjelenik a feszültség,akkor ne induljon el a motor az előző irányba.Ki kell próbálni,az is elképzelhető,hogy kihagyható. Remélem jó lesz,és ez tényleg csak reléket tartalmaz.Várom a fejleményeket.
[off]A kezdeti feltételt mi állítja be? Mert bekapcsilás után csak az "RK" segédrelé fog kapcsolgatni a pedá be - ki kapcsolására! Az "R1 - S1 - R2 - S2" kényelnesen elvan a maga stabil kikapcsolt állapotában.
Vannak az úgynevezett áramimpulzus relék amik egy impulzus hatására behúznak, egy impulzus hatására elengednek ezek a rélek 12-240 volt AC/DC tartományban működnek és 230V/16A-t kapcsolnak van rajta záró nyitó érintkező van rajtuk
kb. 5000 HUF az ára Pl. SCHRACK ZR3MF012 itt az adatlapja: www.schrack.cz/fileadmin/f/cz/NAVODY/MERICI_A_CASOVA_RELE/ZR3MF012.pdf
Nézd át a kapcsolást mert egy kicsit sántít.
Ebben az estben a motor egyik irányba mindig forog!!
El kellett volna olvasnod a szöveget is:
Idézet: „Indítás elött az egyik relét (pl: R1) be kell húzni, ami ezzel öntartóvá válik, és müködésre kész a D tároló.”
Dolgoznom kellett! A két ünnep között tudok foglalkozni a témával. Ha lesz valami, jelentkezem!
Köszi a segítségeteket, mindenkinek kellemes ünnepeket! Mechanikus
Sziasztok!
Vettem a villamossági boltban egy relét, ami a célra teljesen megfelelő. Ez az adatoat mechaniusan tárolja, vagyis nem közvetlenül az érintezőet kapcsolja, hanem egy recsnis kerék segítsével működteti a nyelvet. a problémám a lehető legegyszerűbb módon megoldódott. Köszönöm a segítségeteket, ötleteket, mindenkinek békés karácsonyt kívánok! mechanikus
Hali!
Örülök,hogy megoldódott a probléma.. Akkor mehet a menetvágás ezerrel!
A többezer meneten már túlvagyok. Két ünnep között megcsinálom a gépet, jövőre már ezzel megy!
mechanikus
Sziasztok!
Beépítettem a mechanikus léptetőrelét. Hibátlanul működik! Azt gondolom, ennél egyszerűbb, olcsóbb megoldást nem tudtunk volna összehozni! Köszönöm az összes hozzászólást! Ha valakinek dobozolási gondja van, az üzenjen! mechanikus
Lenne egy kerdesem!!!
Van A es B vezerlesem ait felvaltva szeretnek hasznalni tehat valahogy valtogatni kellene amire nekem csak egy fele impulzusom van tehat kellene valami kapcsolo.....ami ha egy bizonyos feszultseget kap akkor az A vezerlesre kapcsol de ha ujra aramot kap akkor mar a B re valt es ha ujra akkor az A ra es aztan a B -re ! (a kapcsolashoz rendelkezesemre allo aram-0,5 volt) elore is kosz a segitseget.....ha nem ertheto ujrafogalmazom vagy esetleg abrat is mellekelek
Szia!
Most kavarodtam erre a topicra, sok jó dolgot olvastam, és látom, hogy a te kérdésedre nem jött válasz. Nem tudom, hogy él-e még a kérdésed? Ha igen, akkor szerintem kell egy tranzisztoros erősítő ami a 05V-os jelet TTL-szintre emeli, és utánna egy D-tároló. Remélem, hogy jól értettem a 05-öt? Ugyanis nem mindegy, hogy feszültségről vagy áramról beszélünk. Jó munkát!
Amennyiben valaki mutatna egy relés kapcsolást ami egy nyomógombbal működne és egy nyomás a relé behúz (vagy elenged) következő nyomás a relé elenged (vagy meghúz) az érdekelne
Sziasztok!
Én pont egy impulzus relét szeretnék kiváltani.Eredetileg 230V bemenő feszültség lenne a váltó impulzus, de ez átalakítható és 24V DC feszültség felfutó élére kellene hogy egyszer magas kimenetet a következő felfutó élre pedig alacsony kimenetet produkáljon a kütyü. Segítségeteket előre is köszönöm! |
Bejelentkezés
Hirdetés |




feladom jöhet az elektrotanár(
A relék alaphelyzetét a fekete pötty jelzi. Indítás elött az egyik relét (pl: R1) be kell húzni, ami ezzel öntartóvá válik, és müködésre kész a D tároló.







