Fórum témák
» Több friss téma |
Nem tudom menyibe jön ki, az hogy mennyire bonyolult emberek tudásától függ.
Üdv mindenkinek!
Van nekem egy 12voltos önindító motorom.A motorra 0,6kw van írva.Ehez a motorhoz kellene nekem valami fordulatszám szabályzó elektronika.A szabályzás a teljes tartományban kellene.0-tól max fordulatig.Elektromos robogóba lesz kisérleti jelleggel beépítve,és ehez a soros gerjesztés miatti nagy indítónyomaték jól jönne. Előre is köszi!
Szerintem a linkelt oldalon rossz a rajz. A discharge lábról hajtaná a FET-et és nem a kimenetről.
Inkább úgy kéne megcsinálni, ahogy az általam alább megadott rajzon van. Van benne Schottky védődióda a motor generálta tüskék ellen, meg a tápot is szűri egy kondival, bár oda párhuzamosan tennék egy 100nF-os kerámiát is. Ha a nem 12V-ról menne az 555-ös, hanem magasabb feszről, akkor illene egy 15V-os Zener dióda a FET source-e és a gate közé.
Üdv!
Nekem 18 voltról menne tehát a zéner diódát beiktatom. Te már megépítetted, tapasztalatok róla? Saját tervezés?
szia a rajzon lévő szabályzó nekem is jó ha megépittetem? és sacc per kábé mennyibe kerülhet?
üdv ati
Még nem építettem meg, de hamarost kipróbálom. Nem saját tervezés, hanem a gugli barátom mutatta
![]() Nekem egy tekercselőgép hajtását végezné, egy 26V-os motor (az R-123-as orosz tankrádió hangolómotorja) lenne a vezérelt eszköz. Közben megnéztem az ominózus weblapot alaposabban. A rajz végül is nem rossz, csak spéci (mit tesz, ha az ember el is olvassa a hozzátartozó rizsát ), de az vele a bibi, hogy a speciális megoldás (a disch. lábról való FET-meghajtás) ráköti fixen a tápfeszt a gate-re. Na most, ha az 18V, akkor a FET izzadhat, mert 20V szokott lenni a gate átütési feszültsége, amit nem illik kicentizni... Azaz a motor sem mehet nagyobb feszről, mint az 555, különben lőttek a FET-nek.Nem beszélve arról, hogy ez a fura megoldás állandóan nyitva tartja a FET-et (a felhúzó ellenállással), és csak zárogatja a pwm. Nem érzem szerencsésnek. Inkább az 555 rendes kimenete (3-as láb) nyitogassa, ha kell. Tudom, a normál kimenet totem-pole, a discharge meg open collector-os, amit valaki jobban kedvel, de a FET nem kér nagy áramot, bírni fogja. Esetemben a 26V miatt szóba se jöhet a kifogásolt megoldás. Az 555 megy mondjuk 12V-ról és a motor meg kapná a 26V-ot. Az általam adott rajz ezt lehetővé teszi: mehet külön (de összeföldpontozott) tápról a kettő. A kifogásolt kivitel ezt nem tudja.
Na így már kezdem érteni. Viszont ha már van itt valaki ért az ilyenekhez akkor még egyszer megkérdezném hogy a linkelt kapcsolásban mért van 2 potméter, 2 ic ? Illetve az előbbi valószínűleg hibás rajzon és itt is Lm555 van viszont amit linkeltél az sima ne555 mi a különbség közöttük?
Bővebben: Link
Szerintem neked is jó.
Még ezzel tapasztalatom nincs, de hamarost megépítem és kipróbálom (ha a hétvégén nem esik le velem a repülő, akkor valamikor a jövő héten). Amúgy nem bonyolult áramkör, párszáz forintból megvan (ami többe kerül, ha veszed, az a szükséges táp: trafó, grätz, ilyesmi). Nekem azért egyszerűbb, mert egy rakat bontott, meg megmaradt alkatrészem van, csak össze kell guberálni a hozzávalót. Javaslom, először megnézni, mekkora teljesítményt (áramot) kér a motorod (egy akku és egy ampermérő elég hozzá). Aszerint választani a FET-et (talán azért csak nem kér 10A-nál többet...), meg a táptrafót. Alul nem jó méretezni, mert akkor valami gyenge láncszem füstifecskét fog játszani és elszáll ködcsíkot húzva .
értem köszönöm. nekem lenne egy számítógép tápegység, amin ir 20 ampert is. annyit ad le, holnapra lefényképezem az adattábláját és felrakom ide, mert nem csak 20 ampert ir hanem voltonként irja mennyi amper. valahol olvastam hogy az ablaktörlőmotor olyan 3 ampert vesz fel. de még ennek is utánnanézek
üdv ati
A két 555 (LM..., NE...) ugyanaz, csak a gyártók másképp jelölték. Ez a szimpla bipoláris IC, nem CMOS.
Ez az általad linkelt áramkör annyiban más, hogy az VR1-es potival a frekvenciát lehet változtatni, a VR2-vel a kitöltési tényezőt (de az lehet nem csak a poti lába, hanem egyéb külső jel, amit az invertáló bemenetre lehet kötni és akkor a poti nem kell). A plusz IC egy műveleti erőlködő. Ez az áramkör is mehet a terheléstől független, külön tápról (a földpontjuk legyen csak közös). Amit én adtam rajzot, az fix frekin megy. Ha változtatni szeretnéd, kondit kell cserélni (ott a C1 jelöli). Nagyobb kondi, kisebb freki és vice versa. Az előzőleg linkelt furamegoldású (nem hibás, tévedtem, bocsi) oldalon van is egy képlet, amivel lehet számolni.
Tehát akkor mindhárom előbbiekben tárgyalt rajz helyes. Köszönöm válaszaidat, segítségedet.
Nagyon szívesen.
Végül is helyesek, de nem egyformán működnek. A jövő hétfőig világgá mentem, repül Cosfordban az Avro Vulcan, azt látnom kell. :smile:
szia, utánnanéztem az ablaktörlő motornak, a trabi kézikönyvében, de nem irta mennyi ampert vesz fel, csak annyit irt hogy rövidzárlati forgatónyomaték 13 Nm. a tápegységemet lefotóztam ha megtudnád nézni hogy nem teszi e tönkre a motort. mert ir 20 ampert is
a képet netről szedtem le mert de ugyanezek az értékek vannak az én tápegységemen is. és ha tudnál nekem olyan boltot linkelni ahol megtudnám rendelni az általad ajánlott szabályzóhoz szükséges alkatrészeket azt nagyon megköszönném. hogy ne több helyről rendeljek a postaköltség egy kis kiegészités: szóval lefotóztam a tápegységemet de nem lett éles a kép és ezért szedtem le a netről ugyanolyan értékű és modelszámu tápegységet. köszönöm előre is üdv ati
sziasztok. az lenne a kérdésem a szakikhoz hogy lada műszerfalvilágítás fényerő potmétere alkalmas e az ablaktörlő motor áram szabályzásához.
köszi előre is üdv ati Szerkesztve ! Az enter püfölése helyett, a shift gombot használd !
Közvetlenül nem. A motor sokkal nagyobb áramot vesz fel, mint a műszerfal világítás.
szia, köszönöm a választ! mi kellene még hozzá ehez a műszerfal fényerő szabályzó potméterhez? amit könnyen belehet szerezni akár autóbontóbol, vagy inkább jobb lenne megépiteni az áramkört hozzá amit _BIG_ ajánlott? (1005880 hozzászólásnál)
hegesztéshez épitettem egy forgóasztalt és ezt szeretném fokozatmentesen szabályozhatóvá tenni. vannak fix leágazások az adott tápról, jelenleg 3,3 voltal hajtottam meg és még ennél is lassabban kellene menjen, szóval hiába 12 voltos a trabi ablaktörlőmotor, én kb 2-5 voltig fogom használni a mostani sebességéből itélve. van egy leágazás a tápról 5 volton, ezt sem birná közvetlen az a potméter? 5 voltról már csak lejjebb mennék.. üdv ati
Építsd meg azt az áramkört, azzal tudod szabályozni a motorod fordulatszámát. Ha rövidzár védett tápról hajtod, nem lesz probléma akkor sem, ha a motor esetleg megszorul.
Nem a feszültséggel van baj, hanem az árammal. A fényerőszabályzó potméter ugyan nagyon teherbíró, de 1 - 2 A -nél többet nem visel el, az ablaktörlő motor meg felvesz 4 - 5 A -t is, ha megszorul, 20 A -t is, ilyenkor a potméter egyszerűen felizzik, és elfüstöl.
Üdv,
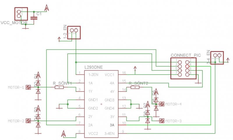
Összeraktam egy gyors L293DNE-s kapcsolást. Áldásotokat tennétek a kapcsolásra? Két DC motort szeretnék vele vezérelni (max 500mA vesz fel, 9-10V-os motor). Későbbiekben szeretnék esetleg bemutatásra szervót készíteni belőle, ezért jó lenne egy PWM-es megoldás, de ezt hova tudnám bekötni? Esetleg ha az 1,2EN ill. 3,4EN-et kapcsolgatnám PWM-el az megoldása lenne a problémának? Előre is köszi
Ha két motorhoz használod, akkor mind kettő motort tejes hídra kötheted, és tudsz irányt váltani. Ilyen esetben több vezérlési mód közül választhatsz. Ellenütemben is vezérelheted a két félhidat, 50% kitöltéshez fog tartozni a 0V-os kimenő fesz, vagy az egyik félhidat valamelyik állapotba kapcsolod, és a másik félhíddal tudsz szabályozni. Szerintem az 1-2EN és 3-4EN bemenetek nem erre valók, ide inkább a védelem tiltó jele kerülhetne.
A kapcsolásról annyit, a kimenetekre szerintem ne tegyél kondit, és hogy nincs benne áram mérés vagy figyelés. Egyes alkalmazásoknál lehet hogy ez nem baj, de ha dinamikus szervót akarsz, akkor szerintem muszáj.
Köszönöm a választ.
"Ha két motorhoz használod, akkor mind kettő motort tejes hídra kötheted, és tudsz irányt váltani." -Így szerettem volna kötni a mellékelt kapcsolában. "Ellenütemben is vezérelheted a két félhidat, 50% kitöltéshez fog tartozni a 0V-os kimenő fesz," -Nem sok jártasságom van a dologban, így köszönöm a leírást. Ebbe nem is gondoltam bele. Megnéztem talán PIC16F690-est használnék megvalósításnak és van 4PWM benne, így megoldhatónak néz ki a dolog. viszont a második rész miszerint: "az egyik félhidat valamelyik állapotba kapcsolod, és a másik félhíddal tudsz szabályozni."-t nem gondolom helyesnek. Ha ha fixre rákötöm mondjuk a "motor1"-et 0-ra (egy digitális kimenetre), és a "motor2"-re kapcsolom PWM-el akkor működik normálisan. Viszont, ha fordított irányban szeretném használni, akkor a "motor1"-re 1-t adok, ill. a "motor2"-t PWM-el kapcsolom hogy 1-re hol 0-ra, akkor előfordul hogy mind a két félhídra 1-est adok ami által rövidzárat hozok létre (legalább is sima híd kapcsolás esetén mintha lenne ilyen). Vagy ez nem így működik? A sönt ellenálláson is gondolkodtam. A kapcsolásba betettem (hogy jó helyre gondoltam-e). Azt számoltam hogy beteszek egy 0R1 -es ellenállást akkor (ha 10R a motor, és 10V-os) akkor 100mV-10mV-ig változik a sönt ellenálláson a feszültség. Ehhez kéne esetleg egy 50x-es erősítőt építeni, hogy fel tudja dolgozni a PIC? Illetve hol kéne kivezetni a sönt mérőpontokat? Egy sönt méréshez 2 analóg mérés kellene? a sönt előtt és a sönt utáni feszültségeket felerősíteni, majd lemérni és kivoni egymásból őket? Hogy szokás ezt a valóságban? Előre is köszönöm
Ha ellenütemben vezérled elég kettő pwm, hiszen attól ellenütem, hogy a másik félhidat ugyan arról a pwm-ről vezérled, csak egy invertáló kapun keresztül a negált jellel, ellenütemben. A hátránya másik megoldással szemben, hogy kétszer nagyobb a feszültség amplitúdó csúcstól csúcsig, ami a motorra kerül, ezért nagyobb az áram hullámossága.
A másik vezérlési módot többféle módon is lehet. A PIC-ek ECCP modulja is támogat egyet, ezt megtalálod a különféle applikációkban, én is linkelek néhányat: http://ww1.microchip.com/downloads/en/AppNotes/00905B.pdf http://www.microchip.com/stellent/idcplg?IdcService=SS_GET_PAGE&nod...012134 A pwm lényege, hogy fix feszültség értékeket kapcsolunk a motorra változó ideig. Az egyik fix érték lehet a nulla is. Szerintem a sima L293 nem a legjobb választás, ha sönttel akarod mérni az áramot. Van ennek egy E-es változata, ami nagyobb lábszámú, és vannak rajta áramérzékeléshez felhasználható kimenetek, de ez viszonylag drága. Használhatod az applikációban lévő kapcsolást, vagy ajánlom figyelmedbe a Microchiptől a MTS2916 meghajtó IC-t, ez olcsóbb, és többet is tud: http://www2.chipcad.hu/tartalom.aspx?hir=582
Van egy 12V motorom ami max. 6A mehet . A problemam az hogy van egy 12v 20Ah aksim amivel mukodtetem .Lemertem mukodes kozben es a motor 12A vesz fel ,mit tegyek hogy ne vegyen 6A-nal tobbet?
Csökkentsd a terhelését (ha még nem égett félig le). Az akku kapacitásának ehhez semmi köze....
Ha állandósult állapotban 12A, akkor vagy túlterhelted, ahogy Massawa is írta, vagy ha esetleg külső gerjesztésű a motor, nem kötötted be a gerjesztést, vagy akár még a motor meghibásodása is okozhatja ezt.
Ha csak induláskor vesz fel a motor ilyen nagy áramot, azt a motor megfelelő felfuttatásával mérsékelni lehet.
Köszöntök Mindenkit. Segítségeteket kérem hogy ezen az oldalon lévő kicsi motort(hosszú tengellyel) MOT 402D/2.5V, melynek a forgási sebessége nagyon nagy. Hogy tudnám lecsökkenteni a sebességét 2 for/perc-re, áttételek nélkül. Vagyis, csak maga a motor forduljon 2 for/percet. MIvel kezdő vagyok egy egyszerű rajz is jó volna.Fáradozásotokat megköszönve Tarhos
![]() Bővebben: Link
Szia!
Többnyire sehogy. Lehet építeni fordulatszám szabályzót, amivel csökkentheted, de egy bizonyos fordulat alatt megáll, mer győzött a súrlódás... Ráadásul ilyen alacsony fordulatszámon a nyomaték is nagyon kevés, oda teszed az ujjadat és már meg is áll... Léptető motorral lehetne megcsinálni, de ott csak kis lépésekkel, tehát olyan lehetne, mint az analóg óra mutatója, nem folyamatosan megy, hanem "kattog". Üdv, Máté
Az nagyon alacsony fordulatszám. Még a mikróban is gyorsabban forog a tányér, pedig az is lassú. Ennél lassabb motor esetleg a diszkógömb forgató motor vagy ami a mosó/mosogató gépekben hajtja a programtárcsát.
Jó megoldás lehet a fentebb említett léptető motor. (ha nem gond a "darabosság")
Kedves mate_x.
A léptető motor szerintem jó út lenne, de azt hiszem, hogy az csak 24 V-osban van. Ha erről adnál egy tájékoztatást, hogy milyen léptető motort vegyek, 12 V-ig lenne jó nekem, és hol kapható ez a motor.Fáradozásodat megköszönve, Tarhos
Kedves GAtesz.
Írtam a matex-x-nek ő is a léptető motort említi! Nekem is jó lenne, úgy is ha szaggatottan megy de akkor megint van kérdésem: úgy tudom, hogy ezek e motorok 24 V-sak, nekem jó lenne a max 12 V-ig. Hol kaphatok ilyen motort, és ez már beszerelhető állapotban kapható? Fáradozásotokat megköszönve Tarhos |
Bejelentkezés
Hirdetés |















