Fórum témák
» Több friss téma |
Sziasztok!
Ismerősöm Polymobil PB019 elektromos kerékpárját szeretném megjavítani, de nem boldogulok vele. Segítséget szeretnék kérni (vagy pénzért megjavíttatni). A vezérlőelektronikája szállt el, az egyik FET volt benne szó szerint szétfröccsenve. A kerékpár ha a kitámasztón állt, és a kerék megfelelő pozícióban állt, akkor pár fordulatra rángatva még képes volt, aztán megállt. A hibás FET-et kicseréltem az ezen az oldalon sokat emlegetett IRF540-re. De sajnos nem javult meg. Maradt ugyan olyan, sőt valamivel rosszabb, előbb leáll és többet rángat-sípol. Nekem egy Tornádó robogóm van, aminek a töltője már többször elromlott. Persze mindig újat kellett venni, jó drágán. Tudja valaki ebbe milyen teljesítménytranzisztort lehet tenni ha a gyári elfüstöl?
A PB 019-esnek kefés,vagy 3 fázisu a motorja?
Üdv!
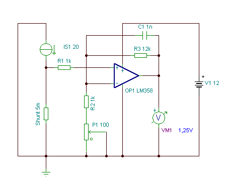
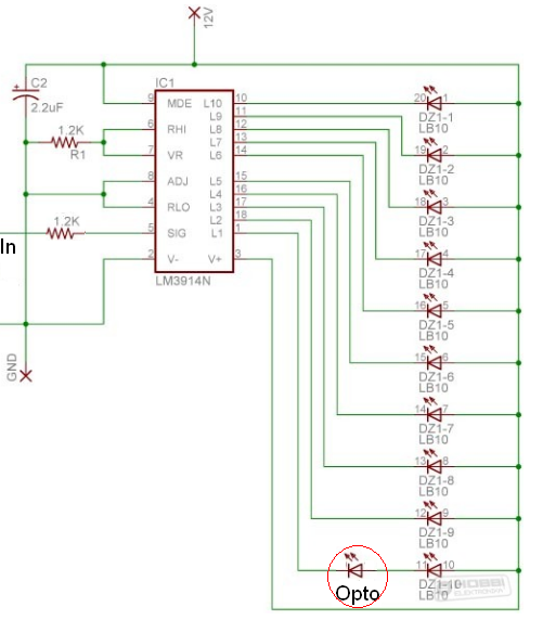
Valaki segítene egy kapcsolást összedobni? Az akkupakk negatív ágába egy áramfigyelő ellenállást iktatnék be, ami figyeli az áramot és ebből jelzi a teljesítményt, és ha eléri az áramfelvétel a 20A-t, akkor visszaveszi a táp kitöltését. Mekkora legyen az ellenállás, mi kell (fesz.erősítő) az LM3914-et meghajtani és az opto meghajtásához?
Hello!
Rajzoltam egy áramkört, és módosítottam a Led-es jelzőt. - Ha 0,005ohm-os shunt ellenállást használsz, akkor 20A áramra azon 0,1V feszültség esik, és 2W hő termelődik. - Ha az LM3914 bemenő feszültségosztó nélkül használod, akkor az utolsó Led, 1,25V-nál fog jelezni. - A kettő közé kell egy erősítő, aminek megkívánt erősítése 12,5-szörös. Tehát 0..0,1V feszültségből, 0..1,25V feszültséget készít. Ha ezt a feszültséget vezetjük az LM3914 bemenetére, akkor az kijelzi az áramot, 0..20A-ig. - Tekintve, hogy 20A esetén szeretnéd a tápot leszabályozni egy optocsatolón keresztül, elkövethetjük azt a"susztermattot", hogy ennek érzékelésére, és az opto meghajtására, egyben az utolsó Led komparátorát használjuk. Így megspóroljuk a komparátort, és a referenciát. - Tehát nincs más feladat, mint 20A mellett beállítani az utolsó Led jelzését. A szimulátoros rajzon, a töltőt és az aksikat, egy áramgenerátor helyettesíti. Az erősítő kimenetén lévő műszer az LM áramkörét szimulálja. A szabályozásnál azért problémák lehetnek az egész áramkör futásideje miatt, amit majd a kapcsolóüzemű táp visszacsatolásában található (integráló) kondenzátorral lehet majd (a "kapkodást" úgy ahogy) kiküszöbölni. üdv! proli007
Nagyon köszönöm. Nagy probléma ha az akkuk az ellenálláson keresztül lesznek töltve, és így negatív feszültség kerül a műveletire? Jó lesz az, ha gázkarnak a kitöltésszabályzó potit használom (TL494-es rendszer), de nem lesz visszacsatolás a kimenetről?
A kapcsolóüzemből adódóan a sunt ellenálláson is nagyfrekis zavar lesz? Arra is kellene egy integráló kondenzátor?
3 fázisú
Ma kerültem csak számítógép közelbe, olvastam az emailjeim is. Érkezett árajánlat a szakszervíztől az új alkatrészre. Postával kb. 13000Ft. Ez elég dúrva
Ha menetközben mult ki a vezérlö,nagy eséllyel a motor Hall elemei is sérülhettek,ezért rángathat.Kimérheted ha a müszer eggyik szálát az akku fekete minuszára,a másik szálat a 3 vékony motorhoz menö sárga-zöld-kék vezetékre teszed egyenként /nem kell a csatit széthuzni/.Ekkor gyujtással kézzel forgatva a motort az értéknek a forgatással arányosan változni kell +-5V között.
Sziasztok szakemberek és gondolkodók! Én fordított alapállásból szeretnék egy kérdést feltenni, mivel nem találtam megfelelő fórumot ebben a témában. Adott egy elektromos kerékpár agymotorja, amit én egy dongómotorral meghajtott kerékpárban szeretnék generátorként alkalmazni, az így nyert elektromos energiát világításra és egyebekre használnám. Kivitelezhető-e ez a gondolat, esetleg valakinek konkrét tapasztalata? A gondolat akkor merült fel bennem, amikor az egyébként a sufniban álló agymotorra azért esett a választásom, hogy a dongó motor meghajtott lánckerekét ne a küllőkre, hanem az agymotor dobfékének helyére rögzíthessem. Várom válaszotokat.
Igen. Működik. 2/s fordulat 14V.
Szia szsrobert! Köszönöm a gyors választ. Kifejtenéd a 2/s fordulat jelentését és hogy a sok vezeték közül melyiken mérhető a 14 V? Nekem az 1/s mint szögsebesség mértékegység rémlik, a 2/s-t nem értem, avagy 2 fordulat / sek. = 14 V?
természetesen 2 fordulat / sec. ...
Mert ha az utóbbi értelemzés szerinti a helyes, akkor gyors számításaim szerint egy 26' -os kerékkel 14,9 Km/h sebességnél gerjesztődik a 14 V. Ez alatti sebességnél lineárisan csökken a feszültség?
Most nézem, hogy nem lesz úgy jó a söntön a feszültségmérés, mert üzem közben a föld felöl folyik az áram.
Sebességmérőnél (4511-4518 páros) jó kiindulásnak, ha nem az icket resetelem, hanem a multiplexálás miatt a kijelzőket vezérlő tranzisztorok lesznek a megfelelő időben bekapcsolva?
ATTINY2313-20PU vagy ATMEGA8-16PU alkalmas a mérésre? (Inkább az előbbi)
Alapesetben 4Hz tartozna 1Km/h-hoz, de kellene egy külső kalibráló poti, ahol kb. 2-8Hz/1km/h-át lehetne beállítani, két db hétszegmenses kijelző, közös katódos multiplexálva, + ha lehet legyen egy 2Hz-es kimenete is az avrnek. Átlag út és sebességmérést hogy oldanád meg? Egy háromállású kapcsolóval lehetne a funkciók közt választani, és egy reset gombal meg indítani mérési tartományt?
Bármelyik AVR - el megoldható. De ha külső kalibrálást potméterrel akarod megoldani akkor olyan AVR kell amiben van AD átalakító. Maga a mérés úgy történne hogy a kerékre épített hall szenzor egy megszakítást kérne.
Az út mérését úgy oldottam meg, hogy megmértem a kerék kerületét (2m). Így minden megszakításkor egy számlálóhoz hozzáadtam kettőt, ést ezt jelenítette meg a kijelző. A sebesség mérését pedig frekvencia mérésre lehet visszavezetni, lényegében itt azt kell mérni, hogy 3,6 s alatt hány métert tettél meg.
Nem a keréken lesz az érzékelő, hanem egy áttételen lesz egy tárcsa és egy optokapu, tehát digitális jelet fog adni, és így jött ki, hogy kb. 4Hz felel meg 1Km/h-nak (8Hz 2Km/h), a pontosabb beállításhoz kellene egy állítható "valami". Csak elsőre gondoltam potméterre, lehetne egy 555-ös ic frekvenciája is a referencia jel. Szóval ezeknek a feltételekhez kellene a programot igazítani. A 2Hz-es jel csak indexhez kéne. [Nem lehet valahogy a frekvencia értéket társítani a kijelzett számokhoz?]
Én arra keresnék valami megoldást, hogy hogyan tudnám menet közben érzékelni a fékkar mozgását. Nem is az érzékelő mivolta lenne a nagy probléma mert van miből választani, inkább a kivitelezés a problémás. Pontosnak de megbízhatónak kellene lennie, és kis felbontásúnak. A biciklimen 2cm fékbehúzás már full satufék. Ha tudnátok gyári holmit mutatni az is jó lenne, csak épp nincs kedvem kiadni valamiért 5000Ft-ot, ráadásul kétszer. (mert én ennyiért láttam legolcsóbban)
Ha azt is elmondod, hogy mihez kell a nagy felbontás, pl. fékezéskor a motort kikapcsolnád, akkor elég azt érzékelni, hogy használod-e a fékkart (egy optokapu is megteszi közvetlenül a fékkarnál), lehet, hogy én is ezt fogom alkalmazni.
Hát gondoltam egyértelmű hogy a motor miatt kell. Én az ilyen megoldásokat mellőzném, mert nem lehet szépen megoldani. Inkább közvetlenül a fék fölé, a bovden borításának végéhez tennék valamit, mondjuk egy kis dobozkában az opto, és a bovdenen egy kis darab műanyag ami mozog, ez volt eddig a legjobb ötletem, de leírtam a dolgot ide, hátha kapok jobbat is.
Úgy gondoltam, hogy a fékkar foglalatába bele lehet fúrni az optotranzisztort (ledet is), "a kis felbontás" megtévesztett én potméterre gondoltam. A dobozos megoldás nekem is eszembe jutott, de kell-e egyáltalán érzékelő a fékbe? (Ha fékezel úgyse húzod a gázt)
Mondjuk ebben van valami, ha a gázt a markolattal oldom meg, akkor nincs rá szükség. Rá is kerestem és ezt találtam: Bővebben: Link
Ebből a LT20X+T275 tetszik nekem, oda van írva hogy sebesség szabályzó karok lineáris HALL IC-vel. Ez most pontosan mit takar? Tudtommal egy Hall ic vagy kapcsol vagy nem. Amennyiben ez a lineáris dolog szó szerint értendő, akkor a kar behúzásától függően a kimeneten állandó 0-5V közötti érték van? Még egy béna kérdés, ha ezt megveszem 3000-ért, akkor kapok egy hasonló kinézetű markolatot is (persze érzékelő nélkül) a kormány ellenkező oldalára?
Amelyik hall ic digitális (kapcsol vagy nem), abba már egy komplett áramkör van, a linearitás meg a mágneses térerősség és az ellenállása függvénye. Csak akkor célszerű a fékkarba érzékelőt építeni, ha olyan valaki vezeti a bringát, aki nem tud arról hogy működik.
Szerintem csak 1 darabot kapsz, elvégre minek a szimmetria?
Ha ATmega8 használsz akkor meg lehet oldani potméterrel, de ATtiny2313 - ban nincs AD átalakító, 555 el meg pillanatnyilag lövésem nincs hogyan lehetne megoldani.
Az optokapu az zárt térben van? Mert ha az fényt kap akkor még az infraledet modulálni is kell
Mi is a mérés elve? Egy referencia frekvenciához viszonyítod a bejövő jelet?
Én nem használtam referencia frekvenciát. A pillanatnyi sebességet úgy mértem hogy 3,6sek idő erejéig megszámoltam a bejövő impulzusok számát, ez felel meg nálam a pillanatnyi sebességnek km/h - ban.
A 3,6sek-et honnan vetted? Van lehetőség rá, hogy ezt az időtartamot módosítsuk?
Szeretem a szimmetriát
Tehát a mi esetünkben ebben a markolatban a hall IC lineáris 0-5V közötti feszültséget ad? Keresgéltem a neten, és a jó kis Dongó motorok ma is használt változatában a megvásárolható KIT-ben volt egy alkatrész, ami nagy valószínűséggel kapható külön is, írtam is nekik e-mailt hogy az mennyibe fájna nekem. Az említett alkatrész pedig egy nagy fogaskerék amelyet a hagyományos akár MTB biciklik hátsókerekére, a fogaskoszorúval átellenes oldalra lehet felszerelni. Pont jól jönne, mert így megmaradna a lábbal hajthatósági is. A motorra pedig egy kis racsnis fogaskerék menne, mivel a beépített áttételnek köszönhetően ha nem teszek be racsnit, meg sem fog moccanni a bicikli ha nincs elektromos hajtás. Már próbáltam hajtani a biciklit 1:1 áttétellel, ekkor 8km/h volt a végsebesség, indulás is azonnali, erőlködés nélküli volt. (a motor beépített nagy áttételes, 24V-os szállítószalag rendszerben volt, 24nm -re képes, ezért is mertem kipróbálni 1:1 áttétellel, mert eredeti helyén néha jóval több mint 80kg-ot kellett mozgatnia egyedül.)
Egy külső potméterrel AD átalakítón keresztül megoldható, így kívülről tudnád kalibrálni.
Ha 3,6sek ideig méred hogy hány métert tettél meg akkor km/h ban megkapod a sebességet (ki lehet számolni)
Ahhoz olyan agy is kell, belinkenéd a terméket? Nekem is fix lánckerék kell a másik oldalra. Hány wattos a motor?
Úgy gondoltam, hogy honnan jön a 3,6sek időtartam? Az órajelből osztod le? Így 3,6sekundumonként frissül a kijelzett érték? Ezt úgy kéne megoldani, hogy nekem magasabb lesz a bejövő frekvencia, így alacsonyabb időalapot választhatunk, valamint a 3,6sek nem a proci órajeléből jönne, hanem egy külső 555-ös ictől. Így potméterrel beállítható a pontos frekvencia.
|
Bejelentkezés
Hirdetés |













