Fórum témák
» Több friss téma |
- Ez a felület kizárólag, az elektronikában kezdők kérdéseinek van fenntartva és nem elfelejtve, hogy hobbielektronika a fórumunk!
- Ami tehát azt jelenti, hogy a nagymama bevásárlását nem itt beszéljük meg, ill. ez nem üzenőfal! - Kerülendő az olyan kérdés, amit egy másik meglévő (több mint 17000 van), témában kellene kitárgyalni! - És végül büntetés terhe mellett kerülendő az MSN és egyéb szleng, a magyar helyesírás mellőzése, beleértve a mondateleji nagybetűket is!
Azt szeretném megkérdezni, hogy az alábbi kapcsolásban a BUZ11 helyett egy 32N03L típust tennék ami N-Channel Logic Level Enhancement Mode Field Effect Transistor. Ekkor az R32 ellenállás elhagyható? Az IC4017.
A hozzászólás módosítva: Okt 16, 2014
Hello! Ez a kapcsolás csak a DVM-el együtt működik. Mert onnan kapja a referencia feszültségét az In- pontról. Mérni a kimenti jelet is ehhez képest kell..
Felülnézetben rajzoltam.
proli007 Sajnos a DVM-et rákötvén sem történik semmi.
És még rengeteg dolgot lehet csinálni, úgy hogy "nem történik semmi..". Mert az ilyen információ, csak egy bites! Ha valami "nem működik", akkor mérni kell. Abból lehet következtetéseket levonni, nem a sirámokból..
Ez az első áramkör amit úgy építettem meg, hogy fogalmam sincsen a működéséről. Egyelőre magamtól nem tudok annál több információt közölni, hogy 3-4mA a fogyasztása, és a DVM kijelzője "sötét", akár 9V-ra, akár 12V-ra kötöm az áramkör bemenetét.
Sziasztok!
A korábban készítettem egy áramkört, amely egy távirányítóval vezérelt lámpa volt. A nyitott kollektoros négy csatornás vevőmodul, egy gyári távirányítóval működött. Most találtam jóval olcsóbb távirányító-vevőmodul párost, annyi különbséggel, hogy nem nyitott kollektoros, hanem gombnyomásra magas jel 5v jelenik meg a vevő kimenetén. Mivel elektronikai jártasságom szerény ezért két kérdésem lenne: 1. a legegyszerűbben úgy tudom a mikrovezérlővel (3,3v) összekötni a vevőmodult, hogy egy tranzisztor bázisára kötöm a rádió kimenetét, a kollektorra a mikrovezérlő kimenetét, az emittert pedig a földre. 2. a lámpában bc 337 tranzisztorokat használok, azok megfelelnek-e ide is? 3. A bázis és a rádió kimenete közé elegendő-e ((kell-e?)) az 1K ellenállás? Segítségeteket előre is köszönöm!
Üdv!
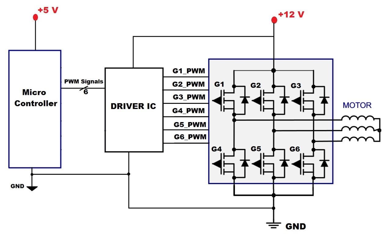
Egy kefe nélküli DC motor meghajtására a mellékelt kapcsolást építettem meg. Már egyszer teszteltem az áramkört, azonban kiderült, hogy az egyik Mosfet hibás (zárlatos) volt, és zárlat keletkezett a +12 V és a föld között és emiatt sérülhetett meg a mikro vezérlőm. Kicseréltem a hibás Mosfetet, azonban mielőtt újra megpróbálnám szeretném megkérdezni, hogy biztonságos-e így a kapcsolás ? Arra gondolok, hogy a mikro vezérlő földjét össze kell kötnöm a tápegység földjével, különben a PWM jelek sem mennek tovább a meghajtó ICm-ből (ami valójában 1db 3-state kapukból és egy műveleti erősítő IC-ből jött létre), azonban a motor üzemszerű működése közben, gyakorlatilag rövidzár jön létre a +12 V és a GND között, (Mosfet teljesen nyitva van, a motor tekercseinek ellenállása 0,3 Ohm) ami miatt aggódom, hogy kár keletkezhet vagy az IC-kben vagy a mikro vezérlőben. A Mosfetek megfelelő kapcsolása biztosítva van a program által.
Szia!
Ez nem kapcsolás, hanem csak egy blokkvázlat. A FET-ek meghajtására mindenképpen optocsatolós leválasztással ellátott áramkört használj. Ezzel elkerülheted a vezérlés meghibásodását egy gate-zárlat esetén.
Oké, de a kijelző nem lehet sötét. Valamit mutatnia kellene. Akkor vagy nincs táp, vagy fordított a táp, vagy halott a DVM. Egyébként mérni a GND-hez képest kell (negatív táppont). Megméred a műveleti erősítők lábait, akkor abból illene tudni mi is van. De a DVM-et is ugyan erről a tápról kellene táplálni.
Hello!
- Igen úgy tudod összekötni, de a kollektor és a 3,3V közé, egy felhúzó ellenállás kell. Pld. egy 2,2..10kohm. (Ha nincs a mikróvezérlőnél programból bekapcsolva a felhúzó "áramgenerátor". Amúgy nem kimenetét, hanem bemenetét, mert annak kell programozni a portát.) - A 337 megfelelő, lényeg, hogy NPN legyen a tranyó. - Kell a bázisba soros ellenállás, mert az korlátozza az áramot a vevő kimenete és a bázis között. (Amúgy meg ismerni kellene a vevő kimenetét, hogy ott mi is a kimeneti meghajtó.) De egy 10kohm bőven meg fog feleni.
Köszi!
Ha a belső felhúzást engedélyezem, ugye akkor is kell az uc bemenete és a kollektor közé a 10k ellenállás?
Ha a belső felhúzást használod, akkor nem törvényszerű, hogy kell felhúzó ellenállás. De ekkor nem lehet "nagy távolság" a tranyó, és a uc között. Mert zavarérzékeny lehet. (Nem tudom milyen kontrollert használsz, de a belső felhúzás általában 50uA körüli.
Viszont az ellenállás nem a kollektor és porta közé kell, hanem a porta a kollektorra megy, az ellenállás pedig a kollektor és a táp közé.
Msp 430 g2452-t használok.
Ahogyan rajzoltam jó?
Jó, de a uc és az RF GND-je legyen összekötve..
A DVM valószínűleg nem hibás, mert 9V-os elemre kötve működik, a mérőbemeneteire feszültséget adván pedig kiírja a mért rétéket.
Bekötöttem a mérőbemeneteihez is a tápfeszültséget, valamint fordítva is, hátha, de továbbra sem működik egyáltalán, se 9V-on, se 12 környékén. A GND-hez viszonyítva a kimeneteken nem teljesen egyforma, de mindkét esetben pozitív: +7,25 és +7,35 körüli feszültséget mérek amennyiben 9V-os elemről táplálom meg az áramkört. E két kimenet között viszont 0V-ot mutat a multiméter.
Hello!
- A DVM belső referenciája kb. 2,8V. Ennek a plusztáphoz képest kellene meglenni. Vagy is 9V táp esetén, az In- ponton és az IC 7. lábán is kb. 6,2V feszültségnek kellene lenni. - De alakítsd át az ellenállások értékét így ahogy rajzoltam. Az OPA erősítését csökkenteni kell, mert a kimenete legfeljebb 1V-ra tudja megközelíteni a tápot. Vagy is 9V táp mellett 8V-nál nem lehetne az nagyobb. Jelenleg az erősítés Au=33k/100k=0,33. 9V táp esetén ez az In- ponthoz képest mérve 2,97V lenne. Az pedig nem képzelhető el, mivel a referencia maga 2,8V. Az OPA kimenetnek a táp felett kellene lenni. - Ha az erősítés Au=10k/100k=0,1 akkor 9V esetén ez 0,9V. Ekkor az IC kimenete 6,2V+0,9V=7,1V Tehát a tápot mintegy 9V-7,1V=1,9V-ra közelíti meg. Az pedig már lehetséges. - Mivel az OPA kimenete 0,9V és a műszernek ekkor 90mV-ot kel kapnia,1:10 arányú osztót kell használni. 9,1k/1k esetén ez 1:10,1 de a műszer referencia potijával ez már simán korrigálható eltérés.
Sziasztok! Használ/használt valaki Concord bővíthető memóriás mp3/mp4 lejátszót? Bővíthető memóriás lejátszót szeretnék venni. Vettem egy olyat, ami nagyon pici, ruhára csipptethető, de olyan pocsék semmilyen hangja volt, hogy kár volt megvenni. Ezért kérdezlek titeket. A concord is ilyen pocsék hangzású? Válaszaitokat előre is köszönöm!
Üdv!
Egy nagyon gyors és egyszerű kérdésem lenne! CCFL neon inverterében az NPN tranzisztor cserélhetem PNP-re úgy, hogy megfordítom, vagy semmiképp nem? Itt a kapcsolás:
Semmiképpen sem! Amikor ki kellene kapcsolni akkor fog bekapcsolni. Persze ez rövidzár lesz.
Értem, köszönöm szépen!
Másik kérdés.. ez már talán kicsit hülyeség. Ha egy 12V-os kis DVD tápjában kiszedném az egyenirányítót, és a kondikat, ezzel szaggatott egyenfeszültséget kapnék, amit közvetlen (vagy kis ellenállással) rákötnék az inverter trafóra direktbe, kaphatnék olyan feszültséget, amivel meghajtok egy neont? A hozzászólás módosítva: Okt 17, 2014
Sajnos a nagy barna kondí jó. Mi lenne a következő tipp?
Sziasztok!
A kérdésem az lenne, hogy PC tápnál a 4 -s PIN műanyagból hogyan lehet kiszedni a csatlakozót? Mivel fogjam meg és húzzam ki? Köszönöm!
Ha a tüskék felöl belenézel, látni fogod, hogyan kapaszkodik a csatlakozó a műanyagba. Egy vékonyabb tűvel vissza lehet hajlítani a lemezkéket.
A hozzászólás módosítva: Okt 17, 2014
Az IGBT-k mivel különböznek a többi felvezetőtől? Vagyis FET de még annak egy fajtája és mi az a különleges tulajdonsága(i) ami miatt IGBT?
A bemenete Gate, de a kimenete Emitter és Kollektor.
Bocs, de ezzel nem lettem okosabb, de azért köszönöm!
Szia!
Az IGBT-nek nagyobb feszültségen van igazán létjogosultsága. Egyesíti a MOSFET kis vezérlési energiaigényét a bipoláris tranzisztorok kis maradékfeszültségével. Sajnos a nagyfeszültségű MOSFET-ek viszonylag nagy D-S ellenállása nagy veszteséget okoz nagy áramú üzemnél, ezért az ő alkalmazásuk manapság már nem túl praktikus.
köszönöm a választ, sokat segített!!
|
Bejelentkezés
Hirdetés |
















