Fórum témák
» Több friss téma |
- Ez a felület kizárólag, az elektronikában kezdők kérdéseinek van fenntartva és nem elfelejtve, hogy hobbielektronika a fórumunk!
- Ami tehát azt jelenti, hogy a nagymama bevásárlását nem itt beszéljük meg, ill. ez nem üzenőfal! - Kerülendő az olyan kérdés, amit egy másik meglévő (több mint 17000 van), témában kellene kitárgyalni! - És végül büntetés terhe mellett kerülendő az MSN és egyéb szleng, a magyar helyesírás mellőzése, beleértve a mondateleji nagybetűket is!
Sziasztok!
Egy alap astabil multivibrátornál a kondenzátor polaritása fontos? Mivel állandóan feltöltődik utána meg kisül az áram iránya mindig változik. Sok rajzon nincs is jelölve de én úgy raknám hogy a kondi pozitív fele a tranzisztor kollektorán van, és a katódja meg a másik tranzisztor bázisán. De amikor töltődik akkor meg pont a másik tranzisztor bázisa felől kapja a pozitív feszültséget. Mi erre a szabály? Hogy kell rakni az elkót? Előre is köszi a segítséget! Csak példaképp: Bővebben: Link
Szia!
Nézd meg a szimulátorban, hogy miként alakul a kondenzátorok polaritása és az áram iránya: Bővebben: Link.
Egyébként a kollektorra kell kötni a pozitív végét, mert nyitott tranzisztor esetén a kollektor maradék feszültsége nagyobb (pozitívabb), mint a tranzisztor bázis feszültsége.
Szia!
Van jelölve a linkelt rajzon is. A kondi "sötétebb" oldala a negatív. Idézet: „mert nyitott tranzisztor esetén a kollektor maradék feszültsége nagyobb (pozitívabb), mint a tranzisztor bázis feszültsége” Nem éppen . . . A 0,2V mióta nagyobb a 0,65V-nál ?! Azért kell a kollektorra a pozitív, mert a kondi másik vége átugrál negatív feszültségre. A hozzászólás módosítva: Jan 13, 2016
Köszi a szimulátort, nagyon jó.
Köszi a többieknek is most már értem.
Ha jobb gombbal rákattintasz egy alkatrészre, akkor módosíthatod az értékét.
Sziasztok lehet,hogy buta kérdés de ha egyenirányítok egy trafót akkor a puffer elé és utána is érdemes szűrést "hidegítést" rakni ?
"14 volt váltó - grace- 100n kondi - 4700mf kondi - 100nf kondi." ?
Szia! Az ilyen 100nF-os hidegítőt a fogyasztóhoz a lehető legközelebb kell beépíteni, a pufferen aligha van keresnivalója.
Szia akkor a pufferelt fesz után a fogyasztó elé kell raknom közvetlen ? Mert ez egy végfok tápja lesz
A hozzászólás módosítva: Jan 13, 2016
Igen, magán az erősítő panelen célszerű a 100nF nagyságrendű szűrést elhelyezni, a kapcsolási rajzok többségén szerepel is.
Sziasztok.
Mekkora a legjobb transzformátor energia veszteségi mutatója. Bemegy x áramerősség, és kijön y áramerősség. Ugye mindenképpen kell lennie veszteségnek.
Szia!
Általánosságban (hagyományos lemezes) olyan 75-85% hatásfokkal lehet számolni, de nagyon precíz kialakításnál (hipersil) talán elérhető a 90%-os hatásfok. Toroidnál már 95%-os. A hozzászólás módosítva: Jan 14, 2016
Bemegy x teljesítmény, kijön y teljesítmény. Már a '60-as években is elérték a 98%-ot. Leginkább a trafó méretétől függ; kicsiknél 70-80%, közepeseknél 85-95% (anyag és kialakítás függő), nagyoknál 95-98%. ~10% veszteséggel számolva, nem nagyon lő mellé az ember, a mi 'berkeinkben'.
A hozzászólás módosítva: Jan 14, 2016
Sziasztok!
SOS segítség kellene; ahogy nézem, megint jönnek a nagy hidegek, amivel semmi baj nincs, mert tél van, ez a rendje! Azzal viszont elég nagy baj van, hogy hajnalban megyek, késő este jövök, egész nap forgatok és a tyúkok vize nagyon hamar befagy... Van, hogy hiába cserélem ki, egyáltalán nem tudnak inni, mert mire kikászálódnak, be is fagy Arra gondoltam, hogyha fogok egy 30x30-as 4mm-es alu lapot rácsavarozok egy nagy méretű, fém tokozású teljesítmény ellenállást, és azt megtáplálom egy toroidról, akkor talán megelőzhető/késleltethető a befagyás, ha erre az egészre teszem rá a vizeslábasukat (természetesen, az egész alá tennék valami szigetelő dolgot, hogy alulról ne hűtse le az alumíniumot a föld. Valaki csinált már esetleg hasonlót? 2x12V-os toroidom van itthon, szerintetek mekkora ellenállás kellene, hogy működjön a dolog? Előre is köszönöm, ha valaki tud segíteni. E.
Olyan 10W-al megpróbálhatod, Az 24V esetén 0,42A az olyan 50-60 Ohmos ellenállás 10-15W-os. Több darabból jobban el lehet osztani a felületen a fűtést.
Köszi a gyors választ! Indulok is, akkor 52-60Ohm 10-15W.
Tarcsi Jozsef felhasználói néven most regisztráltam.
Lehet, hogy nem az ideillő témában kérek segítséget, de azért megpróbálom. A probléma egy költözés után következett be. A mostani lakásban egy Simat Mini 23 MCSI fali turbós cirkó gázkazán működne, ha jó lenne, ugyanis vezérlőpanel hibája van (több szerelő állítja). Sajnos régi a kazán, újat meg nem tudok venni, ezért az említett panelt kellene kicserélni, vagy megjavítani. A javításhoz viszont kapcsolási rajzra lenne szükség, de nem tudok ilyen rajzot szerezni, a lakás eladójának sincs a birtokában. Ezért kérem, hogy aki tud szorult helyzetemen (rajz, panel lehet használt is csak működjön) segíteni, tegye meg és értesítsen a megoldásról. Köszönettel: Tarcsi József
Biztos fognak tudni segíteni, csak nem ebben a topikban. Itt próbáld meg.
3db 47Ohm 50W volt a boltban, azt elhoztam, csak elég lesz
Üdv a fedélzeten, itt érdeklődj.
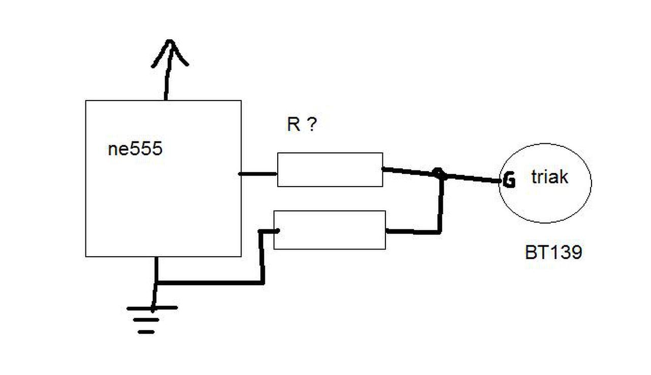
Üdv. Gyorsan rajzoltam az árbát, a lényeg rajta van. Van egy 220Vos vilogó. Elég sok minden Koxnak égett rajta, nem tudom miért. (gyári) Kérdésem lenne, mi lehet a két ellenállás értéke?
Ott az 555ös tápja, az egy láb, az természetesen a kimenet. Azon van sorba egy ellenállás a triak G lábára. Meg a G lábáról az IC minusz lábára. A hozzászólás módosítva: Jan 14, 2016
Sziasztok!
Vetten egy ilyen szerkentyüt. Elvileg nincs benne védelem zárlat ellen. Elég ha csak a kimenetre bekötök egy 3,15A biztositékot? Vagy kell valami extra dolog? köszi
Hasonló gonddal találtam szembe magam én is, csak a kutya vizével.
Volt itthon ilyen kábel, ebből kb. 2 métert feltekertem spirálba, kiöntöttem cementes habarccsal és be a vízes tál alá. Azóta nem *kemény* a víz reggel se. Az benne a jó, hogy automatikusan szabályozza önmagát a hőmérséklet függvényében.
Szia!
Nagyon köszönöm a tippet, már megvettem az ellenállásokat, holnap össze is dobom, ha nem működik megfelelően, akkor ezzel fogok próbálkozni!
Hello! Biztos hogy ez a BT volt a lámpába? Mert ez elég érzéketlen. Gondolom valami kondis táp van az 555-höz és előfordulhat, hogy nem tud akkora áramot adni a táp, ami begyújtja a Triac-ot. Egyébként meg soros ellenállásnak akkora kell, ami képes begyújtani. Ami a G-S között van, az meg nem számít túlzottan mekkora, az 555 kimenetén a soros ellenállással, le is tudja zárni a Gate-t. De a legtöbb Triacban ez az ellenállás benne is van. Csak az érzékenyebbekhez kell a lezárás, hogy "ne lógjon a levegőbe".
Nem teljesen világos a modul működése, de mintha be lehetne állítani a maximális áramot, amitől nem engedi tovább. Tehát zárlatra is jól kell reagálnia, már ha jól értem a leírást (eléggé zavaros). Egyébként a biztosíték nem védi a modult. Valódi zárlatkor, már ha a modul tápegysége bírja és a modul nem szabályoz, akár több 10 A is szaladgálhat. Igaz, nem sokáig, de addig elég lehet, hogy tönkretegyen valamit.
Sziasztok!
Az Ali-n keresgéltem 5050-es 60LED/m-es vízálló ledszalagokat. Nem igazán értem, hogy mindegyik 12V-os, de van amelyikhez 4,44W/m-t, másikhoz 5,76 W/m-t ( amihez 27-32W/5m-t adnak meg), sokhoz 12W/m van írva és néhány 14,4W/m ( ami 72W/5m). Hogy van ez? Nem csak egyféle 5050-es smd led van? Ha én olyat kaptam kölcsön kipróbálni, ami 14,4W/m-es, akkor a többi fényereje gondolom ennél arányosan kisebb, nem? Milyet érdemes választani, ha mennyezeti dekor-világítást szeretnék csinálni 7m-en. A 12W/m az már jó vagy gagyi? Azt tudom, hogy olyan tápegység kell hozzá, aminek teljesítménye legalább 20%-al nagyobb legyen.
Szia!
Teljesen jó a 12W/m-es. Az 5050 csak a tokozásra utal, színben, fényerőben széles a páletta. |
Bejelentkezés
Hirdetés |




Arra gondoltam, hogyha fogok egy 30x30-as 4mm-es alu lapot rácsavarozok egy nagy méretű, fém tokozású teljesítmény ellenállást, és azt megtáplálom egy toroidról, akkor talán megelőzhető/késleltethető a befagyás, ha erre az egészre teszem rá a vizeslábasukat (természetesen, az egész alá tennék valami szigetelő dolgot, hogy alulról ne hűtse le az alumíniumot a föld. Valaki csinált már esetleg hasonlót?

Elvileg nincs benne védelem zárlat ellen. Elég ha csak a kimenetre bekötök egy 3,15A biztositékot? Vagy kell valami extra dolog? köszi 




