Fórum témák
» Több friss téma |
- Ez a felület kizárólag, az elektronikában kezdők kérdéseinek van fenntartva és nem elfelejtve, hogy hobbielektronika a fórumunk!
- Ami tehát azt jelenti, hogy a nagymama bevásárlását nem itt beszéljük meg, ill. ez nem üzenőfal! - Kerülendő az olyan kérdés, amit egy másik meglévő (több mint 17000 van), témában kellene kitárgyalni! - És végül büntetés terhe mellett kerülendő az MSN és egyéb szleng, a magyar helyesírás mellőzése, beleértve a mondateleji nagybetűket is!
Melyik része? A >50 éves, ~120 W-os pákatrafóm kivezetésin a (zsírral forrasztott) saruk máig vidáman csatlakoznak a banánhüvelyekhez.
Ha le sem takarítod, vagy "égeted" a felesleges zsírt, normál vezetékkel alig van baj. A vékonyaknál amit elektronikához használunk lehet, de nem ez a fő gond. Hamarabb letörik ha mozgatásnak van kitéve. Ha meg lemossuk, nincs több gond, mint a gyantánál. Persze, ha gépzsír módjára nyakon csapjuk a forrasztandó helye, akkor tuti meg lesz a hatása.
Idézet: „Mármint, "találomra" mit?” A ferrit gyűrűt.
Lehet, hogy igazad van, és van az 4 hét is. Nem is értem, hogy azok a butuska forrasztóón - gyártó cégek miért a méregdrága flux-anyagokat használják.
Sehogy ne kösse be. Ez erősáram, bizza hozzártőre.
Sziasztok!
Vettünk egy programozható időkapcsolót, amivel az volt a terv, hogy a karácsonyfa LED-es világítását automatizálnánk. Erről a kapcsolóról lenne szó Remekül működik is, csak egy furcsaságot produkál: Kikapcsolt állapotban is világítanak a LED-ek, de csak épen hogy, nagyon halványan. Gondolom átenged valamekkora feszültséget, bár nem is értem hogy hogyan, mert hallhatóan egy relé kapcsol benne. De mindegy, mivel alig világít, nem is zavar minket. A kérdés viszont az lenne, hogy ez a LED-eknek probléma-e? Esetleg a LED-eket vezérlő elektronikának, hogy nem a tervezet feszültséget kapják meg?
Próbáld meg fordítva bedugni, feltehetően jó lesz. A relé csak egy sarkot szakít meg, ami ha a nulla akkor a fázis-föld között kap valamennyit a LED.
A hozzászólás módosítva: Dec 17, 2019
Sziasztok!
A csatolt képen a TSOP tápjánál mi célt szolgál R1 és C3? Én simán felkötöttem +5V-ra és hibátlanul működik...
Már láttam olyat, hogy a relé záró érintkezőjével párhuzamosan tettek valami nagyon kis értékű, magas feszültségű kerámia kondit, gondolom itt is ez lehet és az a minimális szivárgó áram pont elég a ledeknek....
Adatlap szerint, a békesség kedvéért.
Hmm, erre nem is gondoltam!
Köszi a tippet, meg is oldotta a problémát. Így már valóban nem világít
A duplikált hozzászólás és válaszai törlésre kerültek.
Sziasztok
Mivel nem találtam kimondottan ilyen topikot, nyitottam egyet. A kapcsolást értem, csak a teljesítmény tranyó, és a kondi közötti tranyót nem, mi a szerepe, és hogy enged át, ha nincs bázisa vezérelve? Ilyen áramkört nem láttam, ahol lóg a tranyó bázisa!
Ez nem valami érintést erzékelő áramkör? Vagy éppen földnedvesség-érzékelő?
Ezeknél vagy az ujjadon levő brumm vagy a nedvesség vezetése miatt kialakuló picike áram nyitja a tranyót.
Szulfátlanító. Bővebben: Link
Főleg a középső, ami rövidrezárja a tápfeszültséget... de lehetne akár nagyáramú söntstabilizátor is
Na most komolya fiúk, miért nincs annak a tranyónak a bázisa bekötve??? Mi a suerepe???
Sziasztok!
USB -C csatlakozós telefont szeretnék tölteni mágneses töltőfejes kábellel, de nagyon lassan sikerül csak feltöltenie, napokról van szó egy teljes töltés esetén. Gyári kábellel rendben van, több töltőt is próbáltam, de nem jó egyikkel sem. A kábelen 5 pines a csatlakozófej átvezetése. Mi hiányzik a normális töltéshez, hány érnek kellene, lennie a kábelben? A hozzászólás módosítva: Dec 19, 2019
Moderátor által szerkesztve
Lehet, hogy megcáfolnak, de én valami olyasmit hallottam, hogy a teló a töltőcsati bedugása után kommunikál a töltő vezérlőjével és az ennek hatására megemeli a töltőfeszültséget, így sokkal gyorsabban fel tudja tölteni teló aksiját.
Van ilyen is (USB-PD illetve rengeteg proprietary megoldás), de itt nem erről van szó szerintem. Szerintem amit Fidel használni próbál, az szimplán rossz. Olyan a világon nincs, hogy napokig tartson feltölteni egy telefont.
Régen az ilyen fordítva bekötött tranzisztort hanggenerátornak használták, egyfajta csipogást, sípolást ad. De nálad nem fog. Hibás a rajzod. A középső tranzisztor (ami valójában egy pici FET) csak 0.3W-os (?) azaz azonnal ki fog égni. A led világításához 1db ellenállás is bőven elég lenne..
A hozzászólás módosítva: Dec 19, 2019
A saját vezetékéve kb 1 óra. A mágneses fejből van egy dokkoló és kábel is, fej viszont csak egy van azt használom mindkettőben. És nem jó egyikkel sem!
Sziasztok !
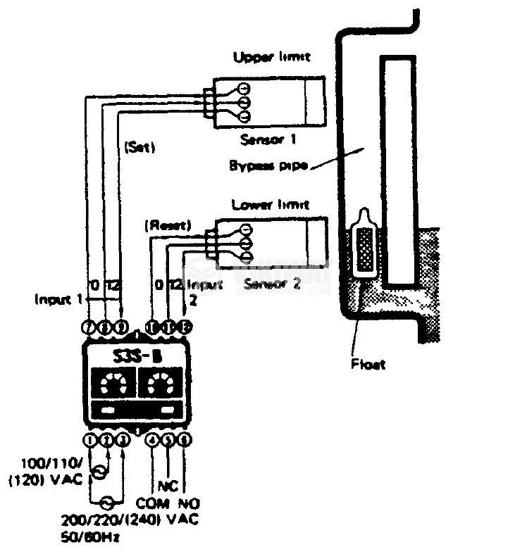
Mellékhelyiség szellőztetéséhez kerestem be- és kikapcsolásra is késleltető időzítőt. Kezembe akadt egy OMRON S3S-B10. Jól fordítom, hogy ő igazából valamilyen 12V érzékelő(k) jeleinek feldolgozását-illesztését végző eszköz ? (Az időzítései ha jól értelmezem 0.1-2.0 sec...)
Nem tudom hogy melyik témába lenne jó a kérdésem, azért itt kérdezek.
Adott egy "Micro Audio System" ami tulajdonképpen működésileg rendben lenne (a kazetta szíj sincs kinyúlva!) viszont sajnos nem pörgeti meg a CD-t. Vagyis a lézer jó, fejet mozgatja meg fókuszál is, viszont a lemez csak gyengén párat fordul, utána azonnal feladja. Amúgy a pörgető motor egyáltalán nem hallat "kopott" hangot.Szerintetek mi lehet ennek a hibája? Maga a motor lehet rossz vagy valamelyik alkatrész a motor körül?
Sziasztok!
PC 250W tápról megy pár LED és egy 75W-os LED tápról szintén pár. Kb 10-10W-ot vesznek fel a LED-ek. Tápok közös táplálása elé mekkora F/T olvadó biztosítékot tegyek be? 20 mm-est használnék. Hogyan kell méretezni az olvadó biztosítékot? Mekkora lehet az induló áram? Köszönöm.
Mivel a primer olvadó biztosíték a hálózatot védi, 2..3,15 A-es lomhával védd. Valószínű a PC tápban is hasonló van.
Hello! A bekötetlen bázisú tranyó, a 47k és a 220µF egy impulzusadót alkot.
Tekintve hogy az NPN tranyó fordított polaritással van bekötve, így a kollektor-bázis dióda nyitóirányban, míg a bázis-emitter dióda záróirányban van előfeszítve. Egy adatlap szerint egy bázis-emitter PN átmenet, csak 5V zárófeszültséget kaphat. Viszont ha ez a feszültség eléri a 8..10V (tranyó típustól függő) értéket, a bázis emitter átmenet belavinázik, mint egy zéner dióda. Vagy is 8..10V felett, a zárt átmeneten még is fog áram átfolyni. Ezt a tranyó felerősíti, és a kondiban felhalmozott töltést a nagy tranyó bázisára süti ki. Amikor a kondi feszültsége leesik, a tranyó mintegy "kikapcsol" és a kondi újra el kezdhet töltődni. A töltés lassú. a kisütés gyors. így egy impulzus képződik, aminek hatására a nagy tranyón nagy kollektoráram fog folyni. Azért egy ilyen kapcsolás nem tartozik a műszakilag túl korrekt áramkörök közé.. |
Bejelentkezés
Hirdetés |









Amúgy a pörgető motor egyáltalán nem hallat "kopott" hangot.
