Fórum témák
» Több friss téma |
- Ez a felület kizárólag, az elektronikában kezdők kérdéseinek van fenntartva és nem elfelejtve, hogy hobbielektronika a fórumunk!
- Ami tehát azt jelenti, hogy a nagymama bevásárlását nem itt beszéljük meg, ill. ez nem üzenőfal! - Kerülendő az olyan kérdés, amit egy másik meglévő (több mint 17000 van), témában kellene kitárgyalni! - És végül büntetés terhe mellett kerülendő az MSN és egyéb szleng, a magyar helyesírás mellőzése, beleértve a mondateleji nagybetűket is!
Ezüst. Köszönöm! akkor 0,22 Ohm. W-os mennyi lehet?
Ránézésre 2 vagy 3 wattos. Meg kell nézni pár méretet, a hestore-nál a 2W-osak 10-12mm hosszúak, átmérő 4-5mm, a 3W-osak 13-17mm hosszú, átmérő 5-6. Ezek alapján el tudod dönteni.
A hozzászólás módosítva: Nov 24, 2022
Lehet színvak vagyok, de nekem ez fekete-piros-piros-ezüst és barna.
0.122R 1%
Az első fekete csík miért 1? A jó érték 0,22 ohm 1 %.
Üdv! Vettem egy elemes hordozható oszcilloszkópot, ami 40 voltig mér. Mivel én amatőr vagyok a négyzeten, szeretném megkérdezni, hogy rámérhetek-e egy olyan ledre, amin ott a 230 Volt fázis is? Egészen pontosan egy 1 µF kondenzátoron sorbakötött és egyenirányított, majd 3V zenerrel és kondenzátorral simított egyenáramról van szó, amin azt szeretném megnézni, hogy egyáltalán miféle egyenáramot kap a led. Elvileg nem lesz baja, de azért mégsem akarom gallyra vágni a 70 eurós szerzeményem
![]() Előre is köszi a válaszokat!
Megfelelő érintésvédelmet betartva ha a szkóp testje és a mérőfej között nem nagyobb a feszültség 40V-tól, akkor mérhetsz, de fémrészt nem érinthetsz a kezeddel... De ha megszakad(t) a led akkor ott biza nagyobb fesz lesz.
-- Az enyémre ráírták, hogy tönkremegy 40V mért fesz különbség felett, mert a bemeneten a túlfeszvédő kifekszik... De mérhetek ugye 400V-ig mivel a mérőfejem 10:1 osztású
Jóvanna. Jobban jártam volna ha hallgatok
Most nézem ezen is van 10:1 osztás, kérdés hogy 400 volton mennyire látja a tized voltokat, de abból nem lehet baj. Köcce KÖSZÖNÖM a válaszod!
A hozzászólás módosítva: Nov 25, 2022
Moderátor által szerkesztve
Úgy van, úgy vannak a színek ahogy írtad.
Jó reggelt mindenkinek!
Az alábbi kérdésem volna. Egy REED relés folyadékszint kapcsolóval akarok egy relét kapcsolni. 24V DC a kapcsolás feszültsége. Attól tartok, hogy a relé elengedésekor ívet húz a REED relé érintkező párja, és így nem lesz túl hosszú életű a dolog. A kérdésem az, hogy egy diódát ( pl. 1N4007) a relére párhuzamosan kötve, javítani tud a helyzeten? Szép napot! A hozzászólás módosítva: Nov 25, 2022
Üdv!
Rakj be egy tranzisztort. Bővebben: Link Lusta vagyok rajzolni, de kb így, csak B1 helyére megy a relé tekercs és vele párhuzamosan egy dióda. Ha fordított működést akarsz, akkor R1-et kösd sorba a reed relével és esetleg még a bázist egy 47k-val húzd le test fele, hogy ne lebegjen. Mondjuk nem írtad egy 40mA-es nyákrelét vagy egy Ganz kontaktort kapcsolnál. R1-et úgy válaszd meg, hogy a tranzisztor bázisa fele több áram folyjon, mint a relé áramának és bétának hányadosa. De 24V-ról egy 8.2 vagy 10k valószínűleg megteszi bármihez. Tranyó kb bármi lehet, ami a relé áramát bírja. A relé tekercsére az induktív tüske miatt kell a dióda az biztos, de a reed relék nem szeretnek terhelést kapcsolni tüske nélkül sem. A hozzászólás módosítva: Nov 25, 2022
Schneider ipari kis relé. 650ohm tekercs ellenállás.
És a REED? 37mA meg a behúzáskori és elengedéskori tüske megeshet sok, raknék egy tranyót, ha még nem kész panelről van szó, kb 30Ft vagy 5 perc alkatrész bontás.
Most nézem, vannak 0.5A-es REED-ek is már, akkor lehet anélkül is elég, de hosszútávra ha más szempontból nem okoz gondot én raknék. A hozzászólás módosítva: Nov 25, 2022
Csatolva a reed doksi.
Ipari vezérlő szekrény, nincs panel.
Kettő van benne, 0.5A és 1A-re minősítettek. Ha nem hazudik az adatlap, akkor elég az a dióda rá és valóban, vezérlőszekrényben szívás több alkatrészt tenni.
Ez az 1A változat.
Igen, pont emiatt bíztam benne, hogy elég lesz a relé A1-A2 pontokra betenni a diódát. Megpróbálom. Köszönöm a segítséged.
Én a relé meghajtó áramköreimnél a relé tekercsével párhuzamosan szoktam rakni egy 1N4148 diódát, és plusz egy 100nF kondit is.
Volt egy ATMEL mikrokontrolleres vezérlés, amiben a kontroller néha hibázott. Közel volt a relékhez, és a zavartüske meghülyítette. Először kondi nélkül készült, csak diódával, és hibázott. Akkor tettem rá a 100nF kondit, azóta stabilan, hiba nélkül működnek.
Köszönöm a tippet!
Sziasztok.
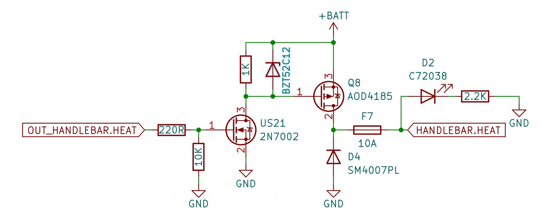
Ebben a kapcsolásban érdemes a zénert beépíteni vagy felesleges? 14.4V a max feszültség, a FET VGS feszültsége ±20V. (AOD4185) Előre is köszönöm.
Ha elfér, nagy baj nem lehet egy kis extra védelemből. A kapcsolásodból hiányzik egy ellenállás. Ha a zener kinyit, akkor annak árama korlátozás nélkül át fog szaladni az N csatornás FET-en bekapcsolt állapotban.
Na, már azt hiszem, tudom.
Egyszerűen: NEM KÜLDI EL. Még mindig ott jár a cucc, ahonnan indulna. (pedig nov. 22. rég elmúlt) Küld viszont linkgyűjteményt az üzenetablakba, többször. És nem is érti (úgy látom), hogy én miért várom az árut. A hozzászólás módosítva: Nov 26, 2022
Hali!
Nekem is van ilyen FR_LOCAL_DHL_EU postázós, nézz rá a https://parcelsapp.com/ -on ott többet látok hol tart a sajátom. Azt látom hogy Kinából indult, nem franciából és a holland posta furikáz (NL végű a követési számom) ... köze nincs a franciákhoz
Ott sem látom. Ezt írja:
Idézet: „No information about your package. We've checked all relevant couriers for «Magyarország». If the country is not correct, please select the destination country below.” Azaz nem jutottam most előrébb.
Én nem szoktam velük cseverészni. És izgulni sem szoktam a csomag miatt, se nézegetni a nyomkövetést. Vagy megjön, vagy nem. Néha két hét, néha két hónap, nagyritkán több.
Ha a cucc megjön határidőig, akkor visszaigazolom. Ha nem jön meg, azonnal dispute, és kapom vissza a pénzt. Volt, ami tényleg nem jött meg soha, és volt olyan is, ami hónapokkal a lejárat után. Ez hobbi. Ha valami munkához kell, vagy határidőre, akkor nem Alin veszem, hanem rendes kereskedőtől Magyaroszágon vagy az EU-ból. Azok a rendelések maximum egy hét alatt meg szoktak jönni, ha nincs hiány az adott alkatrészből.
Ez jó hozzáállás, és bár én nem munkához vásárolok, attól még (ami elérhető) itthon vásárolom meg. (Kicsit tartok is az Alitól, most a háromból egynél talán lesz is mitől tartan? No, majd kiderül).
Valaha mintha "victimológia alapesete"- ként olvastam volna erről: az emberek pénzt küldenek ismeretlen helyre, aztán várják az árut. De hátha igaz, hogy az Ali vigyáz erre. Nagy pénzeket nem kockáztattam még eddig, most -ha nem jön meg az áru- majd kiderül a védelem hatékonysága. Még kicsit váro, közben igyekszem kideríteni majd, hogyan kell visszatérítést kérni. A hozzászólás módosítva: Nov 27, 2022
Az Alin még sosem buktam pénzt. Az tulajdonképpen egy gyűjtőoldal, ahol cégek és magánszemélyek is árulnak. Sokan a munkahelyük mellett, másodállásban!
A felületet és a pénz kezelést adja a szolgáltató. A vevőtől hozzájuk érkezik a pénz, és az eladó addig nem is kapja meg, amíg nem igazolta vissza a vevő, hogy minden rendben zajlott. Többször előfordult már olyan, hogy nem a megrendelt terméket küldték, vagy éppen hibást. Olyankor lefotózom, írok indoklást, dispute. Az eladó persze elkezd alkudozni, hogy nem is rossz, meg használjam másra. Nem érdekel, sosem levelezek velük. Ilyenkor eltelik 3 nap, amikor is az Alis ember megnézi a bizonyítékokat, és visszakapom a pénzt. Eddig még sosem volt olyan, hogy az eladónak adtak volna igazat. |
Bejelentkezés
Hirdetés |

















