Fórum témák
» Több friss téma |
Mielőtt kérdezel, a következő két dolgot ellenőrizd!
I. A helyes tápfeszültségek megléte.
II. A kimeneten van-e egyenfeszültség.
Élesztés.
Látok még a panelen diódákat, azokra is mérj rá! Az ellenállásokat is érdemes összehasonlítani a jó és a rossz csatorna között. A képen jobb oldalon a 0,22 ohm előtt mintha meg lenne kicsit sülve.
Találtam is egy szakadt ellenállást a másik oldali 10 Ohm-hoz hasonlítva
Sziasztok!! Gondoltam megosztom veletek néhány képben, és információban az elkészült B5 végfokomat!
Igazából már több mint egy éve készen volt, de újra építettem, átdobozoltam, egy régi rossz erősítő dobozát kapta meg! Info..: 300VA torroid, két, egymástól független szekunder 2* 2*28V ALPS Blue Velvet japán potméter Ledes visszajelzésű koppanás gátló, és hangfal védelem, piros (protect), kék (main) led! Külön táp a két végfoknak Aranyozott csatlakozók Szálhúzott alumínium előlap, és alu hátlap Egyedi Alumínium polírozott hangerő, és bekapcsoló gombok.. Remélem sikerül kedvet csinálni az építéshez! ![]() Üdv! Anden
Látom adtál a helyes elrendezésre is Szép munka!
Köszönöm!! Nincs is alapzaj, sem gerjedés, és elképesztő hangminősége van, legalább is nekem..
Pisti! Csináltam egy tesztet az erősítőn. 4 db IC-t próbáltam ki. A próba úgy történt, hogy minden IC +/-15V ot kapot. A teszt a kimeneti AC feszültség mérés 1KHz szinusz jellel a megtörésig. A legnagyobb kivezérelhetőséget azOPA134 érte el, a sorrend lefelé : OPA134; LME49710; TL071; OPA604. Ezt a mérést még megismétlem +/- 17-18V al is.
Érdemes lesz a műveleti erősítő tápját növelni, mert az Output swing-ek eltérését észlelted ezzel a méréssel.
Mekkora áramot tudunk kivenni az IC felé a 2W os ellenállásokon keresztül? Én közel 10mA ert számoltam. Nem tudom az OPA134 nek mekkora áramigénye van teljes kivezérlésnél.
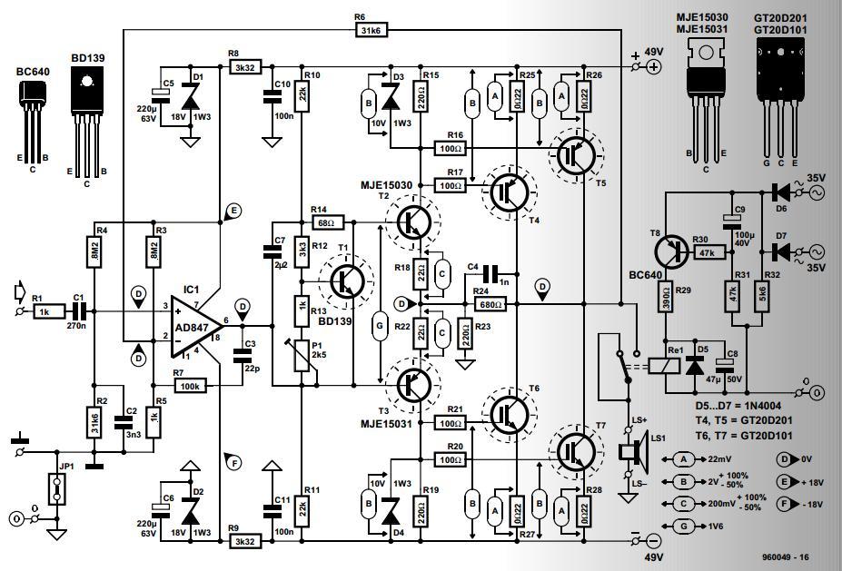
Csatolom a rajzot, hogy pozíciószámra hivatkozhass. Nem utolsó sorban így válik érthetővé a Fórumtársak számára a beszélgetésünk.
Az IC tápáramigénye a nyugalmi áramából és a kimenő pillanatnyi értékéből adódik össze. A kimenő áram csúcsértéke számításim szerint nem haladja meg az 1,2mA-t. Ha a 2W-os ellenállás alatt R6, R9-et érted akkor áramukat a rajtuk eső feszültségből tudod meghatározni.
Igen R8, R9. Bocsánat a Többiektől. Igen, így helyes, hogy a rajz is felkerült.
A hozzászólás módosítva: Dec 6, 2013
Az ezeken az ellenállásokon folyó áramot azért méretezzük a szükségesnél nagyobbra, hogy az erősítő jelentős terhelésekor bekövetkező tápesésnél is elégséges legyen.
A 18V Zenerek után az IC +-17.2V kap terheletlenül, szinuszos terhelésnél (törésnél) az IC már csak +- 16V marad. Mi a teendőm? Talán ez nem is rossz érték.
A +-91V is bezuhan ilyenkor 82-83 V ra a biztik után a nyákon mérve. A hozzászólás módosítva: Dec 6, 2013
Ezt azért mondod, mert az IC tápfeszültségének nem kéne ekkorát esnie. ?
A hozzászólás módosítva: Dec 6, 2013
A Zener dióda adatlapján esetleg megtekintheted hogyan változik a letörési (könyök) feszültség az áram függvényében. Ha már van benne Zener, legyen egy kicsit masszívabb a stabilizálás
Az R8, R9 10K 2W ellenállásokat kicseréltem 6,8K 2W ra nem esik semmit az IC tápfesz.
![]() Max. egy kicsit jobban melegszik majd. A hozzászólás módosítva: Dec 6, 2013
Akkor kérem megint a segítséged, mert ezekkel a testrészekkel és azok feszeivel nem vagyok képben.
A Zener sima Z18 2W os. Pisti a 6,8K helyett mit lehetne betenni, hogy ne süssön? 2 db 12K 2w párhuzamosan nem nyírja ki a 2_W Zenert? A hozzászólás módosítva: Dec 6, 2013
Hihetetlen, de még ennek is van témája.
![]() A Zenert csak a rajta folyó áram érdekli, mindegy hogyan épül föl az előtét-ellenállás, csak az eredője számít. Szükség esetén vedd elő a Svájci-bicskát. A hozzászólás módosítva: Dec 6, 2013
Légyszives segíts, ha előveszem a svájci bicskát akkor már nem kell többet forrasztanom.
Fixed 18V Low Dropout Voltage Regulator . Nem erre a megoldásra gondolsz?
Nem. Hagyni kéne azt az ellenállást melegedni. P=U2/R, azaz 70V*70V/6800 ohm. 720mW-tól csak nem áll fejre egy 2W-os ellenállás.
A hozzászólás módosítva: Dec 6, 2013
Sziasztok!
Szeretnék kérdezni és megoldást találni a problémámra. Erősítő kikapcsolásakor hangos pattanó hang hallható a szórókból*. Ezt hogyan lehetne kiküszöbölni? Köszönöm a választ Nem só, és nem bors. Mod. A hozzászólás módosítva: Dec 7, 2013
Szia! A pattanás a kikapcsolási tranzienstől, vagy akár a kapcsoló szikrázásától is származhat. A témájában találsz rá megoldást.
Sziasztok! Keresek olyan kapcsolást ami DC12V ból csinál 2 x 24V DC-t. A Baji elektroikának volt valami kitt je 100W teljesítménnyel. Egy kisebb erősítőhöz kéne az áramkör. Ha valaki tud egy linket küldeni, megköszönöm. Üdv
Szia!
Ebbe a topikba kellene átnézned.
Sziasztok! Ma kaptam egy ismerőstől pár régi dobozt, amiben alkatrészek voltak. Az egyik kis dobozban egy sztereó erősítőhöz való alkatrészek voltak, panelostól, mindenestől. Felrakom a kapcsolási rajzot, szerintetek hány W lehet a kimenő teljesítmény, illetve mennyiren jó/rossz a kapcsolás? Ha nem érdemes vele vesződni, akkor inkább másra használom fel az alkatrészeit.
Szia! Egy kis információ: Bővebben: Link
Szép munka! És az érintésvédelem kialakítása is fontos szerepet kapott, ami nem elhanyagolható szempont
Üdv. Ettől a végtranyótól ne is várj többet ha azt veszed hogy az egész konstrukció kb,. 30-40 éves fejlesztés ez az a kapcsolás ami illik hozzá, jól megtervezett táppal kb. max. 50-60W lehet.
|
Bejelentkezés
Hirdetés |




















