Fórum témák

» Több friss téma
Fórum » Erősítő mindig és mindig
Mielőtt kérdezel, a következő két dolgot ellenőrizd! I. A helyes tápfeszültségek megléte. II. A kimeneten van-e egyenfeszültség. Élesztés.
Lapozás: OK   1521 / 2571
(#) Primary válasza blaci hozzászólására (») Márc 12, 2014 /
 
Milyen hangforrásod van? A kékre gondolok a képen.
(#) blaci válasza Primary hozzászólására (») Márc 12, 2014 /
 
Az egy RME Babyface usb hangkártya. A hangforrás jelenleg cd, de minden zeném megvan flac formátumban is, és általában azokat hallgatom.
(#) martin66789 válasza reloop hozzászólására (») Márc 12, 2014 /
 
Rámértem az ellenállásra 101,8-at mutat a műszer.
(#) VIM válasza reloop hozzászólására (») Márc 12, 2014 /
 
Szia! Sikerült helyrehozni a kis Oriont. Találtam még egy-két ellenállást is amit diverzáns módon berakott valaki a megadott értékek helyett. Ha nem lett volna rajtam egy ilyen segítség, bizony nem is veszem észre. Elég zsúfolt ez a panel. A "T307" helyett valami "C6020", a "T305" helyett BC337 tranzisztor volt berakva. Ezeket kicseréltem és a simlis ellenállásokat is és persze a "C311" elektrolitot is, így azonnal megszólalt. ITT található egész jó leírás és panel rajz, sőt átalakított is amin nincsenek átkötések. Majd szeretném átépíteni erre az új panelra az egészet ha a tulajdonosa is úgy akarja, mert az egész egy romhalmaz ezzel a mostani kinézetével. A biztosítékok is bekerülnek majd ebben az új felállásban, hogy nagyobb biztonságban legyen a végfok. A kettős Graetz a trafónál már nem valószínű, hogy bekerül majd, mert nem sok hely van ott belül. Még egyszer köszönöm a segítségedet.
(#) martin66789 válasza reloop hozzászólására (») Márc 13, 2014 /
 
Megnézzek még valamit vagy mehet a csere ?
(#) reloop válasza martin66789 hozzászólására (») Márc 13, 2014 /
 
Más ötlettel már nem szolgálhatok, a cserét választanám.
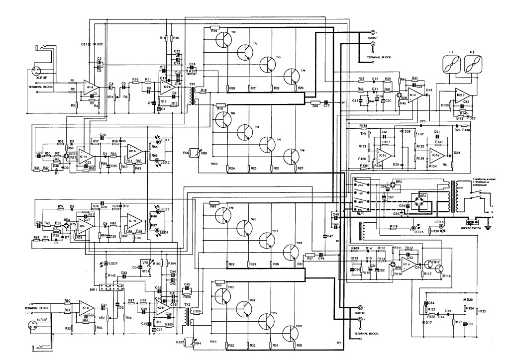
(#) szaka hozzászólása Márc 13, 2014 /
 
Sziasztok!
Pár hete hozzám került egy Hill Audio DX-800 végfok hibásan. Mai nap sikerült megcsinálnom, csak kíváncsi lennék a véleményetekre, hogy miért van transzformátor a végtranzisztorok és a meghajtó áramkör között? Valakinek volt ilyen végfoka?
Üdv

dx-1500.jpg
    
(#) martin66789 válasza reloop hozzászólására (») Márc 13, 2014 /
 
Keresgettem, de én csak ilyet találok : ami olyan 20 ezerbe van:

http://www.partmaster.co.uk/stk40271-ic-sharp/product.pl?pid=678344
(#) reloop válasza martin66789 hozzászólására (») Márc 13, 2014 /
 
Azzal kezdtem, hogy körülnéztem ki forgalmazza, semmi biztatót nem találtam: Bővebben: Link
(#) martin66789 válasza reloop hozzászólására (») Márc 13, 2014 /
 
Igen ezt tudomásul vettem hogy nehéz lesz beszerezni, de amit találtam az az lehet ?
(#) reloop válasza martin66789 hozzászólására (») Márc 13, 2014 /
 
A Partmasterről sajnos nincs referenciám, ebben nem tudok segíteni.
(#) martin66789 válasza reloop hozzászólására (») Márc 13, 2014 /
 
Azért köszi szépen a segítséget, majd lesz valahogy.
(#) steelbird válasza szaka hozzászólására (») Márc 14, 2014 /
 
Szia!
Szintáttétel, illesztés és a kvázikomplementer végfok miatti ellenütemű meghajtás miatt van ott az a trafó.
Így volt egyszerűbb megoldani. Viszont ez a minőség rovására ment valószínűleg.
(#) lukacsp válasza mythbuster hozzászólására (») Márc 14, 2014 /
 
Táp elkókat cseréld ki, hátha elkeskenyedett a kapacitása valamelyiknek.

A földhurokról szóló feltételezést visszavonom. Gyárilag nem szoktak földhurkos erősítőt gyártani. Főleg nem a japánok.
(#) tranyoval hozzászólása Márc 14, 2014 /
 
Sziasztok!
Szükségem volna egy 2 tranzisztoros hangerősítőre fejhallgatóhoz.
Elég lenne, ha 100x erősítést tudna.
Tápfesz: 9V, bemenet: 1,5K, kimenet: 32ohm..
Van itthon 2SC945 tranyó, vagy BC547.
Ha valaki tudna tervezni nekem egy ilyent,
akkor nagyon megköszönöm neki.
(#) Phoenix82 hozzászólása Márc 14, 2014 /
 
Sziasztok!

Van egy Yamaha RX-497-es erősítő,ami 3 másodperc után lekapcsol.DIAG menü működik SLEEP módban.Elvileg azt jelzi hogy DC van a kimeneteken,viszont ha rámérek bekapcsolt reléknél semmit sem mérek rajta.Földelés jó az erősítő panelon szinte már minden alkatrész megnéztem ,kimértem,táp részt szintén.Ha jól értelmezem akkor 3. AD DATA CHECK-nél detektálja az adott hibát.

Minden segítséget előre is köszönök!
(#) kowi hozzászólása Márc 15, 2014 /
 
Sziasztok! Van egy Thomson: PAV5009PL660HT 5.1-es erősítő a birtokomban.
Amikor hozzám került bekapcsolás után kiírta hogy Overload! Szétszedtem lehúztam a végfok csatiát elindult az erősítő kimértem a vég tranyókat mind jó azután pihent két hetet (balesetem volt) Mértem még egyet kettőt összeraktam és elindult úgy hogy semmit nem cseréltem benne! 5 perc után megint Overload... Mérve minden ok Dc nem jön ki De! Van benne Cur-Protect Gondolom ha nagyobb áramot vesz fel akkor tilt... Valakinek ötlet? Ha mást nem holnap kidobálom belőle az összes elkót mert erős a gyanúm az lesz a baj.
(#) Robi85 hozzászólása Márc 16, 2014 /
 
Sziasztok.

Nem régiben megépítettem az alábbi kapcsolást ami tökéletesen müködött a tegnapi napig. Elvitték kölcsön az erősítőt és úgy hozták vissza, hogy recsegve szól a jobb oldala. Külsérelmi nyom nincs rajta. Égés nyom se látható. Olyan mintha nem kapna tápfeszt rendesen a végfok. Merre induljak el a hiba keresésben?
A hozzászólás módosítva: Márc 16, 2014
(#) Beringer 600 válasza Robi85 hozzászólására (») Márc 16, 2014 /
 
Heló!
Nézd át a hibás oldalon a meg hajtó tranzisztorokat.
Vagy valamelyik vég tranyónak szakadt meg a bázis,vagy az emitter része,vagy az egyik emitter ellenállás szakadt.
A hozzászólás módosítva: Márc 16, 2014
(#) Robi85 válasza Beringer 600 hozzászólására (») Márc 16, 2014 /
 
Üdv.

Köszi a tippet, átnézem rögvest.
(#) kowi válasza Robi85 hozzászólására (») Márc 16, 2014 /
 
Szia!
Bontott elkót raktál bele?
Kondik fáradása is a készülék recsegésével jár.
(#) KMarcell1997 hozzászólása Márc 16, 2014 /
 
sziasztok(!) nekem van egy saját kezüleg épített texsas erősítőm(.) eddig jó volt és egyik pillanatról a másikra az történt hogy vagy a bal oldalon van mély vagy a jobb oldalon egyszerre meg alig van és az is torz.....
A hozzászólás módosítva: Márc 16, 2014
(#) Beringer 600 válasza KMarcell1997 hozzászólására (») Márc 16, 2014 / 1
 
Hali!
Esetleg a hangsugárzók polaritás helyesen vannak rá kötve?
(#) Robi85 válasza kowi hozzászólására (») Márc 16, 2014 /
 
Igen van benne bontott is, de nem régiek. De azok csak a táp szűrésénél vannak.
(#) subwoofer220 hozzászólása Márc 16, 2014 /
 
Sziasztok! Szeretnék vásárolni egy Pioneer A-676 Referencia erősítőt de megláttam rajta hogy 50/60Hz 220V de ami a konnektorban van az meg 230V
Kérlek segítsetek!! Tehát akkor ne vegyek ilyent?
Előre is köszönöm!Pioneer
(#) szamóca válasza subwoofer220 hozzászólására (») Márc 16, 2014 /
 
+-10% tolerancia a hálózaton még nem okoz gondot.
(#) subwoofer220 válasza szamóca hozzászólására (») Márc 16, 2014 /
 
Oh rendben! Köszönöm a válaszod! További szép napot!
(#) boris92 hozzászólása Márc 16, 2014 /
 
Üdv, kéne nekem gomba tranyós végfok terv, 100W-ra gondoltam. Valakinek valami ötlete ?
Előre köszönöm.
(#) szaka válasza steelbird hozzászólására (») Márc 16, 2014 /
 
Értem!
Köszönöm!
Következő: »»   1521 / 2571
Bejelentkezés

Belépés

Hirdetés
XDT.hu
Az oldalon sütiket használunk a helyes működéshez. Bővebb információt az adatvédelmi szabályzatban olvashatsz. Megértettem