Fórum témák
» Több friss téma |
Mielőtt kérdezel, a következő két dolgot ellenőrizd!
I. A helyes tápfeszültségek megléte.
II. A kimeneten van-e egyenfeszültség.
Élesztés.
Beállítva 14mV-ra mind a két oldal. Nem le kellett venni hanem nagyobbra állítani a potit, két bizti örült neki . Ostoba kérdés és tudom is a választ, egy áramkörben az áram állandó, két 0,33Ohm-os ellenállás van, emitter és kollektor körben végfoktranzisztoronkén, tehát elvileg akkor most már rendben kellene legyen?!
Bocs, hogy ilyen lassan gépeltem az útmutatót.
Szerintem is készen vagy. A két mérési eredmény az ellenállás értékének szórásából ered. Szerk. hogy miért van a kollektor körben is ellenállás azt sajnos nem tudom megfejteni. A hozzászólás módosítva: Feb 2, 2017
Akkor most egy pillanatra meg is állok, ez 4db 0,33Ohm-os ellenállás, és tranyónként 0,66Ohm. Most mi is van?
![]() ![]()
A sorban mindegy melyik ellenállást méred, ha egyforma az értékük. I=U/R és ezt szeretnénk cirka 50mA-re kihozni.
A számolás miatt kérdezem, hogy nem adódik-e össze az ellenállások értéke, ha emitter és kollektor körben is van egy egy ellenállás tulajdonképpen sorosan. Továbbá biztosan jó az 50mA, mármint kinyitja eléggé a tranzisztorokat ahhoz, hogy ne lépjen fel torzítás nyitáskor? Tápfeszültség 2x51,2V. A WPA-600-asban tranzisztoronként egy ellenállás van, az enyémben WNA-120 két darab tranzisztoronként.
A hozzászólás módosítva: Feb 2, 2017
Azért Mert Ez a Baji Fet is audió fetekre épülő kapcsolás,
jónéhány sikeres után építéssel.Az már csak hab a tortán hogy fettel és akár audió fet (tranzisztorral) is képes működni akár egy 2 sa 1943-2sc5200 párral ![]()
Kerested?
![]() Ennek is ugyanúgy átgondolatlan a nyugalmi áramot beállító köre. Bár az Audio fetek stabilabbak... A hozzászólás módosítva: Feb 2, 2017
Akár emitter, akár kollektorköri az ellenállás ugyan azt az áramot méred rajta, ha a bázisáramtól eltekintünk.
A tranzisztoronkénti 50mA gazdagon megfelel. Akár csökkentheted is a keresztezési torzítás megjelenésének határáig Bővebben: Link
Jó módszer! Szkóp és mérőjel hiányában tökéletes megoldás.
![]()
Másra nem tudok akkor gondolni, mint arra, hogy a kollektorköri ellenállás mint egyfajta utánhúzó áramkörként szerepel a nagy teljesítmény közbeni meghajtásnál, nagyobb áramnál a rajta eső feszültség miatt megemeli a meghajtótranzisztor emitter kollektor feszültségét és kissé lezár emiatt a végfok. Akkor a 14mV végülis meghallgatás után fülre korrigálandó ahogy eddig is tettem más erősítőknél. Sajnos a tranzisztorról nem találtam B-E jelleggörbét így nem tudom menyi a nyitófeszültsége
![]()
Létezik ilyen, hogy emitter-követő kollektorkörében egy látszólag "vak" ellenállást helyeznek el. Lehet köze a Miller-hatáshoz, vagy szolgálhat akár biztosítékként is, ha ennek megfelelő kialakítású az ellenállás. Ki tudja mire gondolt a költő?
Folytathatjuk a védelmi áramkörrel. Milyen állapotban van, mit lehet róla szemrevételezéssel megállapítani?
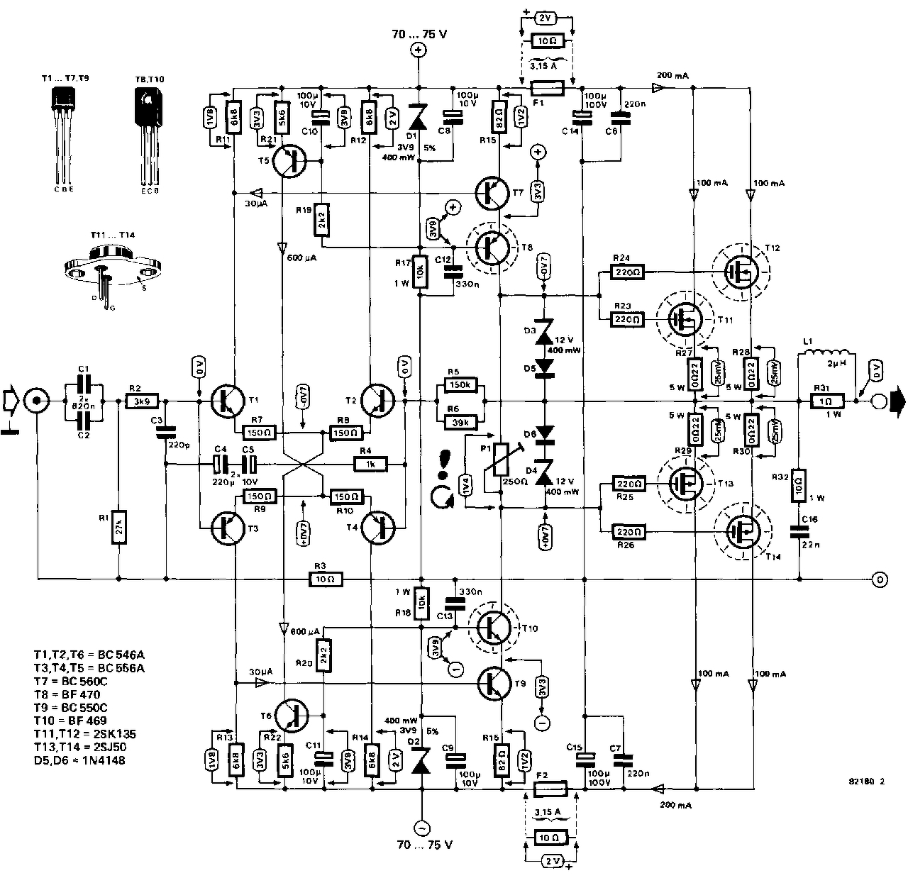
Helló, itt egy rajz, létezik nyákterv is hozzá, de nincs most nálam a dokumentáció.
Google amúgy megtalálja. Elektor német folyóiratban publikálták még a nyolcvanas évek elején, rengetegen sikeresen utánépítették. Nekem is volt, nem vészesen bonyolult, nagyon szép a hangja, és nem sokkal nagyobb fáradság megépíteni, mint a gagyikat. Egy hátránya, hogy audio fet kell bele, és a 2SJ50 meg a párja már nem kapható. Némi utánjárással van helyettesítő, és árban is megfizethető. A szutykokkal kínlódás helyett, ezt célszerű megépíteni, mert ez valóban hoz eredményt, és a befektetett pénz, idő és munka, nem megy pocsékba. Összerakod, picit állítgatod, és utána nincs több görcsölés, ellenben van egy jó végfokod. Szubládához van nagyobb verziója, kisszobába élvezkedni pedig kisebb kivitel is létezik, 70W/modul tudással. Én már csak PA analóg bipolárisokat építek, de ha fetest kellene, a Crescendókon kívül a többi kézen-közön fellelt rajzokat jórészt hanyagolnám!
Értem én, hidd el.
![]() Azt is elhiszem hogy működik, de aminek ennyire ősprimkó a kapcsolástechnikája, azzal mindig lesz küszködés, hiszen 3 aktív és 3 passzív alkatrésztől ne várjunk csodákat. Ahhoz, hogy egy adott áramkör az adott feladatra kifogástalan legyen, vannak bizonyos felépítési alapelvek, részáramkörök, amelyek bizonyos szintű megléte nélkülözhetetlen a stabil, jó működés elérése céljából. Ez a Baji-izé nélkülözi mindazokat az alapvető funkcionális elemeket, amik nélkül nem nyerhetünk sem stabilitást, sem kifogástalan hangminőséget. Úttörőszakkör-szintű ez a rajz, mintha egy régi szovjet barkácsújságból ollózták volna ki. Legcsekélyebb rossz szándék mellőzésével, és maximális jóindulattal a fentiek miatt NEM javaslom a megépítését,persze ettől még csináltok amit akartok! ![]()
Sziasztok. Keresném IRAUD-350 amp kapcsolási rajzát. (Utána pedig egy kis segítséget az erősítő javításában.) Már ott tartok hogy a "zárlatos" alkatrészek kikerültek,a maradék bent maradt ellenállást és kondit újramértem,ők jók. Most kerül bele majd az IRS2092S aztán a végfetek,a védődiódák,pár kisebb kondenzátor és meglátjuk mi lesz (vagy nem lesz
![]() ![]()
Mire gondolsz? Mi az adott feladat amire kifogástalanul meg kell hogy feleljen?
Nekem: 40-200Hz ig torzítatlan kimenet, Táp +-82V, 8ohm 400W. Erre alkalmas lenne az Elektoros kapcsolás? Szerintem az lenne szenvedés mire be tudnám illeszteni a rendszerembe. Már kérdés, hogy abban igazat adok hogy van egy minimum alkatrész és kapcsolás technika amiből érdemes hifi erősítőt építeni, a gyári erősítők sem ennyire minimum alkatrészből állnak pedig ott spórólás van. Ettől függetlenül én a feladathoz választanék kapcsolást és nem a kapcsoláshoz feladatot. Széles sávra, egy itt lehurrogott Fetest használok és akár hogy mértem mindent amit csak tudtam Frekvencia átvitelt, linearitást, több szálon egyszerre több frekivel, nem értem miért van lehurrogva. Annak hogy miről jön a műsor és milyen hangfalt teszek rá többet variál a hangba mint a végfok. Azt cserélgettem és én se talátam ki mikor melyik szól, pedig a másik tranyós volt. Az is lehet, hogy sok kapcsolástechnika a korszerűtlen alkatrészek miatt alakult ki. Pl: alacsony feszültség tűrés, nagyobb veszteség, lomhaság stb.. Szóval egy 40 éves kapcsolást lehet, hogy fel lehetne korszerűsíteni és mai lenne. Ha a paraméterei megfelelnének (tápfesz, teljesítmény) ki is próbálnám.
Igen, értelek. 400W-tal szeretnél megküldeni valamilyen hangrendszert (te tudod hogy milyet), de ha a rendszered fel is tud dolgozni ekkora kakaót, akkor az valami normális motyó lehet.
Egy ilyenre hangminőségileg is kétséges ráakasztani valami primkó végfokot, ám még nagyobb baj, ha ez a szörnyedelem valamiért kitalál egy DC elmászást, és kiégeti a hangszórókat. Gondolni kell erre is, a hangszóróvédelem pedig csak egy mentőkötél, a legvégső esetekre. Nem szabad elbizakodottan a védelmekre bízni hangsugárzóid egészségét, hanem elve stabil, hibamentesnek tervezett áramkört kell építeni. Ha a 2x140W-os Crescendo kevés, létezik nagyobb verzió, kicsit utánaszaglászol, a neten megtalálod. Vagy utánépíthetsz egy "Ágicát", a rajza hozzáférhető kézen-közön, azt sem tartom tökéletes jószágnak, de hát olcsó kapcsolófettel megy, szakember tervezte, a felhasználók nem panaszkodtak rá különösebben. Mindenki azt mondja, megbízható, szépen is szól, kakaó is van benne bőven, a DC stabilitása is kielégítő. Tehát van alternatíva bőven! Vagy nem kell ragaszkodni a fethez, nálam párhuzamosan készül egy Kiso 800W utánépítés, és egy Apex H900 áramkör, mindkettő full analóg, bipoláris, nagyteljesítményű végfok. Egyszer kell megépíteni és beállítani, aztán onnantól csak hajtod, hajtod és hajtod, és nincs rettegés, hogy mikor kúrja ki a drága szórókat, egy nyomorult DC instabilitás miatt. Hangminőségük állítólag rendkívül jó. Ha van jó megoldás, miért választanánk a rosszabbat? ![]()
Én eddig 11 darabot építttem eből a fetes ,,baji" kapcaolásból. Senki nem panaszkodik a hangjára. Sőt!! Dc instabilitásról meg anyit nekem hídalt verzió dolgozik.(átvan kicsot tervezve azberedeti) 800w rms ! És komoly remdszere mertem rá kötni mert van.hamgszóró védő .És sosem volt vele gond. Hogy dc probléma lett volna. Pedig nincs kimélve villog ám a clipp. Bent van ám a reckbe sűt fűt . És megy évek óta
![]()
Olvasgatom az erősítős írásokat,elég sokat,de valaki segítsen már nekem.A kérdés az lenne,egy quad után melyik az ami valóban előrelépés lenne.A B5,Hiraga,Otala.... ??? A gondom az,hogy nem találok az írásokban nagyjából sem azonos ajánlást.Köszi előre is, ha valaki szán rá időt,hogy segítsen.
Attól függ. Hangerőt vagy hangminőséget keresel? Jobb szereted inkább "szoba" hangerőn hallgatni és élvezni a zenét,vagy jobban bírod a brutálisabb metál zenéket mondjuk (és persze az ahhoz kellő teljesítményt is) cserébe a hangminőség kisebb lesz. Melyik úton akarod folytatni?
Itt emlegettük korábban, a Crescendo 2x140W fetes végfok.
Eddig amikkel dolgom volt, ennek volt a legszebb .. minek is nevezzem?... talán hangélmény, amit adott. A Quad egy nulla ehhez képest. Szerintem ár/érték arányban az egyik legjobb, aztán hogy a megszállott audiofilek mit mondanak erre, az más kérdés. Bipolárisban pedig állítólag nagyon jó a PPA 300, az enyém még nem készült el, érdemben nem tudok nyilatkozni, viszont a kapcsolástechnikája alapján ez is kiváló minőséget adhat. Még puccosabb erősítőkhöz sajna nem értek.. ![]()
Nekem nem a a wattok kellenek , a quad is sok.Ezért gondolkoztam a JLH -B5-.. vonalon.A gondom csak az,amikor az építésükről írnak akkor mindegyik fantasztikus ,közben meg máshol egymást fikázzák az építők. Akkor most kinek higgyek?
Ha minőséget akarsz hagyd el a félvezetős technikát. Igen vannak ott is meglepően jól muzsikáló erősítők,de verhetetlen (és kategória győztes) az elektroncső. Börzéken könnyű beszerezni,talán a drágább alkatrész a kimenő és a táptrafó de nagyon megéri a belefektetett munkát. Ha viszont félvezetők vonzanak jobban abban én nem tudok segíteni sajnos (többnyire csövesekből tanultam valamennyit,nekem is csak javasolták az elején de nagyon meggyőző hangjuk van).
![]()
Háát nagyon szeretnék egy olyan stabil végfokot amihez nem feltétlenül kell koppanás gátló. Engem zavar, hogy összeomlik a kimenet kikapcsolásnál. Volt egy Robson DX300 asom, csapnivaló egy panel volt benne küllemre, de úgy be volt állítva hogy se bekapcsoláskor se kikapcsoláskor nem volt koppanás. Épp hogy huppant halkan. 150W volt oldalanként 8 ohmra és darlingtonos volt duplázva. Ha elég lett volna a teljesítménye maradhatott volna.
Azt hallozzam e teljesítmény felett már nincs olyan ami nem koppan. Számomra innentől csak alkatrész megbízhatóság kérdése a történet. Nyilván az olcsó alkatrész, valamiért olcsó. A Drága meg valamiért drága. Ha van rá idő energia és anyagi keret akkor mindenképp én is a jobbat stabilabbat javaslom. Ami még ehhez hozzá jön hogy segítség nélkül nehezebb, azért választottam a Baji fetest mert, rengetegen megépítették, van jó tapasztalatuk és segítség is. Ettől még nem tartom a legjobbnak, csak lusta vagyok új utakon járni (egyenlőre legalábbis) Neked meg jó munkát! Majd publikálhatnád ha kész van.
Sajnos ,,fikázák egymást" de merem állitani a legtöbb egyetlen egyet sem épített meg. Ránéz a kapcsólásra . ,,nem kidolgozott. " Mégis. Iszomyat stabil. Szimte mindent elvisel alkalmazható 2-8 ohmog . Perszebfeszűltség fűggvényében.És a hangja sem.rossz
Tranzisztorosban gondolkodom, abban van valamennyi tapasztalatom.A csöves nekem nagy falat lenne.Nem tudom van e értelme estleg a quad javított változataival foglalkozni,korszerűbb alkatrészekkel.De leginkább a B5 szimpatikus,nem túl nagy befektetés.
Nálam csak a Quad -405 -nek az urban féle 200W-os verziója volt,bár a sima 100-ashoz képest érdekes hangja volt. Azután álltam át a csövekre így sajnos többet nem tudok segíteni.
![]()
Nekem higgyél!
![]() ![]() Van kisebb, fetes Crescendo is, 70W/ csatorna, egy pár audiofettel. Hangminősége ugyanolyan jó, mint a nagytesóé. Látom, javasolták a csöves végfokot is. Na ezek is csodaszépen szólnak, de csak akkor, ha tudsz szerezni vagy készíteni tisztességes kimenőtrafót. Ha ez nem megoldható, ne erőltesd, mert a kimenőtrafón áll vagy bukik egy-egy ilyen móka. Ma már beszerezhetők valóban jó félvezetők, emberi árkategóriában, tehát egy-egy szépen kimunkált fetes vagy bipoláris végfok megépítése, egyáltalán nem rossz választás!
A 70w-os ról merre találok infót?
urbánt inkább hagyjuk..
![]() A Sipos-féle Quad, pár módosítással, jóval értelmesebb, nyilván persze nem a 709, 741, BD249 félvezetőkészlettel, de máskülönben egyik quad sem jó igazán, nem szerettem sose. Jó párat építgettem, megvan az az előnye, hogy összerakod, garantáltan működik, és amit tudnia kell, azt tudja is. De a full komplementer kapcsolások, normálisan összerakva, normális félvezetőkkel, üzembiztosabbak és szebben is szólnak. U. úrnak a termékei a teljesen amatőr kategóriába valók, kezdőknek, alacsony igényességi szinten. Nem bántom az úriembert, csak hát ez a helyzet, minek szépítsük..
várjál, mindjárt keresek rajzot..
|
Bejelentkezés
Hirdetés |