Fórum témák
» Több friss téma |
Mielőtt kérdezel, a következő két dolgot ellenőrizd!
I. A helyes tápfeszültségek megléte.
II. A kimeneten van-e egyenfeszültség.
Élesztés.
A JFET-et azért vettem ki, mert vagy válogatni kéne, vagy még egy poti kerülne a rendszerbe az áram beállítása érdekében. A D6, D7 diódák nyitófeszültsége áramfüggő, ezért ajánlott a táphullámosságtól mentesíteni az előfeszítő áramot, aminek ebben az alkalmazásban 3 mA a tipikus értéke. Az R27-et elfelejtett átírni, a valós értéke 3k3 legyen!
A FET nagyszerű áramgenerátor, de az Ugs vs Id nagy gyártási szórású, ezért inkább eltekintenék az alkalmazásától. Az R3 a T3-T8 áramát állítja be kb. 8 mA-re. Ez is tipikus, bevált érték. Az R8 értékénél az volt a szempont, hogy túlvezérlésnél, mikor T3 emitter-bázis diódaként viselkedik, a rajta folyó áram ne érje el a 3 mA-t, amitől leállna a T4 áramgenerátor és így reteszelődne az áramkör. Az R9 határozza meg T4 áramát, ami elvileg az R5 áramának a kétszerese. Az R5-ön folyó áramnak akkora feszültséget kell ejteni az ellenálláson, amitől a T8 munkapontba kerül, ez R16 értéke szorozva 8 mA-rel + egy P/N átmenet. Az R9-nél kicsit csaltam, hogy a kimeneti DC feszültség közelebb kerüljön a 0 V-hoz. Az R20, 27-et már érintettem, a C1 szűri R20 feszültségét a táphullámossággal szemben. Ez egy nálam bevált eljárás. A nyugalmi áram állító ellenállás osztó megoldja, hogy a poti csúszka érintkezési hibánál leessen a nyugalmi áram és ne egymásra nyissanak a végtranzisztorok. Ennek a leckének az igazi megoldása: potival beállítod az üzemmeleg erősítőt, megméred a potin az aktuális értéket és fix ellenállást ültetsz be a helyére. Ehhez csak akkor kell hozzányúlnod, ha végtranzisztort vagy meghajtót cserélsz. Reméljük nem kerül rá sor. A hozzászólás módosítva: Júl 22, 2024
A GFA 555 nagyjából összeállt. A biztonság kedvéért érdemes belerakni oldalanként egy ~1µF csatoló kondit? (Gyárilag dc csatolt a kapcsolás), 22k a bemeneti impedancia.
Nagyon szépen köszönöm!
Ahogy látom, sok olyan dolog van, ami tapasztalati úton "jön". Módosítottam a kapcsolási rajzokat, és a NYÁK tervet is. A nagyáramú részeket leszámítva minden vezetősáv 0,5mm lett a 0,254 helyett. A nyugalmi áram beállításához precíziós(abb) trimmert próbáltam választani. U4 műv. erősítő még kapott egy-egy szűrő kapacitást a "+" és "-" ágra. Az lemaradt, ha jól láttam. Azt hiszem egy lapra majd felírom a dolgokat és lépésről lépésre a magamévá teszem. Elvégre ez a cél, hogy tanuljunk (tanuljak) belőle. Azért feldobom a terveket, ha van időd (időtök), hátha valamit nem látok. Ha minden ok, akkor megy a gerber kínába. Hálás vagyok, mindannyiotoknak! A hozzászólás módosítva: Júl 23, 2024
Az erősítő C8 kapacitás értéke 47 uF, nem 4,7 uF.
Az U3 így már rendben lesz. A panel elrendezés megfelelő, azért a teljesítmény fokozatban még növelném a vezetősávok szélességét. Táp a végtranzisztor kollektorokig 2mm, Q2, Q12 kollektor és emitter körében 1 mm, végtranzisztor emittereket a szenzorral összekötő sáv 3 mm megnyugtatóbb lenne.
Szia!
A 47µF-ot javítom. Megnézem, mi fér el! Egyébként nem "hasra" találom ki ezeket, Saturn PCB... Javítom és hatalmas köszönet a sok segítségért!
Üdv!
Ismét szükségem lenne a segítségetekre a lenti kapcsolás miatt. A kérdőjellel megjelölt kondenzátor szerepe érdekelne. Az npn, illetve pnp tranzisztorok bázisait köti össze, 1µF kapacitással. Számomra ez ismeretlen megoldás. A nagy teljesítmény, illetve a hosszú bázis vezetők hatásait kompenzálja?
A végtranzisztorok kikapcsolását hivatott gyorsítani a nullátmenet közelében.
Nem igen láttam még ilyen megoldást. Esetleg van valami negatív hatása is, ami miatt a legtöbb kapcsolás hanyagolja a használatát?
Szia! Ahol, az A-osztályú működés érdekében a meghajtók tranzisztoroknak közös az emitter-ellenállása ott többnyire megtalálható ez a kondenzátor.
Legjobb tudomásom szerint nincs hátránya. Akkor különösen fontos, ha a meghajtókat alacsonyabb árammal működteted, vagy több pár végtranzisztort kell hajtani. Lehet rá példát találni több nagy gyártónál is.
Köszönöm a válaszaitokat! Nem túl sok infót találtam erről, de azért volt néhány szál a külföldi fórumokon.
Néhány példa.
Nos, az erősítő megkapta ez eddig elmaradásaimat. Azt kell mondjam, hogy a hangja teljesen vállalható. Egyébként is nehezen tudom elfogadni, hogy csak azért ne lenne ez egy jó hangú erősítő, mert differenciál bemenetű. Mivel ez egy nagyon régi kapcsolás, szerintem befért volna az 5, 10, 15 évvel ezelőtt tárgyalt nagyobb teljesítményű kapcsolások közé. Könnyen építhető, szintén könnyen éleszthető, nagy teljesítményű, stb... Ha esetleg kapott volna egy túlterhelés védelmet (szerintem nem létfontosságú), egy teljesen használható amatőr végfok lehetett volna belőle. Tudtommal a legtöbb meghibásodást az alulméretezett alkatrészek okozták ennél a típusnál.
A hozzászólás módosítva: Aug 7, 2024
Lehetett volna kísérletezni vele, hisz az Adcom is így tett az évek során. Viszont az is igaz, hogy máig használatban vannak ezek az erősítők is. Az egyszerű clipet, hidalhatóságot, illetve hővédelmet is ötletesen megoldották a kapcsolában. Szerintem teljesen jó alap.
Leginkább arra gondoltam, hogy ennyi végtranzisztort már meg lehet hajtani egy azonos típussal. Megbízhatóbb, strapabíróbb lesz a végfok. A mostani TO-220-as meghajtót pedig az első meghajtó helyére tenni át. Mint itt:
Az 555-nél csupán 4 pár végtranzisztor van. Ennél mar csak az alacsonyabb kapacitás miatt is, szerintem rendben van a TO220. Az 565 már más kérdés. Az gyárilag 10 párral jött ki, a közel 1000 Watt/2 Ohm miatt. Annál már Njw3281 és a párja van a végtranzisztorok előtt. Mivel nem tervezek azzal sem 2 Ohmra, így nálam egyelőre az is csupán 5 pár kimenettel lesz megvalósítva.
Akkor én néztem be. A képeken elég sok tranzisztor van és a gyorsítókondis képen is a 10 páros verzió volt.
Azért van egy kis kavarodás, mert az 565 típust hoztam fel témának a tulajdonságai miatt, de közben elkezdtem építeni a 555-öt. Az 555 egy jóval egyszerűbb, illetve valamivel kisebb teljesítményű modell.
Sziasztok! Javított már valaki a csoportból Yamaha p2100 végfokot?
Hozzám került egy gyári állapotú és mind 2 csatorna halott, összes dióda,tranzisztor jó a kimeneteken a dc+ táp kint. Tápok rendben vannak. Ami eszembe jutott már át néztem.
Szia! Mend It Mark például felújított egy nagyon hasonlót és le is videózta. Bővebben: Link A mozit a kapcsolási rajzhoz tekertem. Neki úgy billent el az erősítő, hogy nem kapott testet a végfok a bemenet felől. Annak hiányában áram nélkül marad a diff. erősítő és a boot-strap ellenállásai nyitják a pozitív oldali teljesítmény tranzisztorokat.
Berajzoltam mely pontok kell között kell vezetést észlelned. A nyíl mutatja a bementi test sasszira kötését ahol például elromolhat az érintkezés, de lehet a pufferekről jövő tápközép (E) és a sasszi között is szakadás. Ez utóbbit nem látom a rajzon pedig pont úgy kell legyen mint a P2201-nél.
Sziasztok! Nekialltam epiteni ezt az erositot:Bővebben: Link Kulon tortura volt beszerezni a felvezetoket, legalabbis olyanokat, amirol elhittem, hogy eredeti. Kulonosebb kerdesem nincs az ugyhoz, de par naponta teszek fel kepet, hogy all.Osszessegeben draga holmi egy hasonlot osszerakni. Eredeti panel hutobordat nem talaltam, igy azt kivaltottam HQ-sra. A vegtranyoikat Conradtol hozatom, van rola mubizonylat, hogy nem hamis.
Nézegettem aliexpressen ezeket a paneleket, és nem tudtam eldönteni, csak panelt küldenek, vagy adnak alkatrészlistát, esetleg kapcsolási rajzot is?
A hozzászólás módosítva: Aug 14, 2024
Miért nem fordultál valamelyik hitelesebb külföldi forráshoz? A Mouser szerintem általánosan elfogadott ebből a szempontból.
Meg nem rendeltem meg. Lehet hogy mouser lesz a vege.
VAn osszeszerelve keszen is. Csak abban mi a moka?
Találtál erről valamiféle hiteles infót, vagy mérési eredményt? A kínaiaknak vannak jó, meg jónak kinéző erősítői. Tényleg jó móka az összerakás, de azért az sem baj, ha az eredmény is használható.
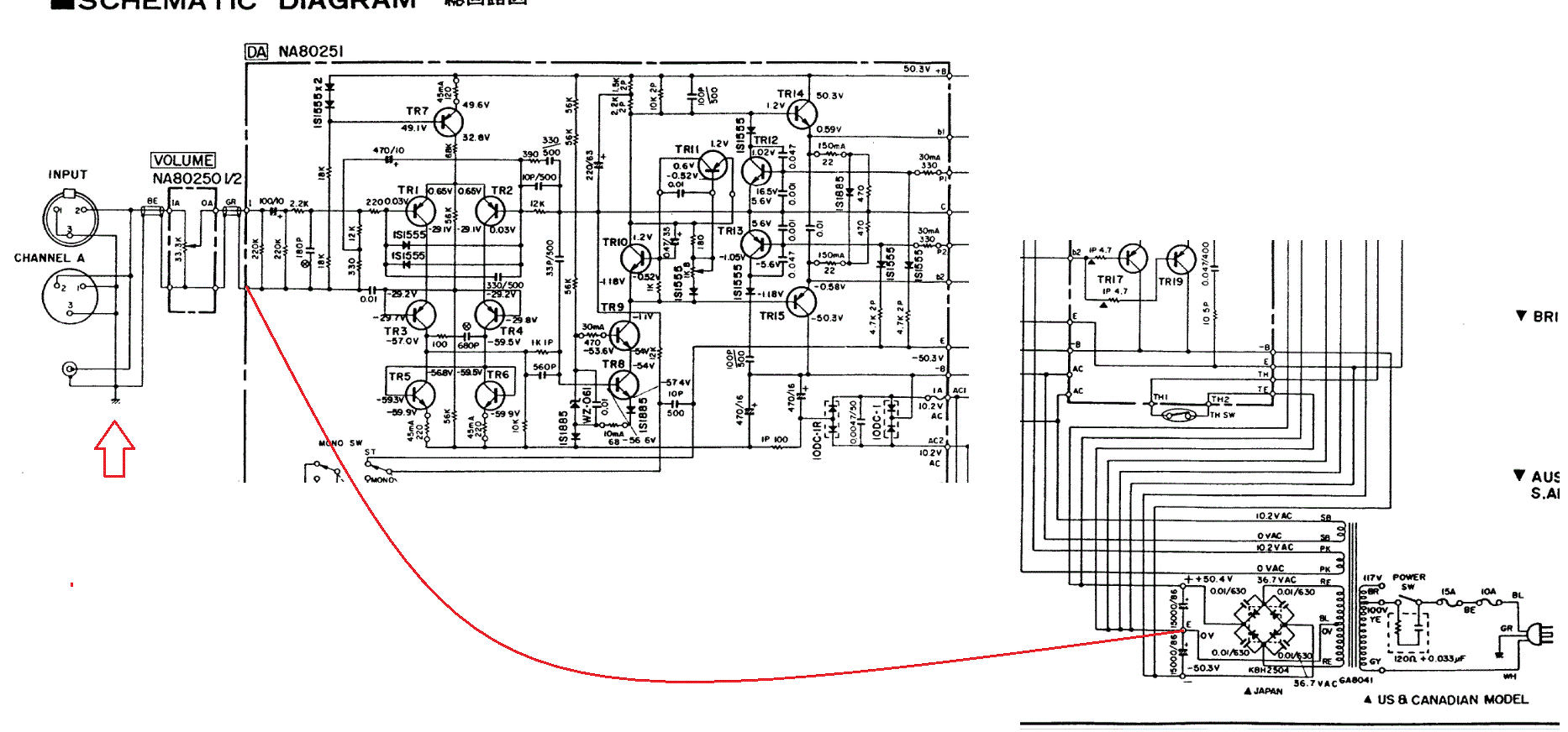
Itt megtörtént a tp össze kötés,ennek ellenére a dc+ akkor is ki ül a kimenetre. Amit egyszerűen nem tudok hová tenni hogy a tr9 b-e megvan a -50xx fesz viszont a kollektoron már a +43v mintha nem működne a tranzisztor. Kiveszem mértem jó.
Lehet jó a feszültség, de kevés az áram. A TR8 68 Ω emitter-ellenállásán mennyi esik?
|
Bejelentkezés
Hirdetés |














