Fórum témák
» Több friss téma |
Mielőtt kérdezel, a következő két dolgot ellenőrizd!
I. A helyes tápfeszültségek megléte.
II. A kimeneten van-e egyenfeszültség.
Élesztés.
Szia! Nem fontos, hogy szétszedjem őket, csak gondoltam ha valamit lehet belőle építeni akkor miért ne, mert én nemhasználom őket, és csak azért szerettem volna hogy meglegyen az építés öröme, meg hátha jólszól! Mindegy azért köszönöm a segítséget, de ha valakinek van valami ötlete akkor szívesen várom!
Szia!
Attól még építeni lehet, csak nem nagyon értem mit szeretnél. Idézet: „van itthon 2db BOSE erősítőm ami nagyon szépen szól,” Most itt két erősítőre gondolsz, vagy csak erre a két panelre? Ha van nem működő erősítőd, amiben pl. benne van a táp, akkor itt a HE-n találsz elég sok kapcsolást, csak válogatni kell. De ha nincs hozzá semmid, akkor érdemesebb megvenni az építendő kapcsoláshoz való dolgokat, mert akkor sokkal egyszerűbb dolgod lesz.
Ezek PWM végfokok. Az ilyesmit nem szokás szétbarmolni, pláne ha jól működik. Inkább egy tisztességes tápot építs hozzájuk. Ha pedig valóban nem használod és nincs rá szükséged, akkor add el, nem lesz nehéz rá vevőt találni. Milyen készülékben voltak ezek?
Hello! Azért szerettem volna ezekből kiszedni, mert ami itt van bolt az elég drága, meg eddig mindig rossz alkatrészeket adtak és én annyira nemértek ezekhez hogy megtudjam állapítani, hogy hamis-e.
Szia!
Hogy lehet tápot építeni hozzá? Ez egy Audi S6 os gyári BOSE hifije 2db 13cm es bose hangszóróra volt, minden hangszóróhoz van 1db ilyen erősítő, szobába szeretném használni, de sajnos elhalkul 1-ohm os hangszórók voltak rajta gyárilag! Valamit nemlehetne vele csinálni, hogy kicsit erősebb legyen? Vagy valami jo kapcsolás kellene ami ténylegszépen szól és van hozzá nyákterv! Köszi Máté!
Jut eszembe van 2db toroid trafóm, ami eggyütt tud egyszer +/- 25V ot és +/- 45V ot meg van még egy ami +/- 36V os ebből van 2db is szóval csak erősítőt kellene hozzájuk csinálnom!
ismeri valaki a Tina-t? Hogyan lehet normálisan betenni spice makro modelleket?
Ez egy elég különleges erősítő, telis-tele PWM specifikus alkatrészekkel, nem nagyon tudnád felhasználni őket. Milyen célra akarsz erősítőt? Milyen hangsugárzókat hajtanál vele? A trafóid, feszültség szempontjából szinte bármire jók lehetnek, de a teljesítményüket nem adtad meg.
Szerintem itt érdeklődj a Tináról
Sziasztok!
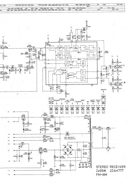
Kellene egy kis segítség, van egy Philips AH777 típusú erősítőm, a mellékelt rajzon, a 7304-es alkatrész, ami egy BD135-ös tranzisztor, nagyon melegszik, az eredeti el is füstölt helyettesítőnek egy BD139-et raktam be, aminél ugyanez a jelenség. Ráraktam egy régi számítógép teljesen réz hűtő bordáját, de az is felmelegszik annyira, hogy nem is lehet megfogni. Közben az erősítő bal oldala periodikusan el kezd sisteregni. Mi okozhatja ezt a hibát és a tranyó túlmelegedését? Nagyon sok alkatrészt kicseréltem már az erősítőben(összes kondenzátort, Z-diódákat, pár ellenállást, tranzisztorokat, amikre mindre raktam hűtőbordát) és semmi változás. Lehet a tekerccsel van valami gond, vagy az egyenirányító diódákkal?
Szia!
Én ellenőrizném a tápegység diódákat, utána kicserélném a 10000µF-es puffert. Majd kivenném a 315mA-es biztosítékot és megmérném mennyi áram folyik ott. Ha jó a puffer akkor az átfolyó áramból lehet következtetni a terhelésre.
Van BOSE acoustimass hangsugárzóm és ahhoz kellene mert egy kenwood erősítőröl használom pke, de az nem egészen úgyszól, ahogy kellene és azt kellene átalakítani, a teljesítmény kb 100-150W rms kellene 4ohm on.
A puffereket már kicseréltem. Megnézem akkor a diódákat, meg a biztosítót.
Hali.
Csináltam havenak egy erősitőt TDA2052es ICkböl. Vagyis pontositanám, volt készen egy ilyen végfok panel amiben ilyen ICk vannak. Összeraktam, lkiprobáltam és tökéletesen szólt. Videoton D 2050 E hangfalakkal. Nah most elvittem neki és nála ha 3asnál nagyobb a hangerő akkor pattogva szol, akadozva, mintha megállitanám a zenét egy pillanatra és ujbol elinditanám. Elöször a dioda hidra gyanakodtam mert csak 4Amperes de kicseréltek egy 20Amperesre és igy is csinálja. Neki 4 Ohmos Schneider hangfalai vannak. Lehet hogy csak 8 Ohmossal lehetne használni?
Sziasztok.
Már feltettem a kérdésem más stk-s topicba, de úgylátszik senki nemlátogatja őket ezért gondoltam hogy ittis megkérdem, ugyanis ezt a topicot napmint- nap olvassák. No akkor bele is vágnék. Kb 1hónapja építettem egy végfokot stk401-120-as ic-vel, és a probléma az volna vele hogy kis hangerőn is torzít, olyannyira hogy az már zavaró. A hangerővel semmi gond, piszkos nagyot szól. Azért is választottam stk ic-t mert hifi minőségű cuccost akartam összehozni. A panelt többször is átnéztem és minden alkatrész teljesen oké, a tápfesz is stimm. Lehet hogy valami koppincs ic került hozzám (hqvideós). Remélem tudtok javasolni valami orvosságot. Hinar83
Szia! Miről hajtod? Milyen rajz alapján készült?
Egy IPod-ról próbáltam ki. Több hangfallal is kipróbáltam, gondoltam hátha az a hibás. Egyébként az ideális tápfesz 2x38v ha jól tudom de elvisel ötven valamennyit is, én 2x47v ról hajtottam.Az adatlapján szereplő terv alapján, készült a panel. Gondolom az csak jó lehet.
Üdv.
Hello,
az lenne a kérdésem h van itt olyan hogy előerősítő hangerőszabályzó hangszínszabályzó és végerősítő. ezeket milyen sorrendbe kell bekötni?
Először a hangerőszabályzó, utána a hangszínszabályzó, utána a végerősítő.
Előerősítő ,hangerőszabályzó hangszínszabályzó végerősítő!
Hali én úgy tudom hogy:
Előerősítő->hangszínszabályzó->hangerőszabályzó>Végfok. Még csak 1 ilyesmi cuccost csináltam szóval várj még egy kicsit amig más is elmondja a véleményét, de szerintem így kell.
Ne szedj szét mindent! Hidd el, hogy jobb lesz félrerakni! Én egy csöves rádiót szedtem szét és ajándékoztam el. Mostmár tudom, hogy mit vesztettem, akkor pedig azt gondoltam, úgysem lesz jó semmire...
Jó így is, az a lényeg, hogy a hangerő, és hangszínszabályzó a végerősítő előtt legyen.
[OFF]De a GU-50-es erősítős rajzomban két meghajtócső (előerősítő) között van a hangszínszabályzó, az elején meg egyből a hangerőszabályzó.
Igen, ez a helyes.
A hangerő és hangszínszabályozásnál romlik a jel/zaj arány, ezért kell legelőször előerősítő, hogy a zajt ne erősítsd, utána hangszín és csak utána a hangerőszabályzás (hangszínszabályzó kivitelétől függően tud kiemelni->ne leosztott jelet erősítsen, ill. ha passzív, akkor legyen elég jel).
Igen, már rájöttem énis, hogy inkább egyben hagyom, mert ami működik azt nem piszkálom inkább, viszont lenne gy kérdésem, hogy van egy szoba rádiós erőstőm (kenwood) és ugy szerettem volna csinálni, hogy a hangszín szabályzo és a hangerőszabályzo és az előerősítő után levenni az rca jelet, de nemtaláltam meg sehol rajta, szeretnék rákötni még egy erősítőt úgy hogy ezen tudjam állítani a hangerőt és a bemenetet is. Most úgy van megcsinálva, hogy egy ilyen átalakító van rajta, amit a hangszóró jelre kell kötni és rca dugó jön ki belőle és azt köthetem a másik erősítőre, de így kicsit nagyobb hangerőnél már kicsit torz hangot ad, kopog stb.. Remméllem érthetően fogalmaztam, bár ez sosem volt az erősségem!
Keresd meg a végfok bemenetét és onnan vedd le a jelet egy 1 - 2,2 µF-os csatolókondival (MKT,MKP,MKS)
És hogy találom meg a bemetetét? Veztessem végig a potitól?
És még annyit, hogy a csatoló kondit sorba kell rá kötni? Köszi!
Sziasztok!
ennek a hifi-nek két nagyobbik hangszóróját szereztem meg. Mit hogyan csináljak, hogy megszólaltassam őket? milyen erősítő kell hozzá? kapcsolási rajznak nagyon örülnék! összeforrasztok én mindent, de amúgy teljesen gy*kér vagyok a témához, szóval, ha valaki idegesítően részletesen leírná, hogy mit hogyan, nagyon megköszönném!
A kivezetéseit kösd rá egy erősítőre, aztán hadd szóljon
Ha nem értesz hozzá, akkor olvasd át figyelmesen az erősítős témák erre vonatkozó hozzászólásait. Ha ezen túl leszel, máris előrébb vagy. Pusztán távsegítségre támaszkodva, nem fog menni. Valami egyszerű, ícés végfokot javasolnék elsőre... |
Bejelentkezés
Hirdetés |









