Fórum témák
» Több friss téma |
Mielőtt kérdezel, a következő két dolgot ellenőrizd!
I. A helyes tápfeszültségek megléte.
II. A kimeneten van-e egyenfeszültség.
Élesztés.
Mindenkitől "sorry" a "hülyeségeimért". Szóval: a trafó; 430-2030A.3 1x18,4V 2x7,4V, csak még azt nem tudom ,hogy melyik vezetéken mi jön...
Típusa: 2030A.3 BACK-UPS 650 TRANSFORMER A secunder oldalon 6 vezeték van, 2 db kék, 1 sötétkék, 1 barna, 1 sárga, 1 fehér.
Hello,
ismerősöm állítása szerint botorság volt kicserélni a tranzisztorpárok egyik felét (2sc1815 -> bc182) a másik felüknek (2sa970) a cseréje nélkül, mert a munkapontok elmászhatnak és tönkretehetik az egész rendszert, sőt mi több, már most (mivel próbálgattam azóta, hogy szól) ki kellene cserélnem benne mindent amiben van szilícium. Van ebben igazság? Mi a ti véleményetek?
Hogy a viharba ne volna igazság. Nem lehet összevissza keverni a tranzisztorokat, még a komplementer párok is eléggé eltérnek egymástól nem hogy a teljesen más tipusú tranzisztorok.
Értem, ellenben az megoldaná a problémát, ha kicserélném az összes tranyót és ellenállást? (helyettesítésekre, mivel ezek már nem éppen mai darabok tudtommal)
Ha helyettesítő tranyókra cseréled az általában jó.
Köszönöm, ebben az esetben írok a tranzisztor helyettesítős topicba, mert nem minden világos.
Sziasztok
Elkészült az első nagy teljesítményű erősítőm 2*100w-os 2db tda7294-es ic-vel. A gond ott van hogy nem tudom hogy a 9-es és a 10-es lábat hova kellene kötnöm (mute, standby). Nagyon hálás lennék ha valaki segítene ebben a gondban. A válaszokat előre is köszönöm
Holnap este rakok fel róla képeket addigra be is lesz dobozolva.
Üdv. Most újat fogok tőletek kérdezni...
Milyen erősítő megépítését ajánlanátok? Metalt_ és minden féle rockot hallgatok_ de nem akarom üvölttetni_ csak mint egy pc-s hangrendszer, de ne torzítson, szépen szóljon. nagyon szépen! ne vesszenek el hangtartományok. jah és hogy egyszerű legyen a megépítése_ mert még nem vagyok túl tapasztalt_ de igyekszem! nem tudom mennyibe fog kerülni_ de tudok rá költeni némi pénzt. viszont kiindulásnak van egy elég rossz tescos 2.1. es pc-s hangszóróm_ beépített erősítővel (ha jól láttam IC-s), továbbá van egy házimozim is_ amiben elszállt a processzor. Talán a trafó jó lehet belőlük_
Hűtőborda!!!
Megrendeltem a TDA2050-hez a "kütyüket", de érkezésig sem szerettem volna semmit tenni, ezért megcsináltam az erölködő hűtőbordázatát, ami a csatolt képen láthattok. Nem akartam pénz kiadni a hűtőbordára, ezért körbenéztem a "kincsesbarlangban" a műhelyemben. Anno felújíás után maradt eloxált alumínium köszöbléc. Hát ebből lesz a hűtőborda. A bordák közötti részt WD40-el fújtam le "bőséggel", hogy jó legyen a thermikus kontakt a lemezek között. Alább a végeredmény!
1. A PC-hangszóróval, az életben nem lesz jó hangja. Alapfeltétele az egésznek a jó hangsugárzó beszerzése, ami megfelel az elvárt igényeknek.
2. Hulladékból, hulladékot lehet építeni, néhány ritka esettől eltekintve. (leégett Hi-Fi végfok pl.) 3. Bizonyos alapfokú elektronikai ismeret, készség, felszereltség szükséges hozzá, mert úgy járhatsz mint itt jó páran már. (pórul)
"hogy jó legyen a thermikus kontakt a lemezek között"
A alu elemek közé inkább hővezető szilikon pasztát "filmréteg vastagságban" lett volna érdemes használni! Az elképzelés nem rossz ha nincs más akkor ez is megteszi, két TDA2050-et el tud dissipálni de ez csak becslés. Viszont az elhelyezési terv sántít, minél távolabb teszed a végfokokat egymástól annál jobb, hőleadás szempontjából, így nem egymást fűtik! 3-db esetében "2.1 rendszer" előfordul hogy kelleni fog ventilátor!
Szia!
Persze, nem ott lesz, csak azt néztem meg, hogy elfér e rajta az IC hátlapja. És egy adat: 33 cm hosszúak a lemezek, 6,5 cm szélesek. Idézet: „Hulladékból, hulladékot lehet építeni,” Nem is igaz. Kuka amp 1 Kuka amp 2. Muty-muty. Apropó, mi az a muty muty?
Kedves Kollégák!
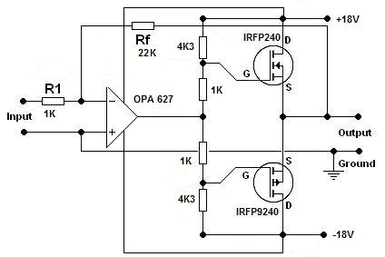
Mellékelem az általam jelenleg hallgatott kapcsolást. A végleges verzióban 2sk1058/2sj162-t szeretnék az IRF-ek helyett használni. Kell módosítanom a 2db 4K3 ellenállást? Sajna a TINA modellezéskor hülyeségek jöttek ki. Előre is köszönöm mindenkinek!
Sziasztok !
Csak egy észrevétel azoknak akik a Pa 300-as erősítőt csinálják és a Szami féle nyákrajzot használják. A nyákrajzon az Ac és A Clip csatlakozó felirat fel van cserélve szerintem, ha nem így van bocsi.
Sziasztok!
Építettem egy fejhallgató erősítőt, működik is szépen viszont a kimenetén feszültség van a tép +/-15V a kimeneten pedig 13V körüli fesz van. Miért lehet ez??
Probléma megoldva! Elnézést a felesleges hsz.-ért
Viszont az alap probléma még mindíg fennáll. Szóval adott a fejhallgatóerősítő, és egy hangfalvédő. Ha a fejhallgatóerősítő kimenetét rákötöm a hangszóróvédőre hibát jelez. A fejhallgatóerősítő kimenetén 57mV körüli fesz van. Mi a probléma?
Hello!
Meg tudná nekem valaki mondani hogy a mellékelt rajzon középen C7-es kondinak Bipolárisnak kell-e lennie? |
Bejelentkezés
Hirdetés |











Apropó, mi az a muty muty? 





