Fórum témák
» Több friss téma |
A 7A elég, mert hát nem PA erősítőnek készül, aztán az a 7A is igazából 10 is lehet. Gitár kombó erősítőben egy pár laterális fet volt, 2X55V tápról üzemelt, 8 Ohmos ajánlott terhelésre. Hát a tulaj fia kötött a 8 Ohmmal párhuzamosan még két 8 Ohmos hangsugárzót, aztán telefonról nyomta neki a diszkó zenét. A trafó nem bírta. Mondjuk TO3 tokozású volt, ott nagyobb a felület. De a lapka ugyanakkora mindegyikben.
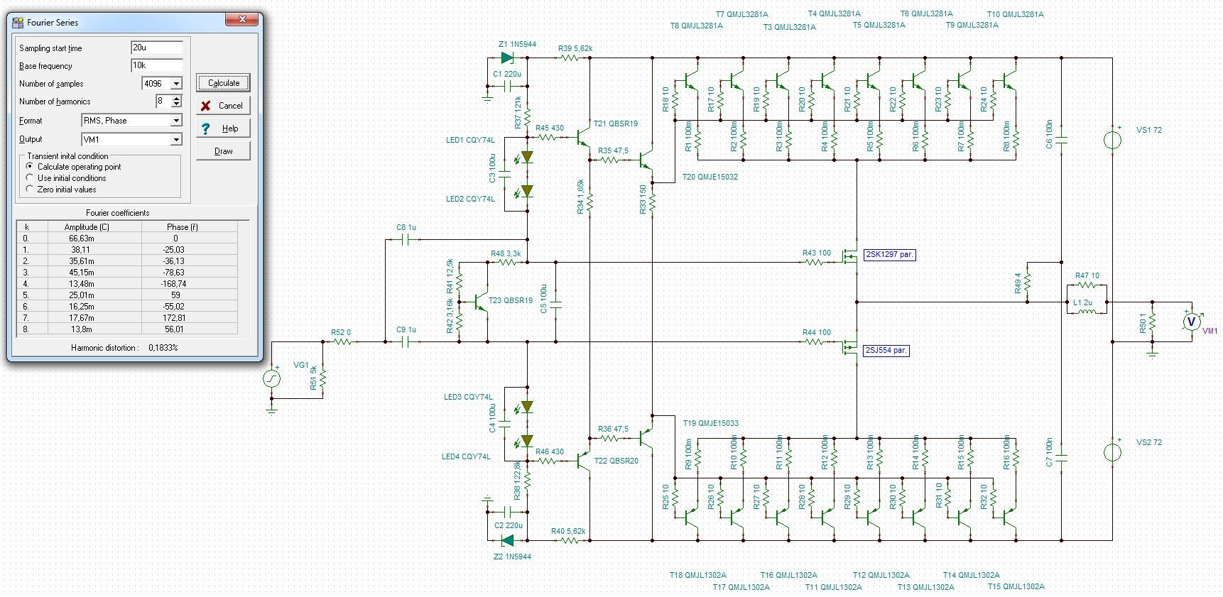
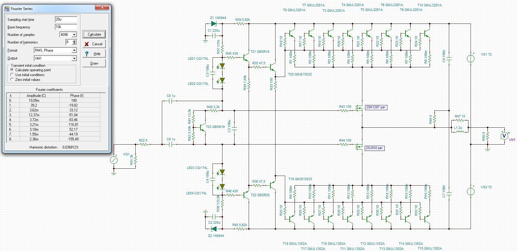
Megnéztem szimulátorban ezeket a laterális feteket, az RDS on 200 mOhm körül van. Ez nem valós, mert az adatlapon 0,7-1,4 S értéket adtak meg. Én hidegen 15V UGS mellett 1V tápfesznél 1,2-1,5A áramot mértem az imént. 60 fok körül gondolom 1 Ohm nagyságú lehet.
Szerintem egész jól megközelíti az adatlapot. A szimuláció kicsit "szögletesebb", de a meredekséggel nincs gond.
A meredekséggel minden rendben van, vagyis normális használat esetén teljesen jól szimulálható minden lényegi paraméter. Az, hogy én kapcsolófetként néztem, az még az én bajom. Csak kíváncsi voltam mit mutat a kapcsolásban, ha párhuzamosan kötök vele direkt alacsony RDSon értékű fetet.
Ez tipikusan a lebegő tápos híd kapcsolásban lett volna érdekes, mivel ott 4 darab mosfet kapcsolódik sorba a terheléssel. És bár nem hatásfokra megyünk, de azért az már sok lenne. A kapcsolás viszont tetszik. Mondjuk ez akkoriban volt nagy ötlet, amikor a bipoláris tranzisztorok másodfajú letörése nagy gondot okozott.
Megkerestem, majd átrajzoltam laterális fetekre ezt a kapcsolást. Teljes tápfeszig kivezérelhető alacsony tápfeszű opamppal.
Tetszik, majd tüzetesebben áttanulmányozom, de most munka van. Röpke hat hét alatt kilézerezték a fed-hátlapot, rakom össze az Alohákat (az enyémet is átdobozolom valamelyest.
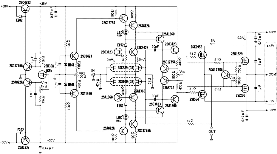
"Földelt kimenetű", tápfeszültség utánhúzott, hasonló mosfetekkel ( 2SJ554, 2SK2955 ):
https://www.ne.jp/asahi/evo/amp/J554K2955/index.htm A hozzászólás módosítva: Aug 27, 2025
Összeraktam a három Alohát hat nap alatt (most dicsekszem), most már egész télen rá fogok érni... valamit kezdeni kell magammal, hogy ne unatkozzak.
Ennek az Asahinak vannak érdekes kapcsolásai. Jó, hogy kitetted ezt a rajzot mert nem találtam a honlap linkjét. Ez a kapcsolás nem földelt kimenetű, "csak" tápfeszültség utánhúzott, de szellemes. Bár valamelyik Rádiótechnika évkönyvben leközöltek már hasonló kapcsolást (talán Sípos Gyula). Ma már azt gondolom, nincs értelme "A" osztályban járatni a laterális feteket. Azt is gondolom, hogy ezek az Exicon fetek nagyon jók és továbbra is ezekkel fogok építkezni (ha fogok... még nem tudom). Időközben kipróbáltam, hogy fülre a 100mA-es nyugalmi áram beállítás a "legjobb hangú". 50mA-nél érdes lesz a hangja, 200-nál meg van benne valami furcsa. Talán a dinamikája vész el, vagy csattogós hangja lesz... nem tudom, de nem jó sem a nagyobb, sem a kisebb áramú beállítás. Ott kell használni amire ki van találva, a hőmérsékletfüggetlen munkapontban. Továbbra sem fogok átfogó negatív visszacsatolást alkalmazni és szerintem megmaradok a "fetgörbítőnél"... bár talánesetleg ezt az IC-s meghajtást még érdemes lenne kipróbálni... nem tudom. És ha földelt kimenetű (plusz lebegőtápos), akkor ki kellene használni a földelt kimenet azon tulajdonságát, hogy elmaradhat a VAS fokozat. És nem ártana, ha nem lenne nagyon elbonyolítva... de ahogy magamat ismerem... De most csak hangosan gondolkoztam a semmin. Idézet: Valóban nem pont olyan, ezért is az idézőjel.„Ez a kapcsolás nem földelt kimenetű, "csak" tápfeszültség utánhúzott...” Még nem láttam igazán hifis vagy highend indíttatású, és nem csak hangosítási célra szánt földelt kimenetű? erősítőt...Talán a Hafler 9505 erősítőkkel kapcsolatban olvastam, hogy vannak hifista rajongói is. Véletlenül ez is laterális mosfeteket ( 2SJ162/2SK1058 ) tartalmaz: http://tolisdiy.com/2020/10/08/hafler-9505-9300-power-amplifiers-re...ments/ Idézet: Hogyan kell ezt elképzelni?„És ha földelt kimenetű (plusz lebegőtápos), akkor ki kellene használni a földelt kimenet azon tulajdonságát, hogy elmaradhat a VAS fokozat.” Átfogó visszacsatolás nélküli erősítő többféleképp is elképzelhető, egyik megoldás szerint nincs a kimenetről induló visszacsatolás. Ebben az irányban próbálkoztam régebben már ( a darTZeel is ilyen ), az említett Denon féle áramkör módosításával. Ugye itt a lényeg az egyetlen, nagy meredekségű mosfet-pár alkalmazása, amellyel akár egészen nagy kimenőteljesítményt, alacsony impedanciás/nehéz terhelés meghajtás képességét ( a 4. ábrán 1500W/1Ohm/10kHz ) lehet elérni. A fokozat bemeneti kapacitása pedig jóval kisebb mint akár csak 1 pár laterális teljesítmény mosfeté ( Zbe jelen esetben 20kHz alatt gyakorlatilag rezisztív 60kOhm ) A hozzászólás módosítva: Szept 2, 2025
Idézet: „Hogyan kell ezt elképzelni?” Például úgy is meg lehetne oldani ahogy itt lerajzoltam. De ez csak egy ötletnek tekinthető a Dynacord kapcsolásából kiindulva - de kicsit másként. https://www.hobbielektronika.hu/forum/topic_post_2665597.html#2665597 Talán a Te megoldásod egyszerűbb, majd szimulálgatok. A Haflert ismertem, az is tetszik, de földelt kimenetű kapcsolásom már van (a topic ezzel kezdődik).
Igazából két ( költői ) kérdés az az egy kérdés:
Mi az a földelt kimenetű erősítő, hogy működik, miért földelt kimenetű, vagy miért van annak nevezve ebben a topikban? Mi az a VAS ( Voltage Amplification Stage ), hol valósul meg ezekben az erősítőkben ( mi a szokásosan használt kimeneti fokozatok alapkapcsolása )? Sőt, három: Mit nevezünk az erősítő kimenetének? A hozzászólás módosítva: Szept 3, 2025
Azért ne túlozzunk. A szóhasználat félrevezető, amelyet úgy-ahogy tudomásul vettem ( talán előzőleg ki lett fejtve az oka, nem olvastam vissza ). Most inkább ez a VAS dolog lett gyanús...
Itt fejtegetjük, hogy a fórumnak cikkek kellenek.
Ez egy nagy lehetőség (szerzőtárs sem kizárt).
Erről a "költői" kérdésről a Belga együttes 'Nem úgy vót' című száma jut eszembe.
Lehet, én neveztem el "földelt kimenetűnek" (de úgy emlékszem valahol láttam ezt az elnevezést). Arra utal, hogy a végfok kimenete látszólag a földpontra dolgozik (ami persze nem igaz). Hafler, Trans-Nova erősítőjének szabadalmában "földelt source csomópontú transzkondukcia erősítőnek" nevezi ezt a megoldást. De Ő itt csak a visszacsatolókörre kér szabadalmi védettséget. Lényegében el lehetne nevezni transzkondukcia erősítőnek is, vagy földelt source (földelt emitteres) kapcsolásban működő kimeneti fokozatnak is... vagy máshogy is. Ha nem tartod szerencsésnek a földelt kimenetű elnevezést, várok valami frappánsabbat és azután "az lesz az igaz" ahogy a Belga is énekli. A VAS meg olyan mint az, hogy ma már nem "bótba" járunk hanem "soppingolni", nem kocsmába hanem pub-ba, stb. A régi magyar becsületes neve ennek a feszültség erősítő fokozatnak nagyjelű erősítő volt - de ez kihaló félben van mert szeretünk majmolni. A nagyjelű erősítő szerintem szerencsésebb elnevezés a "hagyományos" kapcsolásokban, mert utal arra, hogy azon a csomóponton (a nagyjelű erősítő kimenetén) megjelenik a végfok teljes (maximális) kimeneti feszültsége. A "földelt kimenetű" kapcsolásban ez a fokozat hiányzik - a szó hagyományos értelmében - mivel a nagyjelű erősítőnek csak a kimeneti ármerősítő fokozat vezérlőfeszültségét kell előállítania/szolgáltatnia. A feszültségerősítés oroszlánrészét a transzkondukcia erősítő végzi/veszi át (16-40 dB). Hogy mit nevezünk a végfok kimenetének? Első közelítésben azt mondanám, hogy azt a csomópontot ahol a hangszóró egyik pólusán a kimeneti fezültség megjelenik. De ez így nem mindig igaz, mert a teljes hídnál mindkét pólusán van (fél) kimeneti feszültség. Félhídra szerintem az első közelítés érvényes. Ha a "földelt kimenetűnél" maradunk, ott a pufferkondenzátorok - amik egyben kimeneti csatolókondenzátoroknak is tekinthetők - közös pontja a végfok kimenete.
Valahol olvastam, hogy a VAS sem egy pontos elnevezés, hiszen többnyire egy BJT tranyóból felépített fokozat. Egy BJT a kimeneti karakterisztikája alapján áramvezérelt áramgenerátor, vagyis a bemeneti áramból kimeneti áramot állít elő, aztán a terhelésen lesz belőle feszültség. Tehát nem feszültséget erősít, hanem áramot. Már megszoktuk a VAS elnevezést, tehát így maradt.
Ugyanez a földelt kimenetre is. Szerintem, jó ez. Aki megértette a felépítését, működését, az biztosan nem fogja elfelejteni. Teljes híd esetén kacifántosabb mert mindjárt két kimenet földeléséről van szó, de valójában az elv ugyanaz.
Konkrétan: VAS = Voltage Amplification Stage, mint ahogy írtam is az előbb. A kifejezés több évtizedes használata alapján annyival pontosítható, hogy arra a fokozatra használjuk, amelyen feszültségerősítés is megvalósul, valamint a teljes kimenőfeszültséget előállítja. ( nem kell, hogy BJT legyen, pl. full mosfet erősítő konstrukciók is vannak )
Jelen esetben a kimenet földelt source alapkapcsolás, amelynek a munkaellenállása a kimeneti terhelés. A kimeneti terheléssel együttesen alkotja azt a fokozatot amely megvalósítja a VAS funkciót, tehát ez a fokozat a VAS a kapcsolásban. A kimenet pedig az, ahol a kimeneti jel megjelenik( a földhöz képest ), ahova a terhelés, a hangsugárzó csatlakozik...ez pedig nincs földelve.... Ennyi. Kutyaközönségesen, dráma és líra nélkül. A hozzászólás módosítva: Szept 4, 2025
Azért írtam, hogy ...többnyire BJT...
" Most inkább ez a VAS dolog lett gyanús... " Ha te ezt ilyen jól tudod, akkor mi volt benne a gyanús?
Nem úgy vót, mert ő azt mondta
És amit ő mond, az az igaz Bármi mást mond más, az nem úgy vót De ha azt mondja amit ő, akkor az úgy vót Rég nem vót az úgy, amúgy Rég nem vót ez így emígy Nem mindegy, hogy, így vagy úgy De tök mindegy, hogy úgy, vagy így (Belga) VAS = Feszültség Erősítő Fokozat. Idézet: „A kifejezés több évtizedes használata alapján annyival pontosítható, hogy arra a fokozatra használjuk, amelyen feszültségerősítés is megvalósul, valamint a teljes kimenőfeszültséget előállítja.” Ezt ki állítja így, amúgy? A több évtizedes megszokás? Mutatok egy alapkapcsolást. A nagyjelű erősítő (amiin itt nem jelenik meg a teljes kimeneti feszültség) 80dB-t erősít (nyílthurkúan), míg a kimeneti fokozat 15,5dB-t. Akkor most itt melyik a VAS és miért? Értem, hogy a megszokás miatt a kimeneti fokozat, de nem biztos, hogy ezt el tudom fogadni... ami meg lehet magánügy is... akár.
Tisztelt Uraim,
kérdésem az LT1223 helyettesíthető más alkatrészek változtatása nélkül TL071-re? A RET Bom listába mindkettő szerepel. |
Bejelentkezés
Hirdetés |























