| Fórum témák 
 
 » Több friss téma | 
				Ic. 11-es lábán R1 ellenállás legyen rajta, mivel ez nyitott kollektoros kimenet. Ekkor elvileg a normális alakú négyszögjelnek "+" tápfeszültségig kellene ugrani. Az én szkópképemen a 11-es láb feszültségszintje ennél alacsonyabb, mert más kapcsolás. Ellenőrizd a leírása szerint, P2 csúszkán forgatásra 0.3V - 2.8V között kell változni. 3-as lábon fél tápfeszültség érték van-e. C1, C2, C3 szűrőkondik biztosan jók-e, próbára kössél C1, C2, C3-al párhuzamosan kb. 1000µF kondit. 5-ös, 6-os lábról kössél le mindent, csak egyik tartománynak megfelelő pld. 10nF kondit köss a két lábra közel. Tehát semmi más ne legyen rajtuk. Így hangolva a potival próba. Ezeken kívül alkatrész hiba, nyák zárlat vagy szakadás, ami esetleg szemmel nem, csak multiméterrel deríthető fel. Ha a panel hibátlan, és minden alkatrész jó, megfelelő értékű, jó helyen van, akkor szerintem csak az ic. marad bűnösnek. Még a tápfeszültség, oda is lehet próbára 1000-4700µF kondit beiktatni.				 A hozzászólás módosítva: Aug 18, 2014 
 
				A panelról mutatsz egy képet? Kíváncsi vagyok melyik panelt épitetted meg.						 
 
				Persze. Az Elektorost készítettem el egy kicsit optimalizálva az alkatrészeimre.						 
				Két észrevétel: 1. remélem a hűtőbordát jól elszigetelted mindentől 2. a cikkben is írják, hogy egyforma, jó minőségű kondikat kell használni, de ahogy a tiedét elnézem két egyforma se nagyon van. Ezek szórása is okozhat pontatlanságot. 
				1; A hűtőborda mindentől szigetelt (bár nem tudom egyáltalán minek is rá mert kishangszóróval se melegszik egyáltalán). 2; Igen elolvastam a cikk kondikra vonatkozó részét is. Válogatva lettek, LCM-3-al kimérve 1%-on belűli pontossággal (szerintem indokolatlan alapossággal részemről  ) Valószinü, hogy az IC-m hamis, ez hamarosan kiderül (kocsgab002 vállalta, hogy lepróbálja a saját műszerében. Ezúttal is köszönet Neki!). Mégegyszer, Két problémám van: 1; nem tudok vele átfedést elérni a dekádok között, ami abból következik, hogy az alsó frekvenciát nem tudom 10 Hz alá vinni. 2; a tápfeszültségre nagyon érzékeny. 11,4V tápfeszen hibátlan jelalakok vannak, de akár fél volt eltérés is randa, használhatatlan jelet eredményez a kimeneten (ráadásul a tápfesz változásával a kimeneten a frekvencia is drasztikusan változik). A hozzászólás módosítva: Aug 19, 2014 
				Sziasztok! Nagy valószínüséggel kijelenthető, hogy a XR2206-os IC-m hamisítvány, nem teljesíti az adatlapban közölt paramétereket, ebből származtak a problémáim az élesztés során. Köszönet kocsgab002 fórumtársnak, aki jól működő eszközébe téve az én IC-met, lepróbálta azt, ahol is ugyanúgy defektesen szerepelt, tehát nem én hibáztam. Tanulság: óvatosan az ilyen olcsó (1000Ft/2db) íbéjes példányokkal  . Köszönet mindenkinek a segítőkész hozzászólasaiért! 
				Érdekes és elgondolkodtató. Hamisítani úgy szoktak, hogy átcímkéznek gyengébb cuccokat nagyobbnak. Pl tranzisztorok. Itt mit lehet hamisítani? Talán gyári hulladékból válogatták ki a még működő de hibás alkatrészeket?						 
				Nagyon sok apróságot rendeltem már Kínából. 2-300 Ft-os tételeket is. Egy kivétellel, amikor nem érkezett meg a cucc nem volt problémám, és annak az egynek is visszautalták az árát.						 
				Sziasztok! Jó lenne erősítő bemérésére valami funkció generátor. (de nem baj, ha tartalékkal rendelkezik későbbi időkre) Építeni is jó lenne, de ha az ember a mikrokontroller árát, programozót is számolja, és a sok időt, akkor nem biztos, hogy megéri. E-bay-en sok van. De vajon melyiket lenne érdemes megvenni? Max. ~5e HUF-ban gondolkodtam. 
				Ez: DDS egyszerű, kis módosítással jól használható. Sok szolgáltatással, analóg generátor mellet ezt is használom.						 
				Szerintem is az, de javítani kell rajta. Kimeneti fokozata nagyobb frekiken használhatatlan.						  és mit kell javítani, erről van valami leírás? Köszi!   
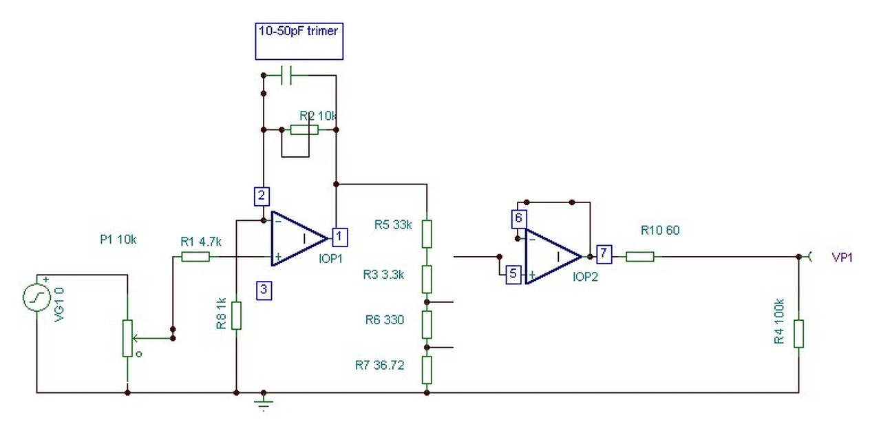
				A kapcsolásban felhasznált OPA alkalmatlan jó négyszög átvitelre, magasabb frekiken, jobb, gyorsabb típusra kell cserélni, ez a minimum.						 
				Még tovább javítható, eredetileg kb 7-8V  sin. eff vehető ki, így nehézkes lesz a használata. A potival nem lesz egyszerű kisebb szintek beállítása, ezért érdemes egy kimeneti osztót is készíteni hozzá, 10mV, 100mV, 1V, 10V, meg kell emelni a kimeneti buffer feszültségét is +/-15V-ra, így meglesz a 10V eff kivehető jelszint is. Csatolásban lévő rajz amit érdemes hozzá megépíteni, magasabb frekiken a kompenzálás is jól beállítható, nem lesz túllövés a négyszögön. Így kisebb jelszintekhez az osztó használatával könnyebben hozzáférhetsz. A hozzászólás módosítva: Aug 24, 2014 
				Ehhez: Bővebben: Link    mit szóltok? Vagy ezt építsem meg: Bővebben: Link    amihez minden IC-m és a PIC is meg van már. Köszi!						 
				Szia! Most tesztelem az utolsó áramköri és NYÁk finomításokat. Ha tudsz még várni, a héten felteszem a végleges változatot rész áramköri leírásokkal, NYÁK rajzokkal a MAX038-hoz. Nem akartam addig, amíg nem éreztem biztosnak az utánépítés lehetőségét. Üdv. 
				Nos, összeállt a komplett anyag a MAX038-as függvénygenerátorról. Részletes leírás, kapcsolási rajzok, NYÁK rajzok, beültetési rajzok. Az egész anyag feltöltésre került cikk formájában a HE-re, most már csak a T. Moderátorok bólintására vár. Addig is egy kis kedvcsináló: 
				Nagyon prima munka! Valaki nem gyártana hozzá nyákot? Nekem ez már túl nagy falat. 
				Az apróban többen is szoktak hirdetni, bár furatgalvánt még senki.						 
 
				Szia! Már félórája nézegetem a tápegység rajzát és a hozzátartozó pár mondatot, de nekem a Greatz híd nem világos. Persze, informatikus kérdez, profi szakembertől. Ez a tápegység így működik? 
 
				Ne a  közölt panelterv alapján készítsd el a tápegységet. Nincs meg az előírt életvédelmi szigetelés a 230V -os hálózat és a leválasztott részek között. Nyomtatott lapon a minimális életvédelmi szigetelésnél a legrövidebb kúszóút 7.5 mm kell legyen.						 
				Köszi az észrevételt. A saját gépemen máris távolabb húztam a teleföldet azokon a pontokon, ahol 7,5mm alá sikerült a távolság. Hamarosan felülírom a HE szerverén is. Mégegyszer kösz. papus51 | Bejelentkezés Hirdetés | 


















