Fórum témák

» Több friss téma
Fórum » Gitár torzító / Effekt / Erősítő / Pickup
Lapozás: OK   159 / 317
(#) ZSozsóó válasza virtualvt hozzászólására (») Márc 7, 2011 /
 
Köszi, de azért túlzásba esel, mikor a leghozzáértőbbnek mondasz :hide: vannak itt még nagyobb szakik is, de mindenesetre köszönöm a megtiszteltetést Várjuk még mire jutottál vele, jó hibakeresést és csak szisztematikusan! Ez nagyon fontos!
További szép estét!
(#) doni8 hozzászólása Márc 7, 2011 /
 
Sziasztok!
Szeretnék építeni egy break-out boxot.
A pedálboardom és az erősítő között 4 kábel fut. (az előfok elött és mögött is használok effekteket +csatornaváltó)
Készítenék 2 dobozt, egyet az erősítőmbe, egyet a pedálok közé és csak egy monitorkábellel vagy hasonlóval összekötném őket. Tudnátok ebbe segíteni nekem?
Milyen kábellel érdemes megcsinálni? Gondolom nem lenne elég csak a jack csatlakozót rákötni, mert zajos lenne, zavarnák egymást. Ha szimmetrikus jelek közlekednének az már elég lenne?
Hangkártyáknál láttam, gyakran használják ezt a break-out boxos megoldást és gondolom minőségromlás nélkül kivitelezhető. Csak az a kérdés, hogy mennyire bonyolult, érdemes-e vele szórakoznom.
Előre is köszi!
(#) CIROKL hozzászólása Márc 9, 2011 /
 
(#) bodnar00 válasza CIROKL hozzászólására (») Márc 9, 2011 /
 
Szia! De nem az a rendeltetés szerű használata, hogy csak a kimenete van bedugva, dugd bele a gitárt is akkor már nem fog ilyet csinálni. Legalább is nem kéne.
(#) karpi válasza kefe13 hozzászólására (») Márc 9, 2011 /
 
Idézet:
Sziasztok! Nem tudtok valami oldalt vagy e-book-ot, amiben az alapoktól le van írva egy torzító működése? Sajnos én csak nagy vonalakban vagyok vele tisztában. Guglit csapattam, de nem sokra mentem vele. Köszi szépen!


Hat ezt az idézetből nem en irtam (gondolom)

Tehat ha nem találtál azt jelenti nem tudod mit keresel ,mert furcsa hogy nem találtál semmit mert tele van a net .Nincs mar hely a sok DIY torzitotol..leirasok minden nivon kulon teljes cel oldalak csak evvel foglalkoznak .
ha visszalapozol itt a fórumban találsz rengeteg link-et a témában.
(#) karpi válasza CIROKL hozzászólására (») Márc 9, 2011 /
 
Szedd szét és valami csillapító anyaggal a zengo alkatreszt rogzitsed...van olyan zsele (scotch)..ami puha marad .Kopogtatod a lapot az alkatreszeket ( finoman) hogy megtalaljad hol "zeng".
Most attol fugg milyeb hangos , egyaltalan van a e hatasa zeneles kozbe..mert peldaul egyes kabalek is "zengenek" , illetve ahogy utogeted hallatszik az erositobe.
Egy egesz delutant elvacakoltam mig rajottem mi hallatszik a gitarhang melett a felvetelen...a ritmust vertem a labammal pont a kabelen ,..igy az hallatszott a felvetelen a halk reszeken..

Ahogy forumtarsunk @bodnar00 irja ..lehet hogy ha a gitarral leterheled a bemenetet az nem lesz "uresbe" 1MOhm es talan mar nem fog "szolni" a dobozod.
(#) RicoRokkaRolla hozzászólása Márc 9, 2011 /
 
Sziasztok!
Egy rebote 2.5 (PT2399 alapú) delayt szeretnék tap tempóval ellátni. Találtam már egy taptation megoldást, meg egy attiny45+mcp4105 megoldást is, egyik sem olcsó, mert készen adják őket. Valaki tudna más megoldást a bajomra? Esetleg ha szerzek attiny45+mcp4105 ic-ket be tudná nekem őket programozni?
Köszönöm!
(#) kefe13 válasza CIROKL hozzászólására (») Márc 9, 2011 /
 
Csao. Lehet a kábel hoz vissza valamit, milyen típus amit használsz ? (nekem van olyan gagyi, felirata szerint hangszer kábelem , ami az egérfingot is beveszi ) Ami még szokott probléma lenni hogy mikrofon (aktív) madzag van kettő szigetelt belső vezetővel + árnyék, és az egyiket egyszerűen kicsíptek, ha ez van vagy mennyen vezetni, vagy testre. Vagy nem tudom, most próbáltam maxra tekert gain, level, de nem zajong egyik gyári pedálom sem. Szomszédnak ilyen md2 van, majd elkérem, megnézem hogy viselkedik.
(#) CIROKL válasza kefe13 hozzászólására (») Márc 9, 2011 /
 
Köszöntem a válaszokat !
A kábel nem lehet bűnös mert tökéletesen mindegy mit teszek rá , kipróbáltam már alig 10 cm -es darab kábellel ami szinte alig ér el az erősítőig .
Ja és mindegy milyen kábel , alapból úgy viselkedik a szerkezet mint egy hangszedő , ez tűnt nekem rejtélyként előtérbe .
Már sok mindennel találkoztam de ez számomra egy újdonság .
( Az jó lenne ha egy próbát tudnál tenni ?)
(#) kefe13 válasza CIROKL hozzászólására (») Márc 9, 2011 /
 
Ez egy nagyon durván dolgozó pedál, minden beállításban csinálja ?
(#) kefe13 válasza CIROKL hozzászólására (») Márc 9, 2011 /
 
Kábelekről érdekesség képen, régen hifi magazinban volt egy kábelteszt, ahol összekötő tyúkbeleket próbálgattak, és a végére kiderült a hangzásba mindegy volt hogy adott drótból 1 cm dolgozott vagy 3 méter, hozta az adott madzag karakterét. Bár ez má nagyon elszállt hifi dolog, de érdekes cikk volt.
(#) RicoRokkaRolla hozzászólása Márc 9, 2011 /
 
Sziasztok!
Van egy nurse quacky autowha-m, raktam ide ki hangmintát korábban. Szóval működött, szólt. Elvittem egy barátomhoz (pőrén), próbálgattuk, ráraktuk egy szinti tetejére, ott néha ide-oda tologattuk aztán szépen lassan elveszett a hangja. Először az output árnyékolt vezetékre gondoltam, mert fel volt szakadva a jelkábel szigetelése, gondoltam összeér a földdel. Kicseréltem, de még mindig nem szól. A két led világít, illetve villog, ahogy kell, a tranzisztor lábak a középső és a két-két szélső között 0-0,26v a feszültség a 'range' poti állásának megfelelően. Megmértem a 3, 5, 8 ic lábakat (eredetileg: 1,83v, 4,5v, 9v most: 1,83v, 0V!, 9v) az ötös lábon nincs tápfeszültség. Nézegettem audiópróbával, igazándiból hol szól hol nem, az ic 3 és 5 lábán nincs hang, de ez lehet talán azért, mert szerintem összeérhettek a kondi lábai (ez gond lehet?), amit a vezeték végére tettem. Tud valaki segíteni? Köszönet!
(#) RicoRokkaRolla válasza RicoRokkaRolla hozzászólására (») Márc 9, 2011 /
 
Ja, és cseréltem IC-t, ugyan azt kaptam mindenhol, illetve ugyan azt nem kaptam, élvezhető hangot.
(#) zoltansz válasza RicoRokkaRolla hozzászólására (») Márc 10, 2011 /
 
Szia!
Jó lenne tudni, hogy milyen ic? milyen tranzistor? gyári effekt? utánépített ? esetleg kapcsolási rajz?
Véleményem szerint a tápnál lessz a hiba.
(#) RicoRokkaRolla válasza zoltansz hozzászólására (») Márc 10, 2011 /
 
Minden itt van csatolva. Miért voltam olyan botor, hogy nem csatoltam azonnal?
(#) zoltansz válasza RicoRokkaRolla hozzászólására (») Márc 10, 2011 /
 
Először is vedd ki az ic-t a foglalatból, és tedd rá a tápra az effektet. Az ic foglalat 8-as lábon 9v, az 5-ös lábon 4,5v kell legyen, ha nem akkor mérd kiaz 5-ös lábhoz csatlakozó 2 db 47kohmos R-t és a 47µF kondit, a 100 ohmos R-t és a 100µF kondit. Ha a 8 és 5 lábon megeggyezik a V, akkor tedd vissza az ic-t és adj neki tápot. Az 1-es, 5-ös, 7-es, lábakon 4,5v-nak kell lennie. A tranzisztort vedd ki és úgy mérd ki.
(#) RicoRokkaRolla válasza zoltansz hozzászólására (») Márc 10, 2011 /
 
Oké, holnap beszámolok.
(#) RicoRokkaRolla válasza zoltansz hozzászólására (») Márc 10, 2011 /
 
A kondikat V állásban mérjem, illetve az ellenállásokat táppal voltot mérjek igaz, ne ohmot.
(#) zoltansz válasza RicoRokkaRolla hozzászólására (») Márc 11, 2011 /
 
A 100µF kondin 9v kell legyen. Ha az 5-ös lábon (ic nélkül) nincs 4,5v akkor a 2 db 47kohmos ellenállásnak az egyik lábát forraszd ki és úgy mérjél ohmot, 47µF kondin 4,5v kell legyen.
(#) RicoRokkaRolla válasza zoltansz hozzászólására (») Márc 11, 2011 /
 
Kiméregettem szépen mindent, aztán rájöttem, hogy az a baj, hogy az input jack elemes megoldása, nem zárja az áramkört, hiába van beledugva a dugó, úgyhogy direktbe átforrasztottam a földre az elem negatív vezetékét. Most átengedi a hangot, de nem kvakkog, igaz az elem se volt 8v, most töltöm, aztán meglátom, hogy hozza-e, amit kell. Minden estere bizakodásra ad okot, hogy a mért adatok (a gyenge elem függvényében) hozzák a még működéskor mért adatok arányait. Jelentkezem.
(#) RicoRokkaRolla válasza zoltansz hozzászólására (») Márc 12, 2011 /
 
Sajnos feltöltött elemmel sem az igazi. Nem kvakkog, viszont torzít. Kimértem 9,38voltos elemmel
láb icnélkül icvel
8 9,32 9,22
5 4,63 4,63
7 0 4,7
3 1,83 1,83
1 0 1,97
(#) RicoRokkaRolla hozzászólása Márc 13, 2011 /
 
Sziasztok!
Szeretnék építeni egy Univox SuperFuzz pedált és kérdezném a véleményeteket, hogy mivel nem találok bele da90es diódát, ami eredetileg van benne melyiket válasszam? OA1182 vagy 1N34? Vagy esetleg tudtok inkább egy másik germánium diódát? Köszi!
(#) JnCon válasza RicoRokkaRolla hozzászólására (») Márc 14, 2011 /
 
Szia,

Általában 1N34-et szoktak használni.
De persze kipróbálhatsz más diódát is, Si vagy led is jó csak más hangzást fognak adni.
Érdemes foglalatot építeni a diódapár helyére és akkor szabadon kísérletezhetsz. Ha nem raksz bele diódát, akkor is elég brutális torzítást tudsz belőle kiszedni mert a tranzisztorok is jócskán túl vannak vezérelve.
(#) RicoRokkaRolla válasza JnCon hozzászólására (») Márc 14, 2011 /
 
Szia

Köszi és lehet ilyen foglalatot itthon kapni? Bár azt hiszem beforrasztom az 1N34-et és kész nem szórakozok, de már kerestem dióda és tranzisztor foglalatot és nem találtam (kivéve a led foglalatot )
(#) gking228 válasza RicoRokkaRolla hozzászólására (») Márc 14, 2011 /
 
Mondjuk ez.
Ebből akkorát vágsz le, amekkorát akarsz, és tehetsz bele diódát, tranzisztort
(#) RicoRokkaRolla válasza gking228 hozzászólására (») Márc 14, 2011 /
 
Látszik a tapasztalatlanságom, messziről, köszi!
(#) zoltansz válasza RicoRokkaRolla hozzászólására (») Márc 16, 2011 /
 
Melyik kondinak értek össze a lábai? A tranzisztort forraszd ki és úgy mérd ki (dióda állásban),a nyákot nézd meg nincs-e valahol kontakthiba.
(#) RicoRokkaRolla válasza zoltansz hozzászólására (») Márc 16, 2011 /
 
Annak a kondinak értek össze a lábai, amit rágemkapcsoztam a vezetékre audiópróbánál. Az pontosan mit jelent, hogy diódaállás? A tranzisztort mérjem ki csak úgy magában? És a nyákot kontakt hiba ügyileg.
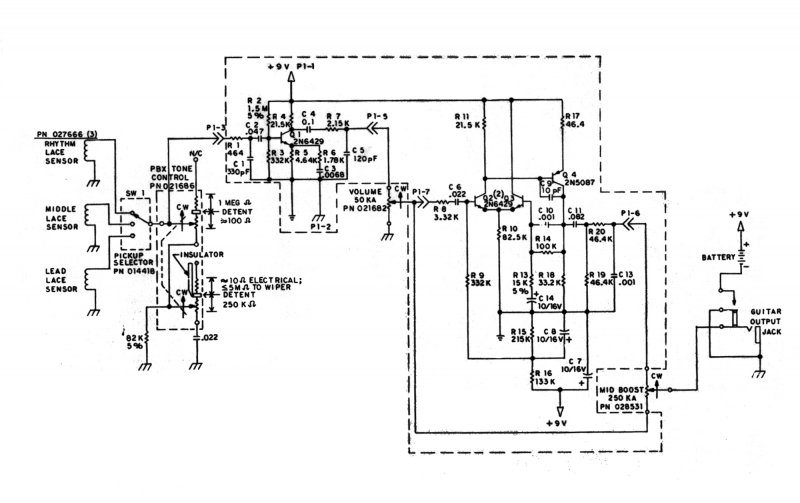
(#) ECL82 hozzászólása Márc 16, 2011 /
 
Sziasztok, szeretnék segítséget kérni! Egy kedves ismerősöm megépítette a csatolt áramkört, szépen rendben működik. A kérdésem az áramkörre vonatkozik, kezdők lévén, szeretnénk megérteni a kapcsolást működését, mi mit csinál. A kapcsolás maga egy 22dB-es közép emelést hajt végre. A "szürke folt" az a pickup-ok utáni rész ahol a kép potméter van, látott már valaki ilyesmit? Hogyan kell értelmezni? Előre is köszi a válaszokat! Üdv.
(#) ZSozsóó válasza ECL82 hozzászólására (») Márc 16, 2011 /
 
Szia!

Szerintem nemes egyszerűséggel a gitár hangszín szabályzó potijai!

Zsolti
Következő: »»   159 / 317
Bejelentkezés

Belépés

Hirdetés
XDT.hu
Az oldalon sütiket használunk a helyes működéshez. Bővebb információt az adatvédelmi szabályzatban olvashatsz. Megértettem