Fórum témák

» Több friss téma
Fórum » Gitár torzító / Effekt / Erősítő / Pickup
Lapozás: OK   158 / 317
(#) gyulank válasza ZSozsóó hozzászólására (») Feb 26, 2011 /
 
Szerinted meg lehet oldani ilyen táplálást hangfrekvenciás cuccokon is?
Esetleg több eszközön is?
Működhetne egy erős tápról több eszköz ilyen megoldással?

Még az előbbihez... mi az az szvsz? Milyenek azok a tápok, és akkor melyik a legjobb?

Úgy terveztem, hogy csinálok hozzá egy 100W-os Marshall erősítőt, mert olyat több kedvencem használ(t). Persze én nem csövesben gondolkozom, IC-s kapcsolást pedig nem találtam.
(#) RicoRokkaRolla válasza RicoRokkaRolla hozzászólására (») Feb 26, 2011 /
 
...és ha nem felejtem ki belőle az IC-t, mint előzőleg , akkor még jobban tud szaggatni, darabolni:
(#) ZSozsóó válasza gyulank hozzászólására (») Feb 26, 2011 /
 
Nem igazán értem a kérdést, de ha a fantom táoplálásra gondolsz ,akkor persze, hogy lehet. Hogy a táp helyileg nem ott van fizikailag az áramkörnél. Google: phantom supply, rengeteg infót találsz.
Szvsz = szerény véleményem szerint. Elnézést, csak nem szeretem kiírni, ezt az egy chat-es szlenget használom :hide:
Idézet:
„IC-s kapcsolást pedig nem találtam.”
nem is kell, kinézel eg előfokozatot, ott elvágod a kapcsolást fejben és ráteszed az IC-s véget. 100W nem gazdaságos, maradj kb 50 nél, LM3886 a barátod. Vagy tda 7294, de inkább az LM-et ajánlom. Még egy 50W os erősítőhöz, pláne gitárhoz, ahol túlvezérel jelet is erősíthetsz, a tápot jó 4Xesre azért nem árt méretezni, tehát egy 160-200VA trafó illik. Képzeld ezt el 100W ban...megér ennyit 3dB hangerő különbség...szerintem nem, a láda a lényeg úgyis, az legyen érzékeny. Ha meg az nem érzékeny, nem ez a +3dB hozza el neked a megváltást, hidd el. Marshallból meg ami félvezetős....nem hiszem, hogy megéri a fáradtságot, nem a félvezető mivolta, épp most építek én is egy full félvezetős cuccot, hanem maga az áramkör a megvalósítás. De ajánlom, ha mindenképpen valamilyen előfokozat klónt+ ic véget akarsz:
Bővebben: Link. Az mg100dfx ben is tda7294 van, fdd-vel, 100W nak hazudva, de szerintem nevetséges az egész. Talán a fele, de még annál is kevesebb, mert kivezérlési problémák vannak az fdd miatt....Melyik "100W"-os marshallt nézted ki?
(#) gyulank válasza ZSozsóó hozzászólására (») Feb 26, 2011 /
 
Nem néztem konkrét típust. Mostanában rákerestem Shlash-re, és Agusra. Én nem igazán tudom, hogy mi a különbség erősítők közt. Gondolom, hangzásban másabb, nem csak teljesítményben. Lassú a netem, úgyhogy nem nagyon tudom videók által összehasonlítani, ráadásul általában nem vonallal veszik fel, és nem mindegy, hogy mi van előtte, és hogy mit hogy állítanak. Na, lényeg, hogy nem hiszem, hogy csak a neve miatt használják, de nem tudom, hogy mi a különbség mondjuk akár egy sima vonal bemenetű hangerősítő, és egy gitár erősítő közt a bemeneti impedancián kívül. Azt meg, hogy a gitár erősítők közt mi a különbség, azt végképp nem. Azt sem tudom, hogy miért kell akkora trafó bele. Ja, és még annyi, hogy van egy régi, használt hifim, és ha már fél hangerőn van, akkor torzít, és minél hangosabb, annál halkabb a mély, és erősebb a magas hang tartomány. Ez miért lehet? Mert gondolom gyárilag olyan trafót kellett belerakni, ami bírja.
(#) Hx-2 hozzászólása Feb 26, 2011 1 /
 
Van egy ***
(#) marone hozzászólása Feb 27, 2011 /
 
Nekem volt egy ilyen kis AC30-am.
Zajos nagyon, és nem is emlékeztetett az English Channel hangjára. (sajnos)
Mert az nekem is nagyon tetszik, egyszer akarok is építeni egyet.
Persze gitár/pickup függő a dolog, de amúgy a runoffgroove felvételén szoftveres tremoló is van, ha jól olvastam.
(#) gyulank válasza marone hozzászólására (») Feb 27, 2011 /
 
Milyen az az ilyen?
(#) marone válasza gyulank hozzászólására (») Feb 27, 2011 /
 
Vox amPlug AC30 Guitar Headphone Amp
(#) JackONeil hozzászólása Feb 27, 2011 /
 
Sziasztok! Nem tudtok valami oldalt vagy e-book-ot, amiben az alapoktól le van írva egy torzító működése? Sajnos én csak nagy vonalakban vagyok vele tisztában. Guglit csapattam, de nem sokra mentem vele. Köszi szépen!
(#) Hx-2 válasza JackONeil hozzászólására (») Feb 27, 2011 /
 
Es milyen torzitora gondoltal?
(#) marone hozzászólása Feb 27, 2011 /
 
Sziasztok !
Kérdezném a tapasztalt építőktől, hogy egy csöves erősítőn a különböző csatornák közt hogyan kapcsolnak ?
Csak a jel útján változtatnak ?
A nem használt csatorna is kapja az anódfeszt, a fűtést ?
(Mármint ha a másik csatorna is csöves.)
Kösz !
(#) bodnar00 válasza JackONeil hozzászólására (») Feb 27, 2011 /
 
Szia! Nem tudom ez mennyit segít, de jó olvasgatni való. Meg itt egy oldal a sok közül Link1
(#) krieggger válasza marone hozzászólására (») Feb 27, 2011 /
 
A mesa dual rectifierben a csatornaváltást relékkel oldották meg, van hozzá egy igazságtáblázat hogy melyik csatornához melyik alkatrészt kapcsolja. Ha megnézed akkor az összes fokozaton végigmegy a jel nincs anódfesz, fűtés kapcsolás, hanem a tiszta hangot a visszacsatolás bekapcsolásával érik el, de meglehet azt csinálni hogy egy külön fokozatot a tiszta csatornának megcsinálsz mert az egyik trióda kihasználatlanul marad.
(#) marone válasza krieggger hozzászólására (») Feb 27, 2011 /
 
Kösz !
Akkor valami nagyon egyszerű megoldást fogok választani.
Nekem ez magas, így elsőre. (meg amúgy is)
Az nem nagy baj, ha játék közben nem lehet váltani. A lényeg, több különböző előfok legyen a Power Amp -hoz.
De azt a legegyszerűbb módon szeretném majd megoldani.
Talán egy csatornaválasztó kapcsoló, a jelnek, és külön kapcsolók a csatornák fűtésének és a feszültségnek.
A Power Amp bemenetéről szerintem nem kell leválasztani a nem használt csatornát, talán nem visz be hallható zajt.
(remélem)
(#) karpi válasza JackONeil hozzászólására (») Feb 28, 2011 /
 
Ez furcsa ...tehat nem Gugli-t hanem GOOGLE->distortion ,guitar ...
egybol itt egy : Link
(#) zoltansz válasza RicoRokkaRolla hozzászólására (») Feb 28, 2011 /
 
Szia!

Jól dolgozik a phaser ezzel a 3pdt-s bekötéssel és a másik két effekt is nagyon jól szól.
Gratulálok.
(#) kefe13 válasza karpi hozzászólására (») Feb 28, 2011 /
 
Jujj ! Csak nem ? Tanítasz netet használni, meg írni ? Meg Nagy betű, meg ilyenek ? Bocs, minden tiszteletem !
(#) RicoRokkaRolla hozzászólása Márc 2, 2011 /
 
Sziasztok! Kellene nekem egy gitár splitter, hogy két erősítőn is tudjak szólni, de stereoban, azaz kell egy 180fokos sinusos eltérés a két kimenet között, tud valaki egy jó layoutot (schematicból nem tudok dolgozni, mert amatőr vagyok)? Köszi!
(#) krieggger hozzászólása Márc 2, 2011 /
 
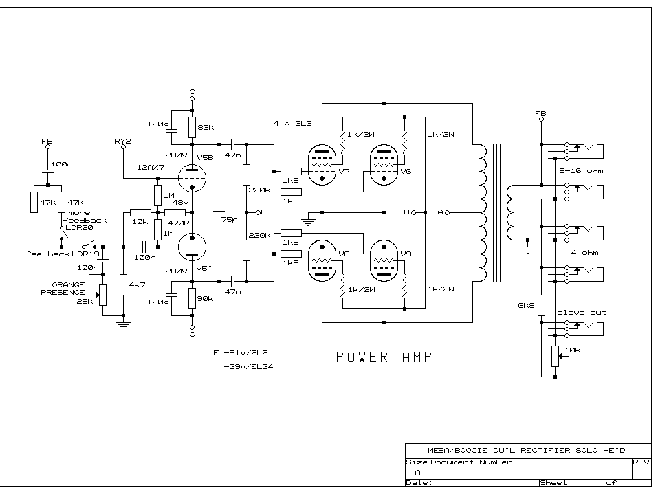
Le kellene mérnem a csöves erősítő hálózati trafóját, ha terheletlenül a 230-ra kötöm nem lesz baja? A primer oldalon 8ohm az ellenállása, van a szekunderen 2 piros, 2 sárga meg egy narancs lila narancs kivezetés, a piros ágak között 0,3ohm-ot a sárga ágak közt 41,1ohm-ot mértem. A narancs lila közt 0,9ohm-ot mértem, narancs narancs közt 1,6ohm-van. Találtam egy tápegység szűrőkondi méretező programot:Bővebben: Link Ha a trafón nem 3 kivezetéses az anódfesz akkor nem tudok kétutas egyenirányítást használni és a búgófeszültség se 100Hz lesz hanem 50Hz akkor mit kell változtatni az RC szűrőkörön? Mesa Dual recto-ban kétutas az egyenirányítás, miért van 2 dióda sorba kötve?

power.jpg
    
(#) ZSozsóó válasza krieggger hozzászólására (») Márc 2, 2011 /
 
Szia!

2 szekunder kivezetéssel is tudsz kétutas egyenirányítást csinálni, alias graetz híd. Semmit ne változtass, nem kell ebből rakéta tudományt csinálni, tényleg nem attól lesz dual recto hangod, mert a kapcsolás ugyanaz, ezt most elárulom, a kutya máshol van elásva a világ osztott paraméterben működik, nem koncentráltban.
Azért van 2 dióda sorba kötve, mert a maximális feszültség tűrésük nem engedi meg, hogy 1-1 legyen, 2 között megoszlik a feszültség fele fele arányban. Párhuzamosan kötni nem célszerű őket, mondhatni kerülendő, sorosan midnen további nélkül. Ha kinézel olyan diódát, ami képes elviselni ezt a nagy feszültséget, kellő áramot is elbír, akkor egy is elegendő. Graetznél meg adott egy tokban a 4 dióda...
A trafót meg nyugodtan kösd rá a hálózatra, miért lenne baja, aztán jó keresgélést, javaslom egy papírra felírni mi között mi van, szokott fejtörést okozni, de a legegyszerűbb az lenne, ha egyszerűen a donor cuccból lekövetnéd melyik hova ment...és akkor látnád melyi ka mnagyfesz, melyik a fűtés, melyik a bias...szerintem.
(#) krieggger válasza ZSozsóó hozzászólására (») Márc 2, 2011 /
 
Volt egy kellemetlen élményem egy nem hálózatra tervezett trafóval, azért kérdeztem. Lerajzolom a gyári erősítő tápegységét, és majd felteszem ide.
(#) CIROKL hozzászólása Márc 7, 2011 /
 
Sziasztok !
Volna egy tiszteletteljes kérdésem a mesterek felé , nem konkrétan építés inkább hiba elhárítás kategória de ezt a topikot találtam talán a legkézenfekvőbbnek .
A hiba az ha egyáltalán az hogy egy torzító pedál alapból ha csak a kimenetét rákötöm az erősítőre akkor érdekes módon úgy viselkedik mint egy mikrofóniás elektroncső , ha megkocogtatom a dobozát akkor azt lehet szépen hallani a hangszóróból .
Erre a gondra esetleg ha tud valaki mondani okosságot az nagyon jól jönne , ilyen hiba jelenséget még nem tapasztaltam .

md2_b.jpg
    
(#) tank_boy hozzászólása Márc 7, 2011 /
 
Sziasztok!
Nekem lenne pár kérdésem zöldfülüként...
A szomszéd ki akart dobni egy Orister1015 Típúsu régi 2x15Wattos lemezlejátszóerősítőt...
Én rákötöttem az elektromos gitáromat és nagyon szép és tiszta hangzást tapasztaltam
Én szivesen használnám egy nagyobb 4x12inch-es gitárládához is de ez csak 2x15w... hogyan lehetne ezen segíteni? Gondolkodtam arra is h vennék ilyen készletet amit csak össze kell rakni és kész is a 100W-os erősítő csak annak meg +-40V-os táp kell én meg nem találtam olyat sehol... A potikat is kicserélném mert tologatósak... ha kicserélem őket sima tekergetősre ugyanannyi ellenállással akkor nem változtatna a hangzáson?
Mellesleg ez az erősítő nagyon régi dugaljokkal rendelkezik... Azokat sem ártana kicserélni...
Nem tudna nekem valaki segíteni? Am. is arra vágytam h különleges gitárerősítőm legyen
Előre is köszönöm!
Sziasztok! Üdv. Árpád

itt találtok róla adatokat:

http://oldradio.tesla.hu/szetszedtem/140orister/orister.htm

U.I: Mellékeltem egy neten talált kapcs rajzot is!...
(#) virtualvt hozzászólása Márc 7, 2011 /
 
Sziasztok!

Megszólalt az első csöves cuccom. Építettem egy hibrid fejegységet, ami most jár a tesztfázisában. Az előfok Solando Supercharger GTO a végfok pedig (lehet röhögni) TDA7294. A végfok szépen teszi a dolgát, eléggé melegszik, de nagyot szól 2x12"-es RFT ládán.

A trafó egy Orion hifi toronyban volt eredetileg. Tekertem rá egy 6.3V és egy 10V-os tekercset. A 6.3V a csőfütésnek, a 10V pedig a csövek melletti trafóra megy, ami kb 205V-ra transzformálja az áramot.

Akad azonban probléma is, mégpedig az előfok környékén. Ha a Gain vagy a Vol potit egy bizonyos ponton túl tekerem elkezd gerjedni még akkor is, ha a gitáron le van véve a hangerő.

Mi lehet a gond? Én egy picit a csövek melletti trafóra gyanakszok, nem lehet hogy valamilyen zavart kelt és attól ilyen gerjedékeny?
Képeket mellékelek, a dobozt ne nézzétek, majd egy új lesz neki.
(#) skero válasza tank_boy hozzászólására (») Márc 7, 2011 /
 
Hol kerestél tápnak valót ,hogy nem találtál? A linkelt oldalon találsz -+28V és -+30V os trafót ami a 2x 40V -hoz jó lehet neked. (De nézz körül máshol is)Bővebben: Link De a 15W rettenet nagyot szól egy olyan 4 gitárhangszórós érzékeny gitárládán.
(#) ZSozsóó válasza virtualvt hozzászólására (») Márc 7, 2011 /
 
Hello!

Használj árnyékolt vezetéket. Legközelebb gondold át jobban a dizájnt, jelvezetéket ne utaztass annyira feleslegesen. Ha mást nem, legalább a gain poti csúszkáját árnyékolttal kösd, a harisnya egy oldalról kapjon csak földet. Meg fog szűnni a sípolásod, 80% ra mondom.
Nomeg, mik azok az istentelen hosszú trackek a panelen? Ha táp vagy ilyesmi, akkor bocsánatos "bűn". Ezt egy kis forrlécen 10ed ekkora helyen össze lehet tenni gerjedés mentesen,10ed ennyi költségből(nincs nyák, nincs maratás, stb). Legközelebb úgy tervezz ilyet, hogy a jelvezeték, legalább amiket kivezetsz, azok legyenek a legrövidebbek, a nyákot mondjuk ha arra fordítod a kezelőszervek felé és lerövidíted a drótokat már nyert ügyed lehet, de a gain poti legyen árnyékolt kanóccal.
Ha a csövek melletti trafó szórna, akkor nem sípolna, hanem búgna...A nagy fesz pufferét nem nagyon látom, azok a nagy jószágok lennének ott alul? Kicsit olan szétszórt az egész, nem brummog nagyon?
Az IC-s végen nem kell nevetni, én mondjuk az Lm3886,76 családra esküszöm, de akinek a tda-jön be, hát annak az
Egyébként biztos jól szólhat a cucc, majd egy hangot dobj fel alkalom adtán

Zsolti
(#) ZSozsóó válasza tank_boy hozzászólására (») Márc 7, 2011 /
 
Hello!

Tuti jól szólhat, de miért nem elég 2X15W? Az hatalmas teljesítmény egy 412-esen koncertezhetsz vele...100W erősítő meg már nem is tudom mire való, de nem emberi gitárjátékra az biztos.
Potik ,aljzat csere okos döntés, fel lehet újítani szépen, esetleg egy új kávába tenni, bár nem tudom van e értelme szétbarmolni egy ilyen erősítőt, 2x15W vagy 1X30W ra bőven elég egy lm3886 vagy egy tda7294, jó nagy tápfesszel és nagy headroomod is lesz,kb 2-3 eer forintból megoldható, plussz a táp persze. Meg egy egyszerű előfokozat is kb ennyi, még akár elektroncsővel is. Ha nem akarsz ortopéd nagy bordát, akkor inkább az LM-et válaszd, az nem izzad annyira, mint a TDA, meg nincs is annyi hasfájása szerintem. A nagyon szubjektív véleményem meg az, hogy sokkal jobban szól. Vagy egy bevált tranzisztoros kapcsolás is lehet jó adott esetben. Szívesen segítek, ha gondolod, vegyél fel msn-re, ott is beszélhetünk :yes:

Zsolti
(#) ZSozsóó válasza virtualvt hozzászólására (») Márc 7, 2011 /
 
Szöget ütött a fejembe valami! Hogy mit értesz gerjedés alatt. Fogalom zavarban vagyok, a gerjedés inkább a HF tartomány teteje körül szokott előferdülni, alul nem jellemző, tehát nálam a gerjedés = sípolás. Neked sípol, vagy egyszerűen brummog, zúg búg?
Egy tippem kapásból van, ha búg. Egy grécet látok, ha az a nagyfesz gréc, és a puffer messzebb van a nyákon (ott alul gyanakszom rá) és a tápfeszt a nyákon a grécről veszed le, magyarán a gréc lábáról megy tovább a fesz a csövek felé. Ez az eset az abszolút kerülendő dolog, mivel a tracknek amin megy a puffer felé,annak van ellenállása, amin töltőáram csordogál és a gréc lábán még nem szép egyenfesz van, hanem ezzel a töltőárammal "modulált" ami rángatja az egész cuccot.A pozitív táp és a földpont MINDIG a puffer lába. A nagyfesz pufferre kisütő ellenállás is kell ,nem látom hogy van-e vagy a panel alatt stb, tegyél rá ,ha nincs ,470k már elég szokott lenni. Ki kell deríteni honnan is jön a hiba!
-Baromi egyszerű, fogod a cuccot és az utolsó erősítő fokozat rácsát lehúzod földre. Nem ellenállást vagy akármit előtte,hanem a rácsot leteszed földre. Ekkor ha zajos vagy gerjedékeny, akkor nagyon nagy valószínűséggel a tápból jön.
-Ha nem a tápból ,akkor valószínű az árnyékolatlanság, írtam feljebb, gain poti minimum árnyékolva legyen.
-Sasszi földeletlenség is lehet, bejössz a hlózati csatlakozóval, érdemes a sasszit letenni a hálózat földjére. Ez érintésvédelmileg is fontos. Én rá szoktam tenni az egy pont földemre is, vagy közvetlen dróttal(vagy pár ohm és vele párhuzamban nagyfrekis pártíz-száz nF-en keresztül), saruval, rugós alátéttel megtépve, menetrögzítővel beragasztva...ágyúval verébre lehet, de így szoktam.
-Ha beállítod a cuccot, hogy zúgjon, majd leveszed a csöves rész tápját és ettől elhallgat a zúgás, de pár pillanatig még szól a cucc rendesen(amig kisül a nagyfesz puffer) ,akkor a fűtésed zajos. Ha nem közepelted ki, akkor tedd meg, 2db 100ohmos ellenálás pl, a 2 fűtés vezeték mindegyikére tegyél 100ohmot a másik felüket földre(tesztnek az is elegendő, ha a fűtés egyik szálát csavarhúzóval, fogóval nekiérinted a földnek, ha AC vagy DC és nincs a fűtés egyik szála sem közösítve semmi mással = lebeg a fűtés).
A rács földre lehúzása jó megoldás fokozatonként is, így ki lehet szűrni melyik fokozattal lehet a gond. Úgy értem, ha a bemenetet lehúzod a földre és már ott zajos, akkor avval már biztos baj van....stbstb.
Nem leoltani vagy letolni akartalak :hide: csak tényleg érdekel mi lehet a baja a cuccnak. Ez a kihívás ezen felülkerekedni, volt velem is ,hogy azt mondtam kész ennyi, süllyesszék a tengerbe, de azért csak rájön előbb utóbb az ember!
(#) skero válasza skero hozzászólására (») Márc 7, 2011 /
 
Bocsánat nem +- 28 és +-30V -ot akartam írni ,hanem 2x28 és 2x30V-ot mert ez még ac. Így akkor jó lessz a 40V táphoz (inkább a 2x 30V fesz esés miatt).
(#) virtualvt válasza ZSozsóó hozzászólására (») Márc 7, 2011 /
 
Üdv!

Köszi a sok tippet! Azért ilyen össze vissza a panel mert elsőnek torzítópedált akartam építeni, de rájöttem hogy nem fogom tudni beleépíteni a kis dobozába. Jöttek elő a problémák amiket nem tudtam kicsiben megoldani. Szóval így vetődött fel a fej építése.

A vezetékek kiszigetelését megcsináltam, és azokat a vezetősávokat se használom már amik a panel alján vannak (Azok mentek volna a reléhez). A szigetelés nem segített, ugyanúgy sípol. Nem mondanám búgásnak, inkább ilyen huuu hangot ad ki magából. A fűtésem ki van közepelve: két tekercs van a trafón mindkettő 3.15V és a közepük levan téve földre. A gratzes kondis dolog tényleg úgy van ahogy mondod, azúgy tényleg nincs rendben, valahogy meg fogom oldani. A hálózat földje levan téve a házra hasonlóan ahogy írtad.
Faterom azt mondta hogy mikrofónia van a dologban (akusztikus hatás a csövekre), de elvetettük, mert akkoris gerjed amikor nem szól.
Ha lesz rá időm kipróbálom a praktikáidat addig is gondolkozok még mi lehet a gond. Tényleg tépni fogom a hajam mert tudom hogy nehéz feladat, és alapból úgy álltam neki a csőnek hogy több nehézség lesz mint a fetes cuccokban.

És még egyszer köszi, mert az egyik legjobb, leghozzáértőbb embertől kaptam választ!
Következő: »»   158 / 317
Bejelentkezés

Belépés

Hirdetés
XDT.hu
Az oldalon sütiket használunk a helyes működéshez. Bővebb információt az adatvédelmi szabályzatban olvashatsz. Megértettem