Fórum témák
» Több friss téma |
Tiszteletem mindenkinek egy hatalmas de fontos kérdésem és kérésem lenne hughes & kettner cf100 erősítőhöz keresek kapcsolási rajzot vagy valamifélét aki tud segíteni írjon. Előre is kösszenet érte!
Erre tudok én is gondolni, a 90Ohm tényleg nagyon kevés. Bár régen létezett ilyen gyártmány mondom, a csöves készülékben ,ami alapján készült lehetett ilyen...Érdemes az LDR adatlapon böngészni az Attack és Decay Time nevű paramétert vagy Delay, Response Time vagy ilyesmi ,az legyen elég gyors, mert ha az lomha, az egész effektus furcsa lehet! Zs. :integet2:
Szia!
Kerestem több forrásomból is, de nem találtam kézzel fogható dolgot. A belvilágáról láttam képet, nem tűnik javíthatatlannak, nem vészes szerintem. Ha meg utánépítésen gondolkozol, akkor hasonló paraméterekkel lehet tervezni hasonlót. Ami itt érdekes lehet ,az a Character poti, ami a hangszóró árammal arányos feszültség visszacsatolást szabályozza. A hangszóróval sorban van egy teljesítmény ellenállás a föld ágban, azon valószínűleg van valami aktív elektronika, (elválasztó, erősítő) aminek aztán az erősítését, osztását stb lehet állítani azzal a potival. Innen a jelet meg be kell injektálni a "konvencionális" végerősítő visszacsatolásába. Kis fantáziával még Depht és Presence potikat is lehet rá varázsolni! Volt egyszer egy ilyen tervem, csak még nem jutottam el addig, hogy realizáljam! De pl a Mode Four a Marshalltól is hasonló elven nyugszik, abban egy híd párhuzam 7294 van, ott a nagy segítség a 7294 -ek párhuzamos üzemében van...Bármiben szívesen segítek, ha van kérdésed, akár a h&k -val is, multiméter alap, szkóp, generátor nem árt! Ha javítani szeretnéd, elsőre azt ajánlom, hogy a félvezetőket nézd végig dióda vizsgálóval, kikapcsolt, feszültség mentes állapotban, hogy minden oké-e, ha kell ,akkor ki is kell forrasztani az adott eszközt...Aztán tápegység stb...Ha az is oké, akkor félvezetőkön feszültség mérés, abból tájékozódni, hogy jól mennek-e, ha az is oké, akkor a védelem, dc prot, ilyesmi...De nem akarok okoskodni! Zs. :integet2:
Szia!
Ezzel én nem igazán kísérleteznék. Az ldr-nek meg van az a jó tulajdonsága, hogy ha az ember szeretne, akkor nem csak ki- be tud kapcsolni, hanem akár szabályozni is (pl mint amikor a decay potit tettem a zajzárra és akkor megfelelő időállandóval "lehalkított"...), szóval kicsit rugalmasabb, de ennek így jelútban egész nagy torzítása lehet. De mondjuk pl egy tremolóban még el tudnám képzelni ,de akkor meg már jfetet használnék a bipoláris tranzisztor helyett...Persze ezzel is lehet kísérletezni....Mire gondoltál a zenész dolog alatt pontosan?
Bármire, ha alkalmas lenne, kipróbáltam volna.
Egy számítógép monitorból van. Érdekelt, hogy használható-e alkatrészként például a zajzárhoz, vagy egyéb szerkezethez. Mivel láttam, hogy led meg tranzisztor egyben, reméltem, hogy az említett vactrol-hoz hasonlatos lehet - de nem! Nem szívesen kísérleteznék számomra ismeretlen elektronikai kütyükkel, mert nem értek hozzá - inkább kérdezek. Csak gondoltam jó lehet valamire...
Sziasztok!
Zvex Fuzz Factory másolatot szeretnék készíteni úgy, hogy semmilyen tapasztalatom nincs elektronika témában, és a megfelelő tudásom sem hiszem hogy megvan Amim van, az két weboldal: Bővebben: Link és Bővebben: Link (francia, de ezt lefordítanám - 2 éve tanulok franciául -) Ezek alapján nem tűnik nehéznek (kicsit mint a LEGO ), még úgy sem, hogy nem tudom, hogy működik a kondenzátor meg tranzisztor, meg ilyenek.Amit nem értek, annak utánanéznék persze, mert a Google a barátom, például ilyeneknek hogy homemade nyák készítés és hasonlók. Egy dolog, amitől félek, hogy azért illene minőségibb alkatrészeket beletenni, (nem tudom ez mennyire számít ilyen kis dolgoknál mint egy kondenzátor, de szeretném hogy jól szóljon) és mivel nincs meg a szakértelmem, fogalamam sincs, hogy milyeneket vegyek (a specifikációin kívül persze). A bolti pedál ára amúgy 40.000Ft felett van kicsit, használt replika 20.000 körül, de ritka, ha nagyon maximum 10.000-ből kijönnék, az a boldogság csúcsa lenne ![]() Ötletek, gondolatok? Belevágjak, vagy inkább hagyjam?
Kösz a segítséget értem vele valamit a Marshal rajz alapján szerencsére azt találtam! Egyébként a második felvetésed volt a helyes mert építésre adtam a fejem háromnegyedig el is készült csak az előfokrészen akadtam el kicsit de így az is helyre jött meg a Characternél volt bibim de az is megoldódott a segítségeddel! Ismerősnek csinálom én is! Bár építgetésbe benne vagyok egy ideje több nevesebb zenésznek is alkottam már dolgokat pl a machine mouse volt gitárosának ami volt és még megis van egy orange tiny terror fullcsöves cuccot meg a saját marshal JCM 800as fullcsöves cuccot! ennél csak kisebbek és egyszerűbbek akadtak de ez a ketner most fejen vágott!
No, ennek örülök, én is építgetek, de valahogy a csövek már nem hoznak lázba. Van egy teljesen csöves, még a marshall imádat korszakomból, van azon minden, kb 3 létező marshall erősítőt topológiát lehet kihozni. Van egy 1956 szerű, jcm800 szerű, mindegyik elé lehet még egy triódából és gain potiból álló boostot tenni. Így van egy 1956, 1956RR, JCM800 és JCM800+ boost. Emellett mindenféle kütyü, a plexi résznél egy kis közép emelés kapcsoló...Emellett egy LDR- el működő zajzár, küszöb és elhalási idő potival... Amúgy csendes teljesen ,de így legalább nem kell tekergetni a seprűnyélen a vol potit! Tung-sol 12ax7 -ekkel, meg NOS EL34-ekkel. A másik egy hibrid, ott egy plexi szerű előfokozat van felépítve egész a végfokig, tehát a fázisfordító is benn van, onnan szimmetrizálok egy félvezetős végnek, ott is benne ez a plussz gain és plussz trióda. Aztán tavaly csináltam egy full félvezetőset, akkor kezdtem megszeretni őket, mondván, csövesből nem akkora kihívás olyan jót csinálni, inkább egy jó félvezetősen látom a kihívást! A végfokaim általában LM3886-ok, ezzel a kis hsz. árammal arányos feszültség visszacsatolással, bár én fixen szoktam belőni, a hangszóró impedanciájának negyedére kb, mert oszcilláció is felléphet gyors végfokozatok esetén. Az elsőnél ezzel rengeteget szívtam, mert a hangszóró ugyebár nagy frekvencián már inkább induktivitás, és azon a feszültség és áram fázisa...Szóval óvatosan kell bánni ezzel a visszacsatolással, extrém nagy kimeneti impedancia esetén (Zki>Zt) elég jó eséllyel oszcilláció lesz! Mutatsz majd képet az elkészült berendezésről?
Zs. :integet2:
Szia! Szerintem nyugodtan nekiállhatsz, ilyen dokumentációk mellett nem hinném hogy sok probléma adódhat. Ha valamit nem értesz majd írsz aztán segítünk.
AC128-ra viszont vadásznod kell mert boltban nem kapsz, vaterán, egyéb ilyen helyeken szokott lenni.
Valóban nem bonyolult, de a Ge tranzisztorokat érdemes válogatni.
Ha nincs tapasztalatod, szerintem érdemesebb kitben megvenni, és összerakod magadnak. Itt megtalálod az infókat: http://www.ewr.hu/BIZ/FUZZFACTORY.htm És még bőveb 10.000 alatt vagy.
húúúúú ha tudtam volna, hogy ilyen van
) ezek szerint nem kerestem elég jól, szerintem ez lesz köszönöm!!
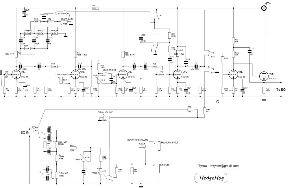
Hello, gitár erősitőhöz előfokot akarok épiteni, amit eddig találtam kapcsolást az 2 ecc83 csövet használt, mindegyik triódát földelt katóddal köti be kaszkádba, viszont a végére egy félvezetős erősitést rak. Ezt szeretném lecserélni, és beraknék oda egy katód követőt... Ami nem tiszta: az illesztés során hogyan kell viszonyulnia egymáshoz a a katódkövetős fokozat bemenő impedanciájának és az azt meghajtó földelt katódos kimenő impedanciájának?
-valamint, ezzel még marad egy kihasználatlan fél csövem. Valami tipp erre? Fázist csak nem akarok forditani még egy földelt katódossal... A kapcsolást éred el. Az INPUT és OUTPUT SEND közötti részt akarom megépiteni, a RETURN és LINE OUT közötti részt akarom kiváltani egy 3. csővel. Szeretném, hogy fejhallgató kimeneti továbbra is legyen.
Szia!
Elsőnek a maradék triódáról...Szerintem azt is kösd be a "kaszkádba", így több lenne a gain, el lehetne tekerni torzba is a dolgot. Esetleg akár sztereóü poti is lehetne a gain: erősítő fokozat- gain poti 1 - erősítő fokozat - gain poti 2 - erősítő fokozat... Így egy szélsőségesen tisztától nagyon torzat is össze lehetne hozni. De ha nem kell torz, bár tisztához már 2 trióda is elég, úgy hogy erősítő - hangszín (szerintem szigorúan FVM hangszín, ne baxandall vagy ilyesmi, az hangszerhez nem az igazi) - erősítő, ide meg jöhetne is DC csatolásban a katódkövető. Használja ezt sok nagy kapcsolás. Anód tápra, rács az előtte levő fokozat anódjára, katód meg egy 100k-val a földre. Nem kell ezt túlmisztifizálni én azt szoktam mondani ez csak gitárerősítő nem óceánjáró...Sajnos a kapcsolási rajzod nem látom. Belinkelnéd még egyszer? Egyelőre ilyen tippem lenne! Szép napot! Zs. :integet2:
Ezzel a rajzzal vigyázz! A gyártó szándékos dezinformációkat helyezett el benne! Az összes ENGL gyári rajz hibás szokott lenni! Ezt speciel vissza is rajzoltuk anno...De neten meg lehet találni a jó rajzot. Zs.
Vigyázok én vele, mielőtt bármit összerakok értelmezem a rajzot, szeretem tudni hogy mi mit csinál, főleg, hogy én mit csinálok....
A maradék trióda problémája: Az nem okoz gondot, hogy akkor az egész rendszer fázist fordit? Torzitgatunk, tónust állitgatunk, csak nem kéne kutyulni a fázisokat.. Vagy csak én vagyok ilyen túlságosan rendszerető ember? Végül: Most hogy kobzoli (Köszönöm, hogy belinkelted a rajzot ) A V2b után bemegy a V3a, földelt katódosnak, arra a katódkövető, és kapok egy kis impedanciájú kimenetet. Viszont azt nem tudom, hogy kell viszonyolniuk, az előző fokozat ki/mások fokozat bemeneti impedanciájának egymáshoz... Tehát a katódkövető hóka-móka kimenete az LINE OUT kimenetként remekül fog funkcionálni, és még fejhallgatót is köthetek rá?(De ha ezt a "jó" kapcs. rajzot esetleg be0 tudod linkelni nekem, azt azért nagyon megköszönném. )
Jellemzően az ENGL nem működésképtelen rajzot ad meg, hanem az alkatrész értékek éppen nem jók, meg itt ott kifelejt, máshová tesz egyes dolgokat. Ha jól emlékszem ez fedi a valóságot teljesen! Bővebben: Link Ne foglalkozz semmiféle fázisokkal, meg impedanciákkal...Ha nagy impedanciás bemeneti eszközt kötsz rá ,akkor simán lehet használni ennek a tone stack-ja utáni kimenetet (send), ha nem, akkor meg kell egy impedancia illesztés, lehetőleg nagy bemeneti ellenállású fokozattal. Ennyi...
Konkrétan a fülesem 64 Ohmos. Egy olyan elképzelésem lett, hogy a füles-kimenetre kötni egy potit meg egy trimmer potit. A potival lehetne állitgatni a füles hangerejét, a trimmerrel meg a maximumát tudja belőni az ember, igaz hogy nem számolásokkal, csak "fülre", de talán ez is védi.
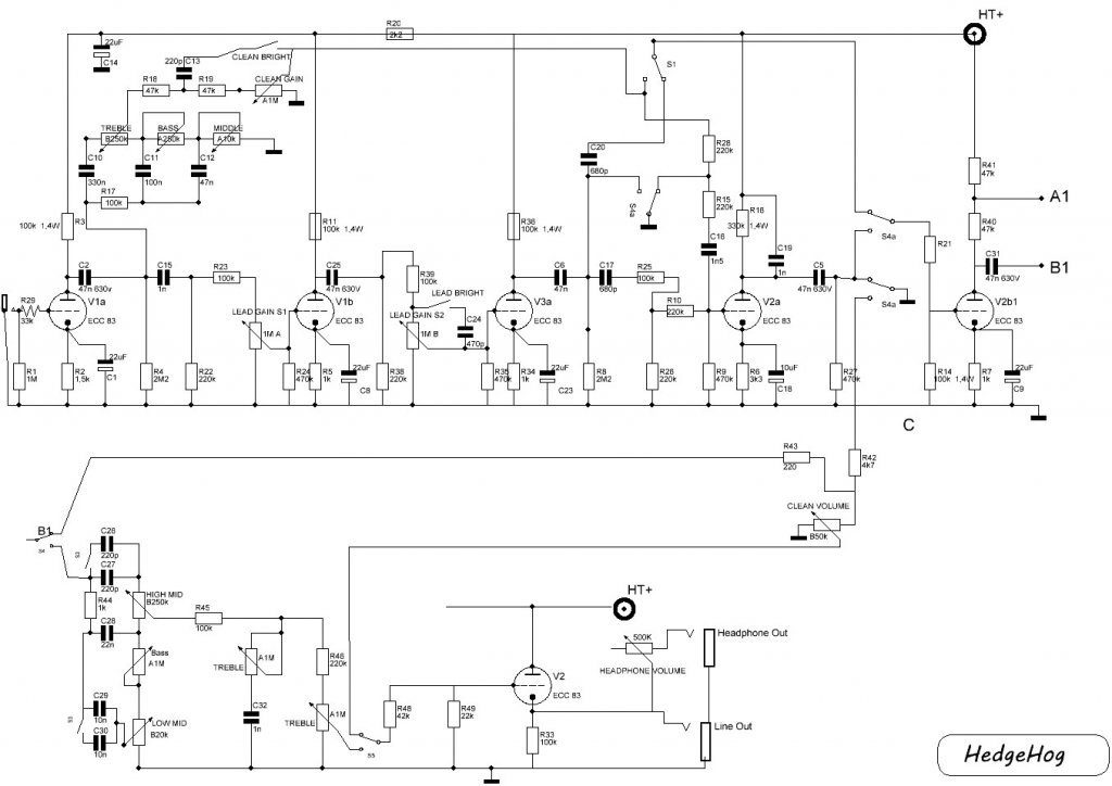
Kicsit belepiszkáltam az 530 kapcsolásába, én erre gondoltam, azért megkérnék valakit, akit ért is hozzá, hogy fussa át, van-e benne valami ami miatt nem működhetne... A kapcsolókat még lusta voltam besorszámozni, bocsánat, ez legyen a legnagyobb baja.
Ez így nem lesz jó, a rács így a földön van, nem az igazi. Ha így akarod megoldani, akkor javaslok olyan megoldást, amit pl az orange is használ sok effekt loopjában. A katód ellenállást meg kellene osztani és a rács ellenállást oda betenni. Ennek méretezéséről szerintem neten találsz sok jó dolgot. A másik megoldás egy feszosztót létrehozni és a rácsellenállást oda bekötni. Az első nekem szimpatiksuabb, persze mindkét megoldáshoz kelleni fog neked csatoló kondenzátor is. Meg azért egy kicsatoló kondenzátort is tennék, mielőtt valami szétreppenne, vagy sérülés történne. Nomeg ez ilyen kis árammal aligha tudja meghajtani a fejhallgatót, ide azért izmosabb árammal/kisebb kimeneti impedanciával járó katód követő kéne, vagy legalább 2db ecc83 párhuzamban, kisebb katód ellenállással, de ehhez így sok reményt nem fűznék. Ezen van még mit gondolkozni! Zs. :integet2:
Rájöttem, elnéztem, javitom, mindjárt jön a v1.1
Ha jól nézem, erre gondoltam eredetileg.
Szia! Nem akarnék nagyon belebeszélni, de a hangszín és a kimenet között illene impedanciát illeszteni. Jó volt a korábbi elképzelés csak V2 amplitúdó képtelenre sikeredett.
Helyesbítek a V2 kimeneti impedanciája magas és elég bizonytalan volt.
Na most melyikre gondolsz...?
egy hirtelen megfontolásból 3 trióda is v2 nevet kapott, bár van egy sejtésem hogy a katódkövetőre gondolsz... Nos, igen, korábbi kérdésem is az volt, hogyan kell viszonyulnia egy fokozat kimeneti impedanciájának a következőjéhez, ebbe én azt is belevettem, hogy a végső fokozatt kimenő impedanciája milyen kell hogy legyen, a rákötött hangszórótól/fülestől függően?
Szerintem Zsolt erre gondolt.
Kössem be igy a katódkövetőt? (Itt amúgy ez a csomóponti potenciál melyik csomópontban levő potenciált mutatja?)
A képernyő-mentő ellopta a mérőcsúcsot
R2 -őn eső feszültség. A triódán 1mA legalább hagy folyjon, ezzel már a vonali kimenetet meg lehetne hajtani. Közvetlenül fejhallgatót szeretnél rákötni? Hány ohm-osat?
Ahha.. De ahogy látom, te 200V anódfesszel számoltad, én 300-310 re terveztem a meghajtását. A fülesem 64 Ohmos, nem tudom, mennyi az átlagos fejhallgató-impedancia...
Továbbá kéne rá egy másik kimenet, ami mehet keverőpultba, végfokba, egyéb erősitőbe... |
Bejelentkezés
Hirdetés |




De pl a Mode Four a Marshalltól is hasonló elven nyugszik, abban egy híd párhuzam 7294 van, ott a nagy segítség a 7294 -ek párhuzamos üzemében van...Bármiben szívesen segítek, ha van kérdésed, akár a h&k -val is, multiméter alap, szkóp, generátor nem árt! Ha javítani szeretnéd, elsőre azt ajánlom, hogy a félvezetőket nézd végig dióda vizsgálóval, kikapcsolt, feszültség mentes állapotban, hogy minden oké-e, ha kell ,akkor ki is kell forrasztani az adott eszközt...Aztán tápegység stb...Ha az is oké, akkor félvezetőkön feszültség mérés, abból tájékozódni, hogy jól mennek-e, ha az is oké, akkor a védelem, dc prot, ilyesmi...De nem akarok okoskodni! Zs. :integet2: 
), még úgy sem, hogy nem tudom, hogy működik a kondenzátor meg tranzisztor, meg ilyenek.
Belinkelnéd még egyszer? Egyelőre ilyen tippem lenne! Szép napot! Zs. :integet2: 







