Fórum témák
» Több friss téma |
Fórum » Hangsugárzó építés, javítás - miértek, hogyanok
Témaindító: csonthulye, idő: Dec 10, 2005
Témakörök:
Ismerős van. De nem vagyok benne biztos, hogy ott még gyártanak (főleg ilyet).
Szerintem nem kell már több hangszóró ebbe.
Az tuti nem én voltam... Valamit benéztél szerintem.
Elég bőven...Egy jó ideje amúgy is már csak monoban szól 1db hangfal
, a másikra kazetta, és lp lemez játszó van kötve
Üdv!
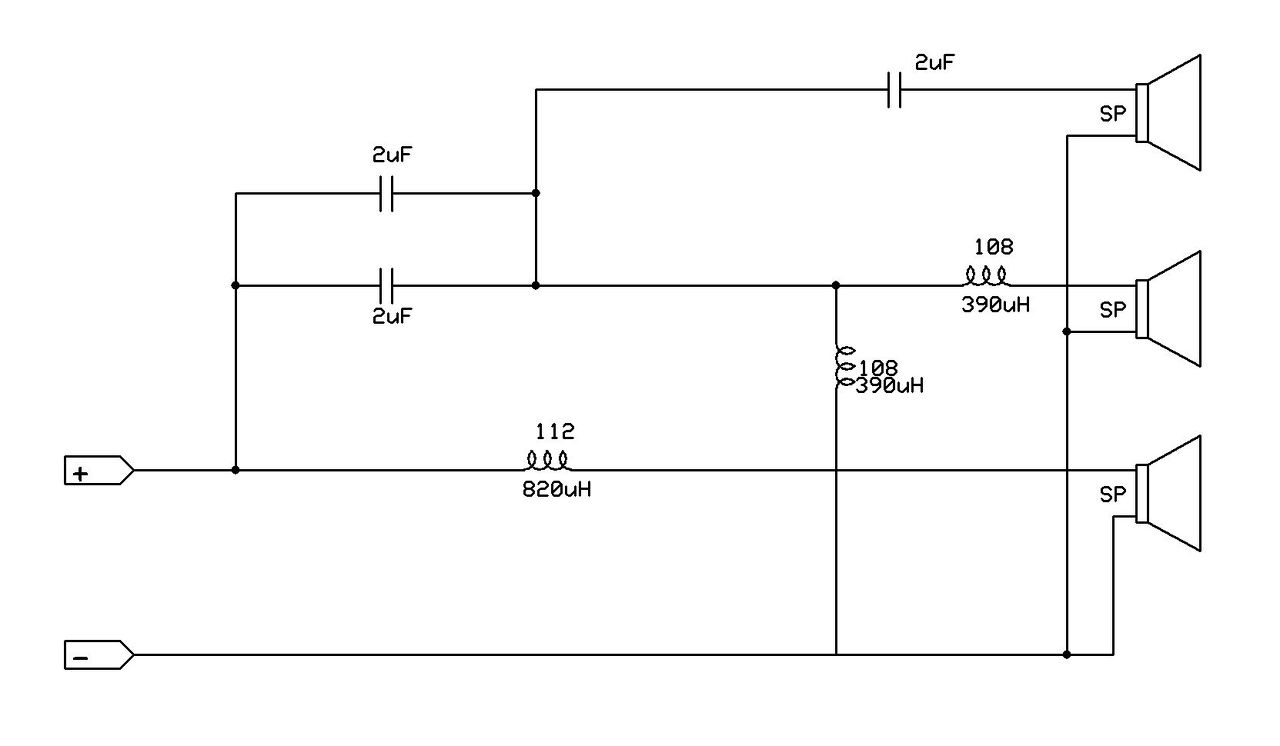
A Videoton 2040A hangsugárzóimban a képen látható váltót találtam, mennyire ítélitek ezt megfelelőnek? Módosítsak rajta, vagy inkább ne piszkáljam? Gyárinak tűnik, nyákon van és nem látszik, hogy hozzá nyúltak volna. A hangszórókat cseréltem H2000 gyártmányúakra, mert vegyesen volt benne minden. Eredeti felállásban a magas és a közép 8 Ohm, a mélyközép 4Ohm. Most minden 8 Ohm lett.
Nem hirdettél-példálóztál vele, hogy gyári még is jól tud szólni. (rémlik)
Képet meg amit beraktál , kép alapján rátaláltam a neten-onnan "jöttem" ide. Üdv!
Főleg milyet?
Ez egy új szériás (F10) 5ös BMW hangszóró. Megtennéd nekem , hogy megkérded ismerősöd? Előre is kösz!
Sajnos nem tudhatom, mert nem Videoton volt benne, hanem Orion LB1021-es, ha jól emlékszem.
De én nem a HSS-ben dolgozom. Mindegy én nem emlékszem rá.
Igen, hát, röviden, szerintem nem érdemes változtatni rajta.
Nagyon hosszadalmas, nehézkes lenne.
De ezek szerintem régebbi, évekkel ezelőtti gyártások, nem hiszem, hogy még programban van, de ki tudja, viszont hiába vannak ismerősök Harmannál és HSS-nél, a hangszóróhoz nem fogsz tudni hozzájutni így kívülről.
Talán hasonló: Bővebben: Link A hozzászólás módosítva: Nov 8, 2015
Az érzékenység hiányát képes vagyok jelentős erősítőtöbblettel kompenzálni. (De ez a rendszer, nagyjából kétszer olyan hangos, mint mondjuk a régi Orion HS500-am, azonos erősítőteljesítmény mellett. Ezért számomra ez már határozottan az érzékeny és hangos kategória. Ezzel együtt, nem vitatom, valóban vannak sokkal érzékenyebb sugárzók is, de az áruk ezeknek lényegesen magasabb.)
Amit én eredményként előre elképzeltem, attól lényegesen jobbra sikerült. Ez mérve és hallgatva is tetten érhető. Ehhez óriási segítséget kaptam Ptesza fórumtársunktól, aki nem csak konkrét adatokkal segített, hanem számos elvi és elméleti kérdést is igyekezett helyes megvilágításba terelni, illetve a mérések kapcsán Reloop-tól kaptam hathatós segítséget. Azért emeltem ki ezt a két segítőkész embert, mert ők a hangszórók fikázása helyett, igyekeztek az elérhető legjobbat kihozni belőlük. Ha bármilyen kétséged van a tényleges hangnyomást illetően, szívesen látlak nálam, és felajánlom, hogy tölts el 5 percet kettesben a hangsugárzókkal (jelentős hangerő mellett). Garantálom a minimum erős fejfájást. Idézet: „Garantálom a minimum erős fejfájást.” Annyira fárasztó hangja van? A hozzászólás módosítva: Nov 8, 2015
Nem fárasztó, hanem nagyon "hangos". A két SUB 600W RMS-el terhelhető ami már önmagában is brutális, és ehhez még adj hozzá egy alacsony mennyezetű helyiséget. A hangja kiegyenlítettebb, mint a két gyári dobozom, és mindezt nem a fülemre hagyatkozva mondom, hanem mérésre támaszkodva.
Akkor nem bántom. Igazából relatíve szépen szól, főleg ahhoz képest, hogy milyen volt.
Igen, itt kezdődik a következő probléma, hogy ki, mit és hogyan mér.
Majd hogyan értékeli azt. Ez is egy külön tudományterület (még csak nem is szakma).Persze, könnyű azt mondani, hogy az Orion nem volt jó, ez igaz is, de a SAL sem jobb, sok szempontból rosszabb. Főleg egy ilyen felállásban.Egyelőre csak annyit tudunk, hogy a bemenőteljesítmény és a fogyasztás jelentősen megnőtt. Ha ettől függene, sokszor jobban kellene szólnia a hagyományos mosóporhoz képest.Mindenesetre, az biztos, hogy egy dóm közép, még ha Orion, és MD40 is, középtartományban sokkal vállalhatóbb, és audiofilebb, mint egy rezonáns 16 centis SAL. De ahogy emlékszem, az érzékenysége is nagyobb.Vannak egzakt szabályrendszerek, a hangszóróknak is vannak képességeik, és sajnos a legtöbb hasonló DiY projekt pont a hangszóróválasztáson bukik el. Ugyanebből az összegből megfontoltabb, átgondoltabb hangszórókészlettel sokkal értelmesebb, és kellemesebb élményt nyújtó összeállítást is lehet készíteni, ami műszaki szempontból biztosan jobb. Hogy aztán kinek mennyire tetszik, az már más kérdés. Én örülök, ha elégedetten hallgatod. Hiszen ez a fontos. A hozzászólás módosítva: Nov 8, 2015
Az új mélyközép elég jó 4-5kHz-ig is, azzal nincs baj. Mélyben kicsit kevés, kevesebb, mit az eredeti, viszont hangosabb, érzékenyebb. A legkisebb 100-as közép is jó arra, amire itt kell, a gyenge pont a magashangszóró, de ilyen méretben kónuszos magasak között nincs jobb lehetőség. Egy kis méretű dómra lenne érdemes cserélni, és újrahangváltózni nulláról. Esetleg a mélyközépen alakítani, hogy kicsit szebb mély- és középtartománya legyen. De ezek nagyobb horderejű dolgok, sok munkát igényelnek. A hozzászólás módosítva: Nov 8, 2015
Ezt ki írta, hogy a HSS-ben dolgozol?
Mingyá kikeresem amit akkor beírtál! Nem azt írtam , hogy példálóztál egy jól szóló BMW rendszerrel? Ebben hol szerepel hogy te hol dolgozol? Üdv!
Laci!
Az imént írtam és linkeltem be egy mostani kocsi mélynyomóját amin rajta a cég matricája. Erre mondod megint, hogy régebben csinált- nem értem. Az meg , hogy én nem tudok kívülről vásárolni tisztában vagyok-ezé szeretnék egy olyan személyt, havert, haver haverját aki meg tudná szerezni. "nem hiszem" "nem fogsz tudni hozzájutni" Laci , neked vannak ismerősök vagy csak úgy általánosságban írtad? Tedd már meg, mégha nem is hiszel benne, hogy mekkérded nekem! (ha van ismerős) Előre is kösz, Üdv Kisatila
Teljesen racionálisan látod a kérdést. Csak az volt a cél, hogy az adott készletből hozzuk ki amit lehet.
A méréseket amatőr viszonyok között, egy sima kondenzátor-mikrofon kapszulával végeztem (ARTA-LIMP). Ez biztosan sok szempontból megkérdőjelezhető, de még mindig sokkal egzaktabb, mint fülre beállítani valamit. Az érintett hangszórókat azonos körülmények között mértem, mégha azok nem is voltak ideálisak. A front dobozokban lévő hangszórók adottak voltak, korábban vásároltam őket (több éve). A SUB-okat most vásároltam, és ennek választása már ajánlás alapján történt. Ez sem felülmúlhatatlan, de már egy kicsivel jobb hangszóró is lényegesen többe került volna. Megkérlek, ajánl nekem hasonló terhelhetőséggel olyan hangszórókat, amikkel jobb eredményt kaphatnék. A terv továbbra is 2 db 8R-os közép (párhuzamosítva), és ehhez egy magas-sugárzó (dobozonként). Alsó határfrekvencia nem kényes, elég ha 100 Hz körül van, mert innen már a SUB-é a szerep. Két rossz helyett inkább egy jobbat használnék. De amúgy szerintem a célnak megfelel, nem? Ami jó (erre a felhasználásra most), azt nem kell megjavítani.
Üdv! A kondenzátormikrofonos mérést hogyan végezted? Szeretnék többet tudni erről a Limp programról hogyan működik,részleteznéd ha megkérlek? 1 méteres távolságról mérted 1w bemenőjellel?
Több cél is van.
- A hangzás, jelenlegi formájában is megfelelő. Fontos volt, a jelentős hangerő, és ezt maximálisan elértük. A viszonylag jó átvitel már csak ráadás. Voltak érzékenységbeli eltérések a front hangszóróinál, de pontosan a méréseim alapján méretezte Ptesza a hangváltót, ami ezt képes volt korrigálni. A megvalósult váltóval való mérés, nagyon jól szinkronban van a szimulált diagramokkal. Az alapcél mellett nagy jelentőséget tulajdonítok a témával kapcsolatos tapasztalataim bővítésének, és a kapcsolódó elmélethez is igyekszem felzárkózni. Ehhez lehet remek vezérvonal, másik frontsugárzók építése. Ha a költség valóban hasonló a jelenlegiéhez, akkor ezt az áldozatot szívesen meghozom. Már korábban is zavart téged a két középsugárzó használata, de nekem tetszik ez az irányzat. Színvonalas darabok sokaságát látni ezzel a megközelítéssel. Jelentős teljesítményt nehéz egyetlen membránnal elérni. De képes vagyok okulni, tehát továbbra is várom az ajánlásodat, milyen hangszóró készletet látnál jobbnak?
A mérés elméleti alapjai szerteágazóak, és bonyolultak. Ezek ismerete hasznos, de nem nélkülözhetetlen.
Voltak kézzel írt feljegyzéseim, amiket kicsit tisztáztam most a kedvedért. Mellékeltem azt, ami alapján magam is ügyeskedtem. Kellene még bele néhány képernyőfotó, de ezekkel most nem vacakoltam. Ptesza honlapján, sok hasznos információt találsz a méréshez, javaslom átolvasni. Célszerű egy ARTA-BOX-ot építeni (találsz hozzá mindenféle építési tanácsot a neten), amivel átvitelt és impedanciát is lehet majd mérni, de ennek használatához kell a mikrofon előerősítő. Nekem még nincs ilyenem, ezért csak "egycsatornás mérést" végzek. Ezzel szemben az ARTA-BOX a javasolt kétcsatornást mérést tudja, ahol már a rendszer saját hiányosságait képes kompenzálni. Az átvitel méréshez, látni fogod nem kell semmi más csak a mikrofon, egy külső erősítő, és egy PC (meg a program).
Errefelé nagyjából korrekt infókat találsz:
Bővebben: Link És pár hete impmérést is. A hozzászólás módosítva: Nov 9, 2015
Szerintem ez tárgyi tévedések sorozata.
Nem szívesen bonyolódok bele utólagos elméleti hiánypótlásokba, korrekciókba, amikor valamit biztosnak gondolsz, de valójában nem igaz abban a formában.
Elismerem, számos hiányosságom van. Ezekkel nekem kell megküzdeni, ne is fecséreljünk rá több szót. Lépjünk át a tényekhez!
1. Ha van olyan javaslatod, ami jó irányba tud terelni, akkor azt várom. A ködöléssel nem tudok mit kezdeni. 2. Írd meg, melyik az a hangszórókészlet, ami árban és terhelhetőségben azonos a 1620-al és a dómmal, megvásárolható, és jobb eredményt ígér mint azok.
Igazából csak az alapok nincsenek meg. Megoldás: nulláról újratanulni. Na ezt fórumon nem lehet. Meg gyorsan sem. És amíg ez nincs meg, addig természetes, hogy ködnek látod. De erről nem feltétlenül én tehetek.
Rossz a kérdés is. Minek azonos terhelhetőség? Illetve segíteni csak a minimális nyitottság megléte mellett lehet. Ha választhatok, nem vállalnám ezt a feladatot, amit akartam, már leírtam. A hozzászólás módosítva: Nov 9, 2015
Érdekes figura vagy. Mindent képes vagy lefikázni, de még nem láttam olyat, hogy megmondtad volna hogyan lenne jobb.
Aztán a minimális nyitottsággal rukkolsz elő, éppen te, aki mindig kétségbe vonod a kérdezők alapfelvetéseit. A tudásod vélhetően fényévekkel előttünk jár, de ebből nem csepegtetsz nekünk semmit. Megértettem az álláspontod, és elfogadom azt. |
Bejelentkezés
Hirdetés |





