Fórum témák
» Több friss téma |
Fórum » Időzítő
Témaindító: Mekkmester, idő: Dec 25, 2005
Témakörök:
Találó neved van. A segédprogramok között találsz 555 -ös időzítőt. Ha jól méretezed, tudni fogja amit szeretnél, annyi árulással, a kimenetet nem a negatív táphoz, hanem a pozitívhoz kapod.
Sziasztok!
Szeretnék egy kis segítséget kérni egy kapcsolás megépítésében. Egy olyan kapcsolásra lenne szükségem, ami ha jelet kap, akkor kb. 2 másodpercre behúz egy relét. A relé tekercsének ellenállása 87 Ohm, mivel egy autós relé. A tápfeszültség 8-15V-ig lenne. Én alapból valamilyen 55-ös IC-vel gondolnám megoldani, de inkább kérdezek, mielőtt valami hülyeséget találnék ki. Köszi szépen!
Hello! Remélem ilyesmire gondoltál. üdv!
Valami ilyesmire igen, de ez a táp kapcsolgatásával billen be? Nálam arra lenne szükség, hogy egy külső jel, ami pillanatszerű bebillentse, meghúz 1-2s-ig azután elenged.
Hello! Meg kellett volna írni milyen "jelet". Vagy is impulzust, vagy konstans feszültséget, tápot, vagy GND-t, vagy mit. Mert az szerint kell kialakítani egy bementet és akkor monostabilt kell alkalmazni. üdv!
Hello!
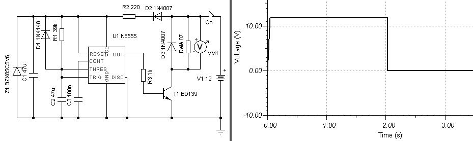
Megepitetem , azt a kapcsolast amely abban a hozaszolasban van amelyre hivatkozom. Ha aram ala helyezem akor (talan) fel percig behuz a rele, aztan mar nem me'rek feszultseget az U2 8-as laban , de U1-8 laban igen ami bisztositja a feszultseget U2-nek, ugyan anyi mint a tapfesz, majd egy kis ido utan mar csak U1-es feszultsege van meg.Sajna azutan mar nem csinal semit, ez igy normalis? A 0.2A halotrafo eleg meleg , fustolni nem fustol de a kezet nem lehet rajta tartani. Elore is koszonom segitsegeteket.
Hello! Nem tudom, már mekkora időket szerettél volna. De a kapcsolásnak a következőképen kell működnie.
- Az U1 astabil módban működik. Ez látható is, mert a "MOD" bemenete magas szinten van. Vagy is U1 "Q" kimenete váltakozva vagy magas vagy alacsony szinten van, de mindig ugyan annyi ideig van magas, mint alacsony szinten. Az időt az oszcillátor elemei (néhány alkatrész körülötte) és az "a" és "b" bemenetek által beállított osztás viszony szerint. Tehát ez az áramkör a Q kimenetén időnként tápfeszt ad az U2 áramkörnek. - Az U2 monostabil módban dolgozik. Ennél is látható, hogy a "MOD" bemenet alacsony szinten van. Tápbekapcsoláskor automatikusan belső RESET van. A QPH bementek magas szinten vannak, így bekapcsolás után (RESET) mind két fokozat magas szinttel kezd. Időzítés beállatásának eljárása azonos U1 áramkörével. - Bekapcsoláskor az U1 kimenete magas, tápot ad U2-nek, így annak kimenete is magas lesz, relé behúz. Ha U2 ideje lejárt, kimenete alacsony lesz, relé ejt. Később U1 idejének fel is lejár, kimenete alacsony szintű lesz. Ha ez az idő is lejárt, U1 kimenete ismét magas szintű lesz. Ez ciklikusan változik, így az U2 minden egyes U1 magas szintjére elindítja a monostabilt, és U2 idejéig meghúz a relé. - A működésnek egy feltétele van, hogy U2 késleltetési idejének rövidebbnek kell lenni, mint U1 magas szintjének ideje. Ennyi a megkötés. Nálad vagy valami hiba van a panelen/forrasztásnál, vagy nem volt türelmed kivárni U1 egy teljes ciklusát. - Trafónál mérd meg az áramkör áramfelvételét. Ha az kisebb mint 200mA, mindennek rendben kellene lenni. Vagy ilyen a trafó, túl van gerjesztve, vagy elkötöttél (vagy rákötöttél még) valamit. (Egyenirányítás-szűrés rendben van?) üdv! A hozzászólás módosítva: Aug 4, 2013
Hello!
Koszonom, mericskeltem es olvasgatam en is a dolgokrol, es mukodik is . Csak, az a kis szaros trafo meg mindig nagyon forro, annak elenere hogy 9V-ot , irt rajta, 15, 1Vdc volt a hid utan a szuro kondival egyutt, terhelesel, igy beiktatam 1db, 12v 1W zenerdiodat, ami le is hozta 12V-re a feszt , de igy sem ertem miert forrosodik. Letezik hogy a szurokondi szivja enyire a trafot? Ha le van anyira trehelve a trafo hogy forosodjon , akor feszultseg eses kene legyen nem novekedes! A dioda hid bontott , igy en is alkalmaztam a vele jaro kis kondikat a diodakal parhuzamosan, ez befolyasolhatja a melegedest? Idézet: „- A működésnek egy feltétele van, hogy U2 késleltetési idejének rövidebbnek kell lenni, mint U1 magas szintjének ideje” A feltetelek adotak , mivel nalunk a boltban nem tudtak adni 2 egyforma kondit(tipus) , sot 680nf egyaltalan igy 2db van aminek az erteke 690nF. Pot meterekre meg varnom kell , igy osszehidaltam a helyuket , az U1 teljes ciklus ideje 33perc , tehat ha U2-ot ha volna is mivel maxra alitsam ugysem erne el a 15-16 percet.
Hello! A trafóra-egyenirányítóra soha nem teszünk közvetlen zénert! Helyesen így kell megtáplálni egy IC-s kapcsolást. (Kis kondik nem számítanak, azok a nagyfrekvenciás zavarkeltést csökkentik a tápnál.) üdv!
Ertelek, az elott is melegedett nagyon, a zenert csak azert tetem mert mondtat hogy baj lesz ha meghaladja a 15Voltot.Lehetseges hogy kicsire van meretezve a trafo primere? Tegyek be egy elenalast a trafo ele? mekorat?
Nem szép dolog, ha egy ilyen kistrafó ennyire melegedik. Ezeknek ugyan nem túl jó a meddő-áram arányuk, de szerintem nem ennyire. De ha valami "szívja" mint írod, annak is melegednie kellene. Ki kel próbálni külön a trafót, majd az egyenirányítóval, végül a kondival. Ha nem emelkedik a primerárama, akkor várhatóan a trafó van túlgerjesztve, vagy menetzárlatos. A soros ellenállást ki kell próbálni,de túl jó ötletnek nem tűnik. Az akkor lenne egészséges, ha a terhelés nem változna. De mivel itt a relé húzogat, a feszültség is ugyan úgy "lepkézne". De ki kell próbálni, lehet-e eredményt elérni vele. üdv!
Jo reggelt!
Mar 940Ohm erteknel tartok sorosan beepitve a trafo ele,1db 470Ohm 10W es 1db 470Ohm 2W elenalas paral, a 2W melegszik egy keveset, a trafora eso feszultseg mar csak 210Vac, de meg mindig forro, az IC-eken a feszultseg 11.5Vdc, nagyon szepen mukodik. Az igaz hogy nagyon ugral 10Voltot fel le a halozati fesz. A trafo ele be epitetem egy monitorbol bontott zajszurot, esetleg ez zavarhatja ,hogy forosodik?
Meg kiserletezgetem, az elotet ellenalas erteke mar 1.2kOhm+470Ohm, osszesen 1.87kOHM.
A trafora eso feszultseg 190-200Vac , de meg mindig forrosodik.Ha kiveszem a zenert akor az IC-eken 14.5Vdc-et merek , ha vissza teszem akkor csak10.5Vdc-et.Persze mukodik, de igy nem dobozolhatom. Esetleg , meg rakothetek 1db 1.4W-os 12V huto ventilatort vagy meg roszabat csinalok a trafonak , mivel leterhelem?
Szia!
Úgy néz ki a dolog, hogy kaphat tápként konstans GND-t és pozitívot is a dolog, az biztosított. A jel az olyan lenne, hogy egy központizár motor motor két szálára van téve két egyenirányító dióda ami pozitív irányba enged át. Ez lenne a jel. Amikor megmozdul a zár motorja mindegy hogy milyen irányba, onnan a diódákon keresztül kap egy jelet az áramkör ami 1-2 mp-ig behúz egy relét, aztán az idő lejárta után elengedi azt és nem csinál tovább semmit a következő alkalomig amíg jelet nem kap. Ekkor megint behúz 1-2 mp-re aztán elenged és így tovább... Valami ilyesmire gondoltam.
Erdekes
, vagy a terhelesre volt szuksege , vagy jol vegzi a munkajat a ventilator , de jol vegzi a munkajat.Maradt elotetnek egy 1.2K es egy 470Ohm ellenalas 1-3W-os, a levego utjaba tetem a kis trafo fele . A feszultseg 7.5Vdc az ic-ken. Mukodik a rele is ezen a feszultsegen. Nem hiszem hogy tudnek finomitani a kutyun, legfenebb ha van eszrevetel feloletek. Ha egyszeruen , rakotnem egy 600mA-ros , telefon toltore mukodne? Azt irja a tolton ,hogy 7.5-12V 600mA.
Hello! Szerintem ez a trafó, nem jó. 200V-nál már nem lehet túlgerjesztve. Ha működik a relé a töltőről, akkor inkább azzal használd, nehogy később még romoljon a helyzet ne adj ég kigyulladjon. Mert ez így nem normális.. üdv!
Szia! Ez mar igy hal meg , majd az uveghaztol 1-2 metere levo oszlopra szerelem , talan a kuthoz , ott eghet .A halozati bisztositek ugyis erintes vedelmes , majd lekapcsol ha baj van , amig ez mukodik adig epitek egy bisztonsagosabat.
A telefon toltok azok kapcsolouzemu tapok? Esetleg a kovetkezott bele epitem a telefon toltojebe , igy csak dugom be es las csodat .Nagyon koszonom segitsegedet , meg egy kicsit orvendezek ,hogy mukodik , majd esetlek felteszem "Ki mit epitett" temaba had huuurogjanak le .
MA a telefon töltők szinte mind kapcsolóüzeműek. Bár üzembiztonság szempontjából én az egyszerű trafót jobban szeretem. Az "érintésvédelmes biztosíték" nem tudom micsoda, de ha egy FI relére gondolsz, az nem védi meg, csak ha a 230V a föld felé távozik. Leégéstől aligha, mert ahhoz olyan kicsi áram is elegendő amire e biztosító nem is fog reagálni..
De hogy Te a töltőbe még bármit beleépítesz, abban én kételkedem. üdv!
Idézet: „Az "érintésvédelmes biztosíték" nem tudom micsoda” A fogyasztas mero ora mele beepitett bisztositekal tarsulo kutyu , ami ,nagy vagy kisfesznel lekapcsol, rovidzarnal szinten, ha bedugsz egy szeget a fazisba es lefoldel rajtad keresztul , lekapcsol. Ezeket a tulajdonsagait tudom , mert bizonyitota mar . ![]() Idézet: „De hogy Te a töltőbe még bármit beleépítesz, abban én kételkedem.” Kihivasnak veszem , csak azert is megprobalom .Van egy ujabb kerdesem , ha U2 8-as labara teszek egy diodat , es meg egy diodan keresztul 12Vdc adok a fetre mukodne? Lenyege az lenne , hogy a kapcsolas ne szakitsa meg az idozitest de szuksegem lenne vizre, megoldhato?
"ami ,nagy vagy kisfesznel lekapcsol" Nem tudom mi van Romániában, de én még ilyen készülékkel nem találkoztam. Amiről a vastaggal szedet részben beszélsz, az érintésvédelmi (vagy FI) relé néven ismert. De ha ilyesmibe ártod magad, nem árt legalább itt a He-n a villanyszerelési topikban olvasgatni kicsit a témáról.
Meg lehet oldani, egy dióda is elég a U2/8-as láb és a Gate közé. Viszont egy pld. 10kohm-os ellenállás is szükséges a Gate és Source köz. Különben kikapcsolt állapotban a Gate "lebegne". Az meg vagy bekapcsolná a relét, vagy nem.
Idézet: „"ami ,nagy vagy kisfesznel lekapcsol" Nem tudom mi van Romániában, de én még ilyen készülékkel nem találkoztam” A kis falvak aram elatasa nagyon el van hanyagolva , a regi trafok nem birjak az ujabb egyre fejlodobb aramfelvetelt . Igy peldaul ha a szomszednak eszebe jut hegeszteni , a masik meg epen gabonat daral akor a halozati feszultseg 170Vac ala is esik , ilyenkor csak az UPC-em sipol (ami a faskazanra van kotve , mivel mar az robant fel aramszunetkor tulhevulve), de ha az ala esik a feszultseg a halozaton akkor ,(legalabis a mi bisztositekunk amirol beszelek) lekapcsol , a kepernyomrol a fele kep elmegy jobra es sipol a kepernyo .De ha fel ugrik a feszultseg , kimaradas utan visszakapcsolaskor, vagy ha vilam csap a vezetekbe, nekunk nem eg szet a TV-e, nem romlik el a huto mert lekapcsol a bisztositek. A vastagal irt resz egy kicsit tulzas , az ugy tortent ,hogy a szobaban le akartam cserelni a dugajt , duplara , tudtam ,hogy a fazis nem raz ha nem testelek le , (akkor sem nagyon , legalabis engem ), igy levetem a fazist a dugajrol, leszigeteltem , majd a nult , es jott a foldeles .Amikor elokerult az uj dupla dugalj, es be akartam kotni a fazost , falnak dolve megcsipett majd aram nelkul maradt a haz, nezegetem de nem volt rovidzar mert meg szigeteltek voltak a nul es a fold. Feltoltam kint a bisztit, fazisceruzaval mertem es ujra volt fazis , megfogtam de nem tortent semmi csak ereztem a jelenletett, elenben amikor a falhoz ertem ujra ereztem a hatasat es a fazis elment .Innen gondoltam es irtam ,hogy erintes vedelmes , de felenk ez is a neve , hatranya hogy nem lehet foldon keresztul aramot lopni .Idézet: „Meg lehet oldani, egy dióda is elég a U2/8-as láb és a Gate közé. Viszont egy pld. 10kohm-os ellenállás is szükséges a Gate és Source köz. Különben kikapcsolt állapotban a Gate "lebegne". Az meg vagy bekapcsolná a relét, vagy nem.” Nem kapcsolnam ki az idozitott, csak G-re egy kapcsolon keresztul (diodan) egy vodor viz erejeig , atugranam a 2db IC-et a tapfeszel, amelyek adig vegeznek a dolgukat..
Hello! Te nem kapcsolod ki, de az első IC kikapcsolja a második tápját.. üdv!
Sziasztok!
Szeretnék építeni egy olyan led vezérlő kapcsolást ami kültéren lenne alkalmazva. Csengőkapcsoló megnyomásával 5-8db nagy fényerejű led világítana 1 percig. A kapcsolóból kettő darab kell, ceruzaakumulátorról működtetném(áram nincs a közelben), nappal, napelem töltené vissza az aksit. Mennyi aksi kellene? Solár lámpából való napelem jó a projekthez? Tudnátok kapcsolást adni? Előre is köszönöm.
Hello! Néhány kérdés, azért tisztázásra vár..
- Mit jelent a "nagy fényerejű Led"? Vagy is mekkora a nyitófeszültsége-árama. Mert célszerű, ha a táp ez felett van. Aksik számát/kapacitását is ez alapján lehet megválasztani. - Ha nincs villany, akkor mi csenget? Vagy nincs csengő, hanem a Led-el jeleznél csak, és egy nyomógomb van a bejáratnál? Mert ha pld. egy rádiós csengő van, akkor ahhoz kell illeszteni a késleltetőt. Nem? - Solár lámpában minimális a fogyasztás, és általában csak egy aksi van. A cella feszültsége is ehhez van megválasztva. Több aksihoz, meg várhatóan több cella kell. Az egészet amit szeretnél, meg 1,2V-ról járatni elég kínos és eleve túlkomplikált lenne a feladathoz. üdv!
Szia!
Köszönöm a válaszod! A led nyitófeszültsége 3,2v. Csengő nincs, erről nem is írtam. Kapcsolónak csengőkapcsolót választanám mivel ez kültéri vízhatlan, pillanatkapcsoló (más kültéri pillanatkapcsolós vízhatlan kapcsolót nem ismerek). Én 4db ceruza aksira gondoltam 5 ledhez s 2db szolárlámpa napelemre. A solár lámpa egész éjjel világít, az én kapcsolásom nem minden este lenne használva, s ha mégis akkor maximum 4x (ahogy írtam kb 1percig), ennyi fogyasztást meg úgy gondolom vissza töltene nappal 2 solár napelem. Nem értem szerinted miért kínos és komplikált. Ezt a problémát meg kell oldanom, valahogy, és lehetetlen nincs! ![]() Találtam egy (talán) megfelelő kapcsolást. link Az 5v-os leírás sajnos csak két ledre optimalizált. Még gondolkozok. .. ![]() Üdv!
Félreértesz. De még mindig nem írtad a Led-ek áramát.
- Az "kínos" ha egyetlen 1,2V-os aksiról szeretted volna járatni a 3,2V-os Led-et. Mert akkor StepUp konverter kell, mint a szolár lámpában is van. De ott nincs időzítő, aminek elég kevés lenne az 1,2V. - Ha 4db aksit használsz, akkor a Led és áramkör feszültségével nincs gond, viszont egy szolár panel, nem fog elegendő feszültséget szolgáltatni a négy aksi töltéséhez. A többi megoldható. üdv!
Sziasztok!
Szeretnék egy kis segítséget kérni. Szükségem lenne egy olyan kapcsolásra, ami úgy működne, hogy egy gomb megnyomására vagy egy kapcsoló bebillentésre elkezdene leszámolni az időzítő és ha letelt a beállított érték akkor a kimenetén egy zümmert, vagy egy kis hangszórót szólaltatna meg amíg egy másik gombbal vagy kapcsolóval le nem állítják. Jó lenne, ha ez a gomb vagy kapcsoló akkor is megállítaná a számlálót, ha még nem telt le az időzítési érték és a következő bekapcsoláskor elölről kezdene számolni. Szerintem egy kapcsolóval lehetne ezt a legegyszerűbben , mondjuk az indítás a táp ráadása, a kikapcsolás és reset meg a táp megszüntetése lenne. Az időzítési értékek 2 perc, 5 perc és 7 perc lennének, ezek közül lehetne választani, mondjuk egy jumper pakolgatásával. 5V-ról kellene üzemelnie a kis szerkezetnek, amit egy 7805-ös kapcsolással biztosítanék (ez már megvan). Ami rögtön eszembe jutott az 555-ös IC lenne, de nem tudom megoldható lenne-e vele. Szerintetek megvalósítható lenne ez? Köszi szépen előre is!!
Hello! Elvesztél? Egy tranyó alkalmazása nem túl célszerű, mert a Led-ek árama itt nagyobb lesz. Továbbá az emitterkövető kapcsolás sem az, mivel áram csak akkor folyik, ha a kondiban a feszültség a led nyitófeszültsége, plusz a tranyó bázis-emitter feszültsége felett van. Ez 3,2V esetén, 3,2V+0,6V=3,8V. Vagy is 4,8V használata esetén, 1V feszültségesésé lehet a kondin és azt is terheli a bázisáram. Avagy sokkal célszerűbb egy Fet alkalmazása, és nem követő módban. Pld. a következőképen. (Ha tényleg csak 5db. 20mA-es Led lesz benne mint a rajzon, akkor a Fet-nek bőven megteszi egy 20Ft-os BS170 is.) A tranyó azért van benne, hogy határozottabb legyen a kikapcsolás. Készenléti állapotban, kb. 150uA fogyasztás van. Ha csökkented a Led-ek előtét ellenállását, akkor három celláról is működhet esetleg az áramkör. üdv!
A hozzászólás módosítva: Aug 31, 2013
Sziasztok!
Próbálkoztam magamtól és erre jutottam. Igaz bekapcsoláskor megszólalna amíg el nem indítjuk. Mivel a relé alaphelyzetben nyitott lábára lenne a zümmer kötve, így a gomb nyomására elhallgatna és a számolást jelző Led2 világítana. Amint leszámolt a relé elenged és az említett láb használata miatt elkezdene sípolni, amíg újra el nem indítják vagy ki nem kapcsolják. Mindkét jumper pakolgatásával lehetne kiválasztani a beállított időt. Mi a véleményetek? Kezdőként próbáltam magamtól kitalálni valamit, de lehet, hogy nagyon el vagyok tévedve az 555 működését illetően. Okosabb szakiknak biztosan szemet szúr ha van benne valami rossz. A hozzászólás módosítva: Szept 1, 2013
Szia!
Köszönöm a segítséged! Ha lesz időm nekivágok, úgy ahogy leírtad. Üdv! |
Bejelentkezés
Hirdetés |






, vagy a terhelesre volt szuksege , vagy jol vegzi a munkajat a ventilator , de jol vegzi a munkajat.








