Fórum témák
» Több friss téma |
Fórum » Inverteres hegesztőtrafó
A D45H8 tranyó helyett jó a BD 180 csak fordítva kell beforrasztani a Bázis - Emitter lába miatt. D45H... : B - C - E ; BD 180 : E - C - B. A panel forr. oldalán van egy nagy ón "áthidalás" - forrasztás, amivel a főtápot tudod megszakítani. Persze vigyázni kell, mert a 320V ott van a FET-eken csak nem tudják zárni az áramkört. Mérések közben érdemes kiforrasztani.
Sok sikert a javításhoz! üdv.
Sziasztok!
A segítségeteket szeretném kérni! Nemrég kaptam egy Telwin Technology 145 -ös invertert, és szeretnék elcsapni tőlem párezer forintért. Nem tartom korrektnek. Nem értek hozzá, azért vásároltam, hogy végre el tudjak kezdeni gyakorolni, és az elkeserítő körülmények hozták, nem feltétlen hiszem, hogy a legjobb választás, de értékelem ezt a kis gépet is most. Ha valaki csak megsaccolni tudná mennyibe kerül ez a gép, azt nagyon szépen megköszönném, és cserébe fel tudok ajánlani szervíz manualokat: -Telwin technica 141-161 -Telwin technica 144-164 -Telwin technica 150-152-170-168GE -Telwin technology 175-210-188CE GE -Telwin technology 145 Köszönöm előre is bárki segít! Thom
Az említett berendezéshez amit találtam képet, meg rövid infót, azt csatolom képként.
(Egyáltalán nem értek az egészhez, ezért fordultam hozzátok) Thom
Szia.Ha én nem akarok valamit eladni,azt nem fogja senki megvenni.Bár van az a pénz amiért minden eladó,de a vevő meg annyit nem ad érte.A gépről nem derül ki hogy hány amperes,a számból itélve úgy 140A lehet.Az ára használtan,és vevőtöl függően Kb 30000Ft.Inkább+.A doksikat megköszönnénk itt a fórumon mindenkinek kellenek.
Köszönöm a gyors választ, de természetesen még várok hozzászólásokat! A saccolás is egy megközelítés.
Mint írtam, vannak olyan körülmények, amelyek nem feltétlen alakítják úgy, hogy az ember szeretné-e vagy sem. De ez nem filozófia-portál. A dokumentumokat nagyon szívesen megosztom, a többsége orosz netről szedtem, a sajátomat meg a gyártótól kértem el. (valahol olvastam itt a fórumon, hogy nagyon féltik ezeket kiadni, de ez tévhit) Valamilyen formában fel tudom ide tölteni, vagy saját ftp-n kellene tárolnom?
Mint ahogy a képet beraktad.Csak tömöritsd össze rar vagy zippel.
Az értéke az állapotától függ-ha pl. elvannak szállva a teljesítményfélvezetők tipusuktól függőel megugorhatja akár a 10 000Hft-t mármit az agyagkőltség és nem elijeszteni akarlak dedrága kisérlet-ha alaposa viszaolvasol és betartod a jótanácsokat-sokat spórolhatsz - várjuk a dokumenteket-főleg az eredetit.Sok sikert!
Most is használatban van. Volt már rajta pár alkatrész cserélve. Perpillanat nem az volt a kérdés, hogy mennyibe kerülhet javítani ( és többek között ha amatőr valaki, nem feltétlen agyalágyult, és személyem is ezért túrt lelkesen doksikért, illetve vagyok ezen portálon egy ideje olvasó, ha hivatalosan csak mától is ) - mert nem célom sem szándékom tízezreket rákölteni.
Alapállapotban, egy használt de működő, jelenleg is működő technology 145 Telwinéktől mennyibe kerül barátok és nem barátok között is?
Akkor valamit félreértettem-elnézést- nemtudtam,hogy ez egy müködő gép
El van nézve. Visszaolvasva a sajátomat nem derül ki feltétlen, hogy működik-e vagy sem, ez igaz; bár ha nagyon kukacos vagyok:
"nem feltétlen hiszem, hogy a legjobb választás, de értékelem ezt a kis gépet is most." Viszont az sem jó, ha magyar mentalitás/gyakorlat-ból következtetve egyből selejtnek/rossznak ítélünk meg valamit, ez a véleményem. Optimistának is tudni kell lenni.
Igen - álltalában akkor fordunak a forumhoz ha gond van valamilyen géppel -ez a gyakoribb.
Idézet: „Ha valaki csak megsaccolni tudná mennyibe kerül ez a gép, azt nagyon szépen megköszönném” Tudom, hogy a hiba bennem van és engem fognak elítélni vagy ellenségesnek tartani, de küzdöttem azért, hogy egyértelműen legyek képes fogalmazni, és mint kiderült, hiába emeltem ki a kérésemet / kérdésemet, ismét kudarcot vallottam. Aki egyébként már eltévedne a sok írástól vagy utólag olvassa ezt a postot, a Telwin Technology 145 nevű gépről van szó.
Szerintem dara barátom nagyon jól saccolta meg a használt gép árát,szerintem is kb. ennyit érhet.
Úgy látom nem nagyon ír senki árat a gépedre.
Hegesztő inverter MMA TELWIN Force 145, szett Ez egy új db 70 ezer Ft az ára. Egyéb Hegesztő berendezés egyenárammal való kézi hegesztésre bevont elektródával (MMA). Alkalmazható pálcák: * rutilos * bázikus * rozsdamentes acél * öntvény A berendezés fő jellemzői: * az ív nagy stabilitása a tápfeszültség ingadozása esetén * kis súly * kis méret Beépített védelem: * túlfeszültség/alacsony feszültség * túlterhelés * túlmelegedés * túláram ellen * +/- 15%-os generátorvédelem Főbb jellemzők További funkciók/lehetőségek: * Arc Force * Hot Start * Anti Stick Szabályozható hegesztőáram:10-130 A Áramerősség (max.40°C): 7% 125 A Tápfeszültség: 230 V / 50 Hz Max. teljesítményfelvétel: 3,5 kW Min. generátor teljesítmény: 5 kW Méretek: 300 x 125 x 225 mm Súly: 5,5 kg Elektróda átmérője: 1,6 - 3,2 mm Üresjárati feszültség: 72 V Max. áramfelvétel: 27 A Ventillátorral szerelve Tartozékok * műanyag koffer * MMA hegesztőtartozékok
Ezek után, már remélem gondolod mit érhet egy használt gép. Amikor kihozod az üzletből már kevesebbet ér!
Ha eladni akarod, lehet kérni érte sokat is, csak nem biztos, hogy megveszi valaki!
Köszönöm eddig Darának, Erdgabnak, és Guliver83-nak; Ti eddig legalább válaszoltatok a kérdésre, bár direkt ide fordultam utolsó mentsvárként, mikor már a google és a yandex (az orosz google) sem segített a konkrét gépem árának megsaccolásában.
A telwin force az nem technology, természetesen láttam az árát a forcenak is, és maximum hasonlítgatni tudtam eddig is, de olyannal nem okoskodom, amihez nem értek. Nem értek a hegesztőkhöz. Sok mindenhez nem értek. Tudok kérdezni alázattal. Tudok kérni, hogy közben készülök cserébe valamivel. Ha tudok válaszolni másnak, nem járom körbe, nem kóstolgatom, és adok a kérdésére egy választ, ami nem oda tartozik. Ha nem tudok, nem mondok olyan fatális dolgokat, hogy javítani kell, és kb ennyibe fog kerülni úgy, hogy még se nem láttam az adott berendezést, se nem használtam. Tehát eddig a Telwin Technology 145 használtan, működő formájában megsaccolva ér 30 000 HUF +, két vélemény szerint; valamint egy harmadik összehasonlító alapján szintúgy közelítheti azt az értéket. Ha valakinek még van ehhez hozzászólása, természetesen nyitott vagyok rá! Köszönöm mindenkinek a hozzászólását, és amit ígértem, csatolom az alább írott doksikat, amelyekhez hozzájutottam. http://www.megaupload.com/?d=GXBPKIT3 Váljon mindenki épülésére. Az alábbi doksikat tartalmazza: -Telwin technica 141-161 -Telwin technica 144-164 -Telwin technica 150-152-170-168GE -Telwin technology 175-210-188CE GE -Telwin technology 145 (2db) Thom Idézet: „Ezek után, már remélem gondolod mit érhet egy használt gép. Amikor kihozod az üzletből már kevesebbet ér! Ha eladni akarod, lehet kérni érte sokat is, csak nem biztos, hogy megveszi valaki!” Ezek után nem gondolok semmit. Van, aki nincs olyan helyzetben, hogy megvegyen egy új invertert 70 ezerért, de megpróbálhat vásárolni a példámból kiindulva 30 ezer hungarian forintért egy régebbi, hasonló berendezést. Mit ér el vele? Tud dolgozni vele. A hatásfoka megnől 0-ról x-re, de már valamit csinál. Ha nincs más, még mindig beljebb van. Valaki mindig lesz, akinek valamely tényező belefér, vagy csak egyszerűen szükséges és kész. Nem magyarosan kell ezt látni. Nincs mit gondolni ezen. Van egy értéke, és az eladó meghatározhatja ennek rugalmasságát, de kötöttségét egyaránt. Fogjuk fel úgy, mint egy sima programnyelvet, ami true/false -al dolgozik, más csavar nélkül. Azért van, mert ez a rendeltetése, és így működik. Ez van, ezt kell elfogadni, vagy ignore.
Azért van a fórum, hogy segítsünk egymásnak.
A fórumnak is van egy hatásfoka, amelyet az azt használó emberek adnak ki. Ez arányába véve nem a legjobb, de tökéletes nincs.
Szia.Köszönjük a doksikat.És ha építeni akarsz,szivesen segítünk.
Üdv mindenkinek.
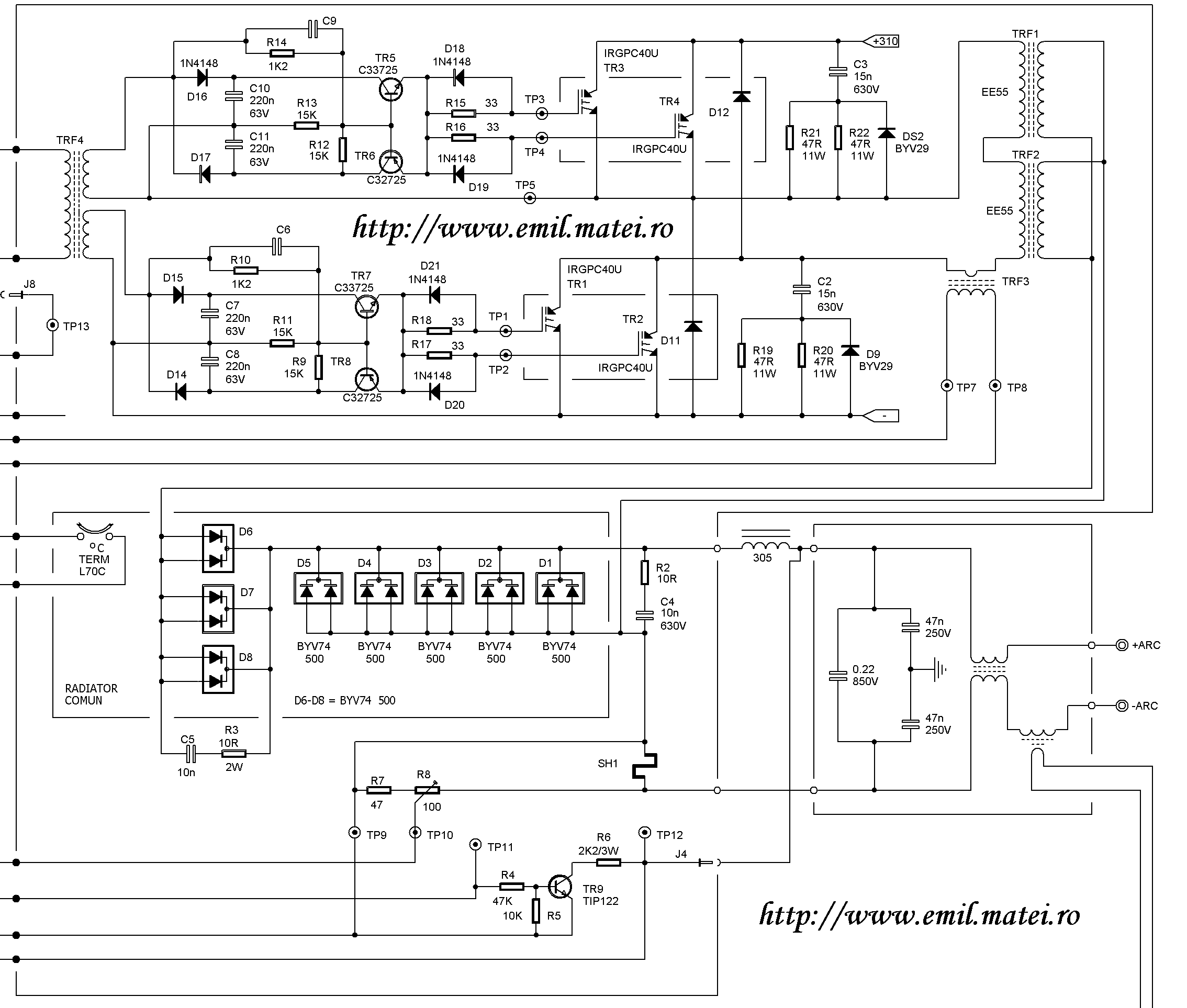
Egykis infóra volna szükségem,hozzámkerült egy ismeretlen gép végfoka 2db 2x E55-ös trafó 2x2 IGBT a kimeneten egy sönt figyeli az egyenáramot,de van a primerben is áramváltó.Milyen tipus lehet,hogy valami támpontom legyen hasonlót keresni. Köszi,ha segítetek.
Nem mernék rá megesküdni,de úgy néz ki mint a MERKLE 140-es. A keresés nehézkes lesz, eddig az én próbálkozásaim is rendre kudarcot vallottak amikor nem olasz vagy francia gép információ után kutattam. Bízom benne hogy neked siker koronázza a próbálkozást.
Pár fotót még feltehetnél, különösen a szabályzó kártya rész érdekelne.
Jó a tipp-egy előzö kiadás vezérlőkártyája itt van ugyanaz az elrendezés csak ez a gép régebbi az előző frisebb-relativ
A fényképen szereplő szabályzókártya szerintem a későbbi verzióé.
A korábbi lapos kábellel volt bekötve.
Igen ez egy régebbi gép-megvan mindene ez biztos MERKLE az eladó szerint is csak kisebb teljesítményü-
A 995931-en szereplő képen lévő rajza-ime??
Itt egy közeli-nemtúljó kép jól láthatóak az alkatrészek
Szerintem ez a STEL MAX 150 vezérlője.
STEL PAT 15
A 996282 látható panel ebből van-lemezmagos fojtóval.
|
Bejelentkezés
Hirdetés |












