Fórum témák
» Több friss téma |
Nem a célomat kell érteni hanem a leírtakat.
Ez csak jó tanács, ne járj úgy mint az egyszeri kolléga aki hasonló szövegekkel "tupírozta" magát. A szépséghibája csak az volt a dolognak, hogy én is az adott cégnél melóztam, így első kézből tudtam hogy ő biza ott sosem járt. Ja, a hitet sem szerencsés keverni az elektronikával, bár kétség kívül lehet.
Hiába, ha nem megy a nyomtatóm.
![]() Keresésben meg gyenge vagyok (de megpróbálom). A hozzászólás módosítva: Nov 27, 2018
Sziasztok! Köszönöm mindenkinek a JLH tápegységgel kapcsolatos információkat! Átgondolom, aztán jelentkezek majd, hogy mire jutottam.
Elírtam: 1989-2002-ig voltam a cégnél...
Semmi gond... bár "hitelt érdemlően" nem tudom bizonyítani, (csak néhány megfakult papír alapú fotóval) meg egy pár tucat ember aki jól ismer és volt Totem doboza,+ ismeri a munkásságomat talán tudja.
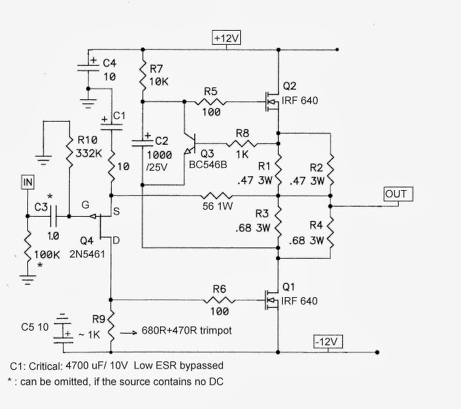
Az erősítőhöz még annyit: A más típusú kimenő Fet-eken kívül mindenképpen kapacitássokszorozós tápról kell járatni, mert a kapcsolásnak elég rossz a PSRR-je, így simán pufferes táppal búgni fog. Elmegy 4 ohmmal is, de igazából (az Io miatt) 8 ohmoshoz van belőve.
Gratulálok....
Idézet: „Mérnök tervezte erősítő tápegységekben nem szokott ez a hiba előfordulni, mint ahogy a puffert megelőző egyenirányítás diódái viszont nem maradnak snubber nélkül.” Szerintem nem ennyire egyszerű ez sem. Nagyobb cégeknél is előfordul, hogy nem teljesen ilyen szempontok szerint tervezik a tápegységeiket. A hozzászólás módosítva: Nov 27, 2018
Köszönöm, átjött.
Na igen, az ARC-nél nálunk sokkal előbb rájöttek arra, hogy nem feltétlenül a jó műszaki paraméterekből lesz a jó erősítő. Sőt, általában amelyik műszakilag nagyon jó, annak majdnem biztos hogy felejthető a hangja.
Köszönöm, de képet ne kérjetek.
Itt az volna a lényeg, hogy az erősítőt a tápegységgel összekötő vezetéknek az erősítőtől távolabbi végén ne legyen olyan kapacitás ami a tápkábel induktivitásával olyan frekvenciájú rezgőkört alkot, melyet magában foglal az erősítő sávszélessége.
A csatolt rajzon a táp kimenetét lezáró 1 Ω 1 µF is inkább szabályzó áramkört védi a meglátásom szerint.
Egyenirányító és a puffer rész miatt mutattam, ott látok eltérést általad javasolt megoldásodhoz képest.
A hozzászólás módosítva: Nov 27, 2018
Idézet: „táp építésének még egy fontos szabályáról kell szót ejtsek. A pufferkondenzátoron semmi keresni valója a nF nagyságrendű párhuzamos kondinak. Az a tápvezeték induktivitásával rezgőkört alkot! Ugyan ez a helyzet a kimeneti csatoló kondi átkötésével is a hangszóró vezeték miatt. Sajnos mindkettőre látok példát amatőr építéseknél.” Amennyiben fizikailag átblokkolok egy nagy elkót egy kicsi 100nf kondenzátorral az hogy fog rezgőkört alkotni a tápvezetéken vagy akár a hangszóró vezetéken . Erre lettem volna kiváncsi amikor azt kértem mutass róla méréseket erre föl megy a körités meg a kerités de még mindig kérdem ? A hozzászólás módosítva: Nov 27, 2018
Nekem volt kísérletem a fetesített JLH szerű erősítővel. Sajnos feladtam, de most újra kíváncsivá tettél. Én "P" csatornás (IRF9620) feteket raktam bele, mert ezek épen a hőmérsékletfüggetlen tartományban tudtak dolgozni a munkaponti áramnál (1-1,2A). Ellentétes polaritású táplálást alkalmaztam, mert a "P" csatornás fetek a maguk hibáival együtt jobban kezelhetők ilyen egyszerű kapcsolásban. Sajnálom hogy csupán a végfetek termikus torzításának minimalizálására fordítottam időt, de most a rajzot látva megint felpezsdült a vér bennem. A két "P" csatornás végfeten kívül bipoláris tranzisztorok dolgoztak benne, de nem tudom miért kerülte el a figyelmemet, hogy mehetne "J" fettel is a bemenet.
Az egyenirányító kapcsolási tranzienseit vélhetően perfekt kezeli az L1, L2 induktivitás és ennél a rajznál a puffermező sem esik a mF tartományba. Az egyenirányító nyitásakor minimálisnak becsülöm a hálózati transzformátor belengését.
Ezt a tápot nehéz összevetni a hagyományossal, mert a dinamikus terhelés nem jut egy közvetlen vezetékkel a pufferekhez. Már a soros 100 Ω miatt sem tudnám az oszcillációt elképzelni és akkor a feszültségszabályzót még nem is említettem.
Anno volt nekem is egy hasonló próbálkozásom amit fel is raktam az amerikai DIY Audio-ra. (onnan kiszálltam egy jó éve, mert ha valaki úgy hiszi, hogy itt van néha személyeskedés meg durvulás, na az nézzen szét ott, és gondolja át...)
Ez a Nelson Pass által tervezett ACA (AmpCampAmp) együtemű erősítő áttervezése szimmetrikus tápra és DC csatolásúra. Ez is igen jó, de a KHN-JLH jobb, gondolom a plusz IRF 610-es könnyebben hajtja a vég Fet-et, mint a Jfet közvetlenül.
Természetesen nem feledkeztem meg a kérésedről, igyekszem mielőbb pótolni.
Addig tanulmányozd kérlek miért van soros 5-700 nH induktivitás sok erősítő kimenetén, ugyan abban rejlik a válasz. Nem fognak szisztematikusan fejre állni a 100 nF-dal patkolt kondis készülékek, de miközben esélyt adunk egy hibalehetőségnek, nem látszik, hogy ez járulékos hasznot hozna. Ezt a problémát súlyában a kimeneti Zobel-taghoz tudnám hasonlítani. Azt is elhagyhatnánk a legtöbb esetben, de szerencsétlen kábel és hangsugárzó együtt állásnál oda az erősítőnk.
Ez az a fórum?
Én jóformán a Baby Huey-t néztem, de ott azt rúgrták ki, aki tényleg állandóan szívózott, kötözködött. Itt csakis segítőkészséget láttam, nekem is elküldött egy tag egy általa tervezett nyák adatot. A szívóssal aztán: Az addigi hsz-ei megmaradtak, a neve mellett pedig "Kitiltott tag".
Igen, ez az.
Az erősítőfórumok még hagyján, de a hangszórósoknál néha elszabadulnak az indulatok. Én egy német taggal keveredtem kisebb vitába valami váltóügyben, aminek a vége az lett, hogy -további érvet felhozni nem tudván- lefasisztázott, (ő engem...) meg közölte hogy amúgy is barbár nép vagyunk, mert anno mennyit zargattuk őket -jó 1000 éve. Na akkor döntöttem úgy, hogy erre tovább nincs szükségem...
Szerencsére nem vetődtem oda. Sokszor még a román (Elforum) színvonalát is irigylem...
Mármint a tagok közti színvonalat.
Jó ideje látogatom Nelson Pass oldalát, és tetszenek a kapcsolási ötletei. Mint mindenbe, ebbe a fetes JLH verzióba is szívesen piszkálok. Nem biztos hogy stabilizált vagy kapacitás sokszorozós tápról kötelező járatni, mert csöves berkekben is megoldották az alacsony tápelnyomás okozta búgás minimalizálását egyszerű visszacsatolással. Itt van egy példa. Persze ez csak hirtelen gondolat volt, és csak az egyik tápsín felé növeli a tápelnyomást, de ezer lehetőség van még.
Itt van egy konkrét trimmelt kapcsolás. Közel 60dB a brumm elnyomása a szimuláció szerint egyetlen visszacsatoló kiegészítéssel. Valami ilyet szeretnék.
Hi Mesterek, lassan eljutok a panel áttervezeséhez. Olyan kérdésem lenne hogy a tranyo csere miatt kell e modositani a kapcsolason. A 2sa5200 azért nagyobb a bétaja mint az eredeti 2n tranyoknak. Válaszokat előre is köszönöm.
Szia, csak annyit kell módosítani, hogy a kívánt nyugalmi áramot beállítod megfelelően a hangszóró impedanciához, és azokat az ellenállásértékeket építed be amik ezt az áramot beállítják. Kíváncsi vagyok milyen lesz a hangja a 2SC5200-assal, én is gondolkodom egy ilyen JLH építésén. Milyen tranyókból lesz az eleje?
Sziasztok! Kipróbáltam a képen látható transzformátorral is az erősítőt. A transzformátor 18 voltos, egyenirányítva és pufferelve 23,5 volt a feszültség. Nem kellet bántanom a nyugalmi áram beállító ellenállást és a féltápfeszültség potmétert sem (stabil 27 volton beállítottam előzőleg a megfelelő értékeket). Pont annyival lett kevesebb a nyugalmi áram, ezzel a 23,5 voltal mint ami elő van írva. De nem is ez a lényeg, mint ahogy a képen is látjátok egy szekunderes ez a transzformátor. Sajnos elég zajos maga a transzformátor, és így arra jutottam, kell vennem egy dupla szekunderes toroid transzformátort. Sajnos használtan nem találtam megfelelőt, ezért újban gondolkodom. Megérdemli az erősítő, mivel nagyon szép hangja volt a tesztelések során. A következő transzformátorokat néztem ki, szeretném ha véleményeznétek őket.
Bővebben: Link Bővebben: Link |
Bejelentkezés
Hirdetés |




Ez csak jó tanács, ne járj úgy mint az egyszeri kolléga aki hasonló szövegekkel "tupírozta" magát. A szépséghibája csak az volt a dolognak, hogy én is az adott cégnél melóztam, így első kézből tudtam hogy ő biza ott sosem járt. Ja, a hitet sem szerencsés keverni az elektronikával, bár kétség kívül lehet. 













