Fórum témák
» Több friss téma |
Fórum » JLT-02 analóg forrasztóállomás
A hét végén én is készítettem egy pákavezérlő elektronikát egy régi Eliwell nyakterv után.Nem volt nyakba forrasztható trafóm így a vezérlést egy DVD-ből kirámolt kapcsolóüzemű táppal oldottam meg.A panel feliratozását elrontottam egy kicsit de újratervezem!
MFeri Moderáltam. Feri! Figyelj már oda egy kicsit. Ne használj vulgáris szavakat, bármennyire is trendi... -- vicsys
Szia!
Jól néz ki! Érdekelne a kapcsolási rajz, meg a nyákrajz is. Van rá mód, hogy feltedd?
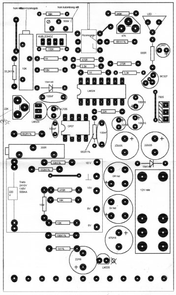
Sajnos egyik sincs meg (a Windows megette) egyedül a film és az alkatrész beültetés része maradt meg.Egyébként ez egy profi vezérlő után volt visszarajzolva és a következő alkatrészeket tartalmazza:LM324,OP07,LM335,LM329 a voltmerő C520D,CD7447 keszult.Ha esetleg megfelel a filmfólia utáni másolat akkor közkincsé teszem.
MFeri
Szia!
Azt hiszem mindenki nevében mondhatom, hogy megfelelel! Aki nem ért vele egyet, az jelezze! Szerintem minden megoldásból csak tanulhatunk! Köszönjük előre is! Hali.
Szia!
Szerintem megfelel az is! Ha azt felteszed, meg közelről lefényképezed a panel alkatrészoldalát, akkor már csak idő kérdése, és meglesz a lay változata is.
Akkor küldöm a bemásolt képeket.Ez a készülék majdnem egypanelos változat csak a kijelző volt összekötve külön.A nyomógomb kétállású és benyomva tartva a kijelző által mutatott hőmérsékleti érteken kapcsol majd ki a készülék....az 500 K pociméterrel állítható a hőmérséklet különbség.Kijelzőnek egy ICL7107 megépített feszültségmérő is megfelel a C520D helyett! A 12 V relé kapcsoló része nem szabványos igény szerint átalakítható.
MFeri
Az alkatrész beültetési rajza elég kicsi, és nem lehet látni rajta az értékeket. Azt esetleg nem tudnád feltenni nagyobb felbontásban?
Akkor küldöm pdf-ben.
MFeri
Én ha bontok folyamatosan 400C fokon van, nem egyszer napi 10 órát! Semmi baja sincs és másfél éves! Ez a impulzusos hőntartás szerintem keményen kíméli a pákát! De 450C felett járatni a pákát annak semmi értelme sincs, az is igaz!
Nem akarom 450 fok fölé fűteni, csak arra lennék kíváncsi, hogy az a kapcsolás tud-e annyit, és, hogy a páka elbírja-e.
Amúgy kiforrasztásoknál néha szükség van 450fokra is, vagy vastagabb kábelek felcinezésénél stb...
Az, hagy a a kapcsolás mennyit tud hőfok szempontjából, azt nem tudom, de a páka szerintem bőven 450 fok fölé is tud menni, de nem hiszem, hogy az ilyen magas hőmérsékletet a páka zokszó nélkül hosszútávon képes elviselni. 400 fok fölött vörösen izzik a forrcsúcs fölött lévő fémrész, és a páka a műanyag foglalatnál is "érezhetően" meleg!
Szerintem te kemény mérési hibával küszködsz a vas 600-700 foknál pirosodik, nálam 450C foknál nem piros, bár én profi műszerrel folyékony ónban hitelesítettem! Szerintem a 450 sima ügy, ha nagyméretű csatlakozót vagy nagy keresztmetszetű vezetéket forrasztok és is 450-re szoktam állítani! Egy 50W-os páka másképp képtelen annyi hőt adni, hogy a forrasztás minősége megfelelő legyen! Nem véletlen vannak nagyobb forrasztó állomások!
üdv, nekem olyan gondom van, hogy műszerrel mérve a páka 450 fok környéki és már kezd pirosodni, ill mikor 150 fokot ír a műszer akkor a pákán nem fut az ón, (120fokot ír a kijelzője mikor elkezdi olvasztani az ónt, és 390-et mikor pirosodni kezd) arra lennék kiványcsi hogy mi lehet a hiba? választ előre is köszönöm
Hali!
Ez az Attila 86 féle Forrállomás 2? Nekem is volt vele gondom korábban, mégpedig az volt a gond, hogy a műveleti erősítő (LM324) nem Lineálisan erősített... Üdv!
ez az állomás az az attila86 féle forrasztóállomás 1. neked is ez volt a jelenség? mit tudtál vele kezdeni?
Nekem a 2 ben volt. de majdnem ugyan az, ill a hőmérő része ugyan az.
Mit tudtam csinálni? Kicseréltem egy régi monitorból bontottra.. Az lineárisan erősített.
Persze ugyan úgy LM 324-re..
Valami jobb fajtát kéne kifognod..
értem, ill hogy tudnám pontosan kalibrálni?:d mert a multimeter az 150 fokot mutat de még nem fut az ón...:S
Kalibrálni..
Hát ott van a hőmérőnél egy helitrimmer.. Az arra való..
igazából hülyén tetem fel a kérdést. az érdekelne hogy milyen multimeter ami pontos? nekem mastech my.64 van, ez nem igen pontos ahogy észrevettem
Nekem szórakozott az oxid réteg miatt..
Én egy picit megpolíroztam, majd a pákára tettem ónt és belenyomtam a szenzort az olvadt ónba. Ez így majdnem tökéletes termikus kapcsolat.. Mindennek már 2 éve
Nem tudom, hogy mérési hiba, vagy sem, de én a hőelem feszültsége alapján kalibráltam be a pákát.
Hőelem mV ; Páka °C 12 ; 200 14 ; 240 16 ; 270 18 ; 310 20 ; 340 22 ; 374 24 ; 410 25 ; 450 Amikor a hőelemnél 24mV fölé ment a feszültség, akkor kezdett el mélyvörösen izzani a páka (nem a pákacsúcs!) fűtőbetétet takaró henger alakú lemeze/burkolata. Akkor ez nálam valami hiba lenne? Aki már próbálta 450 fokon "hajtani" a pákát jelezhetne, hogy mi volt a tapasztalata...
Nem hiba. Teljesen normális hogy izzik. Azonban ez a páka élettartamát jelentősen csökkenti.
Köszi, hogy megerősítettél, mert lhanzi írta azt, hogy ez nem lehet, hogy ennyi főfoknál a páka izzani kezdjen. Akkor tudom, hogy nem egyedi a jelenség, és mégiscsak jól kalibráltam! Köszi a választ!
Ez az egyetlen megoldás, másképp rossz lesz a kontakt (hőátadás) és akár 100 fokkal (nem tévedés) is el lehet kalibrálni az állomást! Akkor meg lehet írni, hogy 450-nél pirosodik! Én hajnal 2-kor is szoktam bontani, úgy, hogy egy 60W-os géplámpa ég a kabin felett (semmi más a helyiségben) aminek kontaktos a kapcsolója így 20-25 percenként elalszik, én még piros pákát nem láttam, pedig a sorkimenő lábait úgy melegíti, hogy az brutális! Már többször leírtam, a páka hegyének a hőmérsékletét megmérni komolyabb feladat mint megépíteni a forrasztó állomást! A hőelem feszültség értéke relatíve pontos adatot szolgáltat az aktuális hőmérsékletről! A táblázat többször is be lett szúrva! A műszer párhuzamosan nem hamisítja meg, mivel a hőelem igen kis belső ellenállású. Tehát méred a hőelem feszültségét és látod a hőfokot, de ez nem a hegy hanem annak a végének a hőmérséklete lesz!
Igen, logikus! Méred és hozzá kalibrálod a kijelzőt, majd beállítod az alsó és felső értéket!
Ja én nem érzem a páka hőjét, kabinban bontok, és olyan kesztyűkbe nyúlok bele mint a laborokban van! Elszívás így a szagát sem érzem csak fenékkel kell bírni! Napi 10-12 monitor, vagy max 3-4 videó ennyit tudok szétszedni!
felsőt valamiért nem tudom eléggé levenni, ha a hőfokszabályzó potit maxra teszem mindig izzóra fűti a pákát a ha a maxot csutkára le is veszem a minimumot sikerült beállítani, bár lehet a maxot azért nem tudom állítani mert lehet hogy nem lineárisan erősít az lm324
|
Bejelentkezés
Hirdetés |














