Fórum témák
» Több friss téma |
Fórum » JLT-02 analóg forrasztóállomás
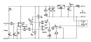
Az első műveleti erősitő a hőelem jelét erősiti, míg a második egy komparátor. Azt kellene megmérni mekkora a feszültség akkor amikor a 22mV-t méred a IC 1-es és 11-es lába között (ne remegjen a kezed). A második fokozat semmi mást nem tesz mint összehasonlítja az általad beállított értéket (10-es láb) a erősítő fokozatról érkező jellel (9-es láb). Azt kellene elérni a VR3-as potival (2,2KOhm), hogy minnél nagyobb legyen a feszültség az 1-es lábon (testhez mérve IC 11-es láb). Azt is érdemes lenne megnézni, hogy a hőelem polaritása jó e, mert ha fordítva van bekötve akkor az állomás soha nem kapcsol ki. Ha lenne rajta kijelző lefele indulna el. Mérd meg, hogy változik-e a feszültség az ic 10-es lábán ahogy tekered a hőfokbeállító potit (a 11-eshez) Ha igen a call trimmerrel úgy állítsd be, hogy a fűtés led minnél hamarabb kialudjon (pl hideg pákánál mérd az időt, hogy mennyi idő alatt alszik ki a fűtést jelző led) . De ehhez lenne jó egy hőmérő és akkor látnád is ami történik, és hogy mennyi a hőfok.
Befejezésül a Vzoole féle verzió rajza, ezen jól el lehet igazodni, de az ic más lábait használja, te a gyári rajz alapján méregess.
Megoldás lehetne még a Vzoole féle egyenáramú forrasztó állomásban alkalmazott osztó, amivel a felső és az alsó érték "bárhová" beállítható!
Heló!
Attila féle forrasztóállomás II. Előre is köszönöm. Ja, még annyi, hogy normális az, ha bekapcsoláskor a 12V-os kör olvadóbiztosítója egy pillanatra felizzik? Az előírt értékűt használom, nem fog elszállni a kapcsolgatástól?
Szia!
Amit mérni kellene! A hőelem bemeneti pontja rövidrezárva! IC1 3-as láb IC1 10-es láb IC6 2-3-as láb A test mindig az IC1 11 lába ehhez mérj! A 315mA-es betét elég sovány ha a trafód megfelelően nagy teljesítményű! A C4 bekapcsoláskor jó nagy áramot ránt fel pláne ha van miből (pl. 100VA-es trafó). Szerintem ez nem hibás működésre utal, inkább arra, hogy egy kicsit sok a 12V-od. Ha így pislog előbb-utóbb megadja magát akkor ajánlom a 400mA-es betétet. Egyenlőre ennyit, aztán látjuk tovább! Üdv lhanzi
Szia!
Köszönöm, hogy időt fordítasz a problémámra. IC1-3. láb- 6,6mV~ IC1-10. láb- 6,7mV~ IC6-2. láb- 7mV~ IC6-3. láb- 7mV~ Ha pedig IC6-nál a 2. és 3. láb között gondoltad, ott 6,4mV~ A trafóm amúgy nem egetverő, Attila listáján szereplő 50W-os pákatrafó. Üdv! Tamás
Amúgy a trafó előtti 250mA-es biztosító egyszer már megadta magát. Az is elég gyengusz
Szia!
Valami nem stimmel, az ic 6 2-3 lába azonos potenciálon van azok között nem mérhetsz semmit! A másik mi az a ~ jel a mért értékek között? Egyent kellene mérni. Ma kiváncsiságból megmérem az enyém, és megírom! Üdv Lhanzi
Hát ez az. Én is kapásból egyent akartam mérni, de semmi. Átkapcsoltam váltóra, és úgy már volt érték.
Na lemértem még egyszer. Most egyent mértem. Az előbb megtévesztett az első mérés, mert semmit nem mutatott, átváltottam váltóra és úgy folytattam a mérést.
Ha nem zárom rövidre: IC1-3. láb- 7,96V IC1-10. láb- 1,124V IC6-2. láb- 6,64V IC6-3. láb- 6,64V Ha rövidre zárom: IC1-3. láb- semmi IC1-10. láb- 1,124V IC6-2. láb- 76,5mV IC6-3. láb- 77,6mV Bocs az előző bénázásért
És ilyenkor mit mutat a kijelző?
Rövidre zárt állapotban 011.
Valószínűleg ezt a 66mv-ot méri, de estére leírom az enyém mit csinál!
[OFF] Addig pihi, van 2-3 gépem (számítógép mára).
És mivel lehet ezt orvosolni? Okozhat ez pontatlanságot, hogy nem 000 van a kijelzőn rövidre zárt állapotban?
Majd reggel jelentkezem, most dolgozni megyek, este 11-kor meg már nem ülök gép elé. Köszönöm az eddigi fáradozásod
Ez nem orvosi műszer 10 fok ide vagy oda nem számít! Arról nem is beszélve, hogy azt elérni, hogy tökéletes legyen az egész sávban nem is lehet, mert nincs a környezeti hőmérséklettel kompenzálva! De nincs is sok értelme. Én 320 és 400C között használom. Sokat bontok ott a 400 a nyerő!
Már azt megmérni, hogy épp "hány" fokos a hegy az is külön gond! Én olvadt ónban szoktam, azt tapasztaltam így a legjobb a hőátadás! Ez egy munkaeszköz, ha nem ég szét a páka megfelelően szabályozható akkor a többi csak lelki jellegű! Tőkéletes dolog nem létezik, mint ahogy két egyforma sem! Üdv Leiszt Jani
Sziasztok!
Szeretném megépíteni ezt a pákát. Szerintetek honnan lehetne hozzá trafót szerezni? Mert ahogy nézegettem a 24v 50VA-s trafók elég ritkák.
Nekem pont van egy eladó 50W-os 24V-os trafóm, Weller forrasztóállomásból.
http://www.hobbielektronika.hu/apro/hirdetes_13559.html
Már régóta hirdetem, ha kell, oda adom 3500 + posta ellenében.
Szia!
Vzoole szokott hirdetni 21V-os 50W-os trafót, ez tökéletese jó az ő nevével fémjelzett állomáshoz! Most nem tudom van-e neki egy PM és kiderül! Ja és nagyon olcsón! (ezekhez az árakhoz képest) Üdv lhanzi
Sziasztok. Szóval az a problémám hogy szeretnék építeni 1 sima 1xű szimpla semmi kilyező semmi pic -es ANALÓG állomást!! DE amit először kinéztem magamnak az a topic nevében szereplő JLT-02 analóg forrasztóállomást.A masterfoxx félét (ehhez sikeresen megis tudtam venni mindent) DE mindenki azt mondta h nem jó a két triakos megoldás.Akkor mi lenne a jó?A letöltött képek között volt 1 amiben csak 1 triak volt és 1 tranzisztor (ha jol látom 1.kép)Így jó lenne? Ha igen akkor mijen tranziszor kellene oda?Ha nem akkor a 2.képen szereplő jó lenne?(Bár nekem a másik jobban tetszik mivel ahoz megvan minden)Felrakom a képet a trafórol és a pákáról.Mit gondoltok rolluk jók lesznek?
Idézet: „1xű, kilyező, megis, h, jol, mijen, ahoz, rolluk” Ez nem az a fórum ahol így segíteni fognak.
Hát te nem. De más ezekszerint elnézte ezt nekem.De azért bocsi hogy így írok de a sok MSN-ezéstől berökzödik.
[OFF]Egy biztos, ha jársz még iskolába, akkor a magyar tanárodnak éjszakánként sírógörcsei vannak!
Ne haragudj, de szerintem MSN-en sem kötelező direkt helytelenül írni. A legtöbb megemlített hibád nem rövidítés, hanem (akarva vagy akaratlanul) hibás helyesírással leírt förmedvény. Én is szoktam chatelni, de mégsem éreztem soha szükségesnek ezt az írásmódot.
Engem is érdekelne pár részlet. Például a közzétett nyák fotóján látom, hogy még nincs beforrasztva egy 5 lábú smd, ami nyilván egy opamp, a hőelem feszültség erősítésére. Ez milyen típus lett? Én már vagy két éve építettem próbaképpen Mega8-al ugyanilyen elvű vezérlőt, de az AD teljesen megbízhatatlan eredményt produkált. Az AD értéke valószínűleg a kijelző meghajtás áramcsúcsai miatt ugrált. Másik: van-e valami algoritmus a szabályozáshoz (PI-PID), vagy csak ki-be kapcsol, az AD érték (esetleg átlagolt) megkívánja? A kapcs. táp üresjárást (nem fűt, igaz kijelző meg megy) mennyire bírja? Hosszútávú tapasztalat? Páka élettartama egyenáramról nem lett kevesebb?
Üdv.
Megépítettem a vzoole féle forrasztóállomást, és az lenne a kérdésem, hogy 50VA-s trafóval tud-e 450 fok fölé fűteni? Ill. ez árt-e a pákának?
A trimmereket úgy állítottam be, ahogy a leírásban szerepel. Nincs olyan hőmérőm amivel meg tudnám mérni a páka hőmérsékletét, azért kérdezem. |
Bejelentkezés
Hirdetés |













