Fórum témák
» Több friss téma |
Fórum » JLT-02 analóg forrasztóállomás
Valószínű a páka rossz.
A leírásod alapján az elektronika helyesen működik. Fűt és nem jelez ha zárod a thermoelemet, és nem fűt és max jelzést mutat ha nyitod. Kösd a páka fűtését egy labortápra, adj neki Látod hogy fűt-e, és közben multival a hőelemet tudod mérni ad-e ki feszültséget.
Hiába ellenőriztem a pákát, hiába annak vezetékét (ami valóban elég viseltes, több helyen ki van már törve a műanyag burkolata)hiába a tápot, hiába látszott minden jónak, mégse fűtött a páka. Megtaláltam a hibát. A csatlakozót tartó kis panel alján volt a folytonossági hiba. Javítottam, és minden hibátlan lett. Csak szegény pákát kell pótolnom, mert azt tovább trancsíroztam, de azért ezt is összerakom, jó lesz tartaléknak.
A fotóért bocsi, én is utálom a kacat minőségű képeket.
Jól elégett szegény nyák. Pont úgy néz ki mint amikor kiégett az orion erősítőm nyákja
![]() Nem méretezték túl...
Valakinek van ötlete/bevált módszere a páka vezetékéhez. Tudom, van azon eredetileg is vezeték, lesz azon is amit most vettem, de a régin teljesen tönkre ment, ezért cserélnem kell. Viszont nem tudom mire lenne célszerű. Felmerült a feltekert telefonzsinór, ami nem ilyen ámra való, de már teszteltem 2A-en, és nem melegedett, illetve a szilikoncsőbe húzott 4 vezeték is.
Egyéb ötlet?
Egy régebbi szilikoncsőbe húztam be a saját vezetékének belső kábeleit. Minden várakozáson felült jó lett. Lágy és hajlékony lett a kábel, de mégse törik meg. Sőt ha véletlen hozzáért a páka, akkor sem olvad azonnal, csak szenesedik ha tartósan melegítem.
Ajánlom mindenkinek, sokkal jobb mint az eredeti kábele.
Most már csak azt kellene kinyomozni, hogy hol kapható megfelelő átmérőjű cső...
Állatos, vagy autós bolt, barkácsáruház.
Robogós webáruházban is árulnak. Olajcső/benzincső a neve. Létezik 2-3mm belső átmérővel is, szigetelésre tökéletes.Ha jól emlékszem a zöld színű a jó mert az nem keményedik meg az idő folyamán. Lágy marad.
Sziasztok.
Mostanában a solomon pákám hegyén olyan vöröses barnás rozsdaszerű anyag képződik. Nehezen tudok forrasztani, mert nem ragad meg rajta az ón. Ha megtisztítom, 5-10 percre megint jó, de hamar újra koszolódik a hegy. Mivel tisztíthatnám, vagy mit lehet ez ellen tenni? Túl magas a hőfok?
Cseréld ki a hegyet. Szerintem valami oknál fogva lekopott a védőréteg róla.
Köszönöm. Valószínű ezt fogom tenni a legközelebbi bevásárláskor.
Egyébként ha rézkefével megpucolom előbújik a szép ónos felület. A forrasztóvizem elfogyott, gyenge sósav használható helyette?
Ha elfogadsz egy tanácsot kedves fórumtársam!
Pákahegyet lehetőleg puha vászon ruhával tisztítsd. A forró pákahelyet bemártod a gyantába, utána azonnal - mielőtt ráégne - letörlöd a vászonruhával. Így gyakorlatilag egy hegy nagyon hosszú ideig sértetlen lesz. A puha ruha nem tesz kárt a hegy bevonatában, és remekül tisztítja is azt. A rézkefe szerintem drasztikusan csökkenti az élettartamát. A sósavas megoldásról sajnos nem tudok nyilatkozni, nem próbáltam. Én a fent említett eljárást követem évek óta. Nagyon fontos, hogy tiszta 100% vászon legyen, különben az esetleges más nylon összetevő ráég a páka hegyre Üdv!
Köszönöm a tanácsot. Gyantát venni fogok, és láttam törlőszivacsot is. Azt nem kell valami folyadékkal átitatni?
Én a törlőszivacsról tértem át a sima vászon rongyra. Mérföldekkel jobb. Sima száraz vászon ruha...
Eredetileg van a páka hegyén egy bevonat, aminek az a dolga, hogy a forrasztás hőmérsékletén még ne tudjon oxidálódni a hegy. Ha mechanikailag dörgölöd/koptatod a hegyet, akkor ez a réteg elkopik, és utána már csak árnyéka lesz eredeti önmagának. (Azért sima/kopasz vörösrézzel is lehet forrasztani, csak sokat kell tisztogatni, és e miatt hamar elfogy. Régen külön árulták ezt a rudacskát, a 220-as pákákhoz.)
Egyébként bármivel is törölgeted, magától a forrasztástól is elkopik egyszer, és akkor illik cserélni.
Tisztelt Urak,
Köszönöm az eddigi segítséget, tegnap este volt időm rá, és megpróbáltam éleszteni a korábbi hozzászólásomban említett vzoole féle forrasztó állomást. Rendben működik is, viszont a legoptimálisabb beállítást ~200 - ~550 fok (min / max) között találtam meg. Ez ugye nem igazán jó, már csak azért sem, mert a hivatkozott kapcsolási rajzon P1 jelű trimmer - ami a hőelem erősítését hivatott beállítani, ha nem tévedek - gyakorlatilag rövidzárban van, hogy legalább ez az állapot beálljon. Ekkor P2 trimmer kb. abban a helyzetben van, ahogy vzoole is leírta (~1,6k) Mivel csak egy 300 fokig mérő maghőmérőm van, ezért a hőelem által leadott feszültséget mértem és a mellékelt táblázat alapján állapítottam meg a hőmérsékletet. A környezeti hőmérséklet nincs kivonva, de úgy gondolom ettől jelen esetben eltekinthetünk. Tudok olyan beállítást is produkálni, hogy ~180 foktól induljon - itt meg sem olvad az ón - de ekkor a teteje van az egekben, a hőelemen mért 24mV-nál lekapcsoltam. Nem akarom tönkre tenni. A beépített alkatrészek a leírásnak megfelelőek, 1%-os ellenállásokkal. A D1 dióda elé kötöttem be 100R 3W ellenállást sorba, ezzel védve a 7808-at, de ennek nem szabad befolyásolnia semmit: 8V van a kimenetén, és így 26V a bemenetén. Az egyetlen változtatás, hogy az R9 ellenállás és az LM324 9-es láb közös pontja és a föld közé egy 1µF-os tantál kondit tettem, ahogy Attila86 digitális forrastóállomás I. esetében javasolták (ott ugye erősen hasonló a komparátor rész) Úgy gondolom, hogy a beállítást ez sem befolyásolja, hiszen ez csak egyenletesebbé teszi a kapcsolási periódusokat. Kérdezzetek, mit mérjek, mit lenne célszerű más értékre cserélnem, milyen mérési metódust alkalmazzak, mit állítsak másként, hogy ~200 - ~470 fok tartományt tudjak "belőni" ? Minden segítséget előre is köszönök.
Ehhez a pákához készülök saját pices állomást tervezni. Az analóg rész nem erősségem, így inkább rákérdezek: konkrétan milyen műveleti erősítő típust ajánlotok arra, hogy a hőelemről jövő maximális feszültséget kb 5V-ra erősítsem? Az itteni kapcsolások között van egy, a terveimhez hasonló pices állomás, de nekem nincs szükségem 4 erősítőre a tokban, és a hestoreban sincs az a típus.
Ha jól értem, itt arányait tekintve 10mV-ból kéne 3-4V. Tulajdonképpen az a kérdésem, hogy a hestore kínálatából melyik lesz jó nekem erre a célra. Egyszerűbb lenne, ha mindent onnan rendelhetnék. Ahogy olvasgattam, akármi ide nem jó, hiszen hatalmas erősítés kell, az is 2 lépcsőben, emiatt nagyon nem mindegy a kimeneti és bemeneti offset.
Az attila86-féle állomás is ezt az erősítőt használja, de az adatlapja 3mV input offsetet ígér, így csak egy bizonyos hőmérséklet fölött kezdhetek mérni (nem tudom mekkora ez a hőmérséklet, nyilván jó alacsony). Ha azt mondjátok, hogy jó lesz nekem azzal, nekem megfelel
Sziasztok,
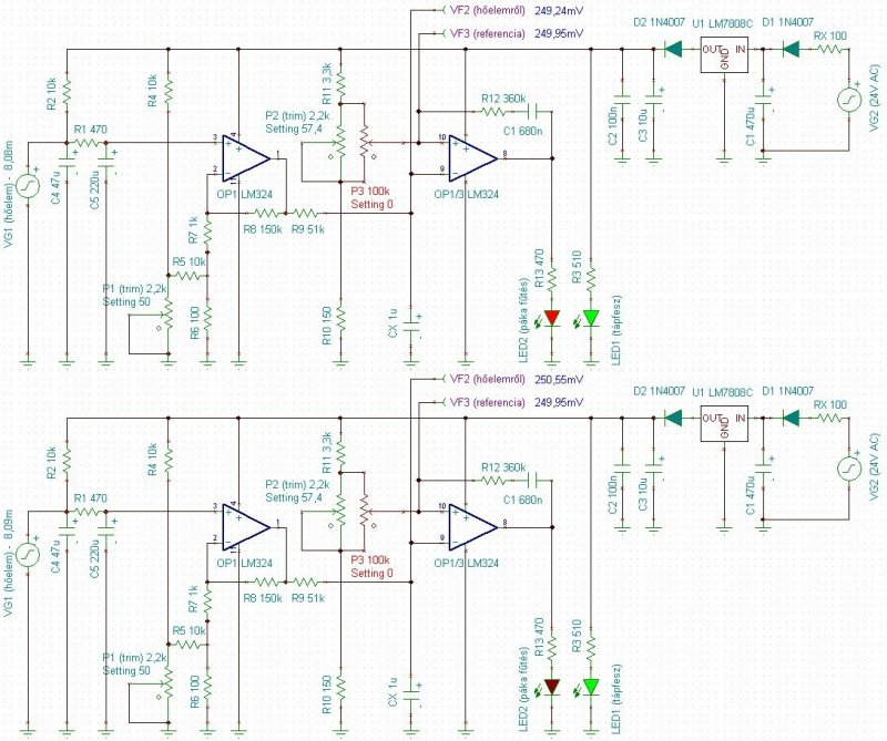
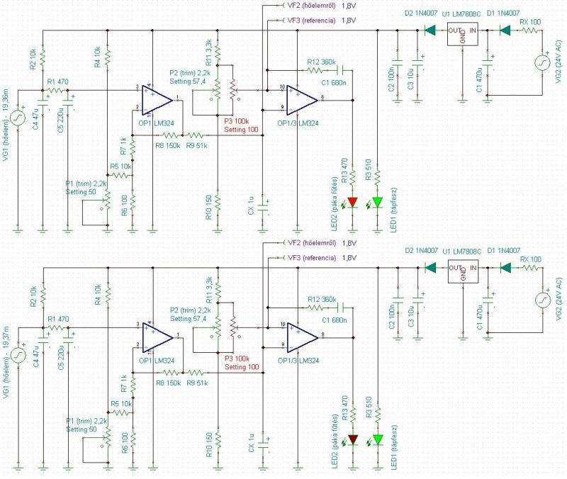
A hivatkozott hozzászólásomban jelzett problémát sikerült megoldani. Meglepően egyszerű a megoldás, bár némi időt igényelt, mire ez kiderült. Megrajzoltam TINA-ban a kapcsolást, és elkezdtem "mérni." Az volt a kiindulási pont, hogy lehetőleg ne kelljen semmit sem változtatni fizikailag az összetevőkön, hiszen készen van az egész forrasztó állomás, csak a megfelelő beállítást nem sikerült elérnem. A "mérés" során pontosan azt tapasztaltam, mint korábban a valóságban... Ekkor P1 és P2 trimmereket középállásba állítottam, és elkezdtem változtatni az összetevőkön. Először R4-R8 ellenállásokon próbáltam változtatni, de nem igazán vezetett eredményre, ezért IC3A beállításait hagytam úgy, ahogy a rajzon is szerepel. Ezután R10-R11 változtatásával sikerült a referenciát olyan szinten beállítani, hogy egész közel kerültem a megoldáshoz. A végső beállításban pedig csak R10 értékét kellett 1k-ról 150 ohmra cserélni, és P2-t ~60/40 arányba (TINA szerint 57,4%) állítani. Ezzel pontosan a kívánt tartományt lehet beállítani (hőelemen mérve: ~8,1-19,35mV) Ma a forrasztó állomáson is ki lett cserélve R10, és a gyakorlat visszaigazolta az elméletet. Mellékelem a vzoole féle eredeti kapcsolási rajzot, valamint az alsó és felső kapcsolási értékek TINA fotóit, amelyeken a beállításhoz szükséges értékek is szerepelnek (VF2 és VF3 mérőpontok) Így könnyedén beállíthatja bárki, aki az itt leírt apró módosítással építi meg a forrasztóállomást. Ja meg a K-típusú hőelem táblázatát is csatolom.
Lemaradt:
tina12.jpg az alsó kapcsolási pont, tina34.jpg a felső kapcsolási pont. Itt az 1,8V referencia pontosan 1,797V LED2 mutatja (világít, ha ez látszik a fűtési állapotot.
Elkészült
Gratula, szep kivitelezes.
szep a dobozod, az OBIba vetted?
Köszi. A mechanikai megoldás és a külső fiam munkája, én az elektronikát képviseltem a dologban
![]() A doboz és benne a megfelelő trafó eredetileg is páka trafó volt, valamilyen magyar gyártmány a régmúltból, az elején egy biztosítékkal és két banán hüvellyel, hátul fixen bekötött 220-as kábellel. Itt írtam pár szót róla. A lyukak a hátulján már saját termékem a múltból, valamilyen stabil tápnak használhattam, mert hűtőborda is volt rajta, amit biztosan én szereltem rá, csak nem emléxem már, hogy minek
Ez szép. Így kell szépen, és igényesen dobozolni, előlapozni. Nincs rajta felesleges csicsa, meg felirat. Elismerésem, nagyon jó lett!
Mi tagadás, belülről kevésbé szép, pl. nem lett lefestve a belseje. De azért igyekeztünk igényesnek lenni.
Nem volt a műhelyben gép, ezért a lakásban fotóztuk le, de készen szerettük volna "bemutatni" a családnak, ezért a csak dobozolt fotó. Persze készítünk majd képeket belülről is, de lehet, hogy egy-két nap, mire felkerülnek, kicsit zsúfolt lesz a hét vége.
Ilyen lett belülről. A nyákra nem vagyok büszke, kicsit túl lett világítva, ezért kapirgálni kellett néhány helyen.
A forrasztások nem hidegek, de pisztoly pákával, nem éppen sasszemmel ilyenre futotta. Arról nem is beszélve, hogy több alkatrészt ki kellett venni, cserélni, újakat beépíteni nem tervezett helyre, ahogy korábban írtam. |
Bejelentkezés
Hirdetés |




Látod hogy fűt-e, és közben multival a hőelemet tudod mérni ad-e ki feszültséget. 


















