Fórum témák
» Több friss téma |
Fórum » Kapcsolási rajzot keresek
Témaindító: Kallai Csaba, idő: Márc 11, 2006
Témakörök:
Szia kocos
Megérkezett a leírás ? Elvileg legkésőbb ma oda kell, hogy érjen.
Hali!
Igen, tegnap megérkezett! Nem tudom elégszer megköszönni ! )Üdv : Kócos
Nagyon szívesen, örülök, hogy segíthettem.
Sziasztok
Még mindig keresem a Videototn TS5451 TXT-OSD-ST tv-nek a rajzát nagyon fontos lenne.Ha valakinek megvan vagy tudja hogy honnan lehetne letölteni az legyenszives megosztani velem.kösz
Ezen az oldalon próbálkoztál már???
Távjavítás A kereső mezőbe írd be: TS5451 Rengeteg segítőkész ember van, valaki biztosan tud neked segíteni!
Szia
Igen itt már kerestem voltolyan szaki aki küldöt is de nem ugyanaz a kutya környéke.
Hali!
Ismeri valaki az OPA549 nevezetü ic-t! Ha valaki tud hozzá kapcsolási rajzot légyszi küldjön már egyet. Előre is köszi. Ja és az ic adatlapján található kapcsrajz szerintem nem jó. Több alkatrésznek nincs meg az adata, és a szövegben sem találtam. :yes:
valakinek nincs egy nyák és kapcsolási rajza stk4231II ic-hez?
Sziasztok!
szám.gépes cd-lejátszóhoz keresnék kapcsoláhi rajzot! aki tud valamit szóljon. köcce!
Sziasztok!Egy FAGOR FE-3609 tipusú mosógép kapcsolási rajzát keresem.Leginkább a programkapcsolóé kellene de az egész gépé is jöhet.Köszönöm előre is.Gábor
Sziasztok
Viszhangosító kapcsolási rajzokat keresek, ha lehet leirásal.Akinek van tegye már fel.köszi
Sziasztok! induktív jeladós gyújtáselektronika rajzát keresem 1981 Suzuki GS 550-hez,(soros négyhengeres) vagy hasonló rajzot amiből össze lehet hozni egy megbizható elektronikát.Köszi!
Szia !!
Ha jók az emlékeim akkor 1986/4-5 Rádiótechnikában volt egy digitális visszhang nem néztem h a neten ez fent van-e.De elég sok alkatrész kell hozzá . Ezenkívül szintén ebben az újságban láttam analóg visszhangot (SAD1024 spec IC-vel) de ennek beszerzése már akkor is nehézkes volt.(~1987)Ha építési szándékaid vannak sztem olcsóbb megvenni és biztosabb a siker (~20000).Ha viszont érdekel a dolog utánanézek és beszkennelem de ahhoz kell pár nap mert csak a melóhelyen tudom megcsinálni. Üdv.:Géza
Addig is egy kis csemege hátha találsz benne számodra érdekes dolgot...
Sziasztok!
Grundig R-2000 típusú rádióerősítő kapcsolási rajzát keresem, de ha csak szervíz leírás van az is megteszi. Ha Neked megvan kérlek töltsd fel! Köszönöm szépen: Titkovics
Mindketőtőknek köszönöm a rajzokat meg a tippeket.Nem kell szkenelni mert gépen megvannak.kösz
Köszi Medve!!
Megmentettél attól, hogy egy egész évfolyam bekötött könyvét tuszkoljam a szkennerbe .
Sziasztok
Mostmeg szimetrikus kimenetű tápegység rajza kéne (ha lehet leírásal).2*32V van és azt szeretném le stabilizálni +-20V-ra az jo lenne ha lehetne az áramkorlátot is álitani.A lehető legegyszerűbb érdekel.Köszönöm
Sziasztok.
Rollei E15B vakuhoz keresek kapcsolási rajzot. Valaki tud segíteni????
Helló mindenkinek!
Szükségem lenne egy mikro hifi kapcsolási rajzára. A típusa L&S Electronic 33002/MA08. Csak ennyit tudok róla.Jó lenne ha valaki tudna segíteni, mert fontos lenne! Segítséget előre is köszi! Üdv: Ricsi.
Az elektrotechnika című lapon rengeteg ingyen is letölt-
hető kapcsolási rajz található,akit érdekel. üdv: Lajos
Sziasztok!
Kéne nekem egy tűzjelző kapcsolási rajza lehetőleg alkatrész listával külön... Találtam egy "JANEL-PANEL: eletronikus játékok című könyvet. és van még egy csomó elektros könyvünk kérésre beszkennelem és elküldöm akinek kell az oldalszám nem lényeg Előre is köszi Üdv. FInenet
"Tűzjelző kapcsolási rajz..." c. téma ide áthelyezve.
Tűzjelzőt akarsz építeni?
Optoelektronikusat, vagy más úton thermoelektromosat? Nem füstjelzőt szeretnél?
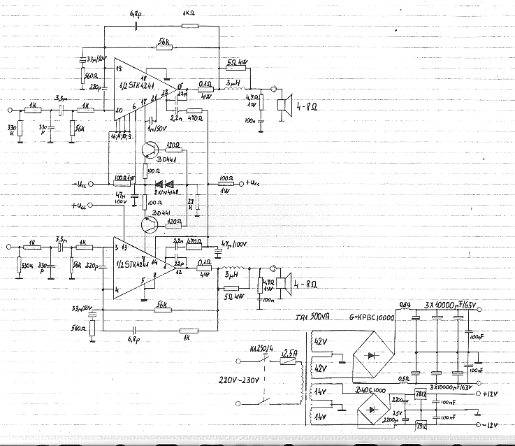
Keresem a fenti erőstő szevícsolási rajzát. Sajnos a Google nem segítinek van hozzá rajza, hálás lennék. Illetve ha valaki javíyen szörnyeteget, az segíépen elszállt a komplementer végfok, érdekelnének helyettestő alkatrészek is, sajnos katalógushoz nem fértem hozzá eddig.
Köszi! |
Bejelentkezés
Hirdetés |




)
:yes:






