Fórum témák
» Több friss téma |
Fórum » Kapcsolóüzemű tápegység
Témaindító: Rendszer, idő: Feb 18, 2006
Témakörök:
Igen, kondikat zárlatra végigcsipogtqttam, elvileg nincs beterhelve egyik kimenet se. Rákötvw nincs semmi, csak a belső feszstab, de azt is kimértem, nem zárlatos. D3-nál az RCD-ből az ellenállást és diódát mértem, kondit cseréltem.
Csipogás nem lesz elég. ESR mérés kell, vagy ha nincs mérő akkor csere. Teszt jelleggel be lehet tenni bármilyen kondit, de tartós megoldáshoz low ESR, és minél magasabb hőfok tűrésű kondit kell betenni.
C7-en megvan a 300V közeli feszültség?
Sziasztok!
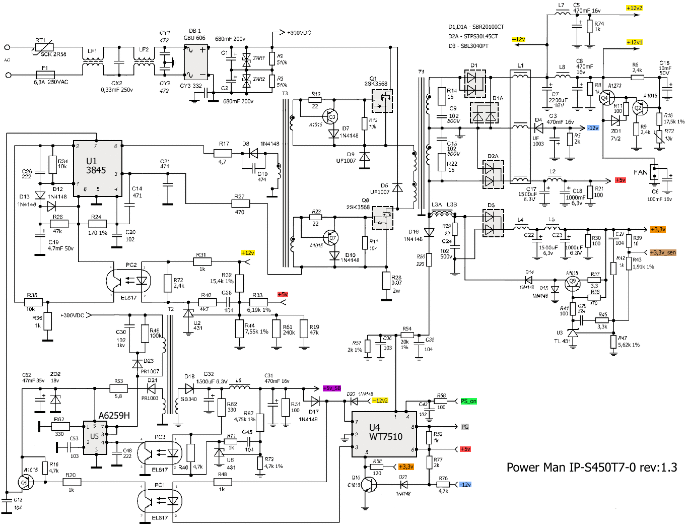
PC táp kapcsolási rajzán a pirossal bekarikázott R5 jelzésű 15 ohmos ellenállás szerepére nem jövök rá. Illetve miért kell leterhelni a 3,3V-os kimenő ágat így? Azért kérdem, mert egy hasonló tápot javítok, aminek a 3,3v-os ágán csak közel 1,8 v van. Amennyiben a kérdéses ellenállást kiszedem, jól működik a táp, 3,3v jelenik meg korrektül a kimenetén. A bajom az, hogy gyárilag van benne az ellenállás, és mint látható, a kapcsolási rajzon is szerepel. Köszönöm az építő jellegű segítő szándékokat!
Szia!
Nézd meg a D29 anódokon szkóppal a hullámformákat, aztán a katódját, van-e valamilyen kétszeres frekvencia, megy-e a kétutas egyenirányítás.. A 15 ohm előterhelés. Esetleg a vele paralel elkó nem zárlatos-e kicsit, mert akkor az is "fogyaszt" alapban.. Csak tippek. A hozzászólás módosítva: Jún 4, 2024
Szia. Szkóppal még nem néztem, de a D29 diódahidat kiforrasztottam, teszteltem. Kondi nélkül hozza a 25v-ot visszaforrasztva. Kondik púpos kondik újakra cserélve, régiek sorra kiforrasztva leteszteltem, mind bőven hozza a feliratokon szereplő kapacitást.
A végén lévő terhelés szerepét nem értem!
Az a szerepe, hogy segítsen a kondinak lenyelni a feszültségtüskéket. Ha kiveszed belőle, akkor a kondi feszültsége a tüskékkel megemelt szinttel magasabb lesz, ami szabályozás hiányában megemelkedett feszültséget jelent, szabályozásnál pedig rontja a szabályozás hatékonyságát mert nem a szükséges értékre fog szabályozni.
Ezt a mondatot nem értem: "Kondi nélkül hozza a 25v-ot visszaforrasztva. " ( vessző vagy akármi? )
C35 nélkül feszültséget ne mérjél, csak frekit vagy hullámformát - van valami látnivaló, eredmény? Passz. A hozzászólás módosítva: Jún 4, 2024
A kondi értékét benéztem, a rajzon ha jól látom, 4,7 mikrofarád van. Én 470 mikrosat tettem be.
Lehet ez hibaforrás, vagy csak indokolatlanul túlméretezve jobb lesz tőle a szűrés? Ezzel az általam beforrasztott kondival, ellenállás nélkül, terhelés nélkül, multiméterrel mérve kijön a 3,3 v. Terhelve még nem teszteltem.
Diódahíd után az alkatrészeket kiforrasztva, kondi nélkül (szűrés nélkül) a multiméterrel 25 v-ot mértem. Szkóppal még nem vizsgáltam.
Ebben az esetben a multis mérés felesleges - szkóppal láthatod meg, hogy milyen a hullámforma, ill a freki. Megvan-e a kétutas egyenirányítás - a 15 ohm ott legyen.
A teszt idejére még egy 4..6 ohmot is mellétehetsz, úgy mit látsz.
Értem. Erre hétvége fele lesz időm rámérni szkóppal, majd jelentkezem.
Magasabb értékű kondi lehet gond? A hozzászólás módosítva: Jún 4, 2024
Még egy kérdés... ugyanarról a trafóról állítódik elő a 12v, 5v, -12v és azokkal semmi gond nem volt. Kizárható így a frekvencia gond?
Én logikám szerint kizárható a frekvencia gond. TL431 körül tippeltem a hibát, de nem találtam semmit rossznak.
Üdv.
Feltehetően HKC-USP5550 a típusa a tápnak amivel küzdök. Találtam rá egész részletes kapcsolást amiben az IC-k majdnem azonos típusok. U1 jelöléssel a 3845 típusu IC nálam 3843. Mindkettő nagy teljesítményű fix frekvenciájú üzemmód vezérlő. Adatlapjaik szerint lábkiosztásban azonosak. Kapcsolást nézve, a teljesítményszabályozás a 12V és az 5V-ra van. Terheletlen állapotba nem kapcsol be a táp, csak a készenléti 5V van meg. Terhelve (ventillátor, 12V autóizzó) bekapcsol a táp, rendesen leadja az összes feszültséget, satabil még a 3,3v is. Én még ilyen táppal nem találkoztam ami terheletlen állapotba nem kapcsol be. Amikor teszteltem, akkor megkerültem a tápfeszültségeket figyelő áramkört, és a hozzá tartozó optocsatoló fototranzisztorát rövidre zártam (PC1 jelölésű optocsatoló). Így indult el a táp, és így mértem a feszültségeket. Itt jöttem rá, hogy a 3,3v miatt letilt az U4 jelölésű feszültségfigyelő. Szkóppal a diódahíd előtt a trafóra mérve stabil a frekvencia, és a szkóp szerint a tüske hegyei 3,3v Mit gondoltok erről a tápról? Azon kívül hogy gyenge és kukába való ![]() Amúgy fel lehetne turbózni, mert a panelon a kialakítás adott. Nagyobb teljesítményű diódák, és duplán be lehet kötni stb...
384x tápja felé c62 47µF nem száradt ki? Bal alsó sarokban
Minden mikros nagyságrendű kondi kimérve, értékhatárt teljesítik.
Mire gondolsz? Frekvenciaváltozás?
A 384x szeret nem elindulni
ha a táp kondija rossz... Csak erre gondoltam, gyakran előfordult felém
Az írásod szerint a PC1 fototranzisztorát rövidre zártad, akkor ment rendesen a táp.
A készenléti 5 V megvan - akkor a D17-R48-opto dióda -U4/3. vonalon mi a helyzet? Az U4/3. 0 V közelében van? Folyik 3-4 mA az opto diódán át, amitől a fototranzisztor kinyitna? Az R48-on mérjél feszültséget és számolj mA-t. A D3 lábain ( felső anódon és a közös katódon ) miféle "tüske" van? Szkóp képet nem tudsz csinálni? Ez a rendszer egy forward kapcsolás. Idézet: „Az írásod szerint a PC1 fototranzisztorát rövidre zártad, akkor ment rendesen a táp.” Nem ment rendesen a táp, csak elindult. Így vettem észre hogy a 3,3v helyett 1,8v körüli feszültség van. Ezért tilt le az U4 jelölésű feszültségfigyelő, ami jogos, hisz nincs meg ezen az ágon a feszültség. Kimenetén ezért értelemszerűen nincs mit keresni, annak tiltott állapotúnak kell lenni. Ez az állapot, terheletlen tápegységre igaz. Ha a PC1 optocsatolóról leforrasztom az általam okozott összekötést a fototranzisztoráról, tehát gyári állapotba van a táp, úgy csak akkor indul el, ha az 5v vagy (és) 12v részét leterhelem fogyasztóval. Ebben az esetben létrejön a 3,3v is, és "rendesen" stabilan leadja az összes feszültséget. Aztán írtam hogy az elkók kimérve jók... Viszont kifelejtettem a két nagy kondit. A hozzászólás módosítva: Jún 11, 2024
Akkor indítsd el gyári állapotban és akkora terheléssel, hogy rendesen menjen és tegyél fel képeket, amiket írtam.
Hátha abból is lehet látni valami érdekeset. Idézet: „Én még ilyen táppal nem találkoztam ami terheletlen állapotba nem kapcsol be.” Én meg olyat láttam, hogy a PC bontóban (nyugodjék békében) mindig rádugtak a csatlakozóra valamit a teszteléshez.
Valami gond van azzal a műszerrel! Nem nagyon lehet egy 680µF-s kondi 5200µF kapacitású!
A képet kinagyítva jobban olvasható a műszer.
Fenn a mértékegység millifarád. A képen látható hogy tizedesvesszővel kezdődik az érték, ami 0.5193 A nullát lespórolják sok műszer esetében (helytakarékosság) 0.5193 milliF nagyon jó indulattal is csak 520 mikro farád. Persze lehet rossz a műszerem, annak ellenére hogy új...
Műterhelésem épp nem volt, tönkretenni semmit nem akartam, így megpróbáltam elindítani terhelés nélkül, mint mindig úgy általában.
Mikor nem indult el, keresni kezdtem az okát. Hozzászólásodból azt szűrjem le, hogy hagyjam így, ha terhelés alatt indul, és stabilnak tűnik, akkor ez egy megbízható táp?
Rendeltem hozzá kondikat, ha megjöttek, fogok tudni írni fejleményeket.
Igen, a C7-en atomstabilan megvan a fesz. C10 és C11-et kicseréltem, ami kritikus lehet. Rendeltem vele egy teljesen más helyről egy új top ic-t, a helyzet szintén változatlan. Tekertem a trafóra pár menetet, semminértékelhető feszültség, vagy szkóp alatti jelalak nem jön. A kimeneti kondik is valószínűleg csak valami impulzustól töltődhetnek meg. Nem értem, minden bent van a az IC-ben kb önmagától mennie kéne. Visszacsatolás nélkül maxon menne, vagy 0-án elvileg? Érdemes a visszacsatolós körben keresni a hibát? De ott is új a dióda, opto stb.
Közben rájöttem mi lehet a baj, a control pinen csak 4,5V van (sourcehoz mérve), a katalógus szerint 5,8V felett indul a bekapcsolási szekvencia. A C9 kondin 0,3V-ot mérni, annak nem tudom mekkora lenne az ideális méret, katalógusban van minden féle..
Ezt az indítási szekvencia dolgot nem értem, hogy honnan lesz 5,8V felett a controll pinen, mikor az aktiválja az egészet. Na párszor még elolvasom..Közben rájöttem mi lehet a baj, a control pinen csak 4,5V van (sourcehoz mérve), a katalógus szerint 5,8V felett indul a bekapcsolási szekvencia. A C9 kondin 0,3V-ot mérni, annak nem tudom mekkora lenne az ideális méret, katalógusban van minden féle.. Upd: a rajz alapján a C9 kondin meg a Control - Source között valójában ugyanazt kéne mérnem, de nem.. Valami nem stimmelnígy a rajzzal sem. A hozzászólás módosítva: Jún 23, 2024
Igen, az, hogy az R15-re menő fele valójában nincs ősszejötve a control pin-el.
És ez volt a hiba, jobban megnézve tényleg összeköttetésben kellett volna lennie, kipótoltam és megy a táp.
Sziasztok, hasonló hibával még nem találkoztam, ezért bízok benne valaki tud választ adni a kérdésemre. Adott egy kapcsolóüzemű táp (pontosabban 2 ugyanazzal a hibával) 230-at ráadva nem indul be, a kimeneten van egy led, ami totál sötét. Abban a pillanatban, ahogy a bemeneti puffer kondin feszt mérek (400V 100µF kondi 338V-ot mérek) és hozzáér a mérőcsúcs a kondezátorhoz éled a táp, és mintha semmi baja nem lenne egészen addig teszi a dolgát, amíg kikapcsolom. Forrasztások rendbe vannak, semmi sérülést nem látok. Kondenzátor kapacitása rendben van. Valakinek ötlet, mi lehet a hiba oka?
Végeztem még egy mérést, de itt először a csúcsot a kondi +hoz érintem és a test még sehol, így is indul a táp. |
Bejelentkezés
Hirdetés |








ha a táp kondija rossz... Csak erre gondoltam, gyakran előfordult felém 





