Fórum témák
» Több friss téma |
Fórum » Kapcsolóüzemű tápegység
Témaindító: Rendszer, idő: Feb 18, 2006
Témakörök:
Sziasztok!
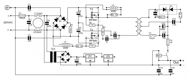
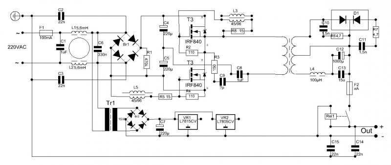
Lenne egy kis problémám, amibe szeretném a segítségeteket kérni. Kaptam egy kapcsolóüzemű 24V-os akkumulátortöltőt, de sajnos egy kis probléma van(?) vele. Az volt a jelenség, hogy a C6 és a C8 kondenzátorok meg voltak repedve, valami trutymák folyt ki belőlük és ezért füstölt. A kondikat kicseréltem és látszólag minden ok, de viszont a töltő valami hibát jelez. Végül is egyelőre csak az lenne a kérdésem, hogy a két kondi miért melegedhetett ennyire, hogy tönkre menjen? Visszafejtettem a kapcsolóüzemű táp részét, (remélem jól) és mellékeltem a rajzot. Köszönöm előre is a segítséget!
Szia, nekem az a meglátásom, hogy step by step senki nem fog téged végigvezetni egy komplett kapcsoló üzemű táp tervezésében és kivitelezésében, ez rengeteg idő és tudás kell, ha valóban érdekel a téma, olvass utána, rengeteg információ lapul a neten, okosan kell használni, kicsit legyél autodidakta és önálló is, itt tippeket segítséget kapsz ha elakadsz, vagy valamit nem értesz, de azt nem várhatod el senkitől, hogy végig fogja a kezed a pákabekapcsolástól a dobozolásig. Azért ez nem egy kétledes villogó. Semmi értelmét nem látnám , hogy bárki is leírja még egyszer egy kapcsitáp működését, mivel annyi helyen (könyv, fórum) le van már írva. Az AT táp lehetőségét azért ne dobd el, nem rossz az, én is építettem már kapcsitápot, sok kín és szenvedés volt e kész lett, majd a következő inkább egy átalakított AT táp lett, döbbenetes teljesítménnyel. Nem beszélve arról, hogy azért egy rendes kapcsitáp nem 2Ft ám.
Remélem azért nem szegtem a kedvedet, nem az volt a célom. Üdv: Doncso
Helló!
Javaslom figyelmedbe a flyback típusú tápokat. Viszonylag egyszerű a felépítésük nem kell sok alkatrész. Csupán a trafó elkészítése okozhat gondot. Javaslom nézz be ebbe a topikba, itt már építettek jópáran flyback tápot (én is) Bővebben: Link Itt talán többen vannak akik segíteni tudnak.
Hali!
Elsőnek neked is javaslom a fentebb említett topikot. Másodszor ha tényleg C8 szállt el, akkor én a kimeneten néznék körül, hogy rendben vannak e a pufferkondik, nincs e rövidzár ilyesmik. C6 tönkremenetelét furcsálom, mert az csak a nagyfrekis zajt szűri le. egyébként van 1-2 furcsaság a kapcsoláson. Pl D1 így bekötve rövidzár a szekunderre.
Rajz javítva. Valóban elnéztem a dióda bekötését.
Hát, összepakolom a töltőt, aztán meglátom, hogy mi lesz.
Sziasztok
Nem találtam direkt ezzel foglalkozó témát, ezért itt tenném fel a kérdéseimet: Milyen előírások vonatkoznak a kapcsolóüzemű tápegységekre üresjárási teljesítményfelvétel tekintetében?Például mennyi lehet egy 5W-os, egy 100W-os és egy 500W-os táp üresjárási teljesítményfelvétele az Unióban? A másik meg, hogy mekkora kimenőteljesítménytől kell PFC (Power Factor Correction) áramkörrel kiegészíteni a tápegységet?Kell ez például egy 5W-os tápegységbe is? Hol lehetne ezeknek utánanézni? Köszi szépen előre is . üdv
Sziasztok.
Van egy UPC beltérim,ami egy hálózati nullaszakadás miatt 230 helyett 400V-ot kapott. Ami tönkrement benne az csupán a tápban lévő 400V/100µF-os elkó. A kérdés az lenne hogy ha én ez helyett 68µF-ot teszek be , az nem gond???
Nem gond, még elmegy.Annyi változás lesz hogy kicsit hullámosabb lesz a primer feszültség, a szekunder nem érzi meg mert a visszacsatolás kompenzálja.
Köszönöm.
Kicseréltem szépen működik is.
sziasztok
van nálam egy autóserősítő A hibajelenség hogy bekapcsolás után, folyamatosan növekszik a felvett áram. Állítólag a tápban kellene keresgélnem. A hő a végerősítő fet-jein disszipál el. Tl 494 a pwm, és egy Lm339An komparátor van a tápjában. A vég AB osztályban dolgozik, irf 540-ek vannak bennt. Merre lenne érdemes keresgélnem ? válaszokat előre is köszönöm
Ha az erősítő fűt egyre erőteljesebben akkor valószínűleg az erősítő a hibás.
De erről könnyen megbizonyosodhatsz. Mérd bekapcsolás után hogy alakul a tápfesz. Ha stabil, netán keveset csökken akkor az erősítőben lesz biztosan a hiba.
Sziasztok!
Nem rég elromlott a Dlink WiFi routerem hálózati adapteren. Tudnátok adni valami tanácsot, hogy hogyan javítsam meg? Eddigi méréseim szerint az utolsó trafó kimenetén nincs semmi jel. Arra gondoltam, hogy lehet az adta be a kulcsot. Ha kell tudok feltenni képet. Segítségeteket köszönöm előre is!
Igen jó lenne kép.
Elsőnek a pufferkondikat kell megvizsgálni, hogy nincsenek e kiszáradva. Utána jöhetnek a félvezetők.
Fetre mérj rá nem e rövidzáras, kimenődiódákra megvan e a nyitófesz. Van e égett rövidzáras alkatrész.
Üdv!
Építettem egy kapcsolóüzemű tápot TL2575HV-15-ös IC-vel. 4db-ot párhuzamosan kötöttem, így bírnia kell a páramperes kimeneti áramot. Gondom van vele! Bemeneti áram megegyezik a kimeneti árammal. Ez így lényegében soros feszültségregulátornak tekinthető, és így elfűti a hasznos energiámat Akkumulátort szeretnék tölteni vele. Napelemes rendszer része.Paraméterek: Ube: 50-55V Ibe: 880mA Uki(üresjárat): 15,1V Iki: 880-910mA Légyszi segítsetek, mi lehet a baj?
Ilyen IC-ket én nem szívesen kötnék párhuzamosan.
Külön-külön jó hatásfokkal működnek?
Másik áramkörben, kb fél éve brummog hiba nélkül, 70-85%-os hatásfokkal.
Párhuzamos kötésre itt mondták azt hogy nyugodtan, ha van benne áramlimit, hisz lényegében egyetlen kondit fognak tölteni mindannyian. Viszont a bemenettel van a gond. Azaz tápelláttással. Szerk: Most gyorsan leteszteltem egy másik táppal, és működik, és növeli az áramot, nem a kapcsolással van a hiba, így átköltözök egy napelemes topicba
Szia!
A 230-as részen lévő sk3067-est már kicseréltem egy korábbi bontott eszközből. A beburkolt trafó bemenetén 600V-ot mértem és a kimeneten semennyit az az 0-t. A trafót, hogy tudnám letesztelni? Köszi az eddigieket is!
A tarfón a megfelelő lábak közt az összekötő huzalok ellenállását, közel 0 Ohmot kell mérj. De azzal nem szokott baj lenni.
Vezérlő IC tápát mérd ki, ezek az ic-k egy R-C taggal állítják be a frekit. A C kondenzátoron megtudod mérni multi frekimérőjével vagy szkóppal hogy megy e a belső oszcillátora. Még az szokott lenni, hogy a fet GS közt levő zéner rövidzárba megy.
Helló!
Az Ic kimenetén (CM3843) 50Hz-et kellene mérnem ugye? Mert ha annyit akkor az oszcillátor jó. Most megnézem a GS közt lévő zener dióda "állapotát". Esetleg ha az sem akkor mivel folytassam? Idézet: „Az Ic kimenetén (CM3843) 50Hz-et kellene mérnem ugye?” Nem jó az oszcillátor. Ennek a frekinek kb. az ezerszeresét kéne mérned. Az az 50Hz nem valós érték, gondolom multiméterrel mérted. Ha menne az oszc. ,sokkal nagyobb érték kéne. Nézd meg, hogy megvan-e a tápfesz 7, és 5-ös lábak között. Min 16V kell. Ha ez megvan, cseréld ki az ic-t.
Valóban multiméterrel mértem. Bár nem bízok benne teljesen. (megpróbálok jövőhéten gyakorlaton oszcilloszkóppal rámérni)
Gnd és Vcc közözz 8V-ot mértem. Tehát akkor az IC-hez vezető részt kellene először is kimérni, hogy mért csak ennyi. Jól gondolom?
Szia!
Legelőször az IC melletti elektrolitkondit cseréld ki. Ha jól emlékszem 47uF. Ezekben a tápokban elég sűrűn behal az a kondi..
Nagyon szépen köszönöm a tanácsot! Valóban a 45µF/25V-os kondival volt probléma.
Egyébként ez általános probléma szokott lenni ilyen tápegységeknél? Mégegyszer köszönöm mindenkinek a segítő hozzászólásokat!!
Szívesen!
Elék sok D-link-es tápnál kellett már azt a kondit cserélni..
Sejtettem, hogy valami széria hiba lehet.
Van nekem egy gyönyörű Abit alaplapom, ami mostanság egyre jobban szórakozik. Kiderítettem, hogy a kifagyásokért egy túlságosan melegedő HIP6602 tipusú ic a felelős. Kézzel szinte érinthetetlen, ha ventivel fújatom akkor később fagy ki a gép, ha nem, akkor még a bootolásig sem jut el.
Szóval arra várok tippeket, hogy az elmúlt jópár évben mért ment a gép anélkül, hogy ezt az ic-t külön hűteni kellett volna, most meg már oda jutottam hogy hűtéssel is igen rövid ideig megy a gép! Ez az ic hajtja a proci táplálásáért felelős feteket. A kondipakkot már cseréltem. Az alaplap tiszta (nem poros) mivel vízzel van hűtve a teljes rendszer.
Egy kérdésem lenne. Lehet nagy hülyeség, nem röhögni.
Van nekem 2db kapcsolóüzemű táp trafóm. Az egyik kimeneti feszültsége annyi mint a másik bemeneti feszültsége. A kérdés: Használhatom-e úgy a trafókat, hogy az első trafó szekunderét összekötöm a második primerével? Tehát az első trafót meghajtom, a másodikat pedig csak közvetlenül rákötöm az első szekunderére, meghajtás nélkül. Ez ugye rendes 50Hz-es trafóknál működik, de itt is menne?
Szerintem működik a transzformálás. Miért ne?
|
Bejelentkezés
Hirdetés |







Akkumulátort szeretnék tölteni vele. Napelemes rendszer része.





