Fórum témák
» Több friss téma |
Fórum » Kompresszor építés (levegő)
Gondban vagyok. Ideiglenesen rákötötte egy légtechnikai gumicsővel a légsűrítő termelőágát a tartályra. És rá kellet jönnöm, hogy nem bírja a motor meghajtani a légsűrítőt. 2-3bár-ig nagy nehezen felnyomja a tartályt, de utána lefullad.
Ez egy három fázisú 1,5kW-os 950-es fordulatú villanymotor. Azért bíztam benne, mert ezt a sűrítőt ezzel az áttétellel nagyapámnál gond nélkül hajtotta. Még az alaplemez és a nyomáskapcsoló is ugyan az, de még a kombinált szelep a termelőágban is! És nem bírja. Gondolkodtam, hogy ez mégis hogy lehet és arra jutottam, hogy ez egy kéthengeres sűrítő, viszont a takarítás közben jöttem rá, hogy az egyik szívóoldali szelep olyan szinten el volt koszolódva, hogy a beszívott levegőt egy az egyben vissza ki is nyomta a szívócsövön. Így gyakorlatilag mint egyhengeres kompresszor dolgozott, azt meg elbírta a 1,5kW-os motor. Nekem van egy ugyan ilyen fizikai méretekkel rendelkező 3kW-os motorom, de annak nagyobb a fordulatszáma mégpedig 1420-as és a tengelyén 115mm átmérőjű ékszíjtárcsa van. A légsűrítőn 210mm-es az ékszíjtárcsa.Most miközben a hozzászólást írtam utánakerestem a légsűrítő adatainak. Csatolom. Ebből világosan látszik, hogy 780kPa 1800 fordulatnál 2,8kW meghajtó teljesítményt igényel, szóval muszáj lesz rátennem a 3kW-os motort. Illetve a másik képen az alap amiből elkezdtem a munkát, nagyapám régi kompresszora, aminek egy napon a belülről elrozsdásodott tartálya felrobban.
Minden szükséges adatot leírtál ahhoz, hogy kiszámold, az adott áttétellel az 1420-as motor mekkora fordulatszámmal forgatja a kompresszort és az mekkora teljesítményt igényel.
Jobban járunk, ha a jelenlegi motor áttételét írod meg. Bár ha egy az egyben hajt, még akkor is belefér az 1,5 kW-ba. Ahogy én számoltam, 1,4777... kW. Ott valami más gond lesz, ami miatt nem tudja elhajtani. A hozzászólás módosítva: Aug 5, 2017
Most fejeztem be a számítást, 777ford/perc elvileg.
Mit értesz az alatt,hogy valami más gond lesz? El kéne hajtania a 1,5kW-osnak is? Mert így utólag látva, nem.
Közben én is számolgattam.
A motoron jelenleg 145mm átmérőjű ékszíjtárcsa van. Mi lehet a gond szerinted? A motrot természetesen három fázisról hajtom.
Szedj le mindent a kompresszorról! Tegyél rá egy nyomásmérőt és utána egy csapot! Persze közben legyen fél-egy m vastagabb rézcső, 15-18-as. Az hűt egy kicsit. A csappal tudod szabályozni az átáramló mennyiséget, vele a nyomást. Meglátod, mekkora nyomásnál kezd nyögni a motor. Ha így is keveset bír, fel kell újítani a kompresszort. Valami szorul.
Ezt már délután kipróbáltam. 4bár környékén már lefúlt a motor.
Annyi, hogy a légsűrítő és a nyomásmérő között egy gumicső volt, az ami a regi_kompresszor képen látható vastag fekete. A hozzászólás módosítva: Aug 5, 2017
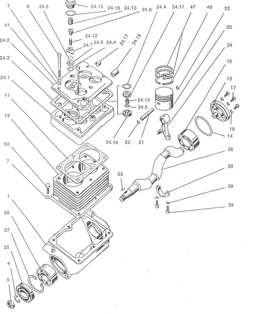
Egy hülye ötlet. A forgattyúházban (jól nevezem?) felgyülemlett kartergáz okozhat ilyen problémát esetleg? Mert elnézve a sűrítő robbantott rajzát az amit én kartergáz kivezetőnek gondoltam, nem is biztos, hogy az. A légsűrítő "tetején" van egy M12-es csavar befúrva, ott lett az olaj beleöntve (1l M6-os motorolaj nagyjából tengelyközépig áll benne), próbáljam meg kiengedni a csavart, hátha? Ha kitekerem a csavart nyílt lesz a forgattyúház.
Biztos nem gyenge ez a motor? Ez a kompresszor is Jikov 4143-al készült és 3kW-os motor van rajta.
Ma kipróbáltam, de a hiba maradt. Esetleg a túl sok olaj nem okozhat ilyen problémát?
Látom nehéz problémám van, vagy mindenkinek melege van?
![]() Kipróbáltam nagyobb motorral, rátettem ideiglenesen egy 4kW-osat, de ugyan úgy lefojtsa 2bár-nál. Nem hiszem el! ![]() Még megpróbálom az olajmennyiséget csökkenteni, hátha az a baj, hogy sok az olaj, de egyre jobban félek, hogy valami hiba van a sűrítőben. De micsoda? Van valakinek ötlete? Üresben szépen dolgozik, de ha rajta van a tartály akkor lefúl.
Tettél a nyomóágba visszacsapószelepet? Ha igen, működik is?
A hozzászólás módosítva: Aug 6, 2017
Igen tettem, működik is. Az egyik képen látszik az az alumínium púp alakú alkatrész a tartály sűrítő felőli végén. Az egy kombinál szelep, visszacsapó plusz tehermentesítő szelep.
Viszont. Most leengedtem 4dl olajat a sűrítőből, eredmény, már 4bár-ig gond nélkül nyomja a kis 1,5kW-os motor. Szóval tényleg az olaj volt sok benne. De 4bár-nál tovább nem bírta nyomni. Megpróbálok még leengedni belőle olajat, csak annyit hagyok benne, hogy a hajtókarok belecsapkodjanak. A hozzászólás módosítva: Aug 6, 2017
Na, csapoltam még le az olajból, most már tökéletes!
7bár-nál kapcsol ki a nyomáskapcsoló, ennyi bőven elég (6bár-ig terveztem, de így még jobb). A tartályt amúgy is 12bár-on nyomás próbáztam, szóval bírni fogja. És az is bizonyossá vált, hogy meg kell oldanom a vízhűtést a hengerfejre, mert hamar felmelegszik. A kombinált szelep is tökéletes. Viszont lehet, hogy keresek rá másik nyomáskapcsolót, mert ez 3,8bár-nál kapcsol csak vissza és nem lehet feljebb állítani. Én viszont szeretném, ha legalább 5,5bár-nál kapcsoljon vissza.
Termelőcsőnek mit ajánlanátok? Mindenképp rézből legyen? Vagy megfelelne az ötrétegű "műanyag" cső is? Ilyen. Mert ilyen alupex csövet árulnak itt Gútán, méretre vágják, még a hollandereket is felteszik rá. Nem a legolcsóbb, de ilyen rövid méretben még vállalható. A rézzel az a gond, hogy hogy maximum csak benzinlámpával és bádogos "cin"-el tudnám lágyforrasztani. Ez utóbbi esetben viszont ki tudnám képezni dupla falúra, a külső rétegben tudnák hűtővizet keringetni, túl sok kényelmetlenséget nem okozna, mert a hengerfej miatt úgyis ki kell képeznem a hűtővízkört.
A műanyag cső jó hőszigetelő. Ami itt nem jó.
A rézcsőre is lehet tenni ugyanolyan (hasonló) roppantógyűrűs hollandereket, mint a műanyagra. Nem kell feltétlen forrasztgatni. Lehet kapni rá tekert hőleadó bordát, de elszórakozhatsz a vízhűtéssel is. Ez utóbbi hatékonyabb és a hatásfokod is jobb lesz.
Amúgy ha lágy forrasztanám és utána nyomás próbáznám mondjuk 15bár-on az gondolom megfelelne. Bár nem a nyomásállóság miatt félek, inkább, hogy a remegés miatt eleped a lágyforrasz. Még megérdeklődöm, hogy apám ismerőse aki tud lánggal hegeszteni és van hozzá felszerelése (víz- gáz- fűtésszerelő) nem tudná-e lánggal levarrni a nyomásnak kitett részeket, a hűtésrészét már le tudom forrasztani én is. De ezt még körbejárom, hogy mik a környéken a lehetőségek.
Ez így van. Lágyforrasz nem való erre a célra. Többféle peremezős megoldás van a szorítógyűrűn kívül is.
Szia! A Te megoldásodon nem látszik a karter szellőzés kialakítása, vagy csak én nem látom a képeken. Az fontos volna a hűtés szempontjából is és a nyomás kiegyenlítődés miatt is, a víztartály az nem biztos, hogy kelleni fog ha nem huzamosabb ideig van állandó terhelésnek kitéve. A linkelt oldalon lévő gép kartere fel van állítva és a felső szélén van kialakítva a szellőző aminek a szűrője felette van a hengerfejnek, hogy ne tudja felverni az olajat addig a szintig. Most, hogy már leengedtél az olajból, lett hely az alsó térnek is hová tágulnia de ha ki lenne nyitva atmoszférikusra , akkor könnyebben tudná hajtani a motor.
Amikor láttam, hogy lefúl a motor az olajfelöntő nyílás csavarja volt az első amit kitekertem, hogy a kartergáznak legyen hova távoznia, de az eredmény ugyan az volt. Most dolgozok, a kartergáz kivezetésén, eddig átfúrtam egy 3,5mm-es fúróheggyel a felöntőnyílás csavarját, ezt tovább szándékozom bővíteni 6mm-ig, majd a mellékelt skiccen látható módon szeretném kivitelezni a továbbiakat. Az olajfelöntő nyílás csavarja a sűrítő "tetején" lévő M12 csavar.
Szerintem ez a LIAZ kompresszor a rendeltetési helyén a karter oldalával függőlegesen volt felfogatva és közös volt az olajtere a motorral vagy a hajtóművel. Ehhez képest a Te megoldásodnál a karter részét vízszintes helyzetre oldottad meg. Az olaj ebből kifolyólag túlzottan felhordódik a dugattyúkhoz, nem beszélve ha nem is jó irányba forog (nem jó irányba veri az olajat). Nem vagyok benne biztos de több mint valószínű, hogy az elrendezésből kifolyólag van ez a karteres probléma és az olaj mennyiség is jelentősen kevesebb kellene bele ha állíva lenne az egész kompresszor ahogyan a videón is és más megoldásoknál is látható. Bővebben: Link
Sziasztok!
Kompresszort szeretnék epíteni! Helyesebben egy hütőgepegységet összekötni egy levegő nyomás alatt valo tárolására alkalmas tartályal.... Hű de egy mondat lettIgen tudom.... fillérekért lehet kis kompresszorokat venni! és nekem sem kellene nagy 3-5literes légtartály már szinte sok is! Ami miatt a hütőkompresszorra gondoltam az az hogy halk! Nekem pedig lakásba kellene! Ez jarhato út?
Bocsánat.. megtaláltam a helyes topikját. Ugyhogy megyek is oda esetleg ha van valakinek aktuális tapasztalata szivesen meghallgatom!
Annó nagyapám ezt így oldotta meg, maratott hozzá egy olajteknőt, erre van rácsavarozva. Ha nulláról építeném akkor biztosan valami hasonlót csinálnák mint a linkelt videóban van. Azért bíztam benne, hogy jó a konstrukció mért 25 évig dolgozott nagyapámnál, csak sok minden hiányzott róla (olaj- és vízleválasztó, több biztonsági berendezés, a tartály aljáról a kondenzvíz leengedő és ez utóbbi lett a veszte, a belülről elrozsdásodott tartály egy napon felrobbant. Még megkísérelte behegeszteni a lyukas tartályt, meg rászerelni egy bojler tartályt, de sikertelenül. Aztán nagyapám megbetegedett, szegény kompresszor pedig ázott az udvaron a garázs mellet ponyvával letakarva, végül áthoztam és nekiálltam feljavítani. Ennek eredménye van a képeken. A váz a motor a sűrítő és pár apróság adott volt én még szereztem hozzá egy szép nagy vízleválasztót meg pár apróságot.
A termelőcsőnek nerez cső megfelelne? Azt tudok csináltatni, a végére fel is teszik a hollandereket.
Idézet: (rozsdamentes)„nerez cső megfelelne” Igen, de sokkal nehezebb dolgozni vele, mint a vörösrézzel.
Előzőleg kérdéses volt a forgásirány amire azt mondtad, hogy a nagyapádnál az óramutató járásával ellentétesen forgott. Az úgy volt jó, mert a hajtókar nem oda a dugattyúk alá verte fel az olajat a mostani elrendezésnél. Ha az olajszintet ellenőrző csavart vesszük figyelembe és az eredeti felállást akkor a nívó az valahol a főtengely középvonaláig érhetett eredetileg. Ha ott benyúlsz egy pálcával a karter aljáig és az olajos szintet kívülről hozzánézed a tengely magasságához, látható lesz, hogy mennyi is a felesleges olajtöltet ha van. (szerintem)
Megnéztem a netes videókon a forgásirányt, a "többieké" is így forgott, szóval így hagytam. Az olajfelöntő csavar nem eredeti, szinte biztosan nagyapám fúrta rá. Hurkapálcikával mértem meg az olajszintet, eredetileg tényleg elég sok volt (ellepte a tengelyt), most kb. az olajteknő van csak tele (piros vonal a mellékletben). Biztos, hogy most is még belevernek a hajtókarok az olajba, mert a megfúrt felöntőcsavaron keresztül amikor távozik a kartergáz egy kevés olajat is "kilő", gondolom ami olajat éppen oda ver fel azt hozza magával a levegő.
Sziasztok!
Én is végre látom az alagút végén a fényt, és nem dudál ![]() Régóta csinálgatom a kompresszort kisebb-nagyobb megszakításokkal, de a hétvégén a festésen túlestem, most az újbóli összeszerelés, véglegesítés van soron. A tartály 113L-es, a kompresszor Zil 131, Kamaz kompresszora, teljesen felújítva, 1.5KW-os 3 fázisú motorral tekertetve, a légszállítása 200L/perc körül van.
Szuper lett.
|
Bejelentkezés
Hirdetés |




Ez egy három fázisú 1,5kW-os 950-es fordulatú villanymotor. Azért bíztam benne, mert ezt a sűrítőt ezzel az áttétellel nagyapámnál gond nélkül hajtotta. Még az alaplemez és a nyomáskapcsoló is ugyan az, de még a kombinált szelep a termelőágban is! És nem bírja. Gondolkodtam, hogy ez mégis hogy lehet és arra jutottam, hogy ez egy kéthengeres sűrítő, viszont a takarítás közben jöttem rá, hogy az egyik szívóoldali szelep olyan szinten el volt koszolódva, hogy a beszívott levegőt egy az egyben vissza ki is nyomta a szívócsövön. Így gyakorlatilag mint egyhengeres kompresszor dolgozott, azt meg elbírta a 1,5kW-os motor. Nekem van egy ugyan ilyen fizikai méretekkel rendelkező 3kW-os motorom, de annak nagyobb a fordulatszáma mégpedig 1420-as és a tengelyén 115mm átmérőjű ékszíjtárcsa van. A légsűrítőn 210mm-es az ékszíjtárcsa.


7bár-nál kapcsol ki a nyomáskapcsoló, ennyi bőven elég (6bár-ig terveztem, de így még jobb). A tartályt amúgy is 12bár-on nyomás próbáztam, szóval bírni fogja. És az is bizonyossá vált, hogy meg kell oldanom a vízhűtést a hengerfejre, mert hamar felmelegszik. A kombinált szelep is tökéletes. Viszont lehet, hogy keresek rá másik nyomáskapcsolót, mert ez 3,8bár-nál kapcsol csak vissza és nem lehet feljebb állítani. Én viszont szeretném, ha legalább 5,5bár-nál kapcsoljon vissza.


Hű de egy mondat lett


