Fórum témák
» Több friss téma |
Fórum » Labortápegység készítése
Üdv!
Hát, mi villamos méréseken tanultuk a következőket: 1: deprez műszer 2: egyenáram 3: 1,5-ös osztálypontosság 4: függőleges beépíthetőség 5: 2-es érintésvédelmi besorolás Többit nemtudom...
Remek, köszönöm!
Igazából az lenne jó, ha ezek a feliratok mérés nélkül is súgnának nekem arról, hogy mennyi az alapműszer érzékenysége. Az a műszer aminek a skáláját fotóztam, 25mV-tól tér ki maximálisan, és ekkor 5mA áram folyik rajta. Alkotó
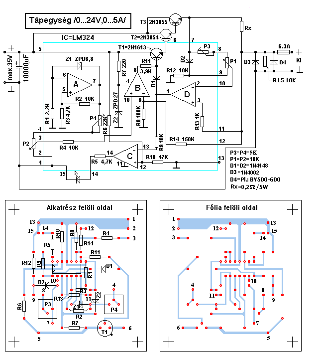
Ez volt az alap problémám a labor táppal:beállítom a kimenő feszültséget 5V-ra, kikapcsolom a tápegységet a hálózati kapcsolóval(220V) majd kis idő múlva visszakapcsolom akkor kb minden második-harmadik alkalommal a teljes 30V van a kimeneten az 5V helyett,
megcsináltam a módosításokat a mellékelt képeken látható helyre beépítettem a diódákat és még mindig fenn áll a probléma, van valami ötlet?
Az utolsó jel : beépített sönt. A zárójelben az értékek.
Hello. A pdf-szerint csináld. Belefutottam én is a problémába, nekem Proli007 segitett. A barátom azóta is használja, gond nélkül.
Valószinüleg még mindíg az opampknál van a gond. Attila tápjába két zenert került bele. Ha megkérjük talán beilleszt egy rajz részletet erről. De ezen a rajzon kikeresheted, hogyan kösd be a zenereket. Igy már tutira jónak kell lennie.
Így kell mint ahogyan ezen a rajzon a pirossal bekarikázott diódák vannak:
Bővebben: RAJZ A stabkocka kimenetén lévő dióda BAT46 legyen, vagy valami hasonló alacsony nyitófeszültségű típus. A zenerek pedig kb 3,3-3,6V környékiek.
Azoknak valamivel nagyobb a nyitófeszültségük, de szerintem biztos hogy jó lesz.
Helló. Azt szeretném megkérdezni, hogy a kapcs. üzemű labortápegységbe, mi sípol néha magas hangon?...
Talán egy tekercs?
Ellenállás nemigen szokott hangot adni, az ELKO max ciceregni tud.
A folytó tekercs. Ez teljesen normális dolog.
Hello
Az nagy gond lenne ha ebből a kapcsolásból kihagynám az Rx ellenállást? És a zenner diódák hány wattosak legyenek?
Az elég nagy baj lenne, ha kihagynád az Rx ellenállást, ugyanis akkor nem lenne áram szabályozás. Az Rx értéke 0,2 ohm, ha ilyet épp nem kapsz, akkor két 0,39 ohm-osat párhuzamosan kötsz (nekem is így működik).
A zener diódáknak pedig elég sima kisteljesítményű.
Ha megépítetted, kíváncsi lennék, a piros led világít e neked ha kell
Gondolom arra mondod, ha az Rx nélkül építené meg.
Nem, úgy alapvetően gondoltam, gyári rajz szerint megépíteni. Nekem az istennek sem akar világítani.... Arra gondoltam lecserélem a 4,7k-s ellenállást kisebbre, de ki tudja jót teszek e ezzel.. .A LED jó, 24VACról működtetem az egészet, elvileg jónak kéne lenni nem? ICt is cseréltem már.... Zárlat nincs.
Ez van
Hmm.. nekem elsőre tökéletesen működött és működik a mai napig. nem lehetséges, hogy gerjed valamelyik műveleti erősítő?
Bár én saját tervezésű panelre építettem meg.
Ezt így én nem tudom megállapítani, ott van egy tokban mindegyik, aztán elvileg működnie kéne. Én amúgy a 2n3054-et elhagytam, de ennek nem szabadna semmi gondot okoznia szerintem... Amúgy az áramot tudom szabályozni, gond nincs vele, csak az a ... led nem akar életre kelni.
Jah és a by600 is kimaradt, puffer kondi pedig csak 2200+4700, de ez mitsem változtat szerintem.
Hello!
Aki negyedikes már, annak mérni és nem sírdogálni kellene? üdv! proli007
Akkor írom mit mértem. Amikor elvileg az áramkorlát be van kapcsolva 310 mV esik a LEDen. ezért gondoltam az ellenállás kisebbre cserélését, de ahogy belegondolok, az sem segítene sokat. Mérni... nos igazából nem tudom mit mérjek. Nem olyan suliba járok sajnos, ahol már ilyenkor lehet elektot tanulni. Most pedig nagyon kevés időm van olvasgatni, barkácsolni. Nyakamon az érettségi. De majd a nyáron bepótolom a lemaradásom
![]() uli
Hát az a 310mV kevés lesz. Az IC tápfeszültsége rendben van? Egyáltalán változik a LED -en a feszültségesés ha be vagy ki kapcsol az áramkorlát.
Hello
Megépítettem ezt a tápot és az R7 elfüstölt. Mi lehet az oka?
Tól nagy bemenő feszültség, és így túl kinyílt a zéner, vagy zárlatos a műveleti erősítő
Hello!
Nem lehet véletlen, hogy a Z2 zener fordítva van benn?
Vagy a Zener zárlatos, vagy inkább fordítva van beültetve.
Megvan a probléma. A trafó volt a ludas 33 helyett 41 V jött le róla
Szerintetek mit nyírhatott ki? |
Bejelentkezés
Hirdetés |








Ez van

Szerintetek mit nyírhatott ki?



